SLVSDS9E July   2018  – August 2021 TPS63805 , TPS63806 , TPS63807

PRODUCTION DATA  

  1. Features
  2. Applications
  3. Description
  4. Revision History
  5. Description (continued)
  6. Device Comparison Table
  7. Pin Configuration and Functions
  8. Specifications
    1. 8.1 Absolute Maximum Ratings
    2. 8.2 ESD Ratings
    3. 8.3 Recommended Operating Conditions
    4. 8.4 Thermal Information
    5. 8.5 Electrical Characteristics
    6. 8.6 Typical Characteristics
  9. Detailed Description
    1. 9.1 Overview
    2. 9.2 Functional Block Diagram
    3. 9.3 Feature Description
      1. 9.3.1  Control Loop Description
      2. 9.3.2  Precise Device Enable: Threshold- or Delayed Enable
      3. 9.3.3  Mode Selection (PFM/PWM)
      4. 9.3.4  Undervoltage Lockout (UVLO)
      5. 9.3.5  Soft Start
      6. 9.3.6  Adjustable Output Voltage
      7. 9.3.7  Overtemperature Protection - Thermal Shutdown
      8. 9.3.8  Input Overvoltage - Reverse-Boost Protection (IVP)
      9. 9.3.9  Output Overvoltage Protection (OVP)
      10. 9.3.10 Power-Good Indicator
    4. 9.4 Device Functional Modes
      1. 9.4.1 Peak-Current Mode Architecture
        1. 9.4.1.1 Reverse Current Operation, Negative Current
        2. 9.4.1.2 Boost Operation
        3. 9.4.1.3 Buck-Boost Operation
        4. 9.4.1.4 Buck Operation
      2. 9.4.2 Power Save Mode Operation
        1. 9.4.2.1 Current Limit Operation
  10. 10Application and Implementation
    1. 10.1 Application Information
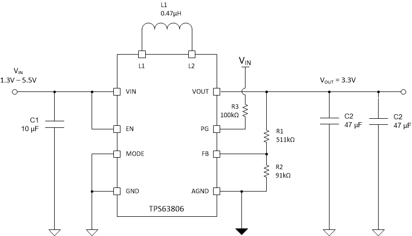
    2. 10.2 Typical Application
      1. 10.2.1 Design Requirements
      2. 10.2.2 Detailed Design Procedure
        1. 10.2.2.1 Custom Design With WEBENCH® Tools
        2. 10.2.2.2 Inductor Selection
        3. 10.2.2.3 Output Capacitor Selection
        4. 10.2.2.4 Input Capacitor Selection
        5. 10.2.2.5 Setting The Output Voltage
      3. 10.2.3 Application Curves
  11. 11Power Supply Recommendations
  12. 12Layout
    1. 12.1 Layout Guidelines
    2. 12.2 Layout Example
  13. 13Device and Documentation Support
    1. 13.1 Device Support
      1. 13.1.1 Third-Party Products Disclaimer
      2. 13.1.2 Development Support
        1. 13.1.2.1 Custom Design With WEBENCH® Tools
    2. 13.2 Receiving Notification of Documentation Updates
    3. 13.3 Support Resources
    4. 13.4 Trademarks
    5. 13.5 Electrostatic Discharge Caution
    6. 13.6 Glossary
  14. 14Mechanical, Packaging, and Orderable Information

Typical Application

GUID-26D8ACA0-BC7B-474A-B24E-32AE02671D8A-low.gifFigure 10-1 TPS63805/TPS63807 3.3 VOUT Typical Application
GUID-2F04870D-0F80-4D55-A3B6-CA654E457C37-low.gifFigure 10-2 TPS63806 3.3 VOUT Typical Application