SLVU264A November   2008  – October 2021 TPS54233

 

  1.   Trademarks
  2. 1Introduction
    1. 1.1 Background
    2. 1.2 Performance Specification Summary
    3. 1.3 Modifications
      1. 1.3.1 Output Voltage Set Point
  3. 2Test Setup and Results
    1. 2.1 Input / Output Connections
    2. 2.2 Efficiency
    3. 2.3 Output Voltage Load Regulation
    4. 2.4 Output Voltage Line Regulation
    5. 2.5 Load Transients
    6. 2.6 Loop Characteristics
    7. 2.7 Output Voltage Ripple
    8. 2.8 Input Voltage Ripple
    9. 2.9 Powering Up
  4. 3Board Layout
    1. 3.1 Layout
    2. 3.2 Estimated Circuit Area
  5. 4Schematic and Bill of Materials
    1. 4.1 Schematic
    2. 4.2 Bill of Materials
  6. 5Revision History

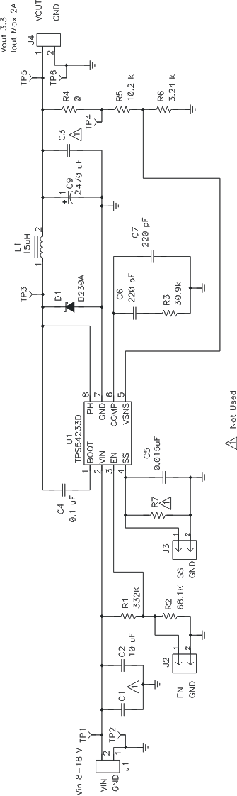
Schematic

Figure 4-1 is the schematic for the TPS54233EVM-373.

GUID-DC67E2DA-B42B-4D32-AB1E-425CB95144F5-low.gifFigure 4-1 TPS54233EVM-373 Schematic