SLVUA04A February   2014  – January 2022 LMZ31704 , LMZ31707 , LMZ31710

 

  1. Description
  2. Getting Started
  3. Test Point Descriptions
  4. Operation Notes
  5. Current Limitations
  6. Performance Data
  7. 2× Parallel Bill of Material
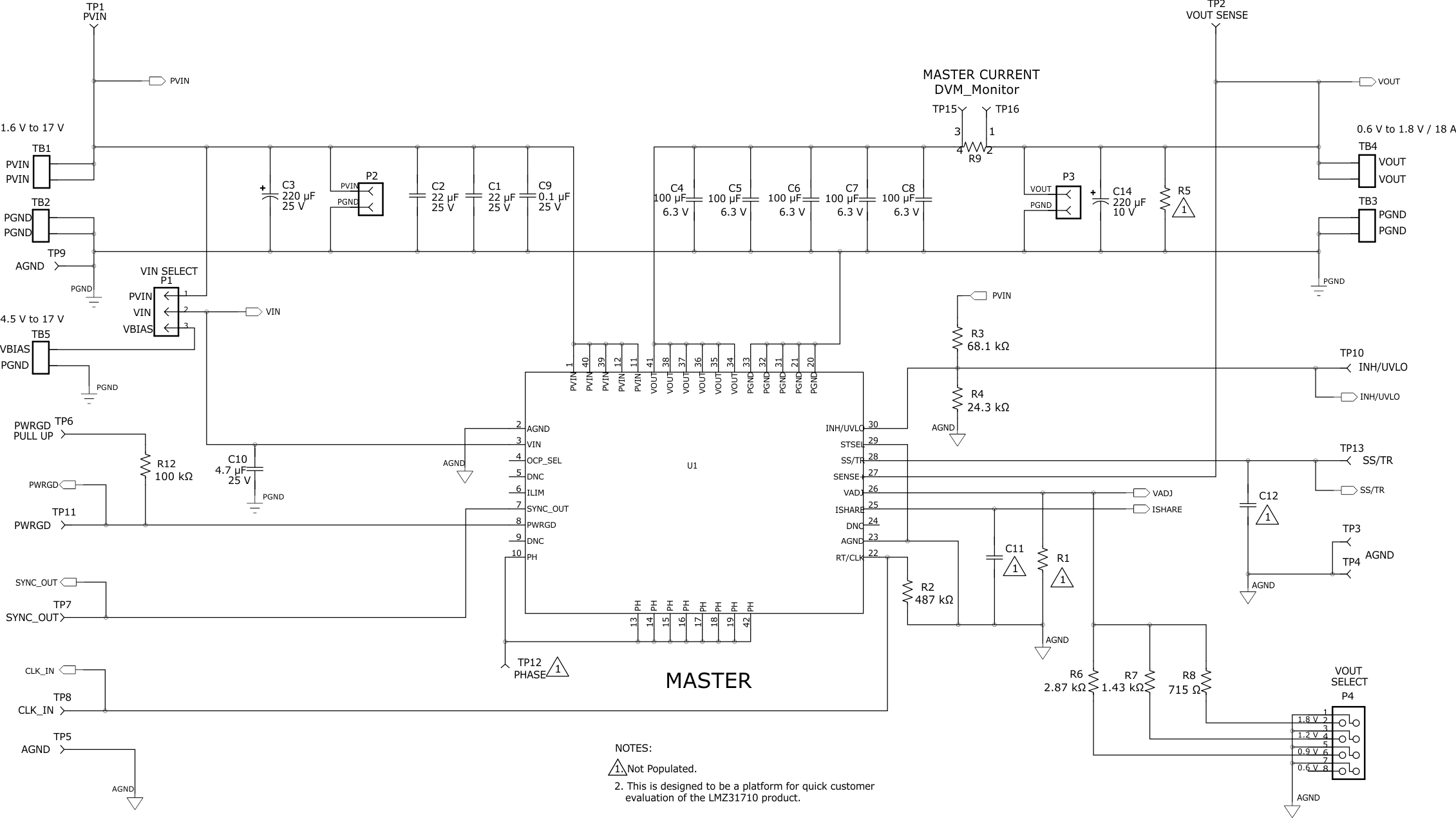
  8. 2× Parallel Schematic
  9. 4× Parallel Bill of Material
  10. 104× Parallel Schematic
  11. 11Revision History

2× Parallel Schematic

GUID-0ACE228D-7119-435E-B185-8A8E309A382A-low.gif
GUID-016B77E9-2AF1-4B41-8F56-F6A2E3D779C1-low.gif