SLVUCK4A march   2023  – july 2023 TPS25948

 

  1.   1
  2.   TPS25948EVM: Evaluation Module for TPS25948 eFuse
  3.   Trademarks
  4. 1Introduction
    1. 1.1 EVM Features
    2. 1.2 EVM Applications
  5. 2Description
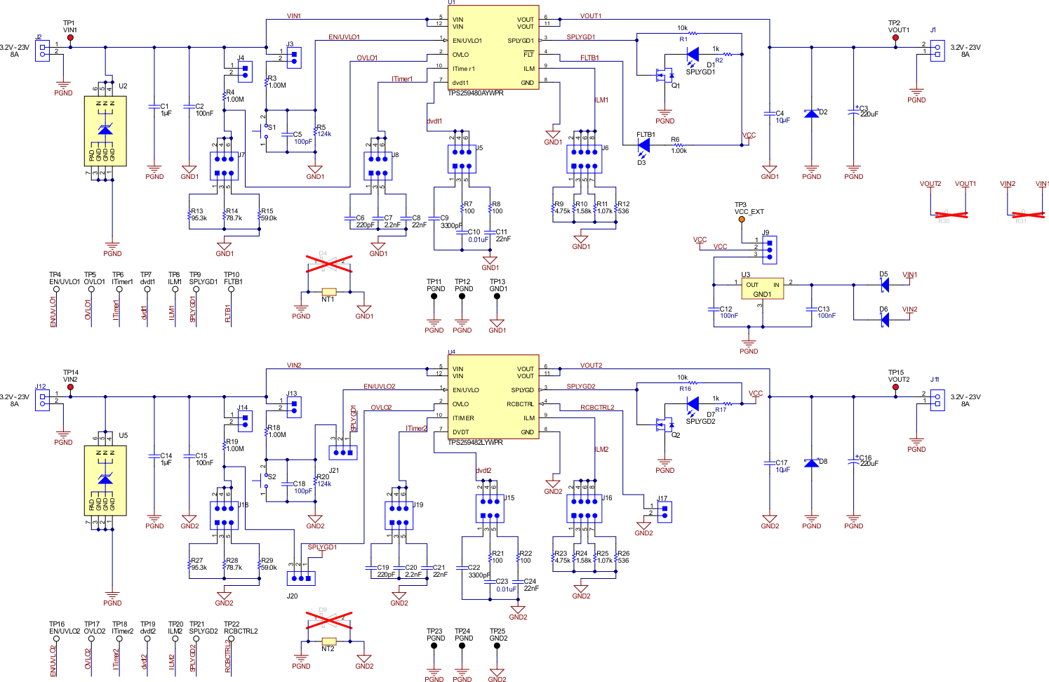
  6. 3Schematic
  7. 4General Configurations
    1. 4.1 Physical Access
    2. 4.2 Test Equipment and Setup
      1. 4.2.1 Power Supplies
      2. 4.2.2 Meters
      3. 4.2.3 Oscilloscope
      4. 4.2.4 Loads
  8. 5Test Setup and Procedures
    1. 5.1 Hot-Plug Test
    2. 5.2 Overcurrent Test
    3. 5.3 Output Hot-Short Test
    4. 5.4 Wakeup into Short Test
    5. 5.5 Overvoltage Test
    6. 5.6 Priority Power Mux Test
  9. 6EVAL Board Assembly Drawings and Layout Guidelines
    1. 6.1 PCB Drawings
  10. 7Bill Of Materials (BOM)
  11. 8Revision History

Schematic

4 illustrates the EVM schematic.

GUID-20230628-SS0I-M7CX-FNGH-SJWBXWK79LBR-low.gifFigure 3-1 TPS25948EVM eFuse Evaluation Board Schematic