SNVSBA0E February   2020  – October 2025 LM61480-Q1 , LM61495-Q1 , LM62460-Q1

PRODUCTION DATA  

  1.   1
  2. Features
  3. Applications
  4. Description
  5. Device Comparison Table
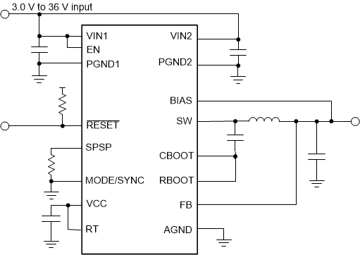
  6. Pin Configuration and Functions
  7. Specifications
    1. 6.1 Absolute Maximum Ratings
    2. 6.2 ESD Ratings
    3. 6.3 Recommended Operating Conditions
    4. 6.4 Thermal Information
    5. 6.5 Electrical Characteristics
    6. 6.6 Timing Characteristics
    7. 6.7 Switching Characteristics
    8. 6.8 System Characteristics
    9. 6.9 Typical Characteristics
  8. Detailed Description
    1. 7.1 Overview
    2. 7.2 Functional Block Diagram
    3. 7.3 Feature Description
      1. 7.3.1  Output Voltage Selection
      2. 7.3.2  Enable EN Pin and Use as VIN UVLO
      3. 7.3.3  SYNC/MODE Uses for Synchronization
      4. 7.3.4  Clock Locking
      5. 7.3.5  Adjustable Switching Frequency
      6. 7.3.6  RESET Output Operation
      7. 7.3.7  Internal LDO, VCC UVLO, and BIAS Input
      8. 7.3.8  Bootstrap Voltage and VCBOOT-UVLO (CBOOT Pin)
      9. 7.3.9  Adjustable SW Node Slew Rate
      10. 7.3.10 Spread Spectrum
      11. 7.3.11 Soft Start and Recovery From Dropout
      12. 7.3.12 Overcurrent and Short-Circuit Protection
      13. 7.3.13 Hiccup
      14. 7.3.14 Thermal Shutdown
    4. 7.4 Device Functional Modes
      1. 7.4.1 Shutdown Mode
      2. 7.4.2 Standby Mode
      3. 7.4.3 Active Mode
        1. 7.4.3.1 Peak Current Mode Operation
        2. 7.4.3.2 Auto Mode Operation
          1. 7.4.3.2.1 Diode Emulation
        3. 7.4.3.3 FPWM Mode Operation
        4. 7.4.3.4 Minimum On-time (High Input Voltage) Operation
        5. 7.4.3.5 Dropout
        6. 7.4.3.6 Recovery from Dropout
        7. 7.4.3.7 Other Fault Modes
  9. Application and Implementation
    1. 8.1 Application Information
    2. 8.2 Typical Application
      1. 8.2.1 Design Requirements
      2. 8.2.2 Detailed Design Procedure
        1. 8.2.2.1  Choosing the Switching Frequency
        2. 8.2.2.2  Setting the Output Voltage
        3. 8.2.2.3  Inductor Selection
        4. 8.2.2.4  Output Capacitor Selection
        5. 8.2.2.5  Input Capacitor Selection
        6. 8.2.2.6  BOOT Capacitor
        7. 8.2.2.7  BOOT Resistor
        8. 8.2.2.8  VCC
        9. 8.2.2.9  CFF and RFF Selection
        10. 8.2.2.10 RSPSP Selection
        11. 8.2.2.11 RT Selection
        12. 8.2.2.12 RMODE Selection
        13. 8.2.2.13 External UVLO
        14. 8.2.2.14 Maximum Ambient Temperature
      3. 8.2.3 Application Curves
    3. 8.3 Power Supply Recommendations
    4. 8.4 Layout
      1. 8.4.1 Layout Guidelines
        1. 8.4.1.1 Ground and Thermal Considerations
      2. 8.4.2 Layout Example
  10. Device and Documentation Support
    1. 9.1 Device Support
      1. 9.1.1 Third-Party Products Disclaimer
    2. 9.2 Documentation Support
      1. 9.2.1 Related Documentation
    3. 9.3 Receiving Notification of Documentation Updates
    4. 9.4 Support Resources
    5. 9.5 Trademarks
    6. 9.6 Electrostatic Discharge Caution
    7. 9.7 Glossary
  11. 10Revision History
  12. 11Mechanical, Packaging, and Orderable Information

Description

The LM6x4xx-Q1 buck regulator family are automotive-focused regulators providing either fixed or an adjustable output voltage which can be set from 1 V to 95% of expected input voltage. These regulators operate under a wide input voltage range of 3 to 36V and has transient tolerance up to 42 V.

The family is designed for low EMI. The device incorporates pin selectable spread spectrum, and an adjustable SW node rise time. Dual Random Spread Spectrum (DRSS) frequency hopping is set to ±4% (typical), drastically reducing peak emissions through a combination of triangular and pseudorandom modulation, and includes advanced techniques to reduce output voltage ripple caused by spread spectrum modulation.

An open-drain RESET output, with filtering and delayed release, gives a true indication of system status. In auto mode the device automatically transitions between Fixed frequency Pulse Width Modulation (FPWM) and Pulse Frequency Modulation (PFM) modes of operation, allowing an unloaded current consumption of only 5 µA (typical). Electrical characteristics are specified over a junction temperature range of –40°C to +150°C.

Device Information
PART NUMBER(3) PACKAGE(1) PACKAGE SIZE(2)
LM61495-Q1 RPH (VQFN-HR, 16) 4.5mm × 3.5mm
LM61480-Q1
LM62460-Q1
For more information, see Section 11.
The package size (length × width) is a nominal value and includes pins, where applicable.
LM61480-Q1 LM61495-Q1 LM62460-Q1 Simplified SchematicSimplified Schematic
LM61480-Q1 LM61495-Q1 LM62460-Q1 EVM Efficiency: VOUT  = 5V,
                            FSW = 2.2MHzEVM Efficiency: VOUT = 5V, FSW = 2.2MHz