TIDUDI9A January   2018  – May 2025 ISOM8610

 

  1.   1
  2.   Description
  3.   Resources
  4.   Features
  5.   Applications
  6.   6
  7. 1System Description
    1. 1.1 Key System Specifications
  8. 2System Overview
    1. 2.1 Block Diagram
    2. 2.2 Highlighted Products
      1. 2.2.1 ISO121x
      2. 2.2.2 SN74LV165A
      3. 2.2.3 SN74LVC1GU04
      4. 2.2.4 TVS3300
      5. 2.2.5 ISOM8600
    3. 2.3 System Design Theory
      1. 2.3.1 Digital Input Stage
      2. 2.3.2 Broken Wire Detection
        1. 2.3.2.1 Case 1: Wire Intact and Input State '1'
        2. 2.3.2.2 Case 2: Wire Intact and Input State '0'
        3. 2.3.2.3 Case 3: Broken Wire
      3. 2.3.3 Readout of Digital Outputs
  9. 3Hardware, Software, Testing Requirements, and Test Results
    1. 3.1 Required Hardware and Software
      1. 3.1.1 Hardware
      2. 3.1.2 Software
    2. 3.2 Testing and Results
      1. 3.2.1 Test Setup
      2. 3.2.2 Test Results
        1. 3.2.2.1 Group-Channel Configuration
        2. 3.2.2.2 Single-Channel Configuration
      3. 3.2.3 Conclusion
  10. 4Design Files
    1. 4.1 Schematics
    2. 4.2 Bill of Materials
    3. 4.3 PCB Layout Recommendations
      1. 4.3.1 Layout Prints
    4. 4.4 Altium Project
    5. 4.5 Gerber Files
    6. 4.6 Assembly Drawings
  11. 5Software Files
  12. 6Related Documentation
    1. 6.1 Trademarks
  13. 7About the Author
    1. 7.1 Acknowledgments
  14. 8Revision History

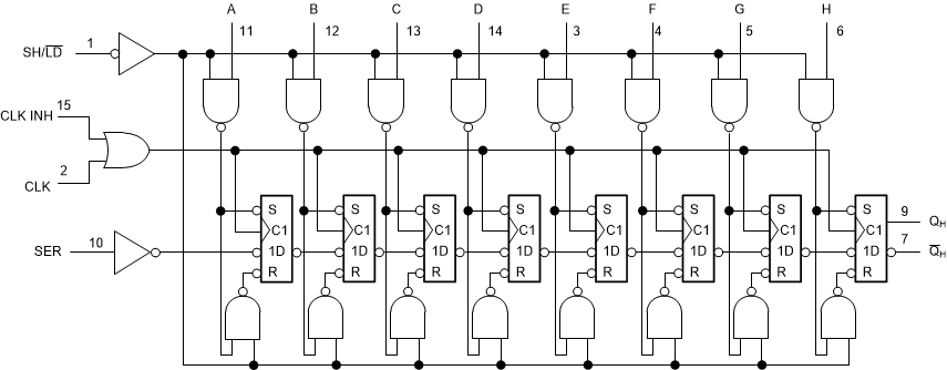
SN74LV165A

The SN74LV165A devices are parallel-load, 8-bit shift registers designed for 2-V to 5.5-V VCC operation.

When the devices are clocked, data is shifted toward the serial output QH. Parallel-in access to each stage is provided by eight individual direct data inputs that are enabled by a low level at the shift/load (SH/LD) input. The SN74LV165A devices feature a clock-inhibit function and a complemented serial output, QH.

Figure 2-3 shows a functional block diagram of the SN74LV165A.

TIDA-01509 Functional Block Diagram of
                    SN74LV165A Figure 2-3 Functional Block Diagram of SN74LV165A