TIDUF18A October 2022 – February 2024
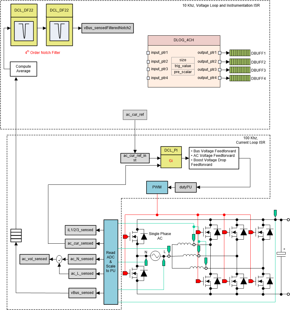
In BUILD 2, the inner current loop is closed, that is, the inductor current is controlled using a current compensator Gi. Both DC bus and output voltage feed forward are applied to the output of this current compensator to generate the duty cycle of the inverter. This makes the plant for the current compensator simple and a proportional (P) controller can be used to tune the loop of the inner current. The model for the current loop was derived. Complete software diagram for this build is illustrated in Figure 5-32 (Note that TIDM-02013 is a 2 phase interleaved TTPLPFC).

Complete software diagram for this build is illustrated in Figure 5-32.
Figure 5-32 Build Level 2 Control Software Diagram: Closed Current Loop