SBAS535C August   2013  â€“ February 2017 ADS1120

PRODUCTION DATA.  

  1. Features
  2. Applications
  3. Description
  4. Revision History
  5. Pin Configuration and Functions
  6. Specifications
    1. 6.1 Absolute Maximum Ratings
    2. 6.2 ESD Ratings
    3. 6.3 Recommended Operating Conditions
    4. 6.4 Thermal Information
    5. 6.5 Electrical Characteristics
    6. 6.6 SPI Timing Requirements
    7. 6.7 SPI Switching Characteristics
    8. 6.8 Typical Characteristics
  7. Parameter Measurement Information
    1. 7.1 Noise Performance
  8. Detailed Description
    1. 8.1 Overview
    2. 8.2 Functional Block Diagram
    3. 8.3 Feature Description
      1. 8.3.1  Multiplexer
      2. 8.3.2  Low-Noise PGA
        1. 8.3.2.1 PGA Common-Mode Voltage Requirements
        2. 8.3.2.2 Bypassing the PGA
      3. 8.3.3  Modulator
      4. 8.3.4  Digital Filter
      5. 8.3.5  Output Data Rate
      6. 8.3.6  Voltage Reference
      7. 8.3.7  Clock Source
      8. 8.3.8  Excitation Current Sources
      9. 8.3.9  Low-Side Power Switch
      10. 8.3.10 Sensor Detection
      11. 8.3.11 System Monitor
      12. 8.3.12 Offset Calibration
      13. 8.3.13 Temperature Sensor
        1. 8.3.13.1 Converting from Temperature to Digital Codes
          1. 8.3.13.1.1 For Positive Temperatures (for Example, 50°C):
          2. 8.3.13.1.2 For Negative Temperatures (for Example, -25°C):
        2. 8.3.13.2 Converting from Digital Codes to Temperature
    4. 8.4 Device Functional Modes
      1. 8.4.1 Power-Up and Reset
      2. 8.4.2 Conversion Modes
        1. 8.4.2.1 Single-Shot Mode
        2. 8.4.2.2 Continuous Conversion Mode
      3. 8.4.3 Operating Modes
        1. 8.4.3.1 Normal Mode
        2. 8.4.3.2 Duty-Cycle Mode
        3. 8.4.3.3 Turbo Mode
        4. 8.4.3.4 Power-Down Mode
    5. 8.5 Programming
      1. 8.5.1 Serial Interface
        1. 8.5.1.1 Chip Select (CS)
        2. 8.5.1.2 Serial Clock (SCLK)
        3. 8.5.1.3 Data Ready (DRDY)
        4. 8.5.1.4 Data Input (DIN)
        5. 8.5.1.5 Data Output and Data Ready (DOUT/DRDY)
        6. 8.5.1.6 SPI Timeout
      2. 8.5.2 Data Format
      3. 8.5.3 Commands
        1. 8.5.3.1 RESET (0000 011x)
        2. 8.5.3.2 START/SYNC (0000 100x)
        3. 8.5.3.3 POWERDOWN (0000 001x)
        4. 8.5.3.4 RDATA (0001 xxxx)
        5. 8.5.3.5 RREG (0010 rrnn)
        6. 8.5.3.6 WREG (0100 rrnn)
      4. 8.5.4 Reading Data
      5. 8.5.5 Sending Commands
      6. 8.5.6 Interfacing with Multiple Devices
    6. 8.6 Register Map
      1. 8.6.1 Configuration Registers
        1. 8.6.1.1 Configuration Register 0 (offset = 00h) [reset = 00h]
        2. 8.6.1.2 Configuration Register 1 (offset = 01h) [reset = 00h]
        3. 8.6.1.3 Configuration Register 2 (offset = 02h) [reset = 00h]
        4. 8.6.1.4 Configuration Register 3 (offset = 03h) [reset = 00h]
  9. Application and Implementation
    1. 9.1 Application Information
      1. 9.1.1 Serial Interface Connections
      2. 9.1.2 Analog Input Filtering
      3. 9.1.3 External Reference and Ratiometric Measurements
      4. 9.1.4 Establishing a Proper Common-Mode Input Voltage
      5. 9.1.5 Unused Inputs and Outputs
      6. 9.1.6 Pseudo Code Example
    2. 9.2 Typical Applications
      1. 9.2.1 K-Type Thermocouple Measurement (-200°C to +1250°C)
        1. 9.2.1.1 Design Requirements
        2. 9.2.1.2 Detailed Design Procedure
        3. 9.2.1.3 Application Curves
      2. 9.2.2 3-Wire RTD Measurement (-200°C to +850°C)
        1. 9.2.2.1 Design Requirements
        2. 9.2.2.2 Detailed Design Procedure
          1. 9.2.2.2.1 Design Variations for 2-Wire and 4-Wire RTD Measurements
        3. 9.2.2.3 Application Curves
      3. 9.2.3 Resistive Bridge Measurement
        1. 9.2.3.1 Design Requirements
        2. 9.2.3.2 Detailed Design Procedure
  10. 10Power Supply Recommendations
    1. 10.1 Power-Supply Sequencing
    2. 10.2 Power-Supply Ramp Rate
    3. 10.3 Power-Supply Decoupling
  11. 11Layout
    1. 11.1 Layout Guidelines
    2. 11.2 Layout Example
  12. 12Device and Documentation Support
    1. 12.1 Documentation Support
      1. 12.1.1 Related Documentation
    2. 12.2 Receiving Notification of Documentation Updates
    3. 12.3 Community Resources
    4. 12.4 Trademarks
    5. 12.5 Electrostatic Discharge Caution
    6. 12.6 Glossary
  13. 13Mechanical, Packaging, and Orderable Information

Package Options

Mechanical Data (Package|Pins)
Thermal pad, mechanical data (Package|Pins)
Orderable Information

Layout

Layout Guidelines

TI recommends employing best design practices when laying out a printed circuit board (PCB) for both analog and digital components. This recommendation generally means that the layout separates analog components [such as ADCs, amplifiers, references, digital-to-analog converters (DACs), and analog MUXs] from digital components [such as microcontrollers, complex programmable logic devices (CPLDs), field-programmable gate arrays (FPGAs), radio frequency (RF) transceivers, universal serial bus (USB) transceivers, and switching regulators]. An example of good component placement is shown in Figure 86. Although Figure 86 provides a good example of component placement, the best placement for each application is unique to the geometries, components, and PCB fabrication capabilities employed. That is, there is no single layout that is perfect for every design and careful consideration must always be used when designing with any analog component.

ADS1120 ai_comp_plcmt_bas501.gif Figure 86. System Component Placement

The use of split analog and digital ground planes is not necessary for improved noise performance (although for thermal isolation this option is a worthwhile consideration). However, the use of a solid ground plane or ground fill in PCB areas with no components is essential for optimum performance. If the system being used employs a split digital and analog ground plane, TI generally recommends that the ground planes be connected together as close to the device as possible. A two-layer board is possible using common grounds for both analog and digital grounds. Additional layers can be added to simplify PCB trace routing. Ground fill may also reduce EMI and RFI issues.

TI also strongly recommends that digital components, especially RF portions, be kept as far as practically possible from analog circuitry in a given system. Additionally, minimize the distance that digital control traces run through analog areas and avoid placing these traces near sensitive analog components. Digital return currents usually flow through a ground path that is as close to the digital path as possible. If a solid ground connection to a plane is not available, these currents may find paths back to the source that interfere with analog performance. The implications that layout has on the temperature-sensing functions are much more significant than for ADC functions.

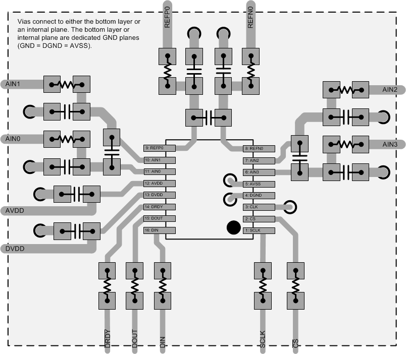
Supply pins must be bypassed to ground with a low-ESR ceramic capacitor. The optimum placement of the bypass capacitors is as close as possible to the supply pins. If AVSS is connected to a negative supply, then connect an additional bypass capacitor from AVSS to AGND as well. The ground-side connections of the bypass capacitors must be low-impedance connections for optimum performance. The supply current flows through the bypass capacitor terminal first and then to the supply pin to make the bypassing most effective.

Analog inputs with differential connections must have a capacitor placed differentially across the inputs. Best input combinations for differential measurements are AIN0, AIN1 and AIN2, AIN3. The differential capacitors must be of high quality. The best ceramic chip capacitors are C0G (NPO), which have stable properties and low noise characteristics. Thermally isolate a copper region around the thermocouple input connections to create a thermally-stable cold junction. Obtaining acceptable performance with alternate layout schemes is possible as long as the above guidelines are followed.

Layout Example

ADS1120 layout_bas683.gif Figure 87. Layout Example