SBAS817D November   2017  – June 2024 ADS8166 , ADS8167 , ADS8168

PRODUCTION DATA  

  1.   1
  2. Features
  3. Applications
  4. Description
  5. Pin Configuration and Functions
  6. Specifications
    1. 5.1 Absolute Maximum Ratings
    2. 5.2 ESD Ratings
    3. 5.3 Thermal Information
    4. 5.4 Recommended Operating Conditions
    5. 5.5 Electrical Characteristics
    6. 5.6 Timing Requirements
    7. 5.7 Switching Characteristics
    8. 5.8 Timing Diagrams
    9. 5.9 Typical Characteristics
  7. Detailed Description
    1. 6.1 Overview
    2. 6.2 Functional Block Diagram
    3. 6.3 Feature Description
      1. 6.3.1 Analog Multiplexer
        1. 6.3.1.1 Multiplexer Configurations
        2. 6.3.1.2 Multiplexer With Minimum Crosstalk
        3. 6.3.1.3 Early Switching for Direct Sensor Interface
      2. 6.3.2 Reference
      3. 6.3.3 REFby2 Buffer
      4. 6.3.4 Converter Module
        1. 6.3.4.1 Internal Oscillator
        2. 6.3.4.2 ADC Transfer Function
      5. 6.3.5 Low-Dropout Regulator (LDO)
    4. 6.4 Device Functional Modes
      1. 6.4.1 Channel Selection Using Internal Multiplexer
        1. 6.4.1.1 Manual Mode
        2. 6.4.1.2 On-The-Fly Mode
        3. 6.4.1.3 Auto Sequence Mode
        4. 6.4.1.4 Custom Channel Sequencing Mode
      2. 6.4.2 Digital Window Comparator
    5. 6.5 Programming
      1. 6.5.1 Data Transfer Protocols
        1. 6.5.1.1 Enhanced-SPI Interface
          1. 6.5.1.1.1 Protocols for Configuring the Device
          2. 6.5.1.1.2 Protocols for Reading From the Device
            1. 6.5.1.1.2.1 SPI Protocols With a Single SDO
            2. 6.5.1.1.2.2 SPI Protocols With Dual SDO
            3. 6.5.1.1.2.3 Clock Re-Timer Data Transfer
              1. 6.5.1.1.2.3.1 Output Bus Width Options
      2. 6.5.2 Register Read/Write Operation
  8. Register Maps
    1. 7.1 Interface and Hardware Configuration Registers
      1. 7.1.1 REG_ACCESS Register (address = 00h) [reset = 00h]
      2. 7.1.2 PD_CNTL Register (address = 04h) [reset = 00h]
      3. 7.1.3 SDI_CNTL Register (address = 008h) [reset = 00h]
      4. 7.1.4 SDO_CNTL1 Register (address = 0Ch) [reset = 00h]
      5. 7.1.5 SDO_CNTL2 Register (address = 0Dh) [reset = 00h]
      6. 7.1.6 SDO_CNTL3 Register (address = 0Eh) [reset = 00h]
      7. 7.1.7 SDO_CNTL4 Register (address = 0Fh) [reset = 00h]
      8. 7.1.8 DATA_CNTL Register (address = 10h) [reset = 00h]
      9. 7.1.9 PARITY_CNTL Register (address = 11h) [reset = 00h]
    2. 7.2 Device Calibration Registers
      1. 7.2.1 OFST_CAL Register (address = 18h) [reset = 00h]
      2. 7.2.2 REF_MRG1 Register (address = 19h) [reset = 00h]
      3. 7.2.3 REF_MRG2 Register (address = 1Ah) [reset = 00h]
      4. 7.2.4 REFby2_MRG Register (address = 1Bh) [reset = 00h]
    3. 7.3 Analog Input Configuration Registers
      1. 7.3.1 AIN_CFG Register (address = 24h) [reset = 00h]
      2. 7.3.2 COM_CFG Register (address = 27h) [reset = 00h]
    4. 7.4 Channel Sequence Configuration Registers Map
      1. 7.4.1 DEVICE_CFG Register (address = 1Ch) [reset = 00h]
      2. 7.4.2 CHANNEL_ID Register (address = 1Dh) [reset = 00h]
      3. 7.4.3 SEQ_START Register (address = 1Eh) [reset = 00h]
      4. 7.4.4 SEQ_ABORT Register (address = 1Fh) [reset = 00h]
      5. 7.4.5 ON_THE_FLY_CFG Register (address = 2Ah) [reset = 00h]
      6. 7.4.6 AUTO_SEQ_CFG1 Register (address = 80h) [reset = 00h]
      7. 7.4.7 AUTO_SEQ_CFG2 Register (address = 82h) [reset = 00h]
      8. 7.4.8 Custom Channel Sequencing Mode Registers
        1. 7.4.8.1 CCS_START_INDEX Register (address = 88h) [reset = 00h]
        2. 7.4.8.2 CCS_END_INDEX Register (address = 89h) [reset = 00h]
        3. 7.4.8.3 CCS_SEQ_LOOP Register (address = 8Ah) [reset = 00h]
        4. 7.4.8.4 CCS_CHID_INDEX_m Registers (address = 8C, 8E, 90, 92, 94, 96, 98, 9A, 9C, 9E, A0, A2, A4, A6, A8, and AAh) [reset = 00h]
        5. 7.4.8.5 REPEAT_INDEX_m Registers (address = 8D, 8F, 91, 93, 95, 97, 99, 9B, 9D, 9F, A1, A3, A5, A7, A9, and ABh) [reset = 00h]
    5. 7.5 Digital Window Comparator Configuration Registers Map
      1. 7.5.1  ALERT_CFG Register (address = 2Eh) [reset = 00h]
      2. 7.5.2  HI_TRIG_AINx[15:0] Register (address = 4Dh to 30h) [reset = 0000h]
      3. 7.5.3  LO_TRIG_AINx[15:0] Register (address = 71h to 54h) [reset = 0000h]
      4. 7.5.4  HYSTERESIS_AINx[7:0] Register (address = 4Fh to 33h) [reset = 00h]
      5. 7.5.5  ALERT_LO_STATUS Register (address = 78h) [reset = 00h]
      6. 7.5.6  ALERT_HI_STATUS Register (address = 79h) [reset = 00h]
      7. 7.5.7  ALERT_STATUS Register (address = 7Ah) [reset = 00h]
      8. 7.5.8  CURR_ALERT_LO_STATUS Register (address = 7Ch) [reset = 00h]
      9. 7.5.9  CURR_ALERT_HI_STATUS Register (address = 7Dh) [reset = 00h]
      10. 7.5.10 CURR_ALERT_STATUS Register (address = 7Eh) [reset = 00h]
  9. Application and Implementation
    1. 8.1 Application Information
      1. 8.1.1 Multiplexer Input Connection
    2. 8.2 Typical Applications
      1. 8.2.1 1MSPS DAQ Circuit With Lowest Distortion and Noise Performance
        1. 8.2.1.1 Design Requirements
        2. 8.2.1.2 Detailed Design Procedure
        3. 8.2.1.3 Application Curve
    3.     Power Supply Recommendations
    4. 8.3 Layout
      1. 8.3.1 Layout Guidelines
        1. 8.3.1.1 Analog Signal Path
        2. 8.3.1.2 Grounding and PCB Stack-Up
        3. 8.3.1.3 Decoupling of Power Supplies
        4. 8.3.1.4 Reference Decoupling
        5. 8.3.1.5 Reference Buffer Decoupling
        6. 8.3.1.6 Multiplexer Input Decoupling
        7. 8.3.1.7 ADC Input Decoupling
        8. 8.3.1.8 Example Schematic
      2. 8.3.2 Layout Example
  10. Device and Documentation Support
    1. 9.1 Documentation Support
      1. 9.1.1 Related Documentation
    2. 9.2 Receiving Notification of Documentation Updates
    3. 9.3 Support Resources
    4. 9.4 Trademarks
    5. 9.5 Electrostatic Discharge Caution
    6. 9.6 Glossary
  11. 10Revision History
  12. 11Mechanical, Packaging, and Orderable Information

Package Options

Mechanical Data (Package|Pins)
Thermal pad, mechanical data (Package|Pins)
Orderable Information

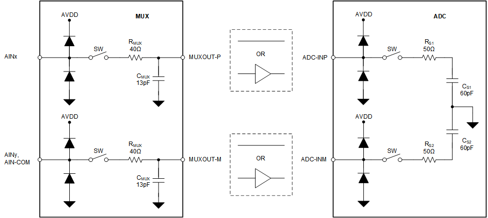
Analog Multiplexer

Figure 6-1 shows the small-signal equivalent circuit of the sample-and-hold circuit. Each sampling switch is represented by resistance (RS1 and RS2, typically 50Ω) in series with an ideal switch (SW). The sampling capacitors, CS1 and CS2, are typically 60pF.

The multiplexer on-resistance (RMUX), is typically a 40Ω resistor in series between the ON channel and the MUXOUT-P or MUXOUT-M pins. The multiplexer analog input typically has a 13pF on-channel capacitance (CMUX).

ADS8166 ADS8167 ADS8168 Input Sampling Stage Equivalent CircuitFigure 6-1 Input Sampling Stage Equivalent Circuit

During the input signal acquisition phase, the ADC-INP and ADC-INM inputs are individually sampled on CS1 and CS2, respectively. During the conversion process, the device converts for the voltage difference between the two sampled values: VADC-INP – VADC-INM.

Each analog input pin has electrostatic discharge (ESD) protection diodes to AVDD and GND. Keep the analog inputs within the specified range to avoid turning the diodes on.