SBASAN9 September   2023 AMC130M02

PRODUCTION DATA  

  1.   1
  2. Features
  3. Applications
  4. Description
  5. Revision History
  6. Pin Configuration and Functions
  7. Specifications
    1. 6.1  Absolute Maximum Ratings
    2. 6.2  ESD Ratings
    3. 6.3  Recommended Operating Conditions
    4. 6.4  Thermal Information
    5. 6.5  Insulation Specifications
    6. 6.6  Safety-Related Certifications
    7. 6.7  Safety Limiting Values
    8. 6.8  Electrical Characteristics
    9. 6.9  Timing Requirements
    10. 6.10 Switching Characteristics
    11. 6.11 Timing Diagrams
    12. 6.12 Typical Characteristics
  8. Parameter Measurement Information
    1. 7.1 Noise Measurements
  9. Detailed Description
    1. 8.1 Overview
    2. 8.2 Functional Block Diagram
    3. 8.3 Feature Description
      1. 8.3.1  Isolated DC/DC Converter
        1. 8.3.1.1 DC/DC Converter Failure Detection
      2. 8.3.2  High-Side Current Drive Capability
      3. 8.3.3  Isolation Channel Signal Transmission
      4. 8.3.4  Input ESD Protection Circuitry
      5. 8.3.5  Input Multiplexer
      6. 8.3.6  Programmable Gain Amplifier (PGA)
      7. 8.3.7  Voltage Reference
      8. 8.3.8  Internal Test Signals
      9. 8.3.9  Clocking and Power Modes
      10. 8.3.10 ΔΣ Modulator
      11. 8.3.11 Digital Filter
        1. 8.3.11.1 Digital Filter Implementation
          1. 8.3.11.1.1 Fast-Settling Filter
          2. 8.3.11.1.2 SINC3 and SINC3 + SINC1 Filter
        2. 8.3.11.2 Digital Filter Characteristic
      12. 8.3.12 Channel Phase Calibration
      13. 8.3.13 Calibration Registers
      14. 8.3.14 Register Map CRC
      15. 8.3.15 General-Purpose Digital Output (GPO)
    4. 8.4 Device Functional Modes
      1. 8.4.1 Power-Up and Reset
        1. 8.4.1.1 Power-On Reset
        2. 8.4.1.2 SYNC/RESET Pin
        3. 8.4.1.3 RESET Command
      2. 8.4.2 Start-Up Behavior After Power-Up
      3. 8.4.3 Start-Up Behavior After a Pin Reset or RESET Command
      4. 8.4.4 Start-Up Behavior After a Pause in CLKIN
      5. 8.4.5 Synchronization
      6. 8.4.6 Conversion Modes
        1. 8.4.6.1 Continuous-Conversion Mode
        2. 8.4.6.2 Global-Chop Mode
      7. 8.4.7 Power Modes
      8. 8.4.8 Standby Mode
    5. 8.5 Programming
      1. 8.5.1 Serial Interface
        1. 8.5.1.1  Chip Select (CS)
        2. 8.5.1.2  Serial Data Clock (SCLK)
        3. 8.5.1.3  Serial Data Input (DIN)
        4. 8.5.1.4  Serial Data Output (DOUT)
        5. 8.5.1.5  Data Ready (DRDY)
        6. 8.5.1.6  Conversion Synchronization or System Reset (SYNC/RESET)
        7. 8.5.1.7  SPI Communication Frames
        8. 8.5.1.8  SPI Communication Words
        9. 8.5.1.9  Short SPI Frames
        10. 8.5.1.10 Communication Cyclic Redundancy Check (CRC)
        11. 8.5.1.11 SPI Timeout
      2. 8.5.2 ADC Conversion Data Format
      3. 8.5.3 Commands
        1. 8.5.3.1 NULL (0000 0000 0000 0000)
        2. 8.5.3.2 RESET (0000 0000 0001 0001)
        3. 8.5.3.3 STANDBY (0000 0000 0010 0010)
        4. 8.5.3.4 WAKEUP (0000 0000 0011 0011)
        5. 8.5.3.5 LOCK (0000 0101 0101 0101)
        6. 8.5.3.6 UNLOCK (0000 0110 0101 0101)
        7. 8.5.3.7 RREG (101a aaaa annn nnnn)
          1. 8.5.3.7.1 Reading a Single Register
          2. 8.5.3.7.2 Reading Multiple Registers
        8. 8.5.3.8 WREG (011a aaaa annn nnnn)
      4. 8.5.4 ADC Output Buffer and FIFO Buffer
      5. 8.5.5 Collecting Data for the First Time or After a Pause in Data Collection
    6. 8.6 AMC130M02 Registers
  10. Application and Implementation
    1. 9.1 Application Information
      1. 9.1.1 Unused Inputs and Outputs
      2. 9.1.2 Antialiasing
      3. 9.1.3 Minimum Interface Connections
      4. 9.1.4 Multiple Device Configuration
      5. 9.1.5 Calibration
      6. 9.1.6 Troubleshooting
    2. 9.2 Typical Application
      1. 9.2.1 Design Requirements
      2. 9.2.2 Detailed Design Procedure
        1. 9.2.2.1 Voltage Measurement
        2. 9.2.2.2 Current Shunt Measurement
      3. 9.2.3 Application Curves
    3. 9.3 Power Supply Recommendations
    4. 9.4 Layout
      1. 9.4.1 Layout Guidelines
      2. 9.4.2 Layout Example
  11. 10Device and Documentation Support
    1. 10.1 Documentation Support
      1. 10.1.1 Related Documentation
    2. 10.2 Receiving Notification of Documentation Updates
    3. 10.3 Support Resources
    4. 10.4 Trademarks
    5. 10.5 Electrostatic Discharge Caution
    6. 10.6 Glossary
  12. 11Mechanical, Packaging, and Orderable Information

Package Options

Mechanical Data (Package|Pins)
Thermal pad, mechanical data (Package|Pins)
Orderable Information

Collecting Data for the First Time or After a Pause in Data Collection

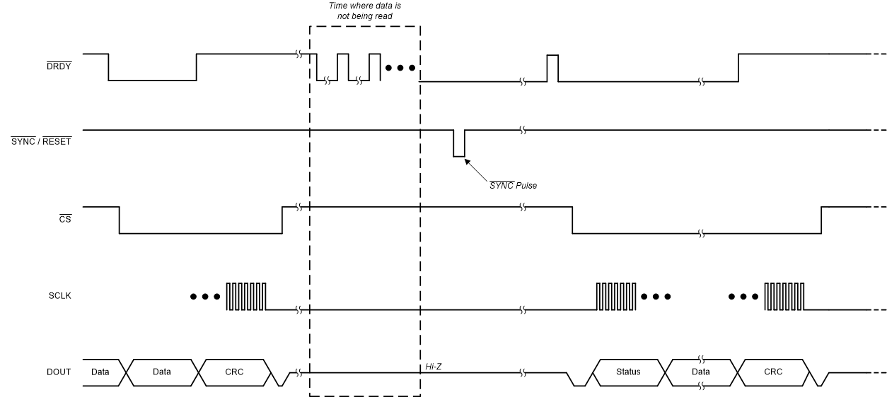
Take special precaution when collecting data for the first time or when beginning to collect data again after a pause. As explained in the Collecting Data for the First Time or After a Pause in Data CollectionCollecting Data for the First Time or After a Pause in Data CollectionADC Output Buffer and FIFO BufferCollecting Data for the First Time or After a Pause in Data CollectionADC Output Buffer and FIFO Buffer section, the device contains a first-in-first-out (FIFO) buffer in addition to the ADC output buffer. When the host is reading each consecutive sample from the device, both buffers are updated each time new data are generated, so the DRDY flag in the STATUS register is cleared with each read. However, if data are not read for a period of time, previous samples can be lost as explained in the Collecting Data for the First Time or After a Pause in Data CollectionCollecting Data for the First Time or After a Pause in Data CollectionADC Output Buffer and FIFO BufferCollecting Data for the First Time or After a Pause in Data CollectionADC Output Buffer and FIFO Buffer section. Either strobe the SYNC/RESET pin to resynchronize conversions and clear the buffers, or quickly read two data packets when data are read for the first time or after a gap in reading data. This process ensures predictable DRDY pin behavior. See the SynchronizationSynchronizationSynchronizationSynchronizationSynchronization section for information about the synchronization feature. These methods do not need to be employed if each channel data is read for each output data period from when the ADC is enabled.

Figure 8-29 shows an example of how to collect data after a period of the ADC running, but where no data are being retrieved. In this instance, the SYNC/RESET pin clears the internal buffers and realigns the AMC130M02 output data with the host.

GUID-4B6184E5-304B-4D49-ACE9-79360BB0848C-low.gifFigure 8-29 Collecting Data After a Pause Using the SYNC/RESET Pin

Another functionally equivalent method for clearing the FIFO after a pause in collecting data is to begin by reading two samples in quick succession. Figure 8-30 shows this method. This example shows that when the DRDY_FMT bit in the MODE register is set to 0b, DRDY is a level output. There is a very narrow pulse on DRDY immediately after the first set of data are shifted out of the device. This pulse can be too narrow for some microcontrollers to detect. Therefore, do not rely upon this pulse but instead immediately read out the second data set after the first data set. The host operates synchronous to the device after the second word is read from the device.

GUID-CFE763AB-8179-43AA-8082-414FFA65E710-low.gifFigure 8-30 Collecting Data After a Pause by Reading Data Twice