SLUSBC1B September   2013  – December 2016

PRODUCTION DATA.  

  1. Features
  2. Applications
  3. Description
  4. Revision History
  5. Description (Continued)
  6. Pin Configuration and Functions
  7. Specifications
    1. 7.1 Absolute Maximum Ratings
    2. 7.2 ESD Ratings
    3. 7.3 Recommended Operating Conditions
    4. 7.4 Thermal Information
    5. 7.5 Electrical Characteristics
    6. 7.6 Timing Requirements
    7. 7.7 Typical Characteristics
  8. Detailed Description
    1. 8.1 Overview
    2. 8.2 Functional Block Diagram
    3. 8.3 Feature Description
      1. 8.3.1 Device Power Up
        1. 8.3.1.1 Power-On-Reset (POR)
        2. 8.3.1.2 Power Up from Battery without DC Source
          1. 8.3.1.2.1 BATFET Turn Off
          2. 8.3.1.2.2 Shipping Mode
        3. 8.3.1.3 Boost Mode Operation from Battery
          1. 8.3.1.3.1 Integrated Control to Switch Between USB Charge Mode and Boost Mode
        4. 8.3.1.4 Power Up from DC Source
          1. 8.3.1.4.1 REGN LDO
          2. 8.3.1.4.2 Input Source Qualification
          3. 8.3.1.4.3 Input Current Limit Detection
          4. 8.3.1.4.4 D+/D- Detection Sets Input Current Limit
          5. 8.3.1.4.5 Force Input Current Limit Detection
        5. 8.3.1.5 Converter Power-Up
        6. 8.3.1.6 Low Power HIZ State
      2. 8.3.2 Power Path Management
        1. 8.3.2.1 Narrow VDC Architecture
        2. 8.3.2.2 Dynamic Power Management
        3. 8.3.2.3 Supplement Mode
      3. 8.3.3 Battery Charging Management
        1. 8.3.3.1 Autonomous Charging Cycle
        2. 8.3.3.2 Battery Charging Profile
        3. 8.3.3.3 Thermistor Qualification
          1. 8.3.3.3.1 Cold/Hot Temperature Window
        4. 8.3.3.4 Charging Termination
          1. 8.3.3.4.1 Termination When REG02[0] = 1
        5. 8.3.3.5 Charging Safety Timer
          1. 8.3.3.5.1 Safety Timer Configuration Change
      4. 8.3.4 Status Outputs (STAT, and INT)
        1. 8.3.4.1 Charging Status Indicator (STAT)
        2. 8.3.4.2 Interrupt to Host (INT)
      5. 8.3.5 Protections
        1. 8.3.5.1 Input Current Limit on ILIM
        2. 8.3.5.2 Thermal Regulation and Thermal Shutdown
        3. 8.3.5.3 Voltage and Current Monitoring in Buck Mode
          1. 8.3.5.3.1 Input Over-Voltage (ACOV)
          2. 8.3.5.3.2 System Over-Voltage Protection (SYSOVP)
        4. 8.3.5.4 Current Monitoring in Boost Mode
        5. 8.3.5.5 Battery Protection
          1. 8.3.5.5.1 Battery Over-Voltage Protection (BATOVP)
          2. 8.3.5.5.2 Battery Short Protection
          3. 8.3.5.5.3 System Over-Current Protection
    4. 8.4 Device Functional Modes
      1. 8.4.1 Host Mode and Default Mode
    5. 8.5 Programming
      1. 8.5.1 Serial Interface
        1. 8.5.1.1 Data Validity
        2. 8.5.1.2 START and STOP Conditions
        3. 8.5.1.3 Byte Format
        4. 8.5.1.4 Acknowledge (ACK) and Not Acknowledge (NACK)
        5. 8.5.1.5 Slave Address and Data Direction Bit
          1. 8.5.1.5.1 Single Read and Write
          2. 8.5.1.5.2 Multi-Read and Multi-Write
    6. 8.6 Register Map
      1. 8.6.1 I2C Registers
        1. 8.6.1.1  Input Source Control Register REG00 [reset = 01011000, or 0x58]58 to 0x58 in heading
        2. 8.6.1.2  Power-On Configuration Register REG01 [reset = 0011101100011011 to 00111011 and 0x1B to 0x3B in heading, or 0x3B]
        3. 8.6.1.3  Charge Current Control Register REG02 [reset = 00100000, or 0x20]
        4. 8.6.1.4  Pre-Charge/Termination Current Control Register REG03 [reset = 00010001, or 0x11]
        5. 8.6.1.5  Charge Voltage Control Register REG04 [reset = 10110010, or 0xB2]
        6. 8.6.1.6  Charge Termination/Timer Control Register REG05 [reset = 10011100, or 0x9C]
        7. 8.6.1.7  Boost Voltage/Thermal Regulation Control Register REG06 [reset = 10010011, or 0x93]
        8. 8.6.1.8  Misc Operation Control Register REG07 [reset = 01001011, or 0x4B4B to 0x4B in heading ]
        9. 8.6.1.9  System Status Register REG08
        10. 8.6.1.10 New Fault Register REG09
        11. 8.6.1.11 Vender / Part / Revision Status Register REG0A
  9. Application and Implementation
    1. 9.1 Application Information
    2. 9.2 Typical Application
      1. 9.2.1 Design Requirements
      2. 9.2.2 Detailed Design Procedure
        1. 9.2.2.1 Inductor Selection
        2. 9.2.2.2 Input Capacitor
        3. 9.2.2.3 Output Capacitor
      3. 9.2.3 Application Performance Plots
  10. 10Power Supply Recommendations
  11. 11Layout
    1. 11.1 Layout Guidelines
    2. 11.2 Layout Example
  12. 12Device and Documentation Support
    1. 12.1 Documentation Support
      1. 12.1.1 Related Documentation
    2. 12.2 Receiving Notification of Documentation Updates
    3. 12.3 Community Resources
    4. 12.4 Trademarks
    5. 12.5 Electrostatic Discharge Caution
    6. 12.6 Glossary
  13. 13Mechanical, Packaging, and Orderable Information

Package Options

Mechanical Data (Package|Pins)
Thermal pad, mechanical data (Package|Pins)
Orderable Information

Layout

Layout Guidelines

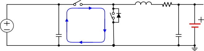
The switching node rise and fall times should be minimized for minimum switching loss. Proper layout of the components to minimize high frequency current path loop (see Figure 51) is important to prevent electrical and magnetic field radiation and high frequency resonant problems. Here is a PCB layout priority list for proper layout. Layout PCB according to this specific order is essential.

  1. Place input capacitor as close as possible to PMID pin and GND pin connections and use shortest copper trace connection or GND plane.
  2. Place inductor input pin to SW pin as close as possible. Minimize the copper area of this trace to lower electrical and magnetic field radiation but make the trace wide enough to carry the charging current. Do not use multiple layers in parallel for this connection. Minimize parasitic capacitance from this area to any other trace or plane.
  3. Put output capacitor near to the inductor and the IC. Ground connections need to be tied to the IC ground with a short copper trace connection or GND plane.
  4. Route analog ground separately from power ground. Connect analog ground and connect power ground separately. Connect analog ground and power ground together using thermal pad as the single ground connection point. Or using a 0Ω resistor to tie analog ground to power ground.
  5. Use single ground connection to tie charger power ground to charger analog ground. Just beneath the IC. Use ground copper pour but avoid power pins to reduce inductive and capacitive noise coupling.
  6. Decoupling capacitors should be placed next to the IC pins and make trace connection as short as possible.
  7. It is critical that the exposed thermal pad on the backside of the IC package be soldered to the PCB ground. Ensure that there are sufficient thermal vias directly under the IC, connecting to the ground plane on the other layers.
  8. The via size and number should be enough for a given current path.

See the EVM design for the recommended component placement with trace and via locations. For the VQFN information, refer to SCBA017 and SLUA271.

bq24295 High_Frequency_Current_Path_SLUSAW5.gif Figure 51. High Frequency Current Path

Layout Example

bq24295 layout_ex_slusbp6.gif Figure 52. Layout Example