SLUSCU2 November 2017
PRODUCTION DATA.
The bq25708 is a buck boost NVDC (narrow voltage DC) charge controller for multi-chemistry portable applications such as notebook, detachable, ultrabook, tablet and other mobile devices with rechargeable batteries. It provides seamless transition between converter operation modes (buck, boost, or buck boost), fast transient response, and high light load efficiency.
The bq25708 supports wide range of power sources, including USB PD ports, legacy USB ports, traditional ACDC adapters, etc. It takes input voltage from 3.5 V to 24 V, and charges battery of 1-4 series.
The bq25708 features Dynamic Power Management (DPM) to limit the input power and avoid AC adapter overloading. During battery charging, as the system power increases, the charging current will reduce to maintain total input current below adapter rating. If system power demand temporarily exceeds adapter rating, the bq25708 supports NVDC architecture to allow battery discharge energy to supplement system power. For details, refer to System Voltage Regulation section.
In order to be compliant with an Intel IMVP8 compliant system, the bq25708 includes PSYS function to monitor the total platform power from adapter and battery. Besides PSYS, it provides both an independent input current buffer (IADPT) and a battery current buffer (IBAT) with highly accurate current sense amplifiers. If the platform power exceeds the available power from adapter and battery, a PROCHOT signal is asserted to CPU so that the CPU optimizes its performance to the power available to the system.
The bq25708 controls input current, charge current and charge voltage registers with high resolution, high accuracy regulation limits. It also sets the PROCHOT timing and threshold profile to meet system requirements.
If only battery is present and the voltage is above VVBAT_UVLOZ, the BATFET turns on and connects battery to system. By default, the charger is in low power mode (REG0x12[15] = 1) with lowest quiescent current. The LDO stays off. When device moves to performance mode (REG0x12[15] = 0), The host enables IBAT buffer through SMBus to monitor discharge current. For PSYS, PROCHOT or independent comparator, REGN LDO is enabled for an accurate reference.
When an input source plugs in, the charger checks the input source voltage to turn on LDO and all the bias circuits. It sets the input current limit before the converter starts.
The power-up sequence from DC source is as follows:
CHRG_OK is an active HIGH open drain indicator. It indicates the charger is in normal operation when the following conditions are valid:
When CHRG_OK goes LOW, the charger sets default input current limit in REG0x3F() to 3.30A. The actual input current limit is the lower setting of REG0x3F() and ILIM_HIZ pin.
Charger initiates a VBUS voltage measurement without any load (VBUS at no load condition). The default VINDPM threshold is VBUS@noLoad-1.28 V.
After input current and voltage limits are set, the charger device is ready to power up. The host can always update input current and voltage limit based on input source type.
CELL_BATPRESZ pin is biased with resistors from REGN to CELL_BATPRESZ to GND. After VDDA LDO is activated, the device detects the battery configuration through CELL_BATPRESZ pin bias voltage. Refer to Electrical Characteristics for CELL setting thresholds.
| CELL COUNT | PIN VOLTAGE w.r.t. VDDA | BATTERY VOLTAGE (REG0x15) | SYSOVP |
|---|---|---|---|
| 4S | 75% | 16.800V | 19.5V |
| 3S | 55% | 12.592V | 19.5V |
| 2S | 40% | 8.400V | 12V |
| 1S | 25% | 4.192V | 5V |
The charger enters Hi-Z mode when ILIM_HIZ pin voltage is below 0.4 V or REG0x32[15] is set to 1. During Hi-Z mode, the input source is present, and the charger is in the low quiescent current mode with REGN LDO enabled.
The charger employs a synchronous buck-boost converter that allows charging from a standard 5-V or a high-voltage power source. The charger operates in buck, buck-boost and boost mode. The buck-boost can operate uninterruptedly and continuously across the three operation modes.
| MODE | BUCK | BUCK-BOOST | BOOST |
|---|---|---|---|
| Q1 | Switching | Switching | ON |
| Q2 | Switching | Switching | OFF |
| Q3 | OFF | Switching | Switching |
| Q4 | ON | Switching | Switching |
The charger reads the inductor value through the IADPT pin.
| INDUCTOR IN USE | RESISTOR ON IADPT PIN |
|---|---|
| 1 µH | 93 kΩ |
| 2.2 µH | 137 kΩ |
| 3.3 µH | 169 kΩ |
With sufficient charge current, the inductor current does not cross 0 A, which is defined as CCM. The controller starts a new cycle with ramp coming up from 200 mV. As long as error amplifier output voltage is above the ramp voltage, the high-side MOSFET (HSFET) stays on. When the ramp voltage exceeds error amplifier output voltage, HSFET turns off and low-side MOSFET (LSFET) turns on. At the end of the cycle, ramp gets reset and LSFET turns off, ready for the next cycle. There is always break-before-make logic during transition to prevent cross-conduction and shoot-through. During the dead time when both MOSFETs are off, the body-diode of the low-side power MOSFET conducts the inductor current.
During CCM, the inductor current always flows and creates a fixed two-pole system. Having the LSFET turn-on when the HSFET is off, keeps the power dissipation low and allows safe charging at high currents.
In order to improve converter light-load efficiency, the bq25708 switches to PFM control at light load condition. The effective switching frequency will decrease accordingly when system load decreases. The minimum frequency can be limit to 25kHz (ChargeOption0() bit[10]=1).
As an industry standard, a high-accuracy current sense amplifier (CSA) is used to monitor the input current during forward charging, and the charge/discharge current (IBAT). IADPT voltage is 20× or 40× the differential voltage across ACP and ACN. IBAT voltage is 8x/16× (during charging), or 8×/16× (during discharging) of the differential across SRP and SRN. After input voltage or battery voltage is above UVLO, IADPT output becomes valid. To lower the voltage on current monitoring, a resistor divider from CSA output to GND can be used and accuracy over temperature can still be achieved.
A maximum 100-pF capacitor is recommended to connect on the output for decoupling high-frequency noise. An additional RC filter is optional, if additional filtering is desired. Note that adding filtering also adds additional response delay. The CSA output voltage is clamped at 3.3 V.
The charger monitors total system power. During forward mode, the input adapter powers system. The ratio of PSYS current and total power KPSYS can be programmed in REG0x30[9] with default 1 μA/W. The input and charge sense resistors (RAC and RSR) are programmed in REG0x30[11:10]. PSYS voltage can be calculated with Equation 1 where IIN>0 when adapter is in forward charging, and IBAT>0 when the battery is in discharge when the battery is in discharge.
For proper PSYS functionality, RAC and RSR values are limited to 10mΩ and 20mΩ.
Refer to Input Current and Input Voltage Registers for Dynamic Power Management.
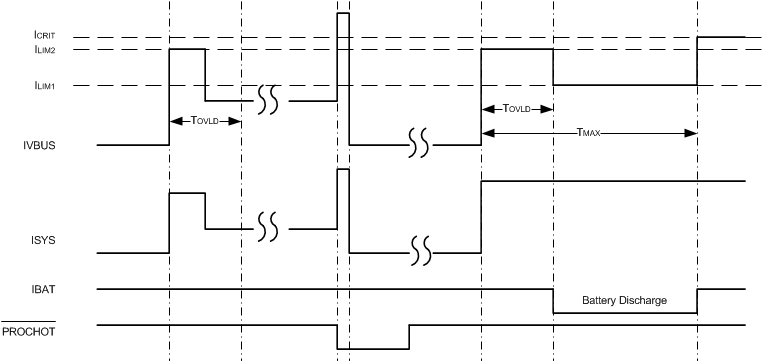
Usually adapter can supply current higher than DC rating for a few milliseconds to tens of milliseconds. The charger employs two-level input current limit, or peak power mode, to fully utilize the overloading capability and minimize battery discharge during CPU turbo mode. Peak power mode is enabled in REG0x31[13] (EN_PKPWR_IDPM) or REG0x31[12] (EN_PKPWR_VSYS). The DC current limit, or ILIM1, is the same as adapter DC current, set in REG0x3F(). The overloading current, or ILIM2, is set in REG0x33[15:11], as a percentage of ILIM1.
When the charger detects input current surge and battery discharge due to load transient, it applies ILIM2 for TOVLD in REG0x31[15:14], first, and then ILIM1 for up to TMAX – TOVLD time. TMAX is programmed in REG0x31[9:8]. After TMAX, if the load is still high, another peak power cycle starts. Charging is disabled during TMAX,; once TMAX, expires, charging continues. If TOVLD is programmed higher than TMAX, then peak power mode is always on.
Figure 8. Two-Level Adapter Current Limit Timing Diagram
When CPU is running turbo mode, the system peak power may exceed available power from adapter and battery together. The adapter current and battery discharge peak current, or system voltage drop is an indication that system power is too high. The charger processor hot function monitors these events, and PROCHOT pulse is asserted. Once CPU receives PROCHOT pulse from charger, it slows down to reduce the system power. The processor hot function monitors these events, and PROCHOT pulse is asserted.
The PROCHOT triggering events include:
The threshold of ICRIT, IDCHG or VSYS, and the deglitch time of ICRIT, INOM, IDCHG or CMPOUT are programmable through SMBus. Each triggering event can be individually enabled in REG0x34[6:0]. When any event in PROCHOT profile is triggered, PROCHOT is asserted low for minimum 10 ms programmable in 0x33[4:3]. At the end of the 10 ms, if the PROCHOT event is still active, the pulse gets extended.
Figure 9. PROCHOT Profile
During low power mode (REG0x12[15]=1), the charger offers a low quiescent current (~150 uA) Low power PROCHOT function uses the independent comparator to monitor battery discharge current and system voltage, and assert PROCHOT to CPU.
Below lists the register setting to enable PROCHOT during low power mode.
Figure 10. PROCHOT Low Power Mode Implementation
REG0x21[6:0] reports which event in the profile triggers PROCHOT by setting the corresponding bit to 1. The status bit can be reset back to 0 after it is read by host, and current PROCHOT event is no longer active.
Assume there are two PROCHOT events, event A and event B. Event A triggers PROCHOT first, but event B is also active. Both status bits will be HIGH. At the end of the 10ms PROCHOT pulse, if PROCHOT is still active (either by A or B), the PROCHOT pulse is extended.
The charger includes watchdog timer to terminate charging if the charger does not receive a write MaxChargeVoltage() or write ChargeCurrent() command within 175 s (adjustable via REG0x12[14:13]). When watchdog timeout occurs, all register values are kept unchanged except ChargeCurrent() resets to zero. Battery charging is suspended. Write MaxChargeVoltage() or write ChargeCurrent() commands must be re-sent to reset watchdog timer and resume charging. Writing REG0x12[14:13] = 00 to disable watchdog timer also resumes charging.
The charger has fixed ACOV voltage. When VBUS pin voltage is higher than ACOV, it is considered as adapter over voltage. CHRG_OK will be pulled low, and converter will be disabled. As system falls below battery voltage, BATFET will be turned on. When VBUS pin voltage falls below ACOV, it is considered as adapter voltage returns back to normal voltage. CHRG_OK will be pulled high by external pull up resistor. The converter will resume if enable conditions are valid.
If the input current exceeds the 1.25× or 2× (REG0x31[2]) of ILIM2_VTH (REG0x33[15:11]) set point, converter stops switching. After 300 ms, converter will start switching again.
When the converter starts up, the bq25708 reads CELL pin configuration and sets MaxChargeVoltage() and SYSOVP threshold (1s – 5 V, 2s – 12 V, 3s/4s – 19.5 V). Before REGx15() is written by host, the battery configuration will change with CELL pin voltage. When SYSOVP happens, the device latches off the converter. REG20[4] is set as 1. The user can clear the latch-off by either writing 0 to SYSOVP bit or removing and plugging in adapter again. After the latch-off is cleared, converter starts again.
Battery over-voltage may happen when battery is removed during charging or the user plugs in a wrong battery. The BATOVP threshold is 104% (1 s) or 102% (2 s to 4 s) of regulation voltage set in REG0x15().
If BAT voltage falls below SYSMIN during charging, the maximum current is limited to 384 mA.
The WQFN package has low thermal impedance, which provides good thermal conduction from the silicon to the ambient, to keep junction temperatures low. As added level of protection, the charger converter turns off for self-protection whenever the junction temperature exceeds the 155°C. The charger stays off until the junction temperature falls below 135°C. During thermal shut down, the LDO current limit is reduced to 16 mA and REGN LDO stays off. When the temperature falls below 135°C, charge can be resumed with soft start.
When input source is connected to VBUS, bq25708 is in forward mode to regulate system and charge battery.
The bq25708 employs Narrow VDC architecture (NVDC) with BATFET separating system from battery. The minimum system voltage is set by MinSystemVoltage(). Even with a deeply depleted battery, the system is regulated above the minimum system voltage.
When the battery is below minimum system voltage setting, the BATFET operates in linear mode (LDO mode).
As the battery voltage rises above the minimum system voltage, BATFET is fully on when charging or in supplement mode and the voltage difference between the system and battery is the VDS of BATFET. System voltage is regulated 160 mV above battery voltage when BATFET is off (no charging or no supplement current).
See System Voltage Regulation for details on system voltage regulation and register programming.
The bq25708 charges 1-4 cell battery in constant current (CC), and constant voltage (CV) mode. Based on CELL_BATPREZ pin setting, the charger sets default battery voltage 4.2V/cell to ChargeVoltage(), or REG0x15(). According to battery capacity, the host programs appropriate charge current to ChargeCurrent(), or REG0x14(). When battery is full or battery is not in good condition to charge, host terminates charge by setting REG0x12[0] to 1, or setting ChargeCurrent() to zero.
See Feature Description for details on register programming.
The charger supports battery-charger commands that use either Write-Word or Read-Word protocols, as summarized in SMBus Write-Word and Read-Word Protocols. The SMBUS address is 12h (0001001_X), where X is the read/write bit. The ManufacturerID and DeviceID registers are assigned identify the charger device. The ManufacturerID register command always returns 40h.
The bq25700 device operates as a slave, receiving control inputs from the embedded controller host through the SMBus interface. The bq25700 device uses a simplified subset of the commands documented in System Management Bus Specification V1.1, which can be downloaded from www.smbus.org. The bq25700 device uses the SMBus read-word and write-word protocols (shown in Table 4 and Table 5) to communicate with the smart battery. The bq25700 device performs only as a SMBus slave device with address 0b00010010 (0x12H) and does not initiate communication on the bus. In addition, the bq25700 device has two identification registers, a 16-bit device ID register (0xFFH) and a 16-bit manufacturer ID register (0xFEH).
SMBus communication starts when VCC is above V(UVLO).
The data (SDA) and clock (SCL) pins have Schmitt-trigger inputs that can accommodate slow edges. Choose pullup resistors (10 kΩ) for SDA and SCL to achieve rise times according to the SMBus specifications. Communication starts when the master signals a start condition, which is a high-to-low transition on SDA, while SCL is high. When the master has finished communicating, the master issues a stop condition, which is a low-to-high transition on SDA, while SCL is high. The bus is then free for another transmission. Figure 11 and Figure 12 show the timing diagram for signals on the SMBus interface. The address byte, command byte, and data bytes are transmitted between the start and stop conditions. The SDA state changes only while SCL is low, except for the start and stop conditions. Data is transmitted in 8-bit bytes and is sampled on the rising edge of SCL. Nine clock cycles are required to transfer each byte in or out of the bq25708 device because either the master or the slave acknowledges the receipt of the correct byte during the ninth clock cycle. The bq25708 supports the charger commands listed in Table 4.
| S (1)(3) |
SLAVE ADDRESS(1) | W (1)(6) |
ACK (2)(5) |
COMMAND BYTE(1) | ACK (2)(5) |
LOW DATA BYTE(1) | ACK (2)(5) |
HIGH DATA BYTE(1) | ACK (2)(5) |
P (1)(4) |
|---|---|---|---|---|---|---|---|---|---|---|
| 7 bits | 1b | 1b | 8 bits | 1b | 8 bits | 1b | 8 bits | 1b | ||
| MSB LSB | 0 | 0 | MSB LSB | 0 | MSB LSB | 0 | MSB LSB | 0 |
| S(1)(3) | SLAVE ADDRESS(1) | W (1)(7) |
ACK (2)(5) |
COMMAND BYTE(1) | ACK (2)(5) |
S(1)(3) | SLAVE ADDRESS(1) | R(1)(8) | ACK (2)(5) |
LOW DATA BYTE(2) | ACK (1)(5) |
HIGH DATA BYTE(2) | NACK (1)(6) |
P (1)(4) |
|---|---|---|---|---|---|---|---|---|---|---|---|---|---|---|
| 7 bits | 1b | 1b | 8 bits | 1b | 7 bits | 1b | 1b | 8 bits | 1b | 8 bits | 1b | |||
| MSB LSB | 0 | 0 | MSB LSB | 0 | MSB LSB | 1 | 0 | MSB LSB | 0 | MSB LSB | 1 |
| A = Start condition | H = LSB of data clocked into slave |
| B = MSB of address clocked into slave | I = Slave pulls SMBDATA line low |
| C = LSB of address clocked into slave | J = Acknowledge clocked into master |
| D = R/W bit clocked into slave | K = Acknowledge clock pulse |
| E = Slave pulls SMBDATA line low | L = Stop condition, data executed by slave |
| F = ACKNOWLEDGE bit clocked into master | M = New start condition |
| G = MSB of data clocked into slave |
| A = Start condition | G = MSB of data clocked into master |
| B = MSB of address clocked into slave | H = LSB of data clocked into master |
| C = LSB of address clocked into slave | I = Acknowledge clock pulse |
| D = R/W bit clocked into slave | J = Stop condition |
| E = Slave pulls SMBDATA line low | K = New start condition |
| F = ACKNOWLEDGE bit clocked into master |
| SMBus ADDR | REGISTER NAME | TYPE | DESCRIPTION | LINKS |
|---|---|---|---|---|
| 12h | ChargeOption0() | R/W | Charge Option 0 | Go |
| 14h | ChargeCurrent() | R/W | 7-bit charge current setting LSB 64 mA, Range 8128 mA |
Go |
| 15h | MaxChargeVoltage() | R/W | 11-bit charge voltage setting LSB 16 mV, Default: 1S-4192mV, 2S-8400mV, 3S-12592mV, 4S-16800mV |
Go |
| 30h | ChargeOption1() | R/W | Charge Option 1 | Go |
| 31h | ChargeOption2() | R/W | Charge Option 2 | Go |
| 32h | ChargeOption3() | R/W | Charge Option 3 | Go |
| 33h | ProchotOption0() | R/W | PROCHOT Option 0 | Go |
| 34h | ProchotOption1() | R/W | PROCHOT Option 1 | Go |
| 35h | ADCOption() | R/W | ADC Option | Go |
| 20h | ChargerStatus() | R | Charger Status | Go |
| 21h | ProchotStatus() | R | Prochot Status | Go |
| 22h | IIN_DPM() | R | 7-bit input current limit in use LSB: 50mA, Range: 50mA-6400mA |
Go |
| 23h | ADCVBUS/PSYS() | R | 8-bit digital output of input voltage, 8-bit digital output of system power PSYS: Full range: 3.06V, LSB: 12mV VBUS: Full range: 3.2V-19.52V, LSB 64mV |
Go |
| 24h | ADCIBAT() | R | 8-bit digital output of battery charge current, 8-bit digital output of battery discharge current ICHG: Full range 8.128A, LSB 64mA IDCHG: Full range: 32.512A, LSB: 256mA |
Go |
| 25h | ADCIINCMPIN() | R | 8-bit digital output of input current, 8-bit digital output of CMPIN voltage POR State - IIN: Full range: 12.75A, LSB 50mA CMPIN: Full range 3.06V, LSB: 12mV |
Go |
| 26h | ADCVSYSVBAT() | R | 8-bit digital output of system voltage, 8-bit digital output of battery voltage VSYS: Full range: 2.88V-19.2V, LSB: 64mV VBAT: Full range : 2.88V-19.2V, LSB 64mV |
Go |
| 3Bh | Reserved | R/W | ||
| 3Ch | Reserved | R/W | ||
| 3Dh | InputVoltage() | R/W | 8-bit input voltage setting LSB 64mV, Range: 3200 mV – 19520 mV |
Go |
| 3Eh | MinSystemVoltage() | R/W | 6-Bit minimum system voltage setting LSB: 256mV, Range: 1024mV-16182mV Default: 1S-3.584V, 2S-6.144V, 3S-9.216V, 4S-12.288V |
Go |
| 3Fh | IIN_HOST() | R/W | 6-bit Input current limit set by host LSB: 50mA, Range: 50mA-6400mA |
Go |
| FEh | ManufacturerID() | R | Manufacturer ID - 0x0040H | Go |
| FFh | DeviceID() | R | Device ID | Go |
| 15 | 14 | 13 | 12 | 11 | 10 | 9 | 8 |
| EN_LWPWR | WDTMR_ADJ | IDPM_AUTO_ DISABLE |
Reserved | EN_OOA | PWM_FREQ | Reserved | |
| R/W | R/W | R/W | R/W | R/W | R/W | R/W | |
| 7 | 6 | 5 | 4 | 3 | 2 | 1 | 0 |
| Reserved | EN_LEARN | IADPT_GAIN | IBAT_GAIN | EN_LDO | EN_IDPM | CHRG_INHIBIT | |
| R/W | R/W | R/W | R/W | R/W | R/W | R/W | |
| LEGEND: R/W = Read/Write; R = Read only; -n = value after reset |
| SMBus BIT |
FIELD | TYPE | RESET | DESCRIPTION |
|---|---|---|---|---|
| 15 | EN_LWPWR | R/W | 1b |
Low Power Mode Enable 0b: Disable Low Power Mode. Device in performance mode with battery only. The PROCHOT, current/power monitor buffer and comparator follow register setting. 1b: Enable Low Power Mode. Device in low power mode with battery only for lowest quiescent current. /PROCHOT, discharge current monitor buffer, power monitor buffer and independent comparator are disabled. Independent comparator can be enabled by setting either REG0X30()[14] or [13] to 1. <default at POR> |
| 14-13 | WDTMR_ADJ | R/W | 11b |
WATCHDOG Timer Adjust Set maximum delay between consecutive SMBus write of charge voltage or charge current command. If device does not receive a write on the REG0x15() or the REG0x14() within the watchdog time period, the charger will be suspended by setting the REG0x14() to 0 mA. After expiration, the timer will resume upon the write of REG0x14(), REG0x15() or REG0x12[14:13]. The charger will resume if the values are valid. 00b: Disable Watchdog Timer 01b: Enabled, 5 sec 10b: Enabled, 88 sec 11b: Enable Watchdog Timer, 175 sec <default at POR> |
| 12 | IDPM_AUTO_ DISABLE |
R/W | 0b |
IDPM Auto Disable When CELL_BATPRESZ pin is LOW, the charger automatically disables the IDPM function by setting EN_IDPM (REG0x12[1]) to 0. The host can enable IDPM function later by writing EN_IDPM bit (REG0x12[1]) to 1. 0b: Disable this function. IDPM is not disabled when CELL_BATPRESZ goes LOW. <default at POR> 1b: Enable this function. IDPM is disabled when CELL_BATPRESZ goes LOW. |
| 11 | Reserved | R/W | Reserved | |
| 10 | EN_OOA | R/W | 0b |
Out-of-Audio Enable 0b: No limit of PFM burst frequency <default at POR> 1b: Set minimum PFM burst frequency to above 25 kHz to avoid audio noise |
| 9 | PWM_FREQ | R/W | 1b |
Switching Frequency Two converter switching frequencies. One for small inductor and the other for big inductor. Currently, customer uses 800 kHz with 2.2 µH or 3.3 µH, and 1.2 MHz with 1 µH or 1.5 µH. 0b: 1.2 MHz 1b: 800 kHz <default at POR> |
| 8 | Reserved | R/W | 0b | Reserved |
| SMBus BIT |
FIELD | TYPE | RESET | DESCRIPTION |
|---|---|---|---|---|
| 7-6 | Reserved | R/W | 00b | Reserved |
| 5 | EN_LEARN | R/W | 0b |
LEARN function allows the battery to discharge while the adapter is present. It calibrates the battery gas gauge over a complete discharge/charge cycle. When the battery voltage is below battery depletion threshold, the system switches back to adapter input by the host. When CELL_BATPRESZ pin is LOW, the device exits LEARN mode and this bit is set back to 0. 0b: Disable LEARN Mode <default at POR> 1b: Enable LEARN Mode |
| 4 | IADPT_GAIN | R/W | 0b |
IADPT Amplifier Ratio The ratio of voltage on IADPT and voltage across ACP and ACN. 0b: 20× <default at POR> 1b: 40× |
| 3 | IBAT_GAIN | R/W | 1b |
IBAT Amplifier Ratio The ratio of voltage on IBAT and voltage across SRP and SRN 0b: 8× 1b: 16× <default at POR> |
| 2 | EN_LDO | R/W | 1b |
LDO Mode Enable When battery voltage is below minimum system voltage (REG0x3E()), the charger is in pre-charge with LDO mode enabled. 0b: Disable LDO mode, BATFET fully ON. Precharge current is set by battery pack internal resistor. The system is regulated by the MaxChargeVoltage register. 1b: Enable LDO mode, Precharge current is set by the ChargeCurrent register and clamped below 384 mA (2 cell – 4 cell) or 2A (1 cell). The system is regulated by the MinSystemVoltage register. <default at POR> |
| 1 | EN_IDPM | R/W | 1b |
IDPM Enable Host writes this bit to enable IDPM regulation loop. When the IDPM is disabled by the charger (refer to IDPM_AUTO_DISABLE), this bit goes LOW. 0b: IDPM disabled 1b: IDPM enabled <default at POR> |
| 0 | CHRG_INHIBIT | R/W | 0b |
Charge Inhibit When this bit is 0, battery charging will start with valid values in the MaxChargeVoltage register and the ChargeCurrent register. 0b: Enable Charge <default at POR> 1b: Inhibit Charge |
| 15 | 14 | 13 | 12 | 11 | 10 | 9 | 8 |
| EN_IBAT | EN_PROCHOT_LPWR | EN_PSYS | RSNS_RAC | RSNS_RSR | PSYS_RATIO | Reserved | |
| R/W | R/W | R/W | R/W | R/W | R/W | R/W | |
| 7 | 6 | 5 | 4 | 3 | 2 | 1 | 0 |
| CMP_REF | CMP_POL | CMP_DEG | FORCE_ LATCHOFF |
Reserved | EN_SHIP_ DCHG |
AUTO_ WAKEUP_EN |
|
| R/W | R/W | R/W | R/W | R/W | R/W | R/W | |
| LEGEND: R/W = Read/Write; R = Read only; -n = value after reset |
| SMBus BIT |
FIELD | TYPE | RESET | DESCRIPTION |
|---|---|---|---|---|
| 15 | EN_IBAT | R/W | 0b |
IBAT Enable Enable the IBAT output buffer. In low power mode (REG0x12[15] = 1), IBAT buffer is always disabled regardless of this bit value. 0b Turn off IBAT buffer to minimize Iq <default at POR> 1b: Turn on IBAT buffer |
| 14-13 | EN_PROCHOT _LPWR |
R/W | 00b |
Enable PROCHOT during battery only low power mode With battery only, enable IDCHG or VSYS in PROCHOT with low power consumption. Do not enable this function with adapter present. Refer to PROCHOT During Low Power Mode for more details. 00b: Disable low power PROCHOT <default at POR> 01b: Enable IDCHG low power PROCHOT 10b: Enable VSYS low power PROCHOT 11b: Reserved |
| 12 | EN_PSYS | R/W | 0b |
PSYS Enable Enable PSYS sensing circuit and output buffer (whole PSYS circuit). In low power mode (REG0x12[15] = 1), PSYS sensing and buffer are always disabled regardless of this bit value. 0b: Turn off PSYS buffer to minimize Iq <default at POR> 1b: Turn on PSYS buffer |
| 11 | RSNS_RAC | R/W | 0b |
Input sense resistor RAC 0b: 10 mΩ <default at POR> 1b: 20 mΩ |
| 10 | RSNS_RSR | R/W | 0b |
Charge sense resistor RSR 0b: 10 mΩ <default at POR> 1b: 20 mΩ |
| 9 | PSYS_RATIO | R/W | 1b |
PSYS Gain Ratio of PSYS output current vs total input and battery power with 10-mΩ sense resistor. 0b: 0.25 µA/W 1b: 1 µA/W <default at POR> |
| 8 | Reserved | R/W | 0b |
Reserved |
| SMBus BIT |
FIELD | TYPE | RESET | DESCRIPTION |
|---|---|---|---|---|
| 7 | CMP_REF | R/W | 0b |
Independent Comparator Internal Reference 0b: 2.3 V <default at POR> 1b: 1.2 V |
| 6 | CMP_POL | R/W | 0b |
Independent Comparator Output Polarity 0b: When CMPIN is above internal threshold, CMPOUT is LOW (internal hysteresis) <default at POR> 1b: When CMPIN is below internal threshold, CMPOUT is LOW (external hysteresis) |
| 5-4 | CMP_DEG | R/W | 01b |
Independent Comparator Deglitch Time, only applied to the falling edge of CMPOUT (HIGH → LOW). 00b: Independent comparator is disabled 01b: Independent comparator is enabled with output deglitch time 1 µs <default at POR> 10b: Independent comparator is enabled with output deglitch time of 2 ms 11b: Independent comparator is enabled with output deglitch time of 5 sec |
| 3 | FORCE_LATCHOFF | R/W | 0b |
Force Power Path Off When the independent comparator triggers, charger turns off Q1 and Q4 (same as disable converter) so that the system is disconnected from the input source. At the same time, CHRG_OK signal goes to LOW to notify the system. 0b: Disable this function <default at POR> 1b: Enable this function |
| 2 | Reserved | R/W | 0b |
Reserved |
| 1 | EN_SHIP_DCHG | R/W | 0b |
Discharge SRN for Shipping Mode When this bit is 1, discharge SRN pin down below 3.8 V in 140 ms. When 140 ms is over, this bit is reset to 0. 0b: Disable shipping mode <default at POR> 1b: Enable shipping mode |
| 0 | AUTO_WAKEUP_EN | R/W | 1b |
Auto Wakeup Enable When this bit is HIGH, if the battery is below minimum system voltage (REG0x3E()), the device will automatically enable 128 mA charging current for 30 mins. When the battery is charged up above minimum system voltage, charge will terminate and the bit is reset to LOW. 0b: Disable 1b: Enable <default at POR> |
| 15 | 14 | 13 | 12 | 11 | 10 | 9 | 8 |
| PKPWR_TOVLD_DEG | EN_PKPWR _IDPM |
EN_PKPWR _VSYS |
PKPWR_ OVLD_STAT |
PKPWR_ RELAX_STAT |
PKPWR_TMAX[1:0] | ||
| R/W | R/W | R/W | R/W | R/W | R/W | ||
| 7 | 6 | 5 | 4 | 3 | 2 | 1 | 0 |
| EN_EXTILIM | EN_ICHG _IDCHG |
Q2_OCP | ACX_OCP | EN_ACOC | ACOC_VTH | EN_BATOC | BATOC_VTH |
| R/W | R/W | R/W | R/W | R/W | R/W | R/W | R/W |
| LEGEND: R/W = Read/Write; R = Read only; -n = value after reset |
| SMBus BIT |
FIELD | TYPE | RESET | DESCRIPTION |
|---|---|---|---|---|
| 15-14 | PKPWR_ TOVLD_DEG |
R/W | 00b |
Input Overload time in Peak Power Mode 00b: 1 ms <default at POR> 01b: 2 ms 10b: 10 ms 11b: 20 ms |
| 13 | EN_PKPWR_IDPM | R/W | 0b |
Enable Peak Power Mode triggered by input current overshoot If REG0x31[13:12] are 00b, peak power mode is disabled. Upon adapter removal, the bits are reset to 00b. 0b: Disable peak power mode triggered by input current overshoot <default at POR> 1b: Enable peak power mode triggered by input current overshoot. |
| 12 | EN_PKPWR_VSYS | R/W | 0b |
Enable Peak Power Mode triggered by system voltage under-shoot If REG0x31[13:12] are 00b, peak power mode is disabled. Upon adapter removal, the bits are reset to 00b. 0b: Disable peak power mode triggered by system voltage under-shoot <default at POR> 1b: Enable peak power mode triggered by system voltage under-shoot. |
| 11 | PKPWR_ OVLD_STAT |
R/W | 0b |
Indicator that the device is in overloading cycle. Write 0 to get out of overloading cycle. 0b: Not in peak power mode. <default at POR> 1b: In peak power mode. |
| 10 | PKPWR_ RELAX_STAT |
R/W | 0b |
Indicator that the device is in relaxation cycle. Write 0 to get out of relaxation cycle. 0b: Not in relaxation cycle. <default at POR> 1b: In relaxation mode. |
| 9-8 | PKPWR_ TMAX[1:0] |
R/W | 10b |
Peak power mode overload and relax cycle time. When REG0x31[15:14] is programmed longer than REG0x31[9:8], there is no relax time. 00b: 5 ms 01b: 10 ms 10b: 20 ms <default at POR> 11b: 40 ms |
| SMBus BIT |
FIELD | TYPE | RESET | DESCRIPTION |
|---|---|---|---|---|
| 7 | EN_EXTILIM | R/W | 1b |
Enable ILIM_HIZ pin to set input current limit 0b: Input current limit is set by REG0x3F. 1b: Input current limit is set by the lower value of ILIM_HIZ pin and REG0x3F. <default at POR> |
| 6 | EN_ICHG _IDCHG |
R/W | 0b |
0b: IBAT pin as discharge current. <default at POR> 1b: IBAT pin as charge current. |
| 5 | Q2_OCP | R/W | 1b |
Q2 OCP threshold by sensing Q2 VDS 0b: 300 mV 1b: 500 mV <default at POR> |
| 4 | ACX_OCP | R/W | 1b |
Input current OCP threshold by sensing ACP-ACN. 0b: 150 mV 1b: 280 mV <default at POR> |
| 3 | EN_ACOC | R/W | 0b |
ACOC Enable Input overcurrent (ACOC) protection by sensing the voltage across ACP and ACN. Upon ACOC (after 100-µs blank-out time), converter is disabled. 0b: Disable ACOC <default at POR> 1b: ACOC threshold 125% or 200% ICRIT |
| 2 | ACOC_VTH | R/W | 1b |
ACOC Limit Set MOSFET OCP threshold as percentage of IDPM with current sensed from RAC. 0b: 125% of ICRIT 1b: 200% of ICRIT <default at POR> |
| 1 | EN_BATOC | R/W | 1b |
BATOC Enable Battery discharge overcurrent (BATOC) protection by sensing the voltage across SRN and SRP. Upon BATOC, converter is disabled. 0b: Disable BATOC 1b: BATOC threshold 125% or 200% PROCHOT IDCHG <default at POR> |
| 0 | BATOC_VTH | R/W | 1b |
Set battery discharge overcurrent threshold as percentage of PROCHOT battery discharge current limit. 0b: 125% of PROCHOT IDCHG 1b: 200% of PROCHOT IDCHG <default at POR> |
| 15 | 14 | 13 | 12 | 11 | 10 | 9 | 8 |
| EN_HIZ | RESET_REG | RESET_ VINDPM |
Reserved | EN_ICO_MODE | Reserved | ||
| R/W | R/W | R/W | R/W | R/W | R/W | ||
| 7 | 6 | 5 | 4 | 3 | 2 | 1 | 0 |
| Reserved | BATFETOFF_ HIZ |
Reserved | |||||
| R/W | R/W | R/W | |||||
| LEGEND: R/W = Read/Write; R = Read only; -n = value after reset |
| SMBus BIT |
FIELD | TYPE | RESET | DESCRIPTION |
|---|---|---|---|---|
| 15 | EN_HIZ | R/W | 0b |
Device Hi-Z Mode Enable When the charger is in Hi-Z mode, the device draws minimal quiescent current. With VBUS above UVLO. REGN LDO stays on, and system powers from battery. 0b: Device not in Hi-Z mode <default at POR> 1b: Device in Hi-Z mode |
| 14 | RESET_REG | R/W | 0b |
Reset Registers All the registers go back to the default setting except the VINDPM register.0b: Idle <default at POR> 1b: Reset all the registers to default values. After reset, this bit goes back to 0. |
| 13 | RESET_VINDPM | R/W | 0b |
Reset VINDPM Threshold 0b: Idle 1b: Converter is disabled to measure VINDPM threshold. After VINDPM measurement is done, this bit goes back to 0 and converter starts. |
| 12 | Reserved | R/W | Reserved | |
| 11 | EN_ICO_MODE | R/W | 0b |
Enable ICO Algorithm 0b: Disable ICO algorithm. <default at POR> 1b: Enable ICO algorithm. |
| 10-8 | Reserved | R/W | 000b |
Reserved |
| SMBus BIT |
FIELD | TYPE | RESET | DESCRIPTION |
|---|---|---|---|---|
| 7-2 | Reserved | R/W | 000000b |
Reserved |
| 1 | BATFETOFF_ HIZ |
R/W | 0b |
Control BATFET during HIZ mode. 0b: BATFET on during Hi-Z <default at POR> 1b: BATFET off during Hi-Z |
| 0 | Reserved | R/W |
| 15-11 | 10-9 | 8 | |||||
| ILIM2_VTH | ICRIT_DEG | Reserved | |||||
| R/W | R/W | R/W | |||||
| 7-6 | 5 | 4-3 | 2 | 1 | 0 | ||
| VSYS_VTH | EN_PROCHOT_EXT | PROCHOT_WIDTH | PROCHOT_ CLEAR |
INOM_DEG | Reserved | ||
| R/W | R/W | R/W | R/W | R/W | R/W | ||
| LEGEND: R/W = Read/Write; R = Read only; -n = value after reset |
| SMBus BIT |
FIELD | TYPE | RESET | DESCRIPTION |
|---|---|---|---|---|
| 15-11 | ILIM2_VTH | R/W | 01001b |
ILIM2 Threshold 5 bits, percentage of IDPM in 0x3FH. Measure current between ACP and ACN. Trigger when the current is above this threshold: 00001b - 11001b: 110% - 230%, step 5% 11010b - 11110b: 250% - 450%, step 50% 11111b: Out of Range (Ignored) Default 150%, or 01001 |
| 10-9 | ICRIT_DEG | R/W | 01b |
ICRIT Deglitch time ICRIT threshold is set to be 110% of ILIM2. Typical ICRIT deglitch time to trigger PROCHOT. 00b: 15 µs 01b: 100 µs <default at POR> 10b: 400 µs (max 500 us) 11b: 800 µs (max 1 ms) |
| 8 | Reserved | R/W | 0b |
Reserved |
| SMBus BIT |
FIELD | TYPE | RESET | DESCRIPTION |
|---|---|---|---|---|
| 7-6 | VSYS_VTH | R/W | 01b |
VSYS Threshold Measure on VSYS with fixed 20-µs deglitch time. Trigger when SYS pin voltage is below the threshold. 00b: 5.75 V (2-4 s) or 2.85 V (1 s) 01b: 6 V (2-4 s) or 3.1 V (1 s) <default at POR> 10b: 6.25 V (2-4 s) or 3.35 V (1 s) 11b: 6.5 V (2-4 s) or 3.6 V (1 s) |
| 5 | EN_PROCHOT _EXT |
R/W | 0b |
PROCHOT Pulse Extension Enable When pulse extension is enabled, keep the PROCHOT pin voltage LOW until host writes 0x33[2] = 0. 0b: Disable pulse extension <default at POR> 1b: Enable pulse extension |
| 4-3 | PROCHOT _WIDTH |
R/W | 10b |
PROCHOT Pulse Width Minimum PROCHOT pulse width when REG0x33[5] = 0 00b: 100 µs 01b: 1 ms 10b: 10 ms <default at POR> 11b: 5 ms |
| 2 | PROCHOT _CLEAR |
R/W | 1b |
PROCHOT Pulse Clear Clear PROCHOT pulse when 0x3C[5] = 1. 0b: Clear PROCHOT pulse and drive PROCHOT pin HIGH. 1b: Idle <default at POR> |
| 1 | INOM_DEG | R/W | 0b |
INOM Deglitch Time INOM is always 10% above IDPM in 0x3FH. Measure current between ACP and ACN. Trigger when the current is above this threshold. 0b: 1 ms (must be max) <default at POR> 1b: 50 ms (max 60 ms) |
| 0 | Reserved | R/W | 0b |
Reserved |
| 15-10 | 9-8 | ||||||
| IDCHG_VTH | IDCHG_DEG | ||||||
| R/W | R/W | ||||||
| 7 | 6 | 5 | 4 | 3 | 2 | 1 | 0 |
| Reserved | PROCHOT_PROFILE_IC | PP_ICRIT | PP_INOM | PP_IDCHG | PP_VSYS | PP_BATPRES | PP_ACOK |
| R/W | R/W | R/W | R/W | R/W | R/W | R/W | R/W |
| LEGEND: R/W = Read/Write; R = Read only; -n = value after reset |
| SMBus BIT |
FIELD | TYPE | RESET | DESCRIPTION |
|---|---|---|---|---|
| 15-10 | IDCHG_VTH | R/W | 000000b |
IDCHG Threshold 6 bit, range, range 0 A to 32256 mA, step 512 mA. There is a 128 mA offset measured current between SRN and SRP. Trigger when the discharge current is above the threshold. If the value is programmed to 000000b, PROCHOT is always triggered. Default: 16384 mA or 100000 |
| 9-8 | IDCHG_DEG | R/W | 01b |
IDCHG Deglitch Time 00b: 1.6 ms 01b: 100 µs <default at POR> 10b: 6 ms 11b: 12 ms |
| SMBus BIT |
FIELD | TYPE | RESET | DESCRIPTION |
|---|---|---|---|---|
| 7 | Reserved | R/W | 0b |
Reserved |
| 6 | PROCHOT _PROFILE_COMP |
R/W | 0b |
PROCHOT Profile When all the REG0x34[6:0] bits are 0, PROCHOT function is disabled. Bit6 Independent comparator 0b: disable <default at POR> 1b: enable |
| 5 | PROCHOT _PROFILE_ICRIT |
R/W | 1b |
0b: disable 1b: enable <default at POR> |
| 4 | PROCHOT _PROFILE_INOM |
R/W | 0b |
0b: disable <default at POR> 1b: enable |
| 3 | PROCHOT _PROFILE_IDCHG |
R/W | 0b |
0b: disable <default at POR> 1b: enable |
| 2 | PROCHOT _PROFILE_VSYS |
R/W | 0b |
0b: disable <default at POR> 1b: enable |
| 1 | PROCHOT _PROFILE_BATPRES |
R/W | 0b |
0b: disable <default at POR> 1b: enable (one-shot falling edge triggered) If BATPRES is enabled in PROCHOT after the battery is removed, it will immediately send out one-shot PROCHOT pulse. |
| 0 | PROCHOT _PROFILE_ACOK |
R/W | 0b |
0b: disable <default at POR> 1b: enable (one-shot falling edge triggered) ChargeOption0[15] = 0 to pull PROCHOT low after adapter removal. If BATPRES is enabled in PROCHOT after the battery is removed, it will immediately send out one-shot PROCHOT pulse. |
| 15 | 14 | 13 | 12-8 | ||||
| ADC_CONV | ADC_START | ADC_ FULLSCALE |
Reserved | ||||
| R/W | R/W | R/W | R/W | ||||
| 7 | 6 | 5 | 4 | 3 | 2 | 1 | 0 |
| EN_ADC_ CMPIN |
EN_ADC_ VBUS |
EN_ADC_ PSYS |
EN_ADC_ IIN |
EN_ADC_ IDCHG |
EN_ADC_ ICHG |
EN_ADC_ VSYS |
EN_ADC_ VBAT |
| R/W | R/W | R/W | R/W | R/W | R/W | R/W | R/W |
| LEGEND: R/W = Read/Write; R = Read only; -n = value after reset |
| SMBus BIT |
FIELD | TYPE | RESET | DESCRIPTION |
|---|---|---|---|---|
| 15 | ADC_CONV | R/W | 0b | Typical ADC conversion time is 10 ms. 0b: One-shot update. Do one set of conversion updates to registers REG0x23(), REG0x24(), REG0x25(), and REG0x26() after ADC_START = 1. 1b: Continuous update. Do a set of conversion updates to registers REG0x23(), REG0x24(), REG0x25(), and REG0x26() every 1 sec. |
| 14 | ADC_START | R/W | 0b |
0b: No ADC conversion 1b: Start ADC conversion. After the one-shot update is complete, this bit automatically resets to zero |
| 13 | ADC_ FULLSCALE |
R/W | 1b |
ADC input voltage range. When input voltage is below 5V, or battery is 1S, full scale 2.04V is recommended. 0b: 2.04 V 1b: 3.06 V <default at POR> |
| 12-8 | Reserved | R/W | 00000b | Reserved |
| SMBus BIT |
FIELD | TYPE | RESET | DESCRIPTION |
|---|---|---|---|---|
| 7 | EN_ADC_CMPIN | R/W | 0b |
0b: Disable <default at POR> 1b: Enable |
| 6 | EN_ADC_VBUS | R/W | 0b |
0b: Disable <default at POR> 1b: Enable |
| 5 | EN_ADC_PSYS | R/W | 0b |
0b: Disable <default at POR> 1b: Enable |
| 4 | EN_ADC_IIN | R/W | 0b |
0b: Disable <default at POR> 1b: Enable |
| 3 | EN_ADC_IDCHG | R/W | 0b |
0b: Disable <default at POR> 1b: Enable |
| 2 | EN_ADC_ICHG | R/W | 0b |
0b: Disable <default at POR> 1b: Enable |
| 1 | EN_ADC_VSYS | R/W | 0b |
0b: Disable <default at POR> 1b: Enable |
| 0 | EN_ADC_VBAT | R/W | 0b |
0b: Disable <default at POR> 1b: Enable |
| 15 | 14 | 13 | 12 | 11 | 10 | 9 | 8 |
| AC_STAT | ICO_DONE | Reserved | IN_VINDPM | IN_IINDPM | IN_FCHRG | IN_PCHRG | Reserved |
| R | R | R | R | R | R | R | R |
| 7 | 6 | 5 | 4 | 3 | 2 | 1 | 0 |
| Fault ACOV | Fault BATOC | Fault ACOC | SYSOVP_ STAT |
Reserved | Fault Latchoff | Reserved | Reserved |
| R | R | R | R | R | R | R | R |
| LEGEND: R/W = Read/Write; R = Read only; -n = value after reset |
| SMBus BIT |
FIELD | TYPE | RESET | DESCRIPTION |
|---|---|---|---|---|
| 15 | AC_STAT | R | 0b |
Input source status, same as CHRG_OK pin 0b: Input not present 1b: Input is present |
| 14 | ICO_DONE | R | 0b |
After the ICO routine is successfully executed, the bit goes 1. 0b: ICO is not complete 1b: ICO is complete |
| 13 | Reserved | R | 0b |
Reserved |
| 12 | IN_VINDPM | R | 0b |
0b: Charger is not in VINDPM during forward mode 1b: Charger is in VINDPM during forward mode |
| 11 | IN_IINDPM | R | 0b |
0b: Charger is not in IINDPM 1b: Charger is in IINDPM |
| 10 | IN_FCHRG | R | 0b |
0b: Charger is not in fast charge 1b: Charger is in fast charger |
| 9 | IN_PCHRG | R | 0b |
0b: Charger is not in pre-charge 1b: Charger is in pre-charge |
| 8 | Reserved | R | Reserved |
| SMBus BIT |
FIELD | TYPE | RESET | DESCRIPTION |
|---|---|---|---|---|
| 7 | Fault ACOV | R | 0b |
The faults are latched until a read from host. 0b: No fault 1b: ACOV |
| 6 | Fault BATOC | R | 0b |
The faults are latched until a read from host. 0b: No fault 1b: BATOC |
| 5 | Fault ACOC | R | 0b |
The faults are latched until a read from host. 0b: No fault 1b: ACOC |
| 4 | SYSOVP_STAT | R | 0b |
SYSOVP Status and Clear When the SYSOVP occurs, this bit is HIGH. During the SYSOVP, the converter is disabled. After the SYSOVP is removed, the user must write a 0 to this bit or unplug the adapter to clear the SYSOVP condition to enable the converter again. 0b: Not in SYSOVP <default at POR> 1b: In SYSOVP. When SYSOVP is removed, write 0 to clear the SYSOVP latch. |
| 3 | Reserved | R | 0b | Reserved |
| 2 | Fault Latchoff | R | 0b |
The faults are latched until a read from host. 0b: No fault 1b: Latch off (REG0x30[3]) |
| 1 | Reserved | R | Reserved | |
| 0 | Reserved | R | Reserved |
| 15-8 | |||||||
| Reserved | |||||||
| R | |||||||
| 7 | 6 | 5 | 4 | 3 | 2 | 1 | 0 |
| Reserved | STAT_COMP | STAT_ICRIT | STAT_INOM | STAT_IDCHG | STAT_VSYS | STAT_Battery_Removal | STAT_Adapter_Removal |
| R | R | R | R | R | R | R | R |
| LEGEND: R/W = Read/Write; R = Read only; -n = value after reset |
| SMBus BIT |
FIELD | TYPE | RESET | DESCRIPTION |
|---|---|---|---|---|
| 15-8 | Reserved | R | 00000000b |
Reserved |
| SMBus BIT |
FIELD | TYPE | RESET | DESCRIPTION |
|---|---|---|---|---|
| 7 | Reserved | R | 0b |
Reserved |
| 6 | STAT_COMP | R | 0b |
0b: Not triggered 1b: Triggered |
| 5 | STAT_ICRIT | R | 0b |
0b: Not triggered 1b: Triggered |
| 4 | STAT_INOM | R | 0b |
0b: Not triggered 1b: Triggered |
| 3 | STAT_IDCHG | R | 0b |
0b: Not triggered 1b: Triggered |
| 2 | STAT_VSYS | R | 0b |
0b: Not triggered 1b: Triggered |
| 1 | STAT_Battery_Removal | R | 0b |
0b: Not triggered 1b: Triggered |
| 0 | STAT_Adapter_Removal | R | 0b |
0b: Not triggered 1b: Triggered |
To set the charge current, write a 16-bit ChargeCurrent() command (REG0x14()) using the data format listed in Figure 22
With 10-mΩ sense resistor, the charger provides charge current range of 64 mA to 8.128 A, with a 64-mA step resolution. Upon POR, ChargeCurrent() is 0 A when auto wakeup is not active. Any conditions for CHRG_OK low except ACOV will reset ChargeCurrent() to zero. CELL_BATPRESZ going LOW (battery removal) will reset the ChargeCurrent() register to 0 A.
Charge current is not reset in ACOC, TSHUT, power path latch off (REG0x30[1]), and SYSOVP.
A 0.1-µF capacitor between SRP and SRN for differential mode filtering is recommended; an optional 0.1-µF capacitor between SRN and ground, and an optional 0.1-µF capacitor between SRP and ground for common mode filtering. Meanwhile, the capacitance on SRP should not be higher than 0.1 µF in order to properly sense the voltage across SRP and SRN for cycle-by-cycle current detection.
The SRP and SRN pins are used to sense voltage drop across RSR with default value of 10 mΩ. However, resistors of other values can also be used. For a larger sense resistor, a larger sense voltage is given, and a higher regulation accuracy; but, at the expense of higher conduction loss. A current sensing resistor value no more than 20 mΩ is suggested.
| 15 | 14 | 13 | 12 | 11 | 10 | 9 | 8 |
| Reserved | Charge Current, bit 6 | Charge Current, bit 5 | Charge Current, bit 4 | Charge Current, bit 3 | Charge Current, bit 2 | ||
| R/W | R/W | R/W | R/W | R/W | R/W | ||
| 7 | 6 | 5 | 4 | 3 | 2 | 1 | 0 |
| Charge Current, bit 1 | Charge Current, bit 0 | Reserved | Reserved | ||||
| R/W | R/W | R/W | R/W | ||||
| LEGEND: R/W = Read/Write; R = Read only; -n = value after reset |
| SMBus BIT |
FIELD | TYPE | RESET | DESCRIPTION |
|---|---|---|---|---|
| 15-13 | Reserved | R/W | 000b |
Not used. 1 = invalid write. |
| 12 | Charge Current, bit 6 | R/W | 0b |
0 = Adds 0 mA of charger current. 1 = Adds 4096 mA of charger current. |
| 11 | Charge Current, bit 5 | R/W | 0b |
0 = Adds 0 mA of charger current. 1 = Adds 2048 mA of charger current. |
| 10 | Charge Current, bit 4 | R/W | 0b |
0 = Adds 0 mA of charger current. 1 = Adds 1024 mA of charger current. |
| 9 | Charge Current, bit 3 | R/W | 0b |
0 = Adds 0 mA of charger current. 1 = Adds 512 mA of charger current. |
| 8 | Charge Current, bit 2 | R/W | 0b |
0 = Adds 0 mA of charger current. 1 = Adds 256 mA of charger current. |
| SMBus BIT |
FIELD | TYPE | RESET | DESCRIPTION |
|---|---|---|---|---|
| 7 | Charge Current, bit 1 | R/W | 0b |
0 = Adds 0 mA of charger current. 1 = Adds 128 mA of charger current. |
| 6 | Charge Current, bit 0 | R/W | 0b |
0 = Adds 0 mA of charger current. 1 = Adds 64 mA of charger current. |
| 5-0 | Reserved | R/W | 000000b |
Not used. Value Ignored. |
During pre-charge, BATFET works in linear mode or LDO mode (default REG0x12[2] = 1). For 2-4 cell battery, the system is regulated at minimum system voltage in REG0x3E() and the pre-charge current is clamped at 384 mA. For 1 cell battery, the pre-charge to fast charge threshold is 3V, and the pre-charge current is clamped at 384mA. However, the BATFET stays in LDO mode operation till battery voltage is above minimum system voltage (~3.6V). During battery voltage from 3V to 3.6V, the fast charge current is clamped at 2A.
To set the output charge voltage, write a 16-bit ChargeVoltage register command (REG0x15()) using the data format listed in Figure 23. The charger provides charge voltage range from 1.024 V to 19.200 V, with 16-mV step resolution. Any write below 1.024 V or above 19.200 V is ignored.
Upon POR, REG0x15() is by default set as 4192 mV for 1 s, 8400 mV for 2 s, 12592 mV for 3 s or 16800 mV for 4 s. After CHRG_OK, if host writes REG0x14() before REG0x15(), the charge will start after the write to REG0x14().If the battery is different from 4.2 V/cell, the host has to write to REG0x15() before REG0x14() for correct battery voltage setting. Writing REG0x15() to 0 will set REG0x15() to default value on CELL_BATPRESZ pin, and force REG0x14() to zero to disable charge.
The SRN pin is used to sense the battery voltage for voltage regulation and should be connected as close to the battery as possible, and directly place a decoupling capacitor (0.1-µF recommended) as close to the device as possible to decouple high frequency noise.
| 15 | 14 | 13 | 12 | 11 | 10 | 9 | 8 |
| Reserved | Max Charge Voltage, bit 10 | Max Charge Voltage, bit 9 | Max Charge Voltage, bit 8 | Max Charge Voltage, bit 7 | Max Charge Voltage, bit 6 | Max Charge Voltage, bit 5 | Max Charge Voltage, bit 4 |
| R/W | R/W | R/W | R/W | R/W | R/W | R/W | R/W |
| 7 | 6 | 5 | 4 | 3 | 2 | 1 | 0 |
| Max Charge Voltage, bit 3 | Max Charge Voltage, bit 2 | Max Charge Voltage, bit 1 | Max Charge Voltage, bit 0 | Reserved | |||
| R/W | R/W | R/W | R/W | R/W | |||
| LEGEND: R/W = Read/Write; R = Read only; -n = value after reset |
| SMBus BIT |
FIELD | TYPE | RESET | DESCRIPTION |
|---|---|---|---|---|
| 15 | Reserved | R/W | 0b |
Not used. 1 = invalid write. |
| 14 | Max Charge Voltage, bit 10 | R/W | 0b |
0 = Adds 0 mV of charger voltage. 1 = Adds 16384 mV of charger voltage. |
| 13 | Max Charge Voltage, bit 9 | R/W | 0b |
0 = Adds 0 mV of charger voltage. 1 = Adds 8192 mV of charger voltage |
| 12 | Max Charge Voltage, bit 8 | R/W | 0b |
0 = Adds 0 mV of charger voltage. 1 = Adds 4096 mV of charger voltage. |
| 11 | Max Charge Voltage, bit 7 | R/W | 0b |
0 = Adds 0 mV of charger voltage. 1 = Adds 2048 mV of charger voltage. |
| 10 | Max Charge Voltage, bit 6 | R/W | 0b |
0 = Adds 0 mV of charger voltage. 1 = Adds 1024 mV of charger voltage. |
| 9 | Max Charge Voltage, bit 5 | R/W | 0b |
0 = Adds 0 mV of charger voltage. 1 = Adds 512 mV of charger voltage. |
| 8 | Max Charge Voltage, bit 4 | R/W | 0b |
0 = Adds 0 mV of charger voltage. 1 = Adds 256 mV of charger voltage. |
| SMBus BIT |
FIELD | TYPE | RESET | DESCRIPTION |
|---|---|---|---|---|
| 7 | Max Charge Voltage, bit 3 | R/W | 0b |
0 = Adds 0 mV of charger voltage. 1 = Adds 128 mV of charger voltage. |
| 6 | Max Charge Voltage, bit 2 | R/W | 0b |
0 = Adds 0 mV of charger voltage. 1 = Adds 64 mV of charger voltage. |
| 5 | Max Charge Voltage, bit 1 | R/W | 0b |
0 = Adds 0 mV of charger voltage. 1 = Adds 32 mV of charger voltage. |
| 4 | Max Charge Voltage, bit 0 | R/W | 0b |
0 = Adds 0 mV of charger voltage. 1 = Adds 16 mV of charger voltage. |
| 3-0 | Reserved | R/W | 0000b |
Not used. Value Ignored. |
To set the minimum system voltage, write a 16-bit MinSystemVoltage register command (REG0x3E()) using the data format listed in Figure 25. The charger provides minimum system voltage range from 1.024 V to 16.128 V, with 256-mV step resolution. Any write below 1.024 V or above 16.128 V is ignored. Upon POR, the MinSystemVoltage register is 3.584 V for 1 S, 6.144 V for 2 S and 9.216 V for 3 S, and 12.288 V for 4 S.
| 15 | 14 | 13 | 12 | 11 | 10 | 9 | 8 |
| Reserved | Min System Voltage, bit 5 | Min System Voltage, bit 4 | Min System Voltage, bit 3 | Min System Voltage, bit 2 | Min System Voltage, bit 1 | Min System Voltage, bit 0 | |
| R/W | R/W | R/W | R/W | R/W | R/W | R/W | |
| 7 | 6 | 5 | 4 | 3 | 2 | 1 | 0 |
| Reserved | |||||||
| R/W | |||||||
| LEGEND: R/W = Read/Write; R = Read only; -n = value after reset |
| SMBus BIT |
FIELD | TYPE | RESET | DESCRIPTION |
|---|---|---|---|---|
| 15-14 | Reserved | R/W | 00b |
Not used. 1 = invalid write. |
| 13 | Min System Voltage, bit 5 | R/W | 0b |
0 = Adds 0 mV of system voltage. 1 = Adds 8192 mV of system voltage. |
| 12 | Min System Voltage, bit 4 | R/W | 0b |
0 = Adds 0 mV of system voltage. 1 = Adds 4096mV of system voltage. |
| 11 | Min System Voltage, bit 3 | R/W | 0b |
0 = Adds 0 mV of system voltage. 1 = Adds 2048 mV of system voltage. |
| 10 | Min System Voltage, bit 2 | R/W | 0b |
0 = Adds 0 mV of system voltage. 1 = Adds 1024 mV of system voltage. |
| 9 | Min System Voltage, bit 1 | R/W | 0b |
0 = Adds 0 mV of system voltage. 1 = Adds 512 mV of system voltage. |
| 8 | Min System Voltage, bit 0 | R/W | 0b |
0 = Adds 0 mV of system voltage. 1 = Adds 256 mV of system voltage. |
| SMBus BIT |
FIELD | TYPE | RESET | DESCRIPTION |
|---|---|---|---|---|
| 7-0 | Reserved | R/W | 00000000b |
Not used. Value Ignored. |
The device employs Narrow VDC architecture (NVDC) with BATFET separating system from battery. The minimum system voltage is set by REG0x3E(). Even with a deeply depleted battery, the system is regulated above the minimum system voltage with BATFET.
When the battery is below minimum system voltage setting, the BATFET operates in linear mode (LDO mode), and the system is regulated above the minimum system voltage setting. As the battery voltage rises above the minimum system voltage, BATFET is fully on when charging or in supplement mode and the voltage difference between the system and battery is the VDS of BATFET. System voltage is regulated 160mV above battery voltage when BATFET is off (no charging or no supplement current).
When BATFET is removed, the system node VSYS is shorted to SRP. Before the converter starts operation, LDO mode needs to be disabled. The following sequence is required to configure charger without BATFET.
In order to prevent any accidental SW mistakes, the host sets low input current limit (a few hundred milliamps) when device is out of HIZ.
The charger supports Dynamic Power Management (DPM). Normally, the input power source provides power for the system load or to charge the battery. When the input current exceeds the input current setting, or the input voltage falls below the input voltage setting, the charger decreases the charge current to provide priority to the system load. As the system current rises, the available charge current drops accordingly towards zero. If the system load keeps increasing after the charge current drops down to zero, the system voltage starts to drop. As the system voltage drops below the battery voltage, the battery will discharge to supply the heavy system load.
To set the maximum input current limit, write a 16-bit IIN_HOST register command (REG0x3F()) using the data format listed in Figure 25. When using a 10-mΩ sense resistor, the charger provides an input-current limit range of 50 mA to 6400 mA, with 50-mA resolution. The default current limit is 3.3 A. Due to the USB current setting requirement, the register setting specifies the maximum current instead of the typical current. Upon adapter removal, the input current limit is reset to the default value of 3.3 A. The register setting is clamped at 50mA. With code 00h and 01h, the input current limit settings are both 50mA.
The ACP and ACN pins are used to sense RAC with the default value of 10 mΩ. For a 20 mΩ sense resistor, a larger sense voltage is given and a higher regulation accuracy, but at the expense of higher conduction loss.
Instead of using the internal DPM loop, the user can build up an external input current regulation loop and have the feedback signal on the ILIM_HIZ pin.

In order to disable ILIM_HIZ pin, the host can write to 0x31[7] to disable ILIM_HIZ pin, or pull ILIM_HIZ pin above 4 V.
| 15 | 14 | 13 | 12 | 11 | 10 | 9 | 8 |
| Reserved | Input Current set by host, bit 6 | Input Current set by host, bit 5 | Input Current set by host, bit 4 | Input Current set by host, bit 3 | Input Current set by host, bit 2 | Input Current set by host, bit 1 | Input Current set by host, bit 0 |
| R/W | R/W | R/W | R/W | R/W | R/W | R/W | R/W |
| 7 | 6 | 5 | 4 | 3 | 2 | 1 | 0 |
| Reserved | |||||||
| R | |||||||
| LEGEND: R/W = Read/Write; R = Read only; -n = value after reset |
| SMBus BIT |
FIELD | TYPE | RESET | DESCRIPTION |
|---|---|---|---|---|
| 15 | Reserved | R | 0b |
Not used. 1 = invalid write. |
| 14 | Input Current set by host, bit 6 | R | 1b |
0 = Adds 0 mA of input current. 1 = Adds 3200 mA of input current. |
| 13 | Input Current set by host, bit 5 | R | 0b |
0 = Adds 0 mA of input current. 1 = Adds 1600 mA of input current. |
| 12 | Input Current set by host, bit 4 | R | 0b |
0 = Adds 0 mA of input current. 1 = Adds 800 mA of input current. |
| 11 | Input Current set by host, bit 3 | R | 0b |
0 = Adds 0 mA of input current. 1 = Adds 400 mA of input current. |
| 10 | Input Current set by host, bit 2 | R | 0b |
0 = Adds 0 mA of input current. 1 = Adds 200 mA of input current. |
| 9 | Input Current set by host, bit 1 | R | 0b |
0 = Adds 0 mA of input current. 1 = Adds 100 mA of input current. |
| 8 | Input Current set by host, bit 0 | R | 0b |
0 = Adds 0 mA of input current. 1 = Adds 50 mA of input current. |
| SMBus BIT |
FIELD | TYPE | RESET | DESCRIPTION |
|---|---|---|---|---|
| 7-0 | Reserved | R | 00000000b |
Not used. Value Ignored. |
IIN_DPM register reflects the actual input current limit programmed in the register, either from host or from ICO.
After ICO, the current limit used by DPM regulation may differ from the IIN_HOST register settings. The actual DPM limit is reported in REG0x22().
| 15 | 14 | 13 | 12 | 11 | 10 | 9 | 8 |
| Reserved | Input Current in DPM, bit 6 | Input Current in DPM, bit 5 | Input Current in DPM, bit 4 | Input Current in DPM, bit 3 | Input Current in DPM, bit 2 | Input Current in DPM, bit 1 | Input Current in DPM, bit 0 |
| R | R | R | R | R | R | R | R |
| 7 | 6 | 5 | 4 | 3 | 2 | 1 | 0 |
| Reserved | |||||||
| R | |||||||
| LEGEND: R/W = Read/Write; R = Read only; -n = value after reset |
| SMBus BIT |
FIELD | TYPE | RESET | DESCRIPTION |
|---|---|---|---|---|
| 15 | Reserved | R | 0b |
Not used. 1 = invalid write. |
| 14 | Input Current in DPM, bit 6 | R | 0b |
0 = Adds 0 mA of input current. 1 = Adds 3200 mA of input current. |
| 13 | Input Current in DPM, bit 5 | R | 0b |
0 = Adds 0 mA of input current. 1 = Adds 1600 mA of input current. |
| 12 | Input Current in DPM, bit 4 | R | 0b |
0 = Adds 0 mA of input current. 1 = Adds 800mA of input current |
| 11 | Input Current in DPM, bit 3 | R | 0b |
0 = Adds 0 mA of input current. 1 = Adds 400 mA of input current. |
| 10 | Input Current in DPM, bit 2 | R | 0b |
0 = Adds 0 mA of input current. 1 = Adds 200 mA of input current. |
| 9 | Input Current in DPM, bit 1 | R | 0b |
0 = Adds 0 mA of input current. 1 = Adds 100 mA of input current. |
| 8 | Input Current in DPM, bit 0 | R | 0b |
0 = Adds 0 mA of input current. 1 = Adds 50 mA of input current. |
| SMBus BIT |
FIELD | TYPE | RESET | DESCRIPTION |
|---|---|---|---|---|
| 7-0 | Reserved | R | 00000000b |
Not used. Value Ignored. |
To set the input voltage limit, write a 16-bit InputVoltage register command (REG0x3D()) using the data format listed in Figure 27.
If the input voltage drops more than the InputVoltage register allows, the device enters DPM and reduces the charge current. The default offset voltage is 1.28 V below the no-load VBUS voltage. The DC offset is 3.2 V (0000000).
| 15 | 14 | 13 | 12 | 11 | 10 | 9 | 8 |
| Reserved | Input Voltage, bit 7 | Input Voltage, bit 6 | Input Voltage, bit 5 | Input Voltage, bit 4 | Input Voltage, bit 3 | Input Voltage, bit 2 | |
| R/W | R/W | R/W | R/W | R/W | R/W | R/W | |
| 7 | 6 | 5 | 4 | 3 | 2 | 1 | 0 |
| Input Voltage, bit 1 | Input Voltage, bit 0 | Reserved | |||||
| R/W | R/W | R/W | |||||
| LEGEND: R/W = Read/Write; R = Read only; -n = value after reset |
| SMBus BIT |
FIELD | TYPE | RESET | DESCRIPTION |
|---|---|---|---|---|
| 15-14 | Reserved | R/W | 00b |
Not used. 1 = invalid write. |
| 13 | Input Voltage, bit 7 | R/W | 0b |
0 = Adds 0 mV of input voltage. 1 = Adds 8192 mV of input voltage. |
| 12 | Input Voltage, bit 6 | R/W | 0b |
0 = Adds 0 mV of input voltage. 1 = Adds 4096mV of input voltage. |
| 11 | Input Voltage, bit 5 | R/W | 0b |
0 = Adds 0 mV of input voltage. 1 = Adds 2048 mV of input voltage. |
| 10 | Input Voltage, bit 4 | R/W | 0b |
0 = Adds 0 mV of input voltage. 1 = Adds 1024 mV of input voltage. |
| 9 | Input Voltage, bit 3 | R/W | 0b |
0 = Adds 0 mV of input voltage. 1 = Adds 512 mV of input voltage. |
| 8 | Input Voltage, bit 2 | R/W | 0b |
0 = Adds 0 mV of input voltage. 1 = Adds 256 mV of input voltage. |
| SMBus BIT |
FIELD | TYPE | RESET | DESCRIPTION |
|---|---|---|---|---|
| 7 | Input Voltage, bit 1 | R/W | 0b |
0 = Adds 0 mV of input voltage. 1 = Adds 128 mV of input voltage. |
| 6 | Input Voltage, bit 0 | R/W | 0b |
0 = Adds 0 mV of input voltage. 1 = Adds 64 mV of input voltage |
| 5-0 | Reserved | R/W | 000000b |
Not used. Value Ignored. |
| 15 | 14 | 13 | 12 | 11 | 10 | 9 | 8 |
| R | R | R | R | R | R | R | R |
| 7 | 6 | 5 | 4 | 3 | 2 | 1 | 0 |
| R | R | R | R | R | R | R | R |
| LEGEND: R/W = Read/Write; R = Read only; -n = value after reset |
| BIT | FIELD | TYPE | RESET | DESCRIPTION |
|---|---|---|---|---|
| 15-8 | R | 8-bit Digital Output of Input Voltage | ||
| 7-0 | R | 8-bit Digital Output of System Power |
| 15 | 14 | 13 | 12 | 11 | 10 | 9 | 8 |
| Reserved | R | R | R | R | R | R | R |
| 7 | 6 | 5 | 4 | 3 | 2 | 1 | 0 |
| Reserved | R | R | R | R | R | R | R |
| LEGEND: R/W = Read/Write; R = Read only; -n = value after reset |
| BIT | FIELD | TYPE | RESET | DESCRIPTION |
|---|---|---|---|---|
| 15 | Reserved | R | Not used. Value ignored. | |
| 14-8 | R | 7-bit Digital Output of Battery Charge Current | ||
| 7 | Reserved | R | Not used. Value ignored. | |
| 6-0 | R | 7-bit Digital Output of Battery Discharge Current |
| 15 | 14 | 13 | 12 | 11 | 10 | 9 | 8 |
| R | R | R | R | R | R | R | R |
| 7 | 6 | 5 | 4 | 3 | 2 | 1 | 0 |
| R | R | R | R | R | R | R | R |
| LEGEND: R/W = Read/Write; R = Read only; -n = value after reset |
| BIT | FIELD | TYPE | RESET | DESCRIPTION |
|---|---|---|---|---|
| 15-8 | R | 8-bit Digital Output of Input Current | ||
| 7-0 | R | 8-bit Digital Output of CMPIN voltage |
| 15 | 14 | 13 | 12 | 11 | 10 | 9 | 8 |
| R | R | R | R | R | R | R | R |
| 7 | 6 | 5 | 4 | 3 | 2 | 1 | 0 |
| R | R | R | R | R | R | R | R |
| LEGEND: R/W = Read/Write; R = Read only; -n = value after reset |
| BIT | FIELD | TYPE | RESET | DESCRIPTION |
|---|---|---|---|---|
| 15-8 | R | 8-bit Digital Output of System Voltage | ||
| 7-0 | R | 8-bit Digital Output of Battery Voltage |
| 15-0 | |||||||||
| MANUFACTURE_ID | |||||||||
| R |
| LEGEND: R/W = Read/Write; R = Read only; -n = value after reset |
| SMBus BIT |
FIELD | TYPE | RESET | DESCRIPTION (READ ONLY) |
|---|---|---|---|---|
| 15-0 | MANUFACTURE_ID | R |
40h |
| 15-8 | |||||||
| Reserved | |||||||
| R | |||||||
| 7-0 | |||||||
| DEVICE_ID | |||||||
| R |
| LEGEND: R/W = Read/Write; R = Read only; -n = value after reset |
| SMBus BIT |
FIELD | TYPE | RESET | DESCRIPTION (READ ONLY) |
|---|---|---|---|---|
| 15-8 | Reserved | R | 0b |
Reserved |
| 7-0 | DEVICE_ID | R | 0b |
SMBus: 7Ch |