SLUSB23B October   2012  – June 2015

PRODUCTION DATA.  

  1. Features
  2. Applications
  3. Description
  4. Revision History
  5. Device Comparison Table
  6. Pin Configuration and Functions
  7. Specifications
    1. 7.1  Absolute Maximum Ratings
    2. 7.2  ESD Ratings
    3. 7.3  Recommended Operating Conditions
    4. 7.4  Thermal Information
    5. 7.5  Electrical Characteristics: Power-On Reset
    6. 7.6  2.5-V LDO Regulator
    7. 7.7  Integrating ADC (Coulomb Counter) Characteristics
    8. 7.8  Integrated Sense Resistor Characteristics
    9. 7.9  ADC (Temperature and Cell Measurement) Characteristics
    10. 7.10 EEPROM Memory Characteristics
    11. 7.11 Timing Requirements: I2C-Compatible Interface Communication
    12. 7.12 Typical Characteristics
  8. Detailed Description
    1. 8.1 Overview
    2. 8.2 Functional Block Diagram
    3. 8.3 Feature Description
      1. 8.3.1 Fuel Gauging
      2. 8.3.2 Fuel Gauging Configurations
        1. 8.3.2.1 SOC Smoothing Feature
      3. 8.3.3 GPOUT Pin
      4. 8.3.4 Battery Detection (BIN)
    4. 8.4 Device Functional Modes
      1. 8.4.1 Operating Modes
        1. 8.4.1.1 POR and INITIALIZATION Modes
        2. 8.4.1.2 CONFIG UPDATE Mode
        3. 8.4.1.3 NORMAL Mode
        4. 8.4.1.4 SLEEP Mode
        5. 8.4.1.5 HIBERNATE Mode
    5. 8.5 Programming
      1. 8.5.1 Standard Data Commands
        1. 8.5.1.1  Control(): 0x00 and 0x01
          1. 8.5.1.1.1  CONTROL_STATUS: 0x0000
          2. 8.5.1.1.2  DEVICE_TYPE: 0x0001
          3. 8.5.1.1.3  FW_VERSION: 0x0002
          4. 8.5.1.1.4  PREV_MACWRITE: 0x0007
          5. 8.5.1.1.5  CHEM_ID: 0x0008
          6. 8.5.1.1.6  BAT_INSERT: 0X000C
          7. 8.5.1.1.7  BAT_REMOVE: 0X000D
          8. 8.5.1.1.8  SET_HIBERNATE: 0x0011
          9. 8.5.1.1.9  CLEAR_HIBERNATE: 0x0012
          10. 8.5.1.1.10 SET_CFGUPDATE: 0x0013
          11. 8.5.1.1.11 SEALED: 0x0020
          12. 8.5.1.1.12 RESET: 0x0041
          13. 8.5.1.1.13 SOFT_RESET: 0x0042
        2. 8.5.1.2  Temperature( ): 0x02 and 0x03
        3. 8.5.1.3  Voltage( ): 0x04 and 0x05
        4. 8.5.1.4  Flags( ): 0x06 and 0x07
        5. 8.5.1.5  NominalAvailableCapacity( ): 0x08 and 0x09
        6. 8.5.1.6  FullAvailableCapacity( ): 0x0A and 0x0B
        7. 8.5.1.7  RemainingCapacity( ): 0x0C and 0x0D
        8. 8.5.1.8  FullChargeCapacity( ): 0x0E and 0x0F
        9. 8.5.1.9  AverageCurrent( ): 0x10 and 0x11
        10. 8.5.1.10 AveragePower( ): 0x18 and 0x19
        11. 8.5.1.11 StateOfCharge( ): 0x1C and 0x1D
        12. 8.5.1.12 IntTemperature( ): 0x1E and 0x1F
        13. 8.5.1.13 StateOfHealth( ): 0x20 and 0x21
        14. 8.5.1.14 OperationConfiguration( ): 0x3A and 0x3B
        15. 8.5.1.15 DesignCapacity( ): 0x3C and 0x3D
        16. 8.5.1.16 DebugX( ):
      2. 8.5.2 Extended Data Commands
        1. 8.5.2.1 OperationConfiguration( ): 0x3A and 0x3B
        2. 8.5.2.2 DesignCapacity( ): 0x3C and 0x3D
        3. 8.5.2.3 DataClass( ): 0x3E
        4. 8.5.2.4 DataBlock( ): 0x3F
        5. 8.5.2.5 BlockData( ): 0x40 through 0x5F
        6. 8.5.2.6 BlockDataChecksum( ): 0x60
        7. 8.5.2.7 BlockDataControl( ): 0x61
        8. 8.5.2.8 Reserved: 0x62 through 0x7F
      3. 8.5.3 Block Data Interface
        1. 8.5.3.1 Accessing Block Data
      4. 8.5.4 Access Modes
        1. 8.5.4.1 Sealing and Unsealing Data Blocks
      5. 8.5.5 Data Block Summary
      6. 8.5.6 Detecting Charge Termination
      7. 8.5.7 Communications
        1. 8.5.7.1 I2C Interface
        2. 8.5.7.2 I2C Time Out
        3. 8.5.7.3 I2C Command Waiting Time
        4. 8.5.7.4 I2C Clock Stretching
    6. 8.6 Register Maps
      1. 8.6.1 Operation Configuration (Op Config) Register
  9. Application and Implementation
    1. 9.1 Application Information
    2. 9.2 Typical Application
      1. 9.2.1 Design Requirements
      2. 9.2.2 Detailed Design Procedure
        1. 9.2.2.1 BAT/REGIN Voltage Sense Input
        2. 9.2.2.2 Integrated LDO Capacitor
      3. 9.2.3 Application Curves
  10. 10Power Supply Recommendations
    1. 10.1 Power Supply Decoupling
  11. 11Layout
    1. 11.1 Layout Guidelines
    2. 11.2 Layout Example
  12. 12Device and Documentation Support
    1. 12.1 Community Resources
    2. 12.2 Trademarks
    3. 12.3 Electrostatic Discharge Caution
    4. 12.4 Glossary
  13. 13Mechanical, Packaging, and Orderable Information
    1. 13.1 Packaging
      1. 13.1.1 Package Dimensions

Package Options

Mechanical Data (Package|Pins)
Thermal pad, mechanical data (Package|Pins)
Orderable Information

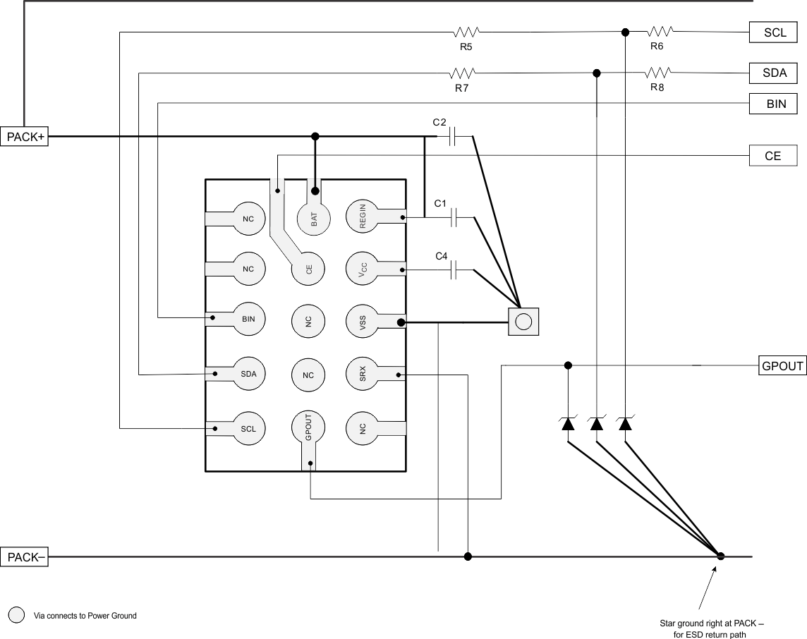
11 Layout

11.1 Layout Guidelines

A capacitor of at least 1 μF is connected between the VCC pin and VSS. The capacitor should be placed close to the gauge IC and have short traces to both the VCC pin and VSS.

  • A capacitor at least 0.1 μF must be connected between the BAT pin and VSS if the connection between the battery pack and the gauge BAT pin has the potential to pick up noise. The capacitor should be placed close to the gauge IC and have short traces to both the VDD pin and VSS.
  • If the external pullup resistors on the SCL and SDA lines will be disconnected from the host during low-power operation, TI recommends using external 1-MΩ pulldown resistors to VSS to avoid floating inputs to the I2C engine.
  • The value of the SCL and SDA pullup resistors should take into consideration the pullup voltage and the bus capacitance.
  • If the GPOUT pin is not used by the host, the pin should still be pulled up to VDD with a 4.7-kΩ or 10-kΩ resistor.
  • The BIN pin should not be shorted directly to VCC or VSS.

11.2 Layout Example

bq27425-G2 layout_example_slusb23.gif Figure 16. Layout Schematic