SLUSC67B March   2016  â€“ October 2017

PRODUCTION DATA.  

  1. Features
  2. Applications
  3. Description
  4. Revision History
  5. Pin Configuration and Functions
  6. Specifications
    1. 6.1  Absolute Maximum Ratings
    2. 6.2  ESD Ratings
    3. 6.3  Recommended Operating Conditions
    4. 6.4  Thermal Information
    5. 6.5  Electrical Characteristics: Supply Current
    6. 6.6  Electrical Characteristics: Power Supply Control
    7. 6.7  Electrical Characteristics: AFE Power-On Reset
    8. 6.8  Electrical Characteristics: AFE Watchdog Reset and Wake Timer
    9. 6.9  Electrical Characteristics: Current Wake Comparator
    10. 6.10 Electrical Characteristics: VC1, VC2, VC3, VC4, BAT, PACK
    11. 6.11 Electrical Characteristics: SMBD, SMBC
    12. 6.12 Electrical Characteristics: PRES, BTP_INT, DISP
    13. 6.13 Electrical Characteristics: LEDCNTLA, LEDCNTLB, LEDCNTLC
    14. 6.14 Electrical Characteristics: Coulomb Counter
    15. 6.15 Electrical Characteristics: CC Digital Filter
    16. 6.16 Electrical Characteristics: ADC
    17. 6.17 Electrical Characteristics: ADC Digital Filter
    18. 6.18 Electrical Characteristics: CHG, DSG FET Drive
    19. 6.19 Electrical Characteristics: PCHG FET Drive
    20. 6.20 Electrical Characteristics: FUSE Drive
    21. 6.21 Electrical Characteristics: Internal Temperature Sensor
    22. 6.22 Electrical Characteristics: TS1, TS2, TS3, TS4
    23. 6.23 Electrical Characteristics: PTC, PTCEN
    24. 6.24 Electrical Characteristics: Internal 1.8-V LDO
    25. 6.25 Electrical Characteristics: High-Frequency Oscillator
    26. 6.26 Electrical Characteristics: Low-Frequency Oscillator
    27. 6.27 Electrical Characteristics: Voltage Reference 1
    28. 6.28 Electrical Characteristics: Voltage Reference 2
    29. 6.29 Electrical Characteristics: Instruction Flash
    30. 6.30 Electrical Characteristics: Data Flash
    31. 6.31 Electrical Characteristics: OCD, SCC, SCD1, SCD2 Current Protection Thresholds
    32. 6.32 Timing Requirements: OCD, SCC, SCD1, SCD2 Current Protection Timing
    33. 6.33 Timing Requirements: SMBus
    34. 6.34 Timing Requirements: SMBus XL
    35. 6.35 Typical Characteristics
  7. Detailed Description
    1. 7.1 Overview
    2. 7.2 Functional Block Diagram
    3. 7.3 Feature Description
      1. 7.3.1  Primary (1st Level) Safety Features
      2. 7.3.2  Secondary (2nd Level) Safety Features
      3. 7.3.3  Charge Control Features
      4. 7.3.4  Gas Gauging
      5. 7.3.5  Configuration
        1. 7.3.5.1 Oscillator Function
        2. 7.3.5.2 System Present Operation
        3. 7.3.5.3 Emergency Shutdown
        4. 7.3.5.4 1-Series, 2-Series, 3-Series, or 4-Series Cell Configuration
        5. 7.3.5.5 Cell Balancing
      6. 7.3.6  Battery Parameter Measurements
        1. 7.3.6.1 Charge and Discharge Counting
      7. 7.3.7  Battery Trip Point (BTP)
      8. 7.3.8  Lifetime Data Logging Features
      9. 7.3.9  Authentication
      10. 7.3.10 LED Display
      11. 7.3.11 Voltage
      12. 7.3.12 Current
      13. 7.3.13 Temperature
      14. 7.3.14 Communications
        1. 7.3.14.1 SMBus On and Off State
        2. 7.3.14.2 SBS Commands
    4. 7.4 Device Functional Modes
  8. Applications and Implementation
    1. 8.1 Application Information
    2. 8.2 Typical Applications
      1. 8.2.1 Design Requirements
      2. 8.2.2 Detailed Design Procedure
        1. 8.2.2.1 High-Current Path
          1. 8.2.2.1.1 Protection FETs
          2. 8.2.2.1.2 Chemical Fuse
          3. 8.2.2.1.3 Lithium-Ion Cell Connections
          4. 8.2.2.1.4 Sense Resistor
          5. 8.2.2.1.5 ESD Mitigation
        2. 8.2.2.2 Gas Gauge Circuit
          1. 8.2.2.2.1 Coulomb-Counting Interface
          2. 8.2.2.2.2 Power Supply Decoupling and PBI
          3. 8.2.2.2.3 System Present
          4. 8.2.2.2.4 SMBus Communication
          5. 8.2.2.2.5 FUSE Circuitry
        3. 8.2.2.3 Secondary-Current Protection
          1. 8.2.2.3.1 Cell and Battery Inputs
          2. 8.2.2.3.2 External Cell Balancing
          3. 8.2.2.3.3 PACK and FET Control
          4. 8.2.2.3.4 Temperature Output
          5. 8.2.2.3.5 LEDs
          6. 8.2.2.3.6 Safety PTC Thermistor
      3. 8.2.3 Application Curves
  9. Power Supply Recommendations
  10. 10Layout
    1. 10.1 Layout Guidelines
      1. 10.1.1 Protector FET Bypass and Pack Terminal Bypass Capacitors
      2. 10.1.2 ESD Spark Gap
    2. 10.2 Layout Example
  11. 11Device and Documentation Support
    1. 11.1 Documentation Support
      1. 11.1.1 Related Documentation
    2. 11.2 Community Resources
    3. 11.3 Trademarks
    4. 11.4 Electrostatic Discharge Caution
    5. 11.5 Glossary
  12. 12Mechanical, Packaging, and Orderable Information

Package Options

Mechanical Data (Package|Pins)
Thermal pad, mechanical data (Package|Pins)
Orderable Information

Detailed Description

Overview

The bq4050 device, incorporating Compensated End-of-Discharge Voltage (CEDV) technology, provides cell balancing while charging or at rest. This fully integrated, single-chip, pack-based solution, including a diagnostic lifetime data monitor and black box recorder, provides a rich array of features for gas gauging, protection, and authentication for 1-series, 2-series, 3-series, and 4-series cell Li-Ion and Li-Polymer battery packs.

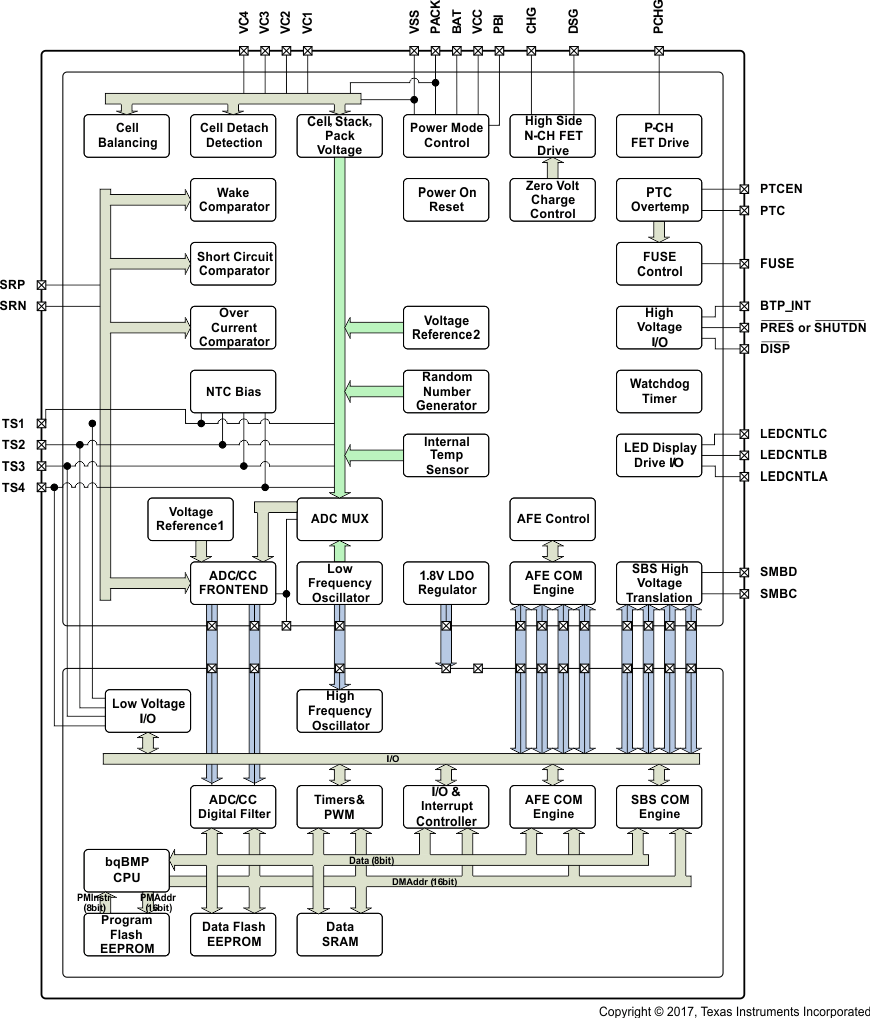
Functional Block Diagram

bq4050 Block.gif

Feature Description

Primary (1st Level) Safety Features

The bq4050 gas gauge supports a wide range of battery and system protection features that can easily be configured. See the bq4050 Technical Reference Manual (SLUUAQ3) for detailed descriptions of each protection function.

The primary safety features include:

  • Cell Overvoltage Protection
  • Cell Undervoltage Protection
  • Overcurrent in Charge Protection
  • Overcurrent in Discharge Protection
  • Overload in Discharge Protection
  • Short Circuit in Charge Protection
  • Short Circuit in Discharge Protection
  • Overtemperature in Charge Protection
  • Overtemperature in Discharge Protection
  • Undertemperature in Charge Protection
  • Undertemperature in Discharge Protection
  • Overtemperature FET protection
  • Precharge Timeout Protection
  • Host Watchdog Timeout Protection
  • Overcharge Protection
  • Overcharging Voltage Protection
  • Overcharging Current Protection
  • Over Precharge Current Protection

Secondary (2nd Level) Safety Features

The secondary safety features of the bq4050 gas gauge can be used to indicate more serious faults via the FUSE pin. This pin can be used to blow an in-line fuse to permanently disable the battery pack from charging or discharging. See the bq4050 Technical Reference Manual (SLUUAQ3) for detailed descriptions of each protection function.

The secondary safety features provide protection against:

  • Safety Overvoltage Permanent Failure
  • Safety Undervoltage Permanent Failure
  • Safety Overtemperature Permanent Failure
  • Safety FET Overtemperature Permanent Failure
  • Fuse Failure Permanent Failure
  • PTC Permanent Failure
  • Voltage Imbalance at Rest (VIMR) Permanent Failure
  • Voltage Imbalance Active (VIMA) Permanent Failure
  • Charge FET Permanent Failure
  • Discharge FET Permanent Failure
  • AFE Register Permanent Failure
  • AFE Communication Permanent Failure
  • Second Level Protector Permanent Failure
  • Instruction Flash Checksum Permanent Failure
  • Open Cell Connection Permanent Failure
  • Data Flash Permanent Failure
  • Open Thermistor Permanent Failure

Charge Control Features

The bq4050 gas gauge charge control features include:

  • Supports JEITA temperature ranges. Reports charging voltage and charging current according to the active temperature range
  • Handles more complex charging profiles. Allows for splitting the standard temperature range into two subranges and allows for varying the charging current according to the cell voltage
  • Reports the appropriate charging current needed for constant current charging and the appropriate charging voltage needed for constant voltage charging to a smart charger using SMBus broadcasts
  • Reduces the charge difference of the battery cells in fully charged state of the battery pack gradually using a voltage-based cell balancing algorithm during charging. A voltage threshold can be set up for cell balancing to be active. This prevents fully charged cells from overcharging and causing excessive degradation and also increases the usable pack energy by preventing premature charge termination.
  • Supports precharging/0-volt charging
  • Supports charge inhibit and charge suspend if the battery pack temperature is out of temperature range
  • Reports charging fault and also indicates charge status via charge and discharge alarms

Gas Gauging

The bq4050 gas gauge uses the Compensated End-of-Discharge Voltage (CEDV) algorithm to measure and calculate the available capacity in battery cells. The bq4050 device accumulates a measure of charge and discharge currents, estimates self-discharge of the battery, and adjusts the self-discharge estimation based on temperature. See the bq4050 Technical Reference Manual (SLUUAQ3) for further details.

Configuration

Oscillator Function

The bq4050 gas gauge fully integrates the system oscillators and does not require any external components to support this feature.

System Present Operation

The bq4050 gas gauge checks the PRES pin periodically (1 s). If PRES input is pulled to ground by the external system, the bq4050 device detects this as system present.

Emergency Shutdown

For battery maintenance, the emergency shutdown feature enables a push button action connecting the SHUTDN pin to shut down an embedded battery pack system before removing the battery. A high-to-low transition of the SHUTDN pin signals the bq4050 gas gauge to turn off the CHG and DSG FETs, disconnecting the power from the system to safely remove the battery pack. The CHG and DSG FETs can be turned on again by another high-to-low transition detected by the SHUTDN pin or when a data flash configurable timeout is reached.

1-Series, 2-Series, 3-Series, or 4-Series Cell Configuration

In a 1-series cell configuration, VC4 is shorted to VC, VC2, and VC1. In a 2-series cell configuration, VC4 is shorted to VC3 and VC2. In a 3-series cell configuration, VC4 is shorted to VC3.

Cell Balancing

The device reduces the charge difference of the battery cells in a fully charged state of the battery pack by gradually using a voltage-based cell balancing algorithm during charging. A voltage threshold can be set up for cell balancing to be active. This prevents fully charged cells from overcharging and causing excessive degradation, and increases the usable pack energy by preventing premature charge termination.

Battery Parameter Measurements

Charge and Discharge Counting

The bq4050 gas gauge uses an integrating delta-sigma analog-to-digital converter (ADC) for current measurement, and a second delta-sigma ADC for individual cell and battery voltage and temperature measurement.

The integrating delta-sigma ADC measures the charge/discharge flow of the battery by measuring the voltage drop across a small-value sense resistor between the SRP and SRN terminals. The integrating ADC measures bipolar signals from –0.1 V to 0.1 V. The bq4050 gauge detects charge activity when VSR = V(SRP) – V(SRN) is positive, and discharge activity when VSR = V(SRP) – V(SRN) is negative. The bq4050 gas gauge continuously integrates the signal over time, using an internal counter. The fundamental rate of the counter is 0.26 nVh.

Battery Trip Point (BTP)

Required for WIN8 OS, the battery trip point (BTP) feature indicates when the RSOC of a battery pack has depleted to a certain value set in a DF register. This feature enables a host to program two capacity-based thresholds that govern the triggering of a BTP interrupt on the BTP_INT pin and the setting or clearing of the OperationStatus[BTP_INT] on the basis of RemainingCapacity().

An internal weak pullup is applied when the BTP feature is active. Depending on the system design, an external pullup may be required to put on the BTP_INT pin. See Electrical Characteristics: PRES, BTP_INT, DISP for details.

Lifetime Data Logging Features

The bq4050 gas gauge offers lifetime data logging for several critical battery parameters. The following parameters are updated every 10 hours if a difference is detected between values in RAM and data flash:

  • Maximum and Minimum Cell Voltages
  • Maximum Delta Cell Voltage
  • Maximum Charge Current
  • Maximum Discharge Current
  • Maximum Average Discharge Current
  • Maximum Average Discharge Power
  • Maximum and Minimum Cell Temperature
  • Maximum Delta Cell Temperature
  • Maximum and Minimum Internal Sensor Temperature
  • Maximum FET Temperature
  • Number of Safety Events Occurrences and the Last Cycle of the Occurrence
  • Number of Valid Charge Termination and the Last Cycle of the Valid Charge Termination
  • Number of Shutdown Events
  • Cell Balancing Time for Each Cell
  • (This data is updated every 2 hours if a difference is detected.)

  • Total FW Runtime and Time Spent in Each Temperature Range
  • (This data is updated every 2 hours if a difference is detected.)

Authentication

The bq4050 gas gauge supports authentication by the host using SHA-1.

LED Display

The bq4050 gas gauge can drive a 3-, 4-, or 5- segment LED display for remaining capacity indication and/or a permanent fail (PF) error code indication.

Voltage

The bq4050 gas gauge updates the individual series cell voltages at 0.25-s intervals. The internal ADC of the bq4050 device measures the voltage, and scales and calibrates it appropriately. This data is also used to calculate the impedance of the cell for the CEDV gas gauging.

Current

The bq4050 gas gauge uses the SRP and SRN inputs to measure and calculate the battery charge and discharge current using a 1-mΩ to 3-mΩ typ. sense resistor.

Temperature

The bq4050 gas gauge has an internal temperature sensor and inputs for four external temperature sensors. All five temperature sensor options can be individually enabled and configured for cell or FET temperature usage. Two configurable thermistor models are provided to enable monitoring of the cell temperature in addition to the FET temperature, which use a different thermistor profile.

Communications

The bq4050 gas gauge uses SMBus v1.1 with MASTER mode and packet error checking (PEC) options per the SBS specification.

SMBus On and Off State

The bq4050 gas gauge detects an SMBus off state when SMBC and SMBD are low for two or more seconds. Clearing this state requires that either SMBC or SMBD transition high. The communication bus will resume activity within 1 ms.

SBS Commands

See the bq4050 Technical Reference Manual (SLUUAQ3) for further details.

Device Functional Modes

The bq4050 gas gauge supports three power modes to reduce power consumption:

  • In NORMAL mode, the bq4050 gauge performs measurements, calculations, protection decisions, and data updates in 250-ms intervals. Between these intervals, the bq4050 gauge is in a reduced power stage.
  • In SLEEP mode, the bq4050 gauge performs measurements, calculations, protection decisions, and data updates in adjustable time intervals. Between these intervals, the bq4050 gauge is in a reduced power stage. The bq4050 gauge has a wake function that enables exit from SLEEP mode when current flow or failure is detected.
  • In SHUTDOWN mode, the bq4050 gauge is completely disabled.