SCHS155E November   1998  – May 2024 CD54HC164 , CD54HCT164 , CD74HC164 , CD74HCT164

PRODUCTION DATA  

  1.   1
  2. Features
  3. Description
  4. Pin Configuration and Functions
  5. Specifications
    1. 4.1 Absolute Maximum Ratings
    2. 4.2 Recommended Operating Conditions
    3. 4.3 Thermal Information
    4. 4.4 Electrical Characteristics
    5. 4.5 Prerequisite for Switching Characteristics
    6. 4.6 Switching Characteristics
  6. Parameter Measurement Information
  7. Detailed Description
    1. 6.1 Overview
    2. 6.2 Functional Block Diagram
    3. 6.3 Device Functional Modes
  8. Power Supply Recommendations
  9. Layout
    1. 8.1 Layout Guidelines
  10. Device and Documentation Support
    1. 9.1 Documentation Support
    2. 9.2 Receiving Notification of Documentation Updates
    3. 9.3 Support Resources
    4. 9.4 Trademarks
    5. 9.5 Electrostatic Discharge Caution
    6. 9.6 Glossary
  11. 10Revision History
  12. 11Mechanical, Packaging, and Orderable Information

Package Options

Refer to the PDF data sheet for device specific package drawings

Mechanical Data (Package|Pins)
  • D|14
  • N|14
Thermal pad, mechanical data (Package|Pins)
Orderable Information

Parameter Measurement Information

Phase relationships between waveforms were chosen arbitrarily. All input pulses are supplied by generators having the following characteristics: PRR ≤ 1MHz, ZO = 50Ω, tt < 6ns.

For clock inputs, fmax is measured when the input duty cycle is 50%.

The outputs are measured one at a time with one input transition per measurement.

CD54HC164 CD74HC164 CD54HCT164 CD74HCT164 Voltage Waveforms,
                        Standard CMOS Inputs Pulse DurationFigure 5-1 Voltage Waveforms, Standard CMOS Inputs Pulse Duration
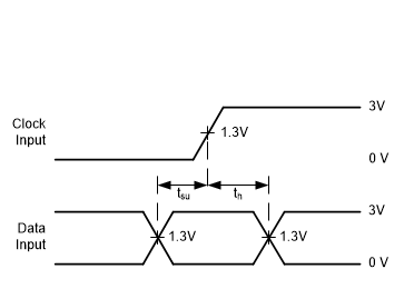
CD54HC164 CD74HC164 CD54HCT164 CD74HCT164 Voltage Waveforms,
                        Standard CMOS Inputs Setup and Hold TimesFigure 5-2 Voltage Waveforms, Standard CMOS Inputs Setup and Hold Times
CD54HC164 CD74HC164 CD54HCT164 CD74HCT164 Voltage Waveforms,
                        TTL-Compatible CMOS Inputs Pulse DurationFigure 5-3 Voltage Waveforms, TTL-Compatible CMOS Inputs Pulse Duration
CD54HC164 CD74HC164 CD54HCT164 CD74HCT164 Voltage Waveforms,
                        TTL-Compatible CMOS Inputs Setup and Hold TimesFigure 5-4 Voltage Waveforms, TTL-Compatible CMOS Inputs Setup and Hold Times