SCAS841D February   2007  – December 2016 CDCLVD110A

PRODUCTION DATA.  

  1. Features
  2. Applications
  3. Description
  4. Revision History
  5. Pin Configuration and Functions
  6. Specifications
    1. 6.1 Absolute Maximum Ratings
    2. 6.2 ESD Ratings
    3. 6.3 Recommended Operating Conditions
    4. 6.4 Thermal Information
    5. 6.5 Electrical Characteristics
    6. 6.6 Switching Characteristics: LVDS
    7. 6.7 Jitter Characteristics
    8. 6.8 Control Register Characteristics
    9. 6.9 Typical Characteristics
  7. Parameter Measurement Information
  8. Detailed Description
    1. 8.1 Overview
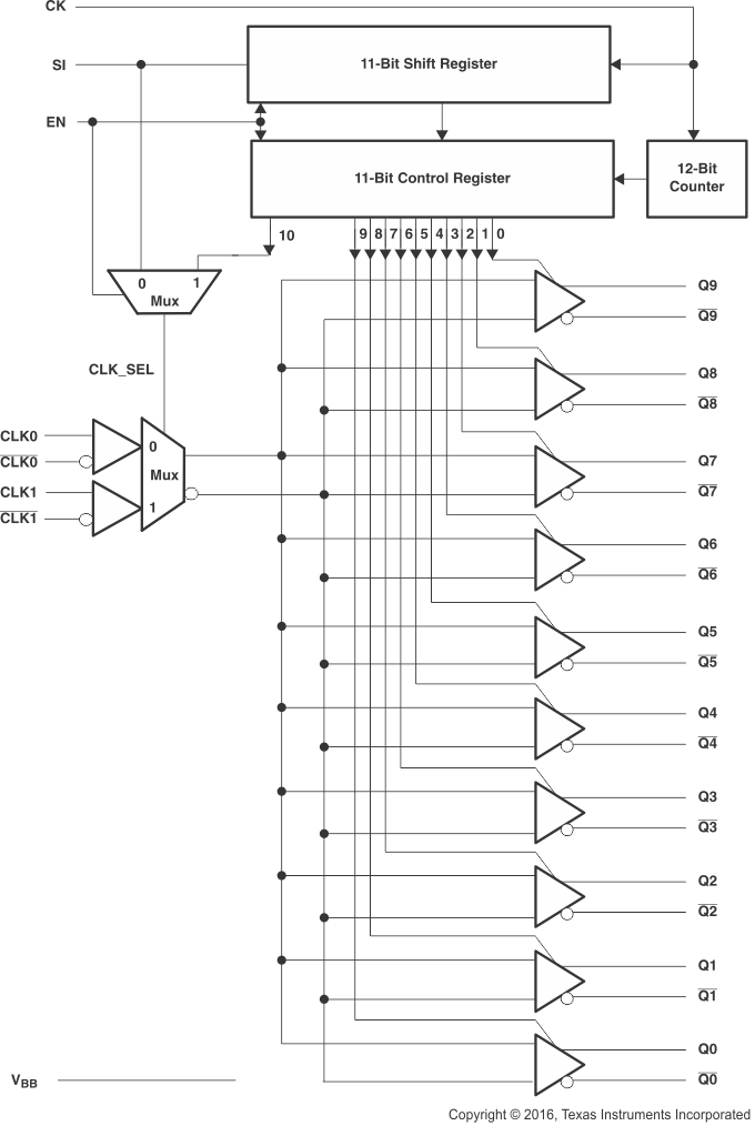
    2. 8.2 Functional Block Diagram
    3. 8.3 Feature Description
    4. 8.4 Device Functional Modes
      1. 8.4.1 Fail-Safe Information
      2. 8.4.2 LVDS Receiver Input Termination
      3. 8.4.3 Input Termination
      4. 8.4.4 LVDS Output Termination
      5. 8.4.5 Control Inputs Termination
    5. 8.5 Programming
      1. 8.5.1 Specification of Control Register
        1. 8.5.1.1 Programmable Mode (EN = 1)
        2. 8.5.1.2 Standard Mode (EN = 0)
    6. 8.6 Register Maps
      1. 8.6.1 Register Descriptions
  9. Application and Implementation
    1. 9.1 Application Information
    2. 9.2 Typical Application
      1. 9.2.1 Design Requirements
      2. 9.2.2 Detailed Design Procedure
      3. 9.2.3 Application Curves
  10. 10Power Supply Recommendations
    1. 10.1 Power Supply Filtering
  11. 11Layout
    1. 11.1 Layout Guidelines
    2. 11.2 Layout Example
    3. 11.3 Thermal Considerations
  12. 12Device and Documentation Support
    1. 12.1 Documentation Support
      1. 12.1.1 Related Documentation
    2. 12.2 Receiving Notification of Documentation Updates
    3. 12.3 Community Resources
    4. 12.4 Trademarks
    5. 12.5 Electrostatic Discharge Caution
    6. 12.6 Glossary
  13. 13Mechanical, Packaging, and Orderable Information

Package Options

Mechanical Data (Package|Pins)
Thermal pad, mechanical data (Package|Pins)
Orderable Information

Detailed Description

Overview

The CDCLVD110A LVDS drivers use CMOS transistors to control the output current. Therefore, proper biasing and termination are required to ensure correct operation of the device and to maximize signal integrity. The proper LVDS termination for signal integrity over two 50-Ω lines is 100 Ω between the outputs on the receiver end. Either DC-coupled termination or AC-coupled termination can be used for LVDS outputs. TI recommends placing a termination resistor close to the receiver. If the receiver is internally biased to a voltage different than the output common-mode voltage of the CDCLVD110A, AC-coupling must be used. If the LVDS receiver has internal 100-Ω termination, external termination must be omitted.

Functional Block Diagram

CDCLVD110A fbd2_cas841.gif

Feature Description

The two inputs of the CDCLVD110A are internally muxed together and can be selected trough the control pin. Unused inputs and outputs can be left floating to reduce overall component cost. Both AC- and DC-coupling schemes can be used with the CDCLVD110A to provide greater system flexibility.

Device Functional Modes

Table 1 lists the functional modes of the device.

Table 1. Truth Table For Control Logic

CK EN SI CLK0 CLK0 CLK1 CLK1 Q(0-9) Q(0-9)
L L L L H X X L H
L L L H L X X H L
L L L Open Open X X L H
L L H X X L H L H
L L H X X H L H L
L L H X X Open Open L H
All outputs enabled X = Don't care

Fail-Safe Information

For VDD = 0 V (power-down mode), the CDCLVD110A has fail-safe input and output pins. In power-on mode, fail-safe biasing at input pins can be accomplished with a 10-kΩ pullup resistor from CLK0 or CLK1 to VDD and a 10-kΩ pulldown resistor from CLK0 or CLK1 to GND.

LVDS Receiver Input Termination

The LVDS receiver inputs require 100-Ω termination resistors placed as close as possible across the input pins.

Input Termination

The CDCLVD110A inputs can be interfaced with LVDS, LVPECL, or LVCMOS drivers.

LVDS drivers can be connected to CDCLVD110A inputs with AC- and DC-coupling as shown in Figure 8 and Figure 9 (respectively).

CDCLVD110A LVDS_ac_clk_cas841.gif Figure 8. LVDS Clock Driver Connected to CDCLVD110A Input (AC-Coupled)
CDCLVD110A LVDS_dc_clk_cas841.gif Figure 9. LVDS Clock Driver Connected to CDCLVD110A Input (DC-Coupled)

Figure 10 shows how to connect LVPECL inputs to the CDCLVD110A. The series resistors are required to reduce the LVPECL signal swing if the signal swing is >1.6 VPP.

CDCLVD110A LVPECL_clk_dvr_cas841.gif Figure 10. LVPECL Clock Driver Connected to CDCLVD110A Input

Figure 11 illustrates how to couple a 2.5-V LVCMOS clock input to the CDCLVD110A directly. The series resistance, RS, must be placed close to the LVCMOS driver if required. 3.3-V LVCMOS clock input swing must be limited to VIH ≤ VCC.

CDCLVD110A LVCMOS_clk_dvr_cas841.gif Figure 11. 2.5-V LVCMOS Clock Driver Connected to CDCLVD110A Input

For unused input, TI recommends grounding both input pins (INP, INN) using 1-kΩ resistors.

LVDS Output Termination

Unused outputs can be left open without connecting any trace to the output pins.

The CDCLVD110A can be connected to LVDS receiver inputs with DC- and AC-coupling as shown in Figure 12 and Figure 13 (respectively).

CDCLVD110A DC_output_term_cas841.gif Figure 12. Output DC Termination
CDCLVD110A AC_output_term_cas841.gif Figure 13. Output AC Termination (With the Receiver Internally Biased)

Control Inputs Termination

No external termination is required. The CK control input has an internal 120-kΩ pullup resistor, while the SI– and EN–control inputs each have an internal 120-kΩ pulldown resistor. If the control pins are left open per the default, all outputs are enabled, CLK0 or CLK0 is selected, and the control register is disabled.

Programming

Specification of Control Register

The CDCLVD110A has an 11-bit, serial-in shift register and an 11-bit control register. The control Register enables or disables each output clock, and selects either CLK0 or CLK1 as the input clock. The CDCLVD110A has two modes of operation: Programmable Mode (EN = 1) and Standard Mode (EN = 0).

Programmable Mode (EN = 1)

The shift register uses a serial input (SI) and a clock input (CK). Once the shift register is loaded with 11 clock pulses, the 12th clock pulse loads the control register. The first bit (bit 0) on SI enables the Q9-Q9 output pair, and the 10th bit (bit 9) enables the Q0-Q0 pair. The 11th bit (bit 10) on SI selects either CLK0 or CLK1 as the input clock; a bit value of 0 selects CLK0, whereas a bit value of 1 selects CLK1. To restart the control register configuration, a reset of the state machine must be done with a clock pulse on CK (shift register clock input) and EN set to low. The control register can be configured only once after each reset.

Standard Mode (EN = 0)

In this mode, the CDCLVD110A is not programmable and all the clock outputs are enabled. The clock input (CLK0 or CLK1) is selected with the SI pin, as is shown in the table entitled control register.

Register Maps

Table 2. State-Machine Inputs

EN SI CK OUTPUT
L L X All outputs enabled, CLK0 selected, control register disabled, default state
L H X All outputs enabled, CLK1 selected, control register disabled
H L First stage stores L, other stage stores data of previous stage
H H First stage stores H, other stage stores data of previous stage
L X Reset of state machine, shift and control registers

Table 3. Control Registers

BIT 10 BITS [0-9] QN[0-9]
L H CLK0
H H CLK1
X L Outputs disabled

Register Descriptions

Table 1. Serial Input (SI) Sequence

BIT 10 BIT 9 BIT 8 BIT 7 BIT 6 BIT 5 BIT 4 BIT 3 BIT 2 BIT 1 BIT 0
CLK_SEL Q0 Q1 Q2 Q3 Q4 Q5 Q6 Q7 Q8 Q9