SCAS877F May   2009  – January 2016 CDCLVP1216

PRODUCTION DATA.  

  1. Features
  2. Applications
  3. Description
  4. Revision History
  5. Pin Configuration and Functions
  6. Specifications
    1. 6.1  Absolute Maximum Ratings
    2. 6.2  ESD Ratings
    3. 6.3  Recommended Operating Conditions
    4. 6.4  Thermal Information
    5. 6.5  Electrical Characteristics: LVCMOS Input
    6. 6.6  Electrical Characteristics: Differential Input
    7. 6.7  Electrical Characteristics: LVPECL Output, at VCC = 2.375 V to 2.625 V
    8. 6.8  Electrical Characteristics: LVPECL Output, at VCC = 3 V to 3.6 V
    9. 6.9  Timing Requirements, at VCC = 2.375 V to 2.625 V
    10. 6.10 Timing Requirements, at VCC = 3 V to 3.6 V
    11. 6.11 Pin Characteristics
    12. 6.12 Typical Characteristics
  7. Parameter Measurement Information
    1. 7.1 Test Configurations
  8. Detailed Description
    1. 8.1 Overview
    2. 8.2 Functional Block Diagram
    3. 8.3 Feature Description
    4. 8.4 Device Functional Modes
      1. 8.4.1 LVPECL Output Termination
      2. 8.4.2 Input Termination
  9. Applications and Implementation
    1. 9.1 Application Information
    2. 9.2 Typical Application
      1. 9.2.1 Design Requirements
      2. 9.2.2 Detailed Design Procedure
      3. 9.2.3 Application Curves
  10. 10Power Supply Recommendations
  11. 11Layout
    1. 11.1 Layout Guidelines
    2. 11.2 Layout Example
    3. 11.3 Thermal Considerations
  12. 12Device and Documentation Support
    1. 12.1 Documentation Support
      1. 12.1.1 Related Documentation
    2. 12.2 Community Resources
    3. 12.3 Trademarks
      1. 13.4 Glossary
    4. 12.4 Electrostatic Discharge Caution
    5. 12.5 Glossary
  13. 13Mechanical, Packaging, and Orderable Information
  14. 14Mechanical, Packaging, and Orderable Information

Package Options

Mechanical Data (Package|Pins)
Thermal pad, mechanical data (Package|Pins)
Orderable Information

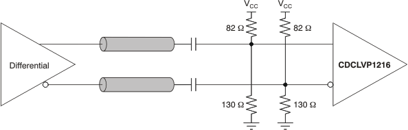
7 Parameter Measurement Information

7.1 Test Configurations

Figure 5 through Figure 11 show how the device should be set up for a variety of test configurations.

CDCLVP1216 ai_test_lvpecl_dc_in_cas877.gif Figure 5. DC-Coupled LVPECL Input During Device Test
CDCLVP1216 ai_test_lvcmos_dc_in_cas877.gif Figure 6. DC-Coupled LVCMOS Input During Device Test
CDCLVP1216 ai_vth_var_lvcmos_in_cas877.gif Figure 7. Vth Variation over LVCMOS Vth Levels
CDCLVP1216 ai_test_lvds_dc_in_cas877.gif Figure 8. DC-Coupled LVDS Input During Device Test
CDCLVP1216 ai_test_diff_ac_in_cas877.gif Figure 9. AC-Coupled Differential Input to Device
CDCLVP1216 ai_test_lvpecl_dc_out_cas877.gif Figure 10. LVPECL Output DC Configuration During Device Test
CDCLVP1216 ai_test_lvpecl_ac_out_cas877.gif Figure 11. LVPECL Output AC Configuration During Device Test