SLAS452E October   2020  – January 2021 DAC5652

PRODUCTION DATA  

  1. Features
  2. Applications
  3. Description
  4. Revision History
  5. Pin Configuration and Functions
  6. Specifications
    1. 6.1  Absolute Maximum Rationgs
    2. 6.2  ESD Ratings
    3. 6.3  Recommended Operating Conditions
    4. 6.4  Thermal Resistance Characteristics
    5. 6.5  Electrical Characteristics
    6. 6.6  Electrical Characteristics
    7. 6.7  Electrical Characteristics, AC
    8. 6.8  Electrical Characteristics, DC
    9. 6.9  Switching Characteristics
    10. 6.10 Typical Characteristics
  7. Parameter Measurement Information
    1. 7.1 Digital Inputs and Timing
      1. 7.1.1 Digital Inputs
      2. 7.1.2 Input Interfaces
      3. 7.1.3 Dual-Bus Data Interface and Timing
      4. 7.1.4 Single-Bus Interleaved Data Interface and Timing
  8. Detailed Description
    1. 8.1 Overview
    2. 8.2 Functional Block Diagram
    3. 8.3 Feature Description
      1. 8.3.1 DAC Transfer Function
      2. 8.3.2 Analog Outputs
      3. 8.3.3 Output Configurations
      4. 8.3.4 Differential With Transformer
      5. 8.3.5 Single-Ended Configuration
      6. 8.3.6 Reference Operation
        1. 8.3.6.1 Internal Reference
        2. 8.3.6.2 External Reference
      7. 8.3.7 Gain Setting Option
    4. 8.4 Device Functional Modes
      1. 8.4.1 Sleep Mode
  9. Application Information Disclaimer
    1. 9.1 Application Informmation
    2. 9.2 Typical Application
      1. 9.2.1 Design Requirements
      2. 9.2.2 Detailed Design Procedure
      3. 9.2.3 Application Performance Plots
  10. 10Power Supply Recommendations
  11. 11Layout
    1. 11.1 Layout Guidelines
    2. 11.2 Layout Example
  12. 12Device and Documentation Support
    1. 12.1 Documentation Support
      1. 12.1.1 Related Documentation
    2. 12.2 Receiving Notification of Documentation Updates
    3. 12.3 Support Resources
    4. 12.4 Trademarks
    5. 12.5 Electrostatic Discharge Caution
    6. 12.6 Glossary
  13. 13Mechanical, Packaging, and Orderable Information

Package Options

Mechanical Data (Package|Pins)
Thermal pad, mechanical data (Package|Pins)
Orderable Information

Digital Inputs

The data input ports of the DAC5652 accept a standard positive coding with data bits DA9 and DB9 being the most significant bits (MSB). The converter outputs support a clock rate of up to 275 MSPS. The best performance is typically achieved with a symmetric duty cycle for write and clock; however, the duty cycle may vary as long as the timing specifications are met. Similarly, the setup and hold times may be chosen within their specified limits.

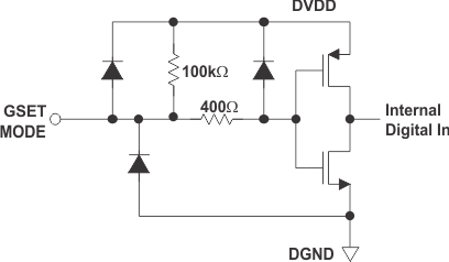
All digital inputs of the DAC5652 are CMOS compatible. Figure 7-1 and Figure 7-2 show schematics of the equivalent CMOS digital inputs of the DAC5652. The pullup and pulldown circuitry is approximately equivalent to 100kΩ.The 10-bit digital data input follows the offset positive binary coding scheme. The DAC5652 is designed to operate with a digital supply (DVDD) of 3 V to 3.6 V.

GUID-574B9C0D-A93A-45AA-A46F-DF7BE6C237DC-low.gifFigure 7-1 CMOS/TTL Digital Equivalent Input With Internal Pulldown Resistor
GUID-88EAF319-8840-4B74-AA2C-AE5B087AB6DD-low.gifFigure 7-2 CMOS/TTL Digital Equivalent Input With Internal Pullup Resistor