SBAS368D May   2006  â€“ December 2016 DDC264

PRODUCTION DATA.  

  1. Features
  2. Applications
  3. Description
  4. Revision History
  5. Device Comparison Table
  6. Pin Configuration and Functions
  7. Specifications
    1. 7.1 Absolute Maximum Ratings
    2. 7.2 ESD Ratings
    3. 7.3 Recommended Operating Conditions
    4. 7.4 Thermal Information
    5. 7.5 Electrical Characteristics
    6. 7.6 Typical Characteristics
  8. Detailed Description
    1. 8.1 Overview
    2. 8.2 Functional Block Diagram
    3. 8.3 Feature Description
      1. 8.3.1 Dual Switched Integrator: Basic Integration Cycle
      2. 8.3.2 Integration Capacitors
      3. 8.3.3 Voltage Reference
      4. 8.3.4 Serial Data Output and Control Interface
        1. 8.3.4.1 System and Data Clocks (CLK and DCLK)
        2. 8.3.4.2 CONV: Setting the Integration Time
        3. 8.3.4.3 Data Valid (DVALID)
        4. 8.3.4.4 Data Format
        5. 8.3.4.5 Data Retrieval
          1. 8.3.4.5.1 Cascading Multiple Converters
          2. 8.3.4.5.2 Retrieval Before CONV Toggles
          3. 8.3.4.5.3 Retrieval After CONV Toggles
          4. 8.3.4.5.4 Retrieval Before and After CONV Toggles
    4. 8.4 Device Functional Modes
    5. 8.5 Programming
      1. 8.5.1 Reset (RESET)
      2. 8.5.2 Configuration Register — Read and Write Operations
    6. 8.6 Register Maps
  9. Application and Implementation
    1. 9.1 Application Information
    2. 9.2 Typical Application
      1. 9.2.1 Design Requirements
      2. 9.2.2 Detailed Design Procedure
        1. 9.2.2.1 Input Connection
        2. 9.2.2.2 Selecting Integration Time, Device Clock, and Range
        3. 9.2.2.3 Voltage Reference
        4. 9.2.2.4 Reading the Measurement
      3. 9.2.3 Application Curve
  10. 10Power Supply Recommendations
    1. 10.1 Power-Up Sequencing
    2. 10.2 Power Supplies and Grounding
  11. 11Layout
    1. 11.1 Layout Guidelines
      1. 11.1.1 Shielding Analog Signal Paths
      2. 11.1.2 Power Supply Routing
      3. 11.1.3 Reference Routing
    2. 11.2 Layout Example
  12. 12Device and Documentation Support
    1. 12.1 Receiving Notification of Documentation Updates
    2. 12.2 Community Resources
    3. 12.3 Trademarks
    4. 12.4 Electrostatic Discharge Caution
    5. 12.5 Glossary
  13. 13Mechanical, Packaging, and Orderable Information

Package Options

Mechanical Data (Package|Pins)
Thermal pad, mechanical data (Package|Pins)
Orderable Information

Detailed Description

Overview

The DDC264 contains 64 identical input channels (see Functional Block Diagram) that perform the function of current-to-voltage integration followed by a multiplexed A/D conversion. Each input has two integrators (see Figure 18) so that the current-to-voltage integration can be continuous in time. The DDC264 continuously integrates the input signal by switching integrations between side A and side B.

For example, while side A integrates the input signal, the side B outputs are digitized by the onboard ADC. This integration and A/D conversion process is controlled by the convert pin, CONV. The results from side A and side B of each signal input are stored in a serial output shift register. The DVALID output goes low when the shift register data are ready to be retrieved.

DDC264 ai_basic_config_bas368.gif Figure 18. Dual Switched Integrator Architecture

Figure 19 shows a few integration cycles beginning after the device has been powered up, reset, and the Configuration Register has been programmed. The top signal is CONV and is supplied by the user. The integration status trace indicates which side is integrating. The output digital interface of the DDC264 sends the digital results through a synchronous serial interface that consists of a data clock (DCLK), a valid data pin (DVALID), a serial data output pin (DOUT), and a serial data input pin (DIN). As described above, DVALID goes active low when data are ready to be retrieved from the DDC264. It stays low until DCLK is taken high and then back low by the user. The text below the DVALID pulse indicates the side of the data available to be read. The arrow is used to match the data to the corresponding integration. Table 2 shows the timing specifications for Figure 19.

DDC264 ai_tim_integration_seq_slase24.gif Figure 19. Integration Sequence Timing

Table 2. Timing Requirements for Integration Sequence Timing

MIN TYP MAX UNIT
tINT Integration time DDC264C(1) 320 1,000,000 µs
DDC264CK(2) 160
tDR Time until data ready DDC264C(1) 276.4 ±0.4 µs
DDC264CK(2) 138.2 ±0.2
Internal clock frequency = 5 MHz
Internal clock frequency = 10 MHz

Finally, a second set of digital signals (DIN_CFG and CLK_CFG pins, see Configuration Register — Read and Write Operations) is used to configure the DDC264 by addressing a dedicated register.

Functional Block Diagram

DDC264 fp_circuit_slase24.gif

Feature Description

Dual Switched Integrator: Basic Integration Cycle

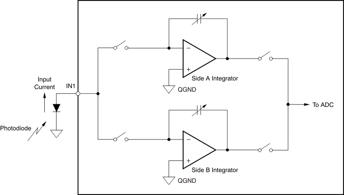
The topology of the front end of the DDC264 is an analog integrator as shown in Figure 20. In this diagram, only input IN1 is shown. The input stage consists of an operational amplifier, a selectable feedback capacitor network (CF), and several switches that implement the integration cycle. The timing relationships of all of the switches shown in Figure 20 are illustrated in Figure 21. Figure 21 conceptualizes the operation of the integrator input stage of the DDC264 and must not be used as an exact timing tool for design.

See Figure 22 for the block diagrams of the reset, integrate, wait, and convert states of the integrator section of the DDC264. This internal switching network is controlled externally with the convert pin (CONV) and the system clock (CLK). For the best noise performance, CONV must be synchronized with the falling edge of CLK. TI recommends toggling CONV within ±10 ns of the falling edge of CLK.

The noninverting inputs of the integrators are connected to the QGND pin. Consequently, the DDC264 analog ground, QGND, must be as clean as possible. In Figure 20, the feedback capacitors (CF) are shown in parallel between the inverting input and output of the operational amplifier. At the beginning of a conversion, the switches SA/D, SINTA, SINTB, SREF1, SREF2, and SRESET are set (see Figure 21).

At the completion of an A/D conversion, the charge on the integration capacitor (CF) is reset with SREF1 and SRESET (see Figure 21 and Figure 22a). This process is done during reset. In this manner, the selected capacitor is charged to the reference voltage, VREF. Once the integration capacitor is charged, SREF1 and SRESET are switched so that VREF is no longer connected to the amplifier circuit while it waits to begin integrating (see Figure 22b). With the rising edge of CONV, SINTA closes, which begins the integration of side A. This process puts the integrator stage into its integrate mode (see Figure 22c).

Charge from the input signal is collected on the integration capacitor, causing the voltage output of the amplifier to decrease. The falling edge of CONV stops the integration by switching the input signal from side A to side B (SINTA and SINTB). Prior to the falling edge of CONV, the signal on side B was converted by the A/D converter and reset during the time that side A was integrating. With the falling edge of CONV, side B starts integrating the input signal. At this point, the output voltage of the side A operational amplifier is presented to the input of the A/D converter (see Figure 22d).

A special elecrostatic discharge (ESD) structure protects the inputs but does not increase current leakage on the input pins.

DDC264 ai_input1_config_bas368.gif Figure 20. Basic Integration Configuration
DDC264 ai_tim_integration_slase24.gif Figure 21. Integration Timing (see Figure 20)
DDC264 ai_four_configs_slase24.gif Figure 22. Four Configurations of the Front-End Integrators

Integration Capacitors

There are four different capacitor configurations available on-chip for both sides of every channel in the DDC264. These internal capacitors are trimmed in production to achieve the specified performance for range error of the DDC264. The range control bits (Range[1:0]) set the capacitor value for all integrators. Consequently, all inputs and both sides of each input always have the same full-scale range. Table 3 shows the capacitor value selected for each range selection.

Table 3. Range Selection

RANGE RANGE CONTROL BITS CF INPUT RANGE
Range[1] Range[0]
0 0 0 3 pF –0.04 to 12.5 pC
1 0 1 12.5 pF –0.2 to 50 pC
2 1 0 25 pF –0.4 to 100 pC
3 1 1 37.5 pF –0.6 to 150 pC

Voltage Reference

The external voltage reference is used to reset the integration capacitors before an integration cycle begins. It is also used by the A/D converter while the converter is measuring the voltage stored on the integrators after an integration cycle ends. During this sampling, the external reference must supply the charge required by the A/D converter. For an integration time of 333 µs, this charge translates to an average VREF current of approximately 825 µA. The amount of charge required by the A/D converter is independent of the integration time; therefore, increasing the integration time lowers the average current. For example, an integration time of 800 µs lowers the average VREF current to 340 µA.

Serial Data Output and Control Interface

System and Data Clocks (CLK and DCLK)

The device internal clock is derived directly or after a divide by 4 from the CLK input (see Bit[13] in the configuration register). TI recommends driving the CLK pin with a free-running clock source (that is, do not start and stop CLK between conversions). Make sure the clock signals are clean—avoid overshoot or ringing.

As explained in Overview, DCLK is used to read out the data (more details in the following sections). For best performance, generate CLK and DCLK clocks from the same clock source. Disable DCLK by taking it low after the data have been shifted out and while CONV is transitioning.

When using multiple DDC264 devices, pay close attention to the DCLK distribution on the printed-circuit board (PCB). In particular, make sure to minimize skew in the DCLK signal because this can lead to timing violations in the serial interface specifications. See Cascading Multiple Converters for more details.

CONV: Setting the Integration Time

As explained in Overview, one integration cycle happens between two consecutive CONV signal edges. For the best noise performance, CONV must be synchronized with the falling edge of CLK. TI recommends toggling CONV within ±10 ns of the falling edge of CLK.

The minimum tINT for the DDC264 scales directly with the internal clock frequency. With an internal clock frequency of 10 MHz, the minimum time is 160 μs, which is achieved with the right register settings (see Configuration Register — Read and Write Operations for more details). If the minimum integration time is violated, the DDC264 stops continuously integrating the input signal. To return to normal operation (that is, continuous integration) after a violation of the minimum tINT specification, perform three integrations that each last for a minimum of 5000 internal clock periods. In other words, integrate three times with each integration lasting for at least 1 ms when using an internal clock frequency of 5 MHz. During this time, ignore the DVALID pin. Once the three integrations complete, normal continuous operation resumes, and data can be retrieved.

Data Valid (DVALID)

The DVALID signal indicates that data are ready to be read. Data retrieval may begin after DVALID goes low. This signal is generated using an internal clock divided down from the system clock, CLK. The phase relationship between this internal clock and CLK is set when power is first applied and is random. Because the user must synchronize CONV with CLK, the DVALID signal has a random phase relationship with CONV. This uncertainty is ±1/fCLK. Polling DVALID eliminates any concern about this relationship. If the data readback is timed from CONV, make sure to wait for the required amount of time. The data stored internally is lost if not read before the next DVALID.

Data Format

The serial output data are provided in an offset binary code as shown in Table 4. The format bit in the configuration register selects how many bits are used in the output word. When format = 1, 20 bits are used. When format = 0, the lower four bits are truncated so that only 16 bits are used. Note that the LSB size is 16 times bigger when format = 0. An offset is included in the output to allow slightly negative inputs (for example, from board leakages) from clipping the reading. This offset is approximately 0.4% of the positive full-scale.

Table 4. Ideal Output Code vs Input Signal(1)

INPUT SIGNAL IDEAL OUTPUT CODE FORMAT = 1 IDEAL OUTPUT CODE FORMAT = 0
≥ 100% FS 1111 1111 1111 1111 1111 1111 1111 1111 1111
0.001531% FS 0000 0001 0000 0001 0000 0000 0001 0000 0001
0.001436% FS 0000 0001 0000 0000 1111 0000 0001 0000 0000
0.000191% FS 0000 0001 0000 0000 0010 0000 0001 0000 0000
0.000096% FS 0000 0001 0000 0000 0001 0000 0001 0000 0000
0% FS 0000 0001 0000 0000 0000 0000 0001 0000 0000
–0.3955% FS 0000 0000 0000 0000 0000 0000 0000 0000 0000
Excludes the effects of noise, INL, offset, and gain errors.

Data Retrieval

The data from the last conversion are available for retrieval on the falling edge of DVALID (see Figure 23 and Table 5). Data are shifted out on the falling edge of the data clock, DCLK.

Make sure not to retrieve data around changes in CONV because this change can introduce noise. Stop activity on DCLK at least 2 µs before or after a CONV transition.

Setting the format bit = 0 (16-bit output word) reduces the time required to retrieve data by 20% because there are fewer bits to shift out. This technique can be useful in multichannel systems requiring only 16 bits of resolution.

DDC264 ai_tim_digi_iface_bas368.gif Figure 23. Digital Interface Timing Diagram for Data Retrieval From a Single DDC264

Table 5. Timing for DDC264 Data Retrieval

MIN TYP MAX UNIT
tPDCDV Propagation delay from falling edge of CLK to DVALID Low 10 ns
tPDDCDV Propagation delay from falling edge of DCLK to DVALID High 5 ns
tHDDODV Hold time that DOUT is valid before the falling edge of DVALID 400 ns
tHDDODC Hold time that DOUT is valid after falling edge of DCLK 4 ns
tPDDCDO Propagation delay from falling edge of DCLK to valid DOUT 25 ns

Cascading Multiple Converters

Multiple DDC264 devices can be connected in a serial configuration; see Figure 24.

DOUT can be used with DIN to daisy-chain multiple DDC264 devices together to minimize wiring. In this mode of operation, the serial data output is shifted through multiple DDC264s; see Figure 24.

Figure 25 shows the timing diagram when the DIN input is used to daisy-chain several devices. Table 6 gives the timing specification for data retrieval using DIN.

DDC264 ai_daisy_chain_bas368.gif Figure 24. Daisy-Chained DDC264s
DDC264 ai_tim_din_bas368.gif Figure 25. Timing Diagram When Using DDC264 DIN Function

Table 6. Timing for DDC264 Data Retrieval Using DIN

MIN TYP MAX UNIT
tSTDIDC Setup time from DIN to falling edge of DCLK 10 ns
tHDDIDC Hold time for DIN after falling edge of DCLK 10 ns

Retrieval Before CONV Toggles

In this method, data retrieval begins soon after DVALID goes low and finishes before CONV toggles, as shown in Figure 26. For best performance, data retrieval must stop tSDCV before CONV toggles. This method is most appropriate for longer integration times and yields the best performance results as the output interface toggling noise does not interfere with the ADC conversion operation. The maximum time available for readback is
tINT – tCMDR – tSDCV. The maximum number of DDC264s that can be daisy-chained together (format = 1) is calculated by Equation 1.

Equation 1. DDC264 q_tint_bef_conv_bas368.gif
Note: (16 × 64)τDCLK is used for format = 0, where τDCLK is the period of the data clock

For example, if tINT = 1000 µs and DCLK = 20 MHz, the maximum number of DDC264s with format = 1 is shown in Equation 2.

Equation 2. DDC264 q_1000us_bas368.gif
or 14 DDC264s for format = 0
DDC264 ai_tim_bef_conv_bas368.gif Figure 26. Readback Before CONV Toggles

Table 7. Timing for Readback

MIN TYP MAX UNIT
tSDCV Data retrieval shutdown before or after edge of CONV 2 µs

Retrieval After CONV Toggles

For shorter integration times, more time is available if data retrieval begins after CONV toggles and ends before the new data are ready. Data retrieval must wait tSDCV after CONV toggles before beginning. See Figure 27 for an example of this timing sequence. The maximum time available for retrieval is tDR – (tSDCV + tHDDODV), regardless of tINT. The maximum number of DDC264s that can be daisy-chained together with format = 1 is calculated by Equation 3.

Equation 3. DDC264 q_266us_bas368.gif
Note: (16 × 64)τDCLK is for format = 0

For DCLK = 20 MHz, the maximum number of DDC264s is four (or five for format = 0).

DDC264 ai_tim_aft_conv_bas368.gif Figure 27. Readback After CONV Toggles

Retrieval Before and After CONV Toggles

For the absolute maximum time for data retrieval, data can be retrieved before and after CONV toggles. Nearly all of tINT is available for data retrieval. Figure 28 illustrates how this process is done by combining the two previous methods. Pause the retrieval during CONV toggling to prevent digital noise, as discussed previously, and finish before the next data are ready. The maximum number of DDC264s that can be daisy-chained together with format = 1 is calculated by Equation 4.

Equation 4. DDC264 q_tint_bef_aft_conv_bas368.gif
Note: (16 × 64)τDCLK is used for format = 0

For tINT = 400 µs and DCLK = 20 MHz, the maximum number of DDC264s is six (or seven for format = 0).

DDC264 ai_tim_bef_aft_conv_bas368.gif Figure 28. Readback Before and After CONV Toggles

Device Functional Modes

There are no functional modes for this device.

Programming

Reset (RESET)

The DDC264 is reset asynchronously by taking the RESET input low, as shown in Figure 29. Make sure the release pulse is a minimum of tRST wide. It is very important that RESET is glitch-free to avoid unintentional resets. The Configuration Register must be programmed immediately afterwards. After programming the DDC264, wait at least four conversions before using the data.

DDC264 ai_tim_reset_bas368.gif Figure 29. Reset Timing

Configuration Register — Read and Write Operations

The Configuration Register must be programmed after power-up or a device reset. The DIN_CFG, CLK_CFG, and RESET pins are used to write to this register. When beginning a write operation, hold CONV low and strobe RESET; see Figure 30. Then begin shifting in the configuration data on DIN_CFG. Data are written to the Configuration Register most significant bit first. The data are internally latched on the falling edge of CLK_CFG. Partial writes to the Configuration Register are not allowed, that is, make sure to send all 16 bits when updating the register.

Optional readback of the Configuration Register is available immediately after the write sequence. During readback, 320 '0's, then the 16-bit configuration data followed by a 4-bit revision ID and the check pattern are shifted out on the DOUT pin on the rising edge of DCLK. The check pattern can be used to check or verify the DOUT functionality.

NOTE

With format = 1, the check pattern is 300 bits, with only the last 72 bits non-zero. This sequence of outputs is repeated twice for each DDC264 block and daisy-chaining is supported in configuration readback. Table 9 shows the check pattern configuration during readback. Table 8 shows the timing for the Configuration Register read and write operations. Strobe CONV to begin normal operation, that is, CONV must not toggle during the readback operation.

Table 8. Timing Requirements for the Configuration Register Read/Write

MIN TYP MAX UNIT
tWTRST Wait Required from Reset High to First Rising Edge of CLK_CFG 2 µs
tWTWR Wait Required from Last CLK_CFG of Write Operation to
First DCLK of Read Operation
2 µs
tSTCF Set-Up Time from DIN_CFG to Falling Edge of CLK_CFG 10 ns
tHDCF Hold Time for DIN_CFG After Falling Edge of CLK_CFG 10 ns
tRST Pulse Width for RESET Active 1 µs

Table 9. Check Pattern During Readback

FORMAT BIT CHECK PATTERN
(Hex)
TOTAL READBACK BITS
0 180 0s, 30F066012480F6h 1024
1 228 0s, 30F066012480F69055h 1280
DDC264 ai_config_rw_bas368.gif
CLK must be running during Configuration Register write and read operations.
In 16-bit mode (format = 0), only 256 0s are read before the Configuration Register write and read operations.
Figure 30. Configuration Register Write and Read Operations

Register Maps

Table 1. Configuration Register Bit Assignments

BIT 15 BIT 14 BIT 13 BIT 12 BIT 11 BIT 10 BIT 9 BIT 8
0 0 Clkdiv 0 0 Range[1] Range[0] Format
BIT 7 BIT 6 BIT 5 BIT 4 BIT 3 BIT 2 BIT 1 BIT 0
Version 0 0 Reserved 0 0 0 Test
Bits 15:14 These bits must always be set to 0.
Bit 13 Clkdiv
The Clkdiv input enables an internal divider on the system clock as shown in Table 10. When Clkdiv = 1, the system clock is divided by 4. This configuration allows a system clock that is faster by a factor of four, which in turn provides a finer quantization of the integration time, because the CONV signal must be synchronized with the system clock for the best performance.
0 = Internal clock divider set to 1
1 = Internal clock divider set to 4

Table 10. Clkdiv Operation

Clkdiv BIT CLK DIVIDER VALUE CLK FREQUENCY INTERNAL CLOCK FREQUENCY
0 1 5 MHz 5 MHz
1 4 20 MHz 5 MHz
Bits 12:11 These bits must always be set to 0.
Bits 10:9 Range[1:0]
These bits set the full-scale range.
00 = Range 0
01 = Range 1
= 12.5 pC
= 50 pC 
10 = Range 2
11 = Range 3
= 100 pC
= 150 pC
Bit 8 Format
Format selects how many bits are used in the data output word.
0 = 16-bit output
1 = 20-bit output
Bit 7 Version
This bit must be set to match the device being used.
Must be set to 0 for DDC264C.
Must be set to 1 for DDC264CK.
Bits 6:5 These bits must always be set to 0.
Bit 4 Reserved
This bit is reserved and must be set to 0.
Bits 3:1 These bits must always be set to 0.
Bit 0 Test
When Test Mode is used, the inputs (IN1 through IN64) are disconnected from the DDC264 integrators to enable the user to measure a zero input signal regardless of the current supplied to the inputs.
0 = TEST mode off
1 = TEST mode on