SLVSFE6A August   2019  – April 2021 DRV8876N

PRODUCTION DATA  

  1. Features
  2. Applications
  3. Description
  4. Revision History
  5. Pin Configuration and Functions
    1.     Pin Functions
  6. Specifications
    1. 6.1 Absolute Maximum Ratings
    2. 6.2 ESD Ratings
    3. 6.3 Recommended Operating Conditions
    4. 6.4 Thermal Information
    5. 6.5 Electrical Characteristics
    6. 6.6 Typical Characteristics
  7. Detailed Description
    1. 7.1 Overview
    2. 7.2 Functional Block Diagram
    3. 7.3 Feature Description
      1. 7.3.1 External Components
      2. 7.3.2 Control Modes
        1. 7.3.2.1 PH/EN Control Mode (PMODE = Logic Low)
        2. 7.3.2.2 PWM Control Mode (PMODE = Logic High)
        3. 7.3.2.3 Independent Half-Bridge Control Mode (PMODE = Hi-Z)
      3. 7.3.3 Protection Circuits
        1. 7.3.3.1 VM Supply Undervoltage Lockout (UVLO)
        2. 7.3.3.2 VCP Charge Pump Undervoltage Lockout (CPUV)
        3. 7.3.3.3 OUTx Overcurrent Protection (OCP)
        4. 7.3.3.4 Thermal Shutdown (TSD)
        5. 7.3.3.5 Fault Condition Summary
      4. 7.3.4 Pin Diagrams
        1. 7.3.4.1 Logic-Level Inputs
        2. 7.3.4.2 Tri-Level Inputs
        3. 7.3.4.3 Quad-Level Inputs
    4. 7.4 Device Functional Modes
      1. 7.4.1 Active Mode
      2. 7.4.2 Low-Power Sleep Mode
      3. 7.4.3 Fault Mode
  8. Application and Implementation
    1. 8.1 Application Information
    2. 8.2 Typical Application
      1. 8.2.1 Primary Application
        1. 8.2.1.1 Design Requirements
        2. 8.2.1.2 Detailed Design Procedure
          1. 8.2.1.2.1 Power Dissipation and Output Current Capability
          2. 8.2.1.2.2 Thermal Performance
            1. 8.2.1.2.2.1 Steady-State Thermal Performance
            2. 8.2.1.2.2.2 Transient Thermal Performance
        3. 8.2.1.3 Application Curves
      2. 8.2.2 Alternative Application
        1. 8.2.2.1 Design Requirements
        2. 8.2.2.2 Detailed Design Procedure
        3. 8.2.2.3 Application Curves
  9. Power Supply Recommendations
    1. 9.1 Bulk Capacitance
  10. 10Layout
    1. 10.1 Layout Guidelines
    2. 10.2 Layout Example
      1. 10.2.1 HTSSOP Layout Example
  11. 11Device and Documentation Support
    1. 11.1 Documentation Support
      1. 11.1.1 Related Documentation
    2. 11.2 Receiving Notification of Documentation Updates
    3. 11.3 Community Resources
    4. 11.4 Trademarks
  12. 12Mechanical, Packaging, and Orderable Information

Package Options

Mechanical Data (Package|Pins)
Thermal pad, mechanical data (Package|Pins)
Orderable Information

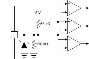
Quad-Level Inputs

Figure 7-4 shows the input structure for the quad-level input pin IMODE. For DRV8876N, this pin should be connected to ground or left floating as described by Table 7-6.

GUID-255B359D-5A5C-4337-BD73-BEFBCE17C20C-low.gifFigure 7-4 Quad-Level Input