SLLSEM7D January   2015  – January 2017 HD3SS460

PRODUCTION DATA.  

  1. Features
  2. Applications
  3. Description
  4. Revision History
  5. Device Comparison Table
  6. Pin Configuration and Functions
  7. Specifications
    1. 7.1 Absolute Maximum Ratings
    2. 7.2 ESD Ratings
    3. 7.3 Recommended Operating Conditions
    4. 7.4 Thermal Information
    5. 7.5 Electrical Characteristics
    6. 7.6 High Speed Port Performance Parameters
    7. 7.7 High Speed Signal Path Switching Characteristics
    8. 7.8 Timing Diagrams
  8. Detailed Description
    1. 8.1 Overview
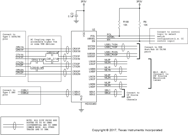
    2. 8.2 Functional Block Diagram
    3. 8.3 Feature Description
      1. 8.3.1 High Speed Differential Signal Switching
      2. 8.3.2 Low Speed SBU Signal Switching
      3. 8.3.3 Output Enable and Power Savings
    4. 8.4 Device Functional Modes
      1. 8.4.1 Device High Speed Switch Control Modes
  9. Application and Implementation
    1. 9.1 Application Information
    2. 9.2 USB SS and DP as Alternate Mode
      1. 9.2.1 Design Requirements
      2. 9.2.2 Detailed Design Procedure
  10. 10Power Supply Recommendations
  11. 11Layout
    1. 11.1 Layout Guidelines
      1. 11.1.1 Critical Routing
      2. 11.1.2 General Routing/Placement Rules
    2. 11.2 Layout Example
  12. 12Device and Documentation Support
    1. 12.1 Receiving Notification of Documentation Updates
    2. 12.2 Community Resources
    3. 12.3 Trademarks
    4. 12.4 Electrostatic Discharge Caution
    5. 12.5 Glossary
  13. 13Mechanical, Packaging, and Orderable Information

Package Options

Refer to the PDF data sheet for device specific package drawings

Mechanical Data (Package|Pins)
  • RNH|30
  • RHR|28
Thermal pad, mechanical data (Package|Pins)
Orderable Information

Application and Implementation

NOTE

Information in the following applications sections is not part of the TI component specification, and TI does not warrant its accuracy or completeness. TI’s customers are responsible for determining suitability of components for their purposes. Customers should validate and test their design implementation to confirm system functionality.

Application Information

HD3SS460 can be utilized for a wide range of muxing needs. This is general purpose passive cross-point switch. The channels have independent adaptive common mode tracking allowing flexibility. As long as recommended electrical use conditions are met the device can be used number of ways as described in Table 1.

NOTE

HD3SS460 does not provide common mode biasing for the channel. Therefore it is required that the device is biased from either side for all active channels.

USB SS and DP as Alternate Mode

HD3SS460 can be used USB Type-C ecosystem with DP as alternate mode in two distinct application configurations – one is for DP Source/USB Host, the other one for the DP Sink/USB Device/Dock. Figure 3 and Figure 4 illustrate typical application block diagrams for these two cases. Detail schematics are illustrated in Detailed Design Procedure section. Other applications and or use cases possible where these examples can be used as general guidelines.

Figure 3 and Figure 4 depict the AC coupling capacitor placement examples. TI recommends placing the capacitors as shown in the illustrations for the backward compatibility and interoperability purposes as some of the existing USB systems may present Vcm, exceeding the typical range of 0–2 V on SS differential pairs.

HD3SS460 typ_c_interface_DP_sllsem7.gif Figure 3. Block Diagram for a Type C Interface Using DP as Alternate Mode – Source/Host
HD3SS460 nfig05_cap_place_sllem7.gif Figure 4. Diagram for a Type C Interface Using DP as Alternate Mode – Sink/Device/Dock

Figure 5 and Figure 6 depict the AC coupling capacitor recommendations in case the upstream or downstream port connected internally to the HD3SS460 presents Vcm greater than 2 V.

HD3SS460 USB_Host_DP_source_sllsem7.gif Figure 5. HD3SS460 USB Host (DP Source with SS USB Vcm)
HD3SS460 nfig07_cap_place_sllem7.gif Figure 6. HD3SS460 USB Upstream (DP Sink Implementation Example)

Design Requirements

DESIGN PARAMETERS EXAMPLE VALUES
VCC 3.3 V
Decoupling capacitors 0.1 µF
AC Capacitors 75-200nF (100nF shown) USBSS TX p and n lines require AC capacotprs. Alternate mode signals may or may not require AC capacitors
Control pins Controls pins can be dynamically controlled or pin-strapped. The POL signal is controlled by CC logic in the Type-C ecosystem.

Detailed Design Procedure

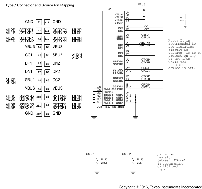
The reference schematics shown in this document are based upon the pin assignment defined in the Alternate mode over Type C specification as shown in Figure 7 below.

HD3SS460 source_sink_assign_SLLSEM7.gif Figure 7. Pin Assignment – Alternate Mode Over Type C

Table 2 represents the example pin mapping to HD3SS460 for the DP Source pin assignments C, D, E and F, DP Sink pin assignments C and D.

Table 2. SOURCE Pin Assignment Option C and E (AMSEL = H, EN = H)

RECEPTACLE PIN NUMBER 460 PIN MAPPING TO TYPE C CONNECTOR 460 PIN MAPPING TO DP SOURCE (GPU)
POL = L POL = H
A11/10 CRX2 LnA(ML0) LnD(ML3)
A2/3 CTX1 LnC(ML2) LnB(ML1)
B11/10 CRX1 LnD(ML3) LnA(ML0)
B2/3 CTX2 LnB(ML1) LnC(ML2)
A8 CSBU1 SBU1(AUXP) SBU2(AUXN)
B8 CSBU2 SBU2(AUXN) SBU1(AUXP)
HD3SS460 Diagram_Source_C_E_sllem7.gif Figure 8. SOURCE Pin Assignment Option C and E (AMSEL = H, EN = H)

Table 3. SOURCE Pin Assignment Option D and F (AMSEL = L, EN = H)

RECEPTACLE PIN NUMBER 460 PIN MAPPING TO TYPE C CONNECTOR 460 PIN MAPPING TO DP SOURCE (GPU)
POL = L POL = H
A11/10 CRX2 LnA(ML0) SSRX
A2/3 CTX1 SSTX LnB(ML1)
B11/10 CRX1 SSRX LnA(ML0)
B2/3 CTX2 LnB(ML1) SSTX
A8 CSBU1 SBU1(AUXP) SBU2(AUXN)
B8 CSBU2 SBU2(AUXN) SBU1(AUXP)

Space

HD3SS460 Diagram_Source_D_F_POLL_sllem7.gif Figure 9. SOURCE Pin Assignment Option D and F (AMSEL = L, EN = H, POL = L)
HD3SS460 Diagram_Source_D_F_POLH_sllem7.gif Figure 10. SOURCE Pin Assignment Option D and F (AMSEL = L, EN = H, POL = H)

Table 4. SINK Pin Assignment Option C (AMSEL = H, EN = H)

RECEPTACLE PIN NUMBER 460 PIN MAPPING TO TYPE C CONNECTOR 460 PIN MAPPING TO DP SOURCE (GPU)
POL = L POL = H
A11/10 CRX2 LnA(ML1) LnD(ML2)
A2/3 CTX1 LnC(ML3) LnB(ML0)
B11/10 CRX1 LnD(ML2) LnA(ML1)
B2/3 CTX2 LnB(ML0) LnC(ML3)
A8 CSBU1 SBU1(AUXN) SBU2(AUXP)
B8 CSBU2 SBU2(AUXP) SBU1(AUXN)
HD3SS460 Diagram_Sink_C_sllem7.gif Figure 11. SINK Pin Assignment Option C (AMSEL = H, EN = H)

Table 5. SINK Pin Assignment Option D (AMSEL = L, EN = H)

RECEPTACLE PIN NUMBER 460 PIN MAPPING TO TYPE C CONNECTOR 460 PIN MAPPING TO DP SOURCE (GPU)
POL = L POL = H
A11/10 CRX2 LnA(ML1) SSRX
A2/3 CTX1 SSTX LnB(ML0)
B11/10 CRX1 SSRX LnA(ML1)
B2/3 CTX2 LnB(ML0) SSTX
A8 CSBU1 SBU1(AUXN) SBU2(AUXP)
B8 CSBU2 SBU2(AUXP) SBU1(AUXN)

Space

HD3SS460 Diagram_Sink_D_POLL_sllem7.gif Figure 12. SINK Pin Assignment Option D
(AMSEL = L, EN = H, POL=L)
HD3SS460 Diagram_Sink_D_POLH_sllem7.gif Figure 13. SINK Pin Assignment Option D
(AMSEL = L, EN = H, POL=H)

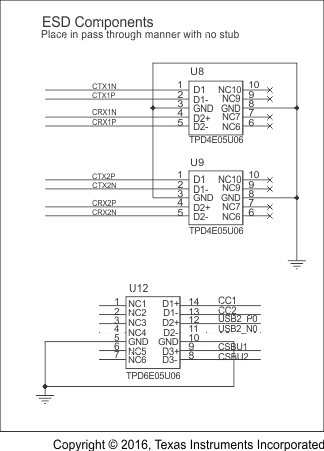
Schematic diagrams Figure 14, Figure 15, and Figure 16 show the DP Source/USB Host implementation; and, Figure 17, Figure 18, and Figure 19 show the DP Sink/USB Device/HUSB Hub/Dock implementation, respectively.

HD3SS460 DP_source_USB_Host_pg1_SLLSEM7.gif Figure 14. Schematic Implementations for DP Source/ USB Host (1 of 3)
HD3SS460 DP_source_USB_Host_pg2_SLLSEM7.gif Figure 15. Schematic Implementations for DP Source/ USB Host (2 of 3)
HD3SS460 DP_source_USB_Host_pg3_SLLSEM7.gif Figure 16. Schematic Implementations for DP Source/ USB Host (3 of 3)
HD3SS460 DP_Sink_USB_device_page1_SLLSEM7.gif Figure 17. Schematic Implementations for DP Sink/ USB Device/HUB/Dock (1 of 3)
HD3SS460 DP_Sink_USB_device_page2_SLLSEM7.gif Figure 18. Schematic Implementations for DP Sink/ USB Device/HUB/Dock (2 of 3)
HD3SS460 DP_Sink_USB_device_page3-new_SLLSEM7.gif Figure 19. Schematic Implementations for DP Sink/ USB Device/HUB/Dock (3 of 3)