SBOS360F June   2006  – November 2015 INA206 , INA207 , INA208

PRODUCTION DATA.  

  1. Features
  2. Applications
  3. Description
  4. Revision History
  5. Device Comparison Table
  6. Pin Configuration and Functions
  7. Specifications
    1. 7.1 Absolute Maximum Ratings
    2. 7.2 ESD Ratings
    3. 7.3 Recommended Operating Conditions
    4. 7.4 Thermal Information
    5. 7.5 Electrical Characteristics: Current-Shunt Monitor
    6. 7.6 Electrical Characteristics: Comparator
    7. 7.7 Electrical Characteristics: Reference
    8. 7.8 Electrical Characteristics: General
    9. 7.9 Typical Characteristics
  8. Detailed Description
    1. 8.1 Overview
    2. 8.2 Functional Block Diagram
    3. 8.3 Feature Description
      1. 8.3.1 Output Voltage Range
      2. 8.3.2 Reference
      3. 8.3.3 Comparator
      4. 8.3.4 Comparator Delay (14-Pin Version Only)
      5. 8.3.5 Comparator Maximum Input Voltage Range
    4. 8.4 Device Functional Modes
      1. 8.4.1 Accuracy Variations as a Result of VSENSE and Common-Mode Voltage
        1. 8.4.1.1 Normal Case 1: VSENSE ≥ 20 mV, VCM ≥ VS
        2. 8.4.1.2 Normal Case 2: VSENSE ≥ 20 mV, VCM < VS
        3. 8.4.1.3 Low VSENSE Case 2: VSENSE < 20mV, 0V ≤ VCM ≤ VS
  9. Application and Implementation
    1. 9.1 Application Information
      1. 9.1.1 Basic Connection
    2. 9.2 Typical Application
      1. 9.2.1 Design Requirements
      2. 9.2.2 Detailed Design Procedure
        1. 9.2.2.1 Selecting RS
        2. 9.2.2.2 Transient Protection
        3. 9.2.2.3 Input Filtering
      3. 9.2.3 Application Curve
  10. 10Power Supply Recommendations
  11. 11Layout
    1. 11.1 Layout Guidelines
    2. 11.2 Layout Example
  12. 12Device and Documentation Support
    1. 12.1 Related Links
    2. 12.2 Community Resources
    3. 12.3 Trademarks
    4. 12.4 Electrostatic Discharge Caution
    5. 12.5 Glossary
  13. 13Mechanical, Packaging, and Orderable Information

Package Options

Refer to the PDF data sheet for device specific package drawings

Mechanical Data (Package|Pins)
  • D|14
  • DGS|10
  • PW|14
Thermal pad, mechanical data (Package|Pins)
Orderable Information

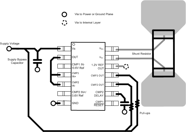
11 Layout

11.1 Layout Guidelines

  • Connect the input pins to the sensing resistor using a Kelvin or 4-wire connection. This connection technique ensures that only the current-sensing resistor impedance is detected between the input pins. Poor routing of the current-sensing resistor commonly results in additional resistance present between the input pins. Given the very low ohmic value of the current resistor, any additional high-current carrying impedance can cause significant measurement errors.
  • The power-supply bypass capacitor must be placed as close as possible to the supply and ground pins. The recommended value of this bypass capacitor is 0.1 μF. Additional decoupling capacitance can be added to compensate for noisy or high-impedance power supplies.

11.2 Layout Example

INA206 INA207 INA208 pcblayout.gif Figure 44. Layout Recommendation