SLLS868W September   2007  – October 2025 ISO7240C , ISO7240CF , ISO7240M , ISO7241C , ISO7241M , ISO7242C , ISO7242M

PRODUCTION DATA  

  1.   1
  2. Features
  3. Applications
  4. Description
  5. Pin Configurations and Functions
  6. Specifications
    1. 5.1  Absolute Maximum Ratings
    2. 5.2  ESD Ratings
    3. 5.3  Recommended Operating Conditions
    4. 5.4  Thermal Information
    5. 5.5  Power Ratings
    6. 5.6  Insulation Specifications
    7. 5.7  Safety-Related Certifications
    8. 5.8  Safety Limiting Values
    9. 5.9  Electrical Characteristics: VCC1 and VCC2 at 5-V Operation
    10. 5.10 Supply Current Characteristics: VCC1 and VCC2 at 5-V Operation
    11. 5.11 Electrical Characteristics: VCC1 at 5-V, VCC2 at 3.3-V Operation
    12. 5.12 Supply Current Characteristics: VCC1 at 5-V, VCC2 at 3.3-V Operation
    13. 5.13 Electrical Characteristics: VCC1 at 3.3-V, VCC2 at 5-V Operation
    14. 5.14 Supply Current Characteristics: VCC1 at 3.3-V, VCC2 at 5-V Operation
    15. 5.15 Electrical Characteristics: VCC1 and VCC2 at 3.3 V Operation
    16. 5.16 Supply Current Characteristics: VCC1 and VCC2 at 3.3 V Operation
    17. 5.17 Switching Characteristics: VCC1 and VCC2 at 5-V Operation
    18. 5.18 Switching Characteristics: VCC1 at 5-V, VCC2 at 3.3-V Operation
    19. 5.19 Switching Characteristics: VCC1 at 3.3-V and VCC2 at 5-V Operation
    20. 5.20 Switching Characteristics: VCC1 and VCC2 at 3.3-V Operation
    21. 5.21 Insulation Characteristics Curves
    22. 5.22 Typical Characteristics
  7. Parameter Measurement Information
  8. Detailed Description
    1. 7.1 Overview
    2. 7.2 Functional Block Diagram
    3. 7.3 Feature Description
    4. 7.4 Device Functional Modes
      1. 7.4.1 Device I/O Schematics
  9. Application and Implementation
    1. 8.1 Application Information
    2. 8.2 Typical Application
      1. 8.2.1 Isolated Data Acquisition System for Process Control
        1. 8.2.1.1 Design Requirements
        2. 8.2.1.2 Detailed Design Procedure
        3. 8.2.1.3 Application Curves
      2. 8.2.2 Isolated SPI for an Analog Input Module With 16 Inputs
        1. 8.2.2.1 Design Requirements
        2. 8.2.2.2 Detailed Design Procedure
        3. 8.2.2.3 Application Curve
      3. 8.2.3 Isolated RS-232 Interface
        1. 8.2.3.1 Design Requirements
        2. 8.2.3.2 Detailed Design Procedure
        3. 8.2.3.3 Application Curve
    3. 8.3 Power Supply Recommendations
    4. 8.4 Layout
      1. 8.4.1 Layout Guidelines
        1. 8.4.1.1 PCB Material
      2. 8.4.2 Layout Example
  10. Device and Documentation Support
    1. 9.1 Documentation Support
      1. 9.1.1 Related Documentation
    2. 9.2 Receiving Notification of Documentation Updates
    3. 9.3 Support Resources
    4. 9.4 Trademarks
    5. 9.5 Electrostatic Discharge Caution
    6. 9.6 Glossary
  11. 10Revision History
  12. 11Mechanical, Packaging, and Orderable Information

Package Options

Mechanical Data (Package|Pins)
Thermal pad, mechanical data (Package|Pins)
Orderable Information

Detailed Design Procedure

ISO7240CF ISO7240C ISO7240M ISO7241C ISO7241M ISO7242C ISO7242M ISO7240x Typical Circuit Hook-UpFigure 8-2 ISO7240x Typical Circuit Hook-Up
ISO7240CF ISO7240C ISO7240M ISO7241C ISO7241M ISO7242C ISO7242M ISO7240CF Typical Circuit Hook-UpFigure 8-3 ISO7240CF Typical Circuit Hook-Up
ISO7240CF ISO7240C ISO7240M ISO7241C ISO7241M ISO7242C ISO7242M ISO7241x Typical Circuit Hook-UpFigure 8-4 ISO7241x Typical Circuit Hook-Up
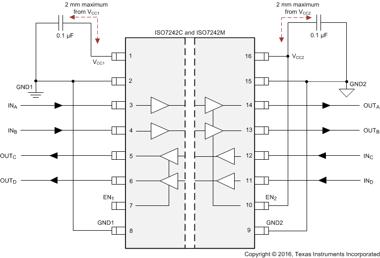
ISO7240CF ISO7240C ISO7240M ISO7241C ISO7241M ISO7242C ISO7242M ISO7242x Typical Circuit Hook-UpFigure 8-5 ISO7242x Typical Circuit Hook-Up