SLLSFB3C September   2019  – February 2024 ISO7741E-Q1

PRODUCTION DATA  

  1.   1
  2. Features
  3. Applications
  4. Description
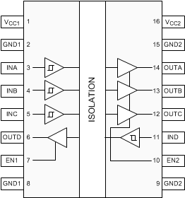
  5. Pin Configuration and Functions
    1. 4.1 Pin Functions
  6. Specifications
    1. 5.1  Absolute Maximum Ratings
    2. 5.2  ESD Ratings
    3. 5.3  Recommended Operating Conditions
    4. 5.4  Thermal Information
    5. 5.5  Power Rating
    6. 5.6  Insulation Specifications
    7. 5.7  Safety-Related Certifications
    8. 5.8  Safety Limiting Values
    9. 5.9  Electrical Characteristics—5-V Supply
    10. 5.10 Supply Current Characteristics—5-V Supply
    11. 5.11 Electrical Characteristics—3.3-V Supply
    12. 5.12 Supply Current Characteristics—3.3-V Supply
    13. 5.13 Electrical Characteristics—2.5-V Supply
    14. 5.14 Supply Current Characteristics—2.5-V Supply
    15. 5.15 Switching Characteristics—5-V Supply
    16. 5.16 Switching Characteristics—3.3-V Supply
    17. 5.17 Switching Characteristics—2.5-V Supply
    18. 5.18 Insulation Characteristics Curves
    19. 5.19 Typical Characteristics
  7. Parameter Measurement Information
  8. Detailed Description
    1. 7.1 Overview
    2. 7.2 Functional Block Diagram
    3. 7.3 Feature Description
      1. 7.3.1 Electromagnetic Compatibility (EMC) Considerations
    4. 7.4 Device Functional Modes
      1. 7.4.1 Device I/O Schematics
  9. Application and Implementation
    1. 8.1 Application Information
    2. 8.2 Typical Application
      1. 8.2.1 Design Requirements
      2. 8.2.2 Detailed Design Procedure
      3. 8.2.3 Application Curve
        1. 8.2.3.1 Insulation Lifetime
  10. Power Supply Recommendations
  11. 10Layout
    1. 10.1 Layout Guidelines
      1. 10.1.1 PCB Material
    2. 10.2 Layout Example
  12. 11Device and Documentation Support
    1. 11.1 Documentation Support
      1. 11.1.1 Related Documentation
    2. 11.2 Receiving Notification of Documentation Updates
    3. 11.3 Support Resources
    4. 11.4 Trademarks
    5. 11.5 Electrostatic Discharge Caution
    6. 11.6 Glossary
  13. 12Revision History
  14. 13Mechanical, Packaging, and Orderable Information

Package Options

Refer to the PDF data sheet for device specific package drawings

Mechanical Data (Package|Pins)
  • DW|16
Thermal pad, mechanical data (Package|Pins)
Orderable Information

Pin Configuration and Functions

GUID-A5BB413E-9577-4DD8-9D32-A2F607814891-low.gif Figure 4-1 ISO7741E-Q1 DW Package16-Pin SOIC-WB Top View