SLLSEM3I November   2014  – November 2024 ISO7841

PRODUCTION DATA  

  1.   1
  2. Features
  3. Applications
  4. Description
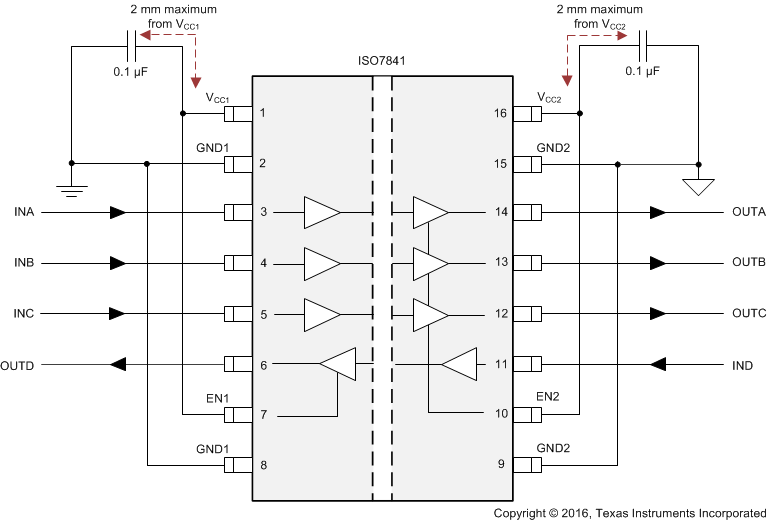
  5. Pin Configuration and Functions
    1.     Pin Functions
  6. Specifications
    1. 5.1  Absolute Maximum Ratings
    2. 5.2  ESD Ratings
    3. 5.3  Recommended Operating Conditions
    4. 5.4  Thermal Information
    5. 5.5  Power Ratings
    6. 5.6  Insulation Specifications
    7. 5.7  Safety-Related Certifications
    8. 5.8  Safety Limiting Values
    9. 5.9  Electrical Characteristics—5V Supply
    10. 5.10 Supply Current Characteristics—5V Supply
    11. 5.11 Electrical Characteristics—3.3V Supply
    12. 5.12 Supply Current Characteristics—3.3V Supply
    13. 5.13 Electrical Characteristics—2.5V Supply
    14. 5.14 Supply Current Characteristics—2.5V Supply
    15. 5.15 Switching Characteristics—5V Supply
    16. 5.16 Switching Characteristics—3.3V Supply
    17. 5.17 Switching Characteristics—2.5V Supply
    18. 5.18 Insulation Characteristics Curves
    19. 5.19 Typical Characteristics
  7. Parameter Measurement Information
  8. Detailed Description
    1. 7.1 Overview
    2. 7.2 Functional Block Diagram
    3. 7.3 Feature Description
      1. 7.3.1 Electromagnetic Compatibility (EMC) Considerations
    4. 7.4 Device Functional Modes
      1. 7.4.1 Device I/O Schematics
  9. Application and Implementation
    1. 8.1 Application Information
    2. 8.2 Typical Application
      1. 8.2.1 Design Requirements
      2. 8.2.2 Detailed Design Procedure
      3. 8.2.3 Application Curve
    3. 8.3 Power Supply Recommendations
    4. 8.4 Layout
      1. 8.4.1 Layout Guidelines
        1. 8.4.1.1 PCB Material
      2. 8.4.2 Layout Example
  10. Device and Documentation Support
    1. 9.1 Documentation Support
      1. 9.1.1 Related Documentation
    2. 9.2 Related Links
    3. 9.3 Receiving Notification of Documentation Updates
    4. 9.4 Support Resources
    5. 9.5 Trademarks
    6. 9.6 Electrostatic Discharge Caution
    7. 9.7 Glossary
  11. 10Revision History
  12. 11Mechanical, Packaging, and Orderable Information

Package Options

Refer to the PDF data sheet for device specific package drawings

Mechanical Data (Package|Pins)
  • DWW|16
  • DW|16
Thermal pad, mechanical data (Package|Pins)
Orderable Information

Detailed Design Procedure

Unlike optocouplers, which require external components to improve performance, provide bias, or limit current, the ISO7841 device only requires two external bypass capacitors to operate.

ISO7841 ISO7841F Typical ISO7841 Circuit Hook-UpFigure 8-2 Typical ISO7841 Circuit Hook-Up