SLOS013C March   1987  – March 2016 LF347 , LF347B

PRODUCTION DATA.  

  1. Features
  2. Applications
  3. Description
  4. Revision History
  5. Pin Configuration and Functions
  6. Specifications
    1. 6.1 Absolute Maximum Ratings
    2. 6.2 ESD Ratings
    3. 6.3 Recommended Operating Conditions
    4. 6.4 Thermal Information
    5. 6.5 Electrical Characteristics: LF347
    6. 6.6 Electrical Characteristics: LF347B
    7. 6.7 Switching Characteristics
    8. 6.8 Typical Characteristics
  7. Parameter Measurement Information
  8. Detailed Description
    1. 8.1 Overview
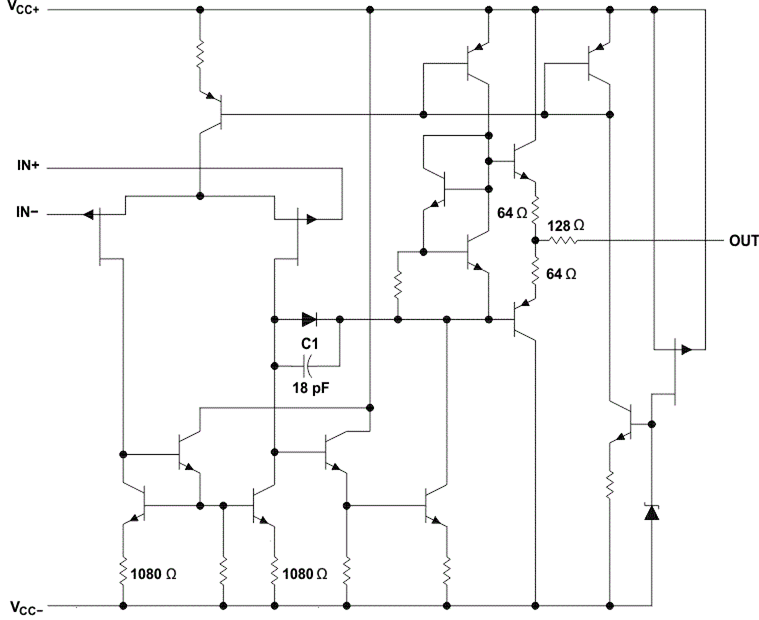
    2. 8.2 Functional Block Diagram
    3. 8.3 Feature Description
      1. 8.3.1 Slew Rate
    4. 8.4 Device Functional Modes
  9. Application and Implementation
    1. 9.1 Application Information
    2. 9.2 Typical Application
      1. 9.2.1 Design Requirements
      2. 9.2.2 Detailed Design Procedure
      3. 9.2.3 Application Curve
  10. 10Power Supply Recommendations
  11. 11Layout
    1. 11.1 Layout Guidelines
    2. 11.2 Layout Example
  12. 12Device and Documentation Support
    1. 12.1 Documentation Support
      1. 12.1.1 Related Documentation
    2. 12.2 Related Links
    3. 12.3 Community Resources
    4. 12.4 Trademarks
    5. 12.5 Electrostatic Discharge Caution
    6. 12.6 Glossary
  13. 13Mechanical, Packaging, and Orderable Information

Package Options

Refer to the PDF data sheet for device specific package drawings

Mechanical Data (Package|Pins)
  • D|14
  • N|14
Thermal pad, mechanical data (Package|Pins)
Orderable Information

8 Detailed Description

8.1 Overview

The LF347 is a JFET-input operational amplifier with low input bias and offset currents and fast slew rate. Each amplifier features JFET inputs (for high input impedance) coupled with bipolar output stages integrated on a single monolithic chip. The output is protected against shorts due to the resistive 200-Ω output impedance.

8.2 Functional Block Diagram

LF347 LF347B schematic.gif

8.3 Feature Description

8.3.1 Slew Rate

The slew rate is the rate at which an operational amplifier can change its output when there is a change on the input. These devices have a 13-V/μs slew rate.

8.4 Device Functional Modes

These devices are powered on when the supply is connected. This device can be operated as a single-supply operational amplifier or dual-supply amplifier depending on the application.