SNOSD55 June   2017 LF356-MIL

PRODUCTION DATA.  

  1. Features
  2. Applications
  3. Description
  4. Revision History
  5. Pin Configuration and Functions
  6. Specifications
    1. 6.1 Absolute Maximum Ratings
    2. 6.2 ESD Ratings
    3. 6.3 Recommended Operating Conditions
    4. 6.4 Thermal Information
    5. 6.5 AC Electrical Characteristics, TA = TJ = 25°C, VS = ±15 V
    6. 6.6 DC Electrical Characteristics, TA = TJ = 25°C, VS = ±15 V
    7. 6.7 DC Electrical Characteristics
    8. 6.8 Power Dissipation Ratings
    9. 6.9 Typical Characteristics
      1. 6.9.1 Typical AC Performance Characteristics
  7. Detailed Description
    1. 7.1 Overview
    2. 7.2 Functional Block Diagram
    3. 7.3 Feature Description
      1. 7.3.1 Large Differential Input Voltage
      2. 7.3.2 Large Common-Mode Input Voltage
    4. 7.4 Device Functional Modes
  8. Application and Implementation
    1. 8.1 Application Information
    2. 8.2 Typical Application
      1. 8.2.1 Design Requirements
      2. 8.2.2 Detailed Design Procedure
      3. 8.2.3 Application Curve
    3. 8.3 System Examples
  9. Power Supply Recommendations
  10. 10Layout
    1. 10.1 Layout Guidelines
      1. 10.1.1 Printed-Circuit-Board Layout For High-Impedance Work
    2. 10.2 Layout Example
  11. 11Device and Documentation Support
    1. 11.1 Receiving Notification of Documentation Updates
    2. 11.2 Community Resources
    3. 11.3 Trademarks
    4. 11.4 Electrostatic Discharge Caution
    5. 11.5 Glossary
  12. 12Mechanical, Packaging, and Orderable Information

Package Options

Mechanical Data (Package|Pins)
Thermal pad, mechanical data (Package|Pins)
Orderable Information

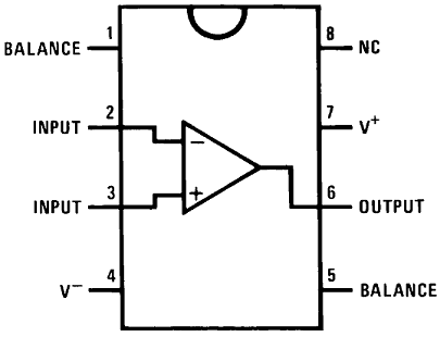
Pin Configuration and Functions

LMC Package
8-Pin TO-99
Top View
LF356-MIL 00564614.png
Available per JM38510/11401 or JM38510/11402
D or P Package
8-Pin SOIC or PDIP
Top View
LF356-MIL 00564629.png

Pin Functions

PIN I/O DESCRIPTION
NAME NO.
BALANCE 1, 5 I Balance for input offset voltage
+INPUT 3 I Noninverting input
–INPUT 2 I Inverting input
NC 8 No connection
OUTPUT 6 O Output
V+ 7 Positive power supply
V– 4 Negative power supply