SNOSD68 June 2017 LM10-MIL
PRODUCTION DATA.
NOTE
Information in the following applications sections is not part of the TI component specification, and TI does not warrant its accuracy or completeness. TI’s customers are responsible for determining suitability of components for their purposes. Customers should validate and test their design implementation to confirm system functionality.
With heavy amplifier loading to V−, resistance drops in the V− lead can adversely affect reference regulation. Lead resistance can approach 1 Ω. Therefore, the common to the reference circuitry should be connected as close as possible to the package.
Table 1 lists the design parameters for this example.
| DESIGN PARAMETERS | EXAMPLE VALUE | |||
|---|---|---|---|---|
| Ambient Temperature Range | –55⁰C to 125⁰C | |||
| Supply Voltage Range | 1.2 V to 40 V | |||
| Common-Mode Input Range | (V–) to (V+) – 0.85 V | |||
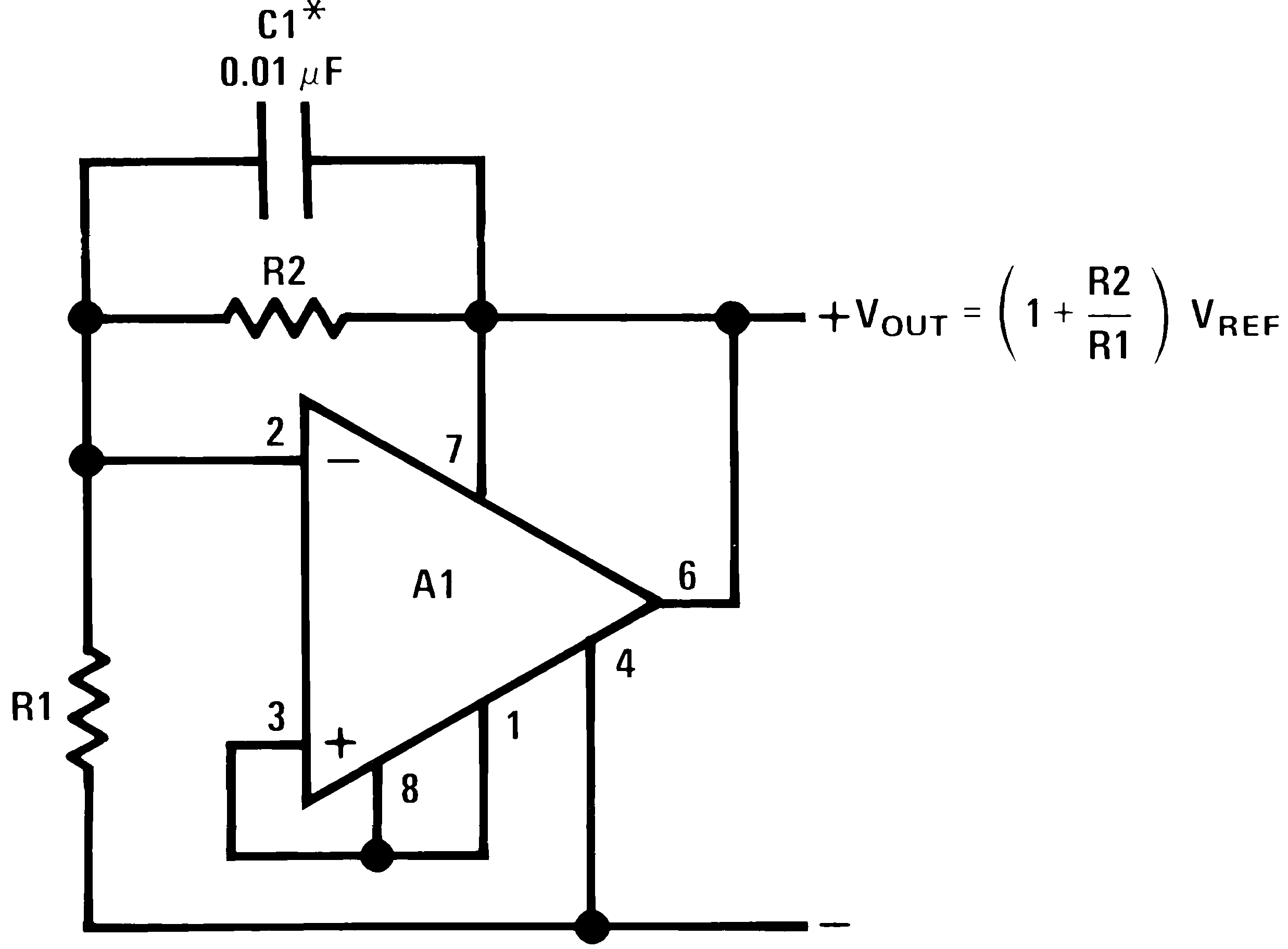
Given that the transfer function of this circuit is:

the output can be set between 0.2 V and the breakdown voltage of the IC by selecting an appropriate value for R2. The circuit regulates for input voltages within a saturation drop of the output (typically 0.4 V at 20 mA and 0.15 V at 5 mA). The regulator is protected from shorts or overloads by current limiting and thermal shutdown.
Typical regulation is about 0.05% load and 0.003%/V line. A substantial improvement in regulation can be effected by connecting the operational amplifier as a follower and setting the reference to the desired output voltage. This has the disadvantage that the minimum input-output differential is increased to a little more than a diode drop. If the operational amplifier were connected for a gain of 2, the output could again saturate. But this requires an additional pair of precision resistors.
The regulator in Figure 36 could be made adjustable to zero by connecting the operational amplifier to a potentiometer on the reference output. This has the disadvantage that the regulation at the lower voltage settings is not as good as it might otherwise be.
Figure 37. Frequency Response
Circuit descriptions available in application note AN-211 (SNOA638).
Figure 38. Standard
Figure 40. Limited Range With Boosted Reference
Figure 39. Limited Range
Figure 41. Low Voltage
Figure 47. Precision Regulator
Figure 53. Remote Amplifier
Figure 55. Transmitter for Bridge Sensor
Figure 57. Resistance Thermometer Transmitter
Figure 61. Battery-level Indicator
Figure 42. Best Regulation
Figure 44. Current Regulator
Figure 50. Protected HV Regulator
Figure 54. Remote Thermocouple Amplifier
Figure 62. Battery-threshold Indicator
Figure 70. Light-Level Controller
Figure 71. Reference and Internal Regulator