SNOSAX9J April   2007  – April 2016 LMH6552

PRODUCTION DATA.  

  1. Features
  2. Applications
  3. Description
  4. Revision History
  5. Pin Configuration and Functions
  6. Specifications
    1. 6.1 Absolute Maximum Ratings
    2. 6.2 ESD Ratings
    3. 6.3 Recommended Operating Conditions
    4. 6.4 Thermal Information
    5. 6.5 Electrical Characteristics: ±5 V
    6. 6.6 Electrical Characteristics: ±2.5 V
    7. 6.7 Typical Characteristics V+ = +5 V, V− = −5 V
  7. Detailed Description
    1. 7.1 Overview
    2. 7.2 Functional Block Diagram
    3. 7.3 Feature Description
    4. 7.4 Device Functional Modes
  8. Application and Implementation
    1. 8.1 Application Information
    2. 8.2 Typical Applications
      1. 8.2.1 Typical Fully Differential Application
        1. 8.2.1.1 Design Requirements
        2. 8.2.1.2 Detailed Design Procedure
          1. 8.2.1.2.1 WSON Package
          2. 8.2.1.2.2 Fully Differential Operation
          3. 8.2.1.2.3 Driving Capacitive Loads
            1. 8.2.1.2.3.1 Balanced Cable Driver
        3. 8.2.1.3 Application Curves
      2. 8.2.2 Single-Ended Input to Differential Output Operation
      3. 8.2.3 Single Supply Operation
      4. 8.2.4 Split Supply Operation
      5. 8.2.5 Output Noise Performance and Measurement
      6. 8.2.6 Driving Analog to Digital Converters
  9. Power Supply Recommendations
    1. 9.1 Power Supply Bypassing
  10. 10Layout
    1. 10.1 Layout Guidelines
    2. 10.2 Layout Example
    3. 10.3 Thermal Considerations
    4. 10.4 Power Dissipation
    5. 10.5 ESD Protection
  11. 11Device and Documentation Support
    1. 11.1 Device Support
      1. 11.1.1 Third-Party Products Disclaimer
    2. 11.2 Documentation Support
      1. 11.2.1 Related Documentation
        1. 11.2.1.1 Evaluation Board
    3. 11.3 Community Resources
    4. 11.4 Trademarks
    5. 11.5 Electrostatic Discharge Caution
    6. 11.6 Glossary
  12. 12Mechanical, Packaging, and Orderable Information

Package Options

Mechanical Data (Package|Pins)
Thermal pad, mechanical data (Package|Pins)
Orderable Information

9 Power Supply Recommendations

The LMH6552 can be used with any combination of positive and negative power supplies as long as the combined supply voltage is between 4.5 V and 12 V. The LMH6552 provides best performance when the output voltage is set at the mid supply voltage, and when the total supply voltage is between 9 V and 12 V. When selecting a supply voltage that is less than 9 V, it is important to consider both the input common mode voltage range as well as the output voltage range.

Power supply bypassing as shown in Power Supply Bypassing is important and power supply regulation must be within 5% or better using a supply voltage near the edges of the operating range.

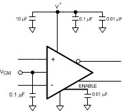
9.1 Power Supply Bypassing

The LMH6552 requires supply bypassing capacitors as illustrated in Figure 53 and Figure 54. The 0.01-µF and 0.1-µF capacitors must be leadless SMT ceramic capacitors and must be no more than 3 mm from the supply pins. These capacitors must be star routed with a dedicated ground return plane or trace for best harmonic distortion performance. A small capacitor, ~0.01 µF, placed across the supply rails, and as close to the chip's supply pins as possible, can further improve HD2 performance. Thin traces or small vias reduce the effectiveness of bypass capacitors. Also shown in both figures is a capacitor from the VCM and ENABLE pins to ground. These inputs are high impedance and can provide a coupling path into the amplifier for external noise sources, possibly resulting in loss of dynamic range, degraded CMRR, degraded balance and higher distortion.

LMH6552 30003501.gif Figure 53. Split Supply Bypassing Capacitors
LMH6552 30003512.gif Figure 54. Single Supply Bypassing Capacitors