SNVSAR5B December   2016  – March 2018 LMR23625-Q1

PRODUCTION DATA.  

  1. Features
  2. Applications
  3. Description
    1.     Device Images
      1.      Simplified Schematic
      2.      Efficiency vs Load, VIN = 12 V, PFM Option
  4. Revision History
  5. Device Comparison
  6. Pin Configuration and Functions
    1.     Pin Functions
  7. Specifications
    1. 7.1 Absolute Maximum Ratings
    2. 7.2 ESD Ratings
    3. 7.3 Recommended Operating Conditions
    4. 7.4 Thermal Information
    5. 7.5 Electrical Characteristics
    6. 7.6 Timing Characteristics
    7. 7.7 Switching Characteristics
    8. 7.8 Typical Characteristics
  8. Detailed Description
    1. 8.1 Overview
    2. 8.2 Functional Block Diagram
    3. 8.3 Feature Description
      1. 8.3.1  Fixed-Frequency Peak-Current-Mode Control
      2. 8.3.2  Adjustable Output Voltage
      3. 8.3.3  EN/SYNC
      4. 8.3.4  VCC, UVLO
      5. 8.3.5  Minimum ON-Time, Minimum OFF-Time and Frequency Foldback at Dropout Conditions
      6. 8.3.6  Power Good (PGOOD)
      7. 8.3.7  Internal Compensation and CFF
      8. 8.3.8  Bootstrap Voltage (BOOT)
      9. 8.3.9  Overcurrent and Short-Circuit Protection
      10. 8.3.10 Thermal Shutdown
    4. 8.4 Device Functional Modes
      1. 8.4.1 Shutdown Mode
      2. 8.4.2 Active Mode
      3. 8.4.3 CCM Mode
      4. 8.4.4 Light Load Operation (PFM Option)
      5. 8.4.5 Light Load Operation (FPWM Option)
  9. Application and Implementation
    1. 9.1 Application Information
    2. 9.2 Typical Applications
      1. 9.2.1 Design Requirements
      2. 9.2.2 Detailed Design Procedure
        1. 9.2.2.1  Custom Design With WEBENCH® Tools
        2. 9.2.2.2  Output Voltage Setpoint
        3. 9.2.2.3  Switching Frequency
        4. 9.2.2.4  Inductor Selection
        5. 9.2.2.5  Output Capacitor Selection
        6. 9.2.2.6  Feed-Forward Capacitor
        7. 9.2.2.7  Input Capacitor Selection
        8. 9.2.2.8  Bootstrap Capacitor Selection
        9. 9.2.2.9  VCC Capacitor Selection
        10. 9.2.2.10 Undervoltage Lockout Setpoint
      3. 9.2.3 Application Curves
  10. 10Power Supply Recommendations
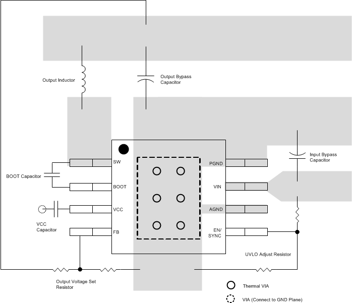
  11. 11Layout
    1. 11.1 Layout Guidelines
      1. 11.1.1 Compact Layout for EMI Reduction
      2. 11.1.2 Ground Plane and Thermal Considerations
      3. 11.1.3 Feedback Resistors
    2. 11.2 Layout Examples
  12. 12Device and Documentation Support
    1. 12.1 Device Support
      1. 12.1.1 Development Support
        1. 12.1.1.1 Custom Design With WEBENCH® Tools
    2. 12.2 Receiving Notification of Documentation Updates
    3. 12.3 Community Resources
    4. 12.4 Trademarks
    5. 12.5 Electrostatic Discharge Caution
    6. 12.6 Glossary
  13. 13Mechanical, Packaging, and Orderable Information

Package Options

Refer to the PDF data sheet for device specific package drawings

Mechanical Data (Package|Pins)
  • DRR|12
  • DDA|8
Thermal pad, mechanical data (Package|Pins)
Orderable Information

Layout Examples

LMR23625-Q1 layout_example_snvsah2.gifFigure 33. SOIC Layout
LMR23625-Q1 lmr23625-q1-layout-snvsar5.gifFigure 34. WSON Layout