SNOS976M November   2001  – September 2016 LMV981-N , LMV982-N

PRODUCTION DATA.  

  1. Features
  2. Applications
  3. Description
  4. Revision History
  5. Description (continued)
  6. Pin Configuration and Functions
  7. Specifications
    1. 7.1  Absolute Maximum Ratings
    2. 7.2  ESD Ratings
    3. 7.3  Recommended Operating Conditions
    4. 7.4  Thermal Information
    5. 7.5  Electrical Characteristics - DC, 1.8 V
    6. 7.6  Electrical Characteristics - AC, 1.8 V
    7. 7.7  Electrical Characteristics - DC, 2.7 V
    8. 7.8  Electrical Characteristics - AC, 2.7 V
    9. 7.9  Electrical Characteristics - DC, 5 V
    10. 7.10 Electrical Characteristics - AC, 5 V
    11. 7.11 Typical Characteristics
  8. Detailed Description
    1. 8.1 Overview
    2. 8.2 Functional Block Diagram
    3. 8.3 Feature Description
    4. 8.4 Device Functional Modes
      1. 8.4.1 Input and Output Stage
      2. 8.4.2 Shutdown Mode
      3. 8.4.3 Input Bias Current Consideration
  9. Application and Implementation
    1. 9.1 Application Information
    2. 9.2 Typical Applications
      1. 9.2.1 High-Side Current-Sensing Application
        1. 9.2.1.1 Design Requirements
        2. 9.2.1.2 Detailed Design Procedure
        3. 9.2.1.3 Application Curve
      2. 9.2.2 Half-Wave Rectifier Applications
        1. 9.2.2.1 Design Requirements
        2. 9.2.2.2 Detailed Design Procedure
        3. 9.2.2.3 Application Curves
      3. 9.2.3 Instrumentation Amplifier With Rail-to-Rail Input and Output Application
        1. 9.2.3.1 Design Requirements
        2. 9.2.3.2 Detailed Design Procedure
        3. 9.2.3.3 Application Curve
    3. 9.3 Do's and Don'ts
  10. 10Power Supply Recommendations
  11. 11Layout
    1. 11.1 Layout Guidelines
    2. 11.2 Layout Example
  12. 12Device and Documentation Support
    1. 12.1 Documentation Support
      1. 12.1.1 Related Documentation
    2. 12.2 Related Links
    3. 12.3 Receiving Notification of Documentation Updates
    4. 12.4 Community Resources
    5. 12.5 Trademarks
    6. 12.6 Electrostatic Discharge Caution
    7. 12.7 Glossary
  13. 13Mechanical, Packaging, and Orderable Information

Package Options

Mechanical Data (Package|Pins)
Thermal pad, mechanical data (Package|Pins)
Orderable Information

6 Pin Configuration and Functions

YZR Package
6-Pin DSBGA
Top View
LMV981-N LMV982-N 981_DSBGA_wSD.gif
DCK or DBV Package
6-Pin SC70 or SOT-23
Top View
LMV981-N LMV982-N SOT_Southeast_wSD.gif

Pin Functions: LMV981-N

PIN TYPE(1) DESCRIPTION
NAME DSBGA SC70, SOT-23
+IN C1 1 I Noninverting input
–IN C2 3 I Inverting input
OUT A2 4 O Output
SHDN B1 5 I Shutdown input
V+ A1 6 P Positive (highest) power supply
V– B2 2 P Negative (lowest) power supply
(1) I = Input, O = Output, P = Power
DGS Package
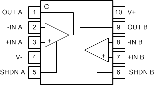
10-Pin VSSOP
Top View
LMV981-N LMV982-N Dual_wSD_SOIC.gif

Pin Functions: LMV982-N

PIN TYPE(1) DESCRIPTION
NAME VSSOP
+IN A 3 I Noninverting input, channel A
+IN B 7 I Noninverting input, channel B
–IN A 2 I Inverting input, channel A
–IN B 8 I Inverting input, channel B
OUT A 1 O Output, channel A
OUT B 9 O Output, channel B
SHDN A 5 I Shutdown input, channel A
SHDN B 6 I Shutdown input, channel B
V+ 10 P Positive (highest) power supply
V– 4 P Negative (lowest) power supply
(1) I = Input, O = Output, P = Power