SLVSGO3 December   2021 MCT8316Z-Q1

PRODUCTION DATA  

  1. Features
  2. Applications
  3. Description
  4. Revision History
  5. Device Comparison Table
  6. Pin Configuration and Functions
  7. Specifications
    1. 7.1 Absolute Maximum Ratings
    2. 7.2 ESD Ratings AUTO
    3. 7.3 Recommended Operating Conditions
    4. 7.4 Thermal Information
    5. 7.5 Electrical Characteristics
    6. 7.6 SPI Timing Requirements
    7. 7.7 SPI Secondary Device Mode Timings
    8. 7.8 Typical Characteristics
  8. Detailed Description
    1. 8.1 Overview
    2. 8.2 Functional Block Diagram
    3. 8.3 Feature Description
      1. 8.3.1  Output Stage
      2. 8.3.2  PWM Control Mode (1x PWM Mode)
        1. 8.3.2.1 Analog Hall Input Configuration
        2. 8.3.2.2 Digital Hall Input Configuration
        3. 8.3.2.3 Asynchronous Modulation
        4. 8.3.2.4 Synchronous Modulation
        5. 8.3.2.5 Motor Operation
      3. 8.3.3  Device Interface Modes
        1. 8.3.3.1 Serial Peripheral Interface (SPI)
        2. 8.3.3.2 Hardware Interface
      4. 8.3.4  Step-Down Mixed-Mode Buck Regulator
        1. 8.3.4.1 Buck in Inductor Mode
        2. 8.3.4.2 Buck in Resistor mode
        3. 8.3.4.3 Buck Regulator with External LDO
        4. 8.3.4.4 AVDD Power Sequencing on Buck Regulator
        5. 8.3.4.5 Mixed mode Buck Operation and Control
      5. 8.3.5  AVDD Linear Voltage Regulator
      6. 8.3.6  Charge Pump
      7. 8.3.7  Slew Rate Control
      8. 8.3.8  Cross Conduction (Dead Time)
      9. 8.3.9  Propagation Delay
        1. 8.3.9.1 Driver Delay Compensation
      10. 8.3.10 Pin Diagrams
        1. 8.3.10.1 Logic Level Input Pin (Internal Pulldown)
        2. 8.3.10.2 Logic Level Input Pin (Internal Pullup)
        3. 8.3.10.3 Open Drain Pin
        4. 8.3.10.4 Push Pull Pin
        5. 8.3.10.5 Four Level Input Pin
        6. 8.3.10.6 Seven Level Input Pin
      11. 8.3.11 Active Demagnetization
        1. 8.3.11.1 Automatic Synchronous Rectification Mode (ASR Mode)
          1. 8.3.11.1.1 Automatic Synchronous Rectification in Commutation
          2. 8.3.11.1.2 Automatic Synchronous Rectification in PWM Mode
        2. 8.3.11.2 Automatic Asynchronous Rectification Mode (AAR Mode)
      12. 8.3.12 Cycle-by-Cycle Current Limit
        1. 8.3.12.1 Cycle by Cycle Current Limit with 100% Duty Cycle Input
      13. 8.3.13 Hall Comparators (Analog Hall Inputs)
      14. 8.3.14 Advance Angle
      15. 8.3.15 FGOUT Signal
      16. 8.3.16 Protections
        1. 8.3.16.1  VM Supply Undervoltage Lockout (NPOR)
        2. 8.3.16.2  AVDD Undervoltage Lockout (AVDD_UV)
        3. 8.3.16.3  BUCK Undervoltage Lockout (BUCK_UV)
        4. 8.3.16.4  VCP Charge Pump Undervoltage Lockout (CPUV)
        5. 8.3.16.5  Overvoltage Protections (OV)
        6. 8.3.16.6  Overcurrent Protection (OCP)
          1. 8.3.16.6.1 OCP Latched Shutdown (OCP_MODE = 00b)
          2. 8.3.16.6.2 OCP Automatic Retry (OCP_MODE = 01b)
          3. 8.3.16.6.3 OCP Report Only (OCP_MODE = 10b)
          4. 8.3.16.6.4 OCP Disabled (OCP_MODE = 11b)
        7. 8.3.16.7  Buck Overcurrent Protection
        8. 8.3.16.8  Motor Lock (MTR_LOCK)
          1. 8.3.16.8.1 MTR_LOCK Latched Shutdown (MTR_LOCK_MODE = 00b)
          2. 8.3.16.8.2 MTR_LOCK Automatic Retry (MTR_LOCK_MODE = 01b)
          3. 8.3.16.8.3 MTR_LOCK Report Only (MTR_LOCK_MODE= 10b)
          4. 8.3.16.8.4 MTR_LOCK Disabled (MTR_LOCK_MODE = 11b)
          5. 8.3.16.8.5 76
        9. 8.3.16.9  Thermal Warning (OTW)
        10. 8.3.16.10 Thermal Shutdown (OTS)
          1. 8.3.16.10.1 OTS FET
          2. 8.3.16.10.2 OTS (Non FET)
    4. 8.4 Device Functional Modes
      1. 8.4.1 Functional Modes
        1. 8.4.1.1 Sleep Mode
        2. 8.4.1.2 Operating Mode
        3. 8.4.1.3 Fault Reset (CLR_FLT or nSLEEP Reset Pulse)
      2. 8.4.2 DRVOFF functionality
    5. 8.5 SPI Communication
      1. 8.5.1 Programming
        1. 8.5.1.1 SPI Format
    6. 8.6 Register Map
      1. 8.6.1 STATUS Registers
      2. 8.6.2 CONTROL Registers
  9. Application and Implementation
    1. 9.1 Application Information
    2. 9.2 Hall Sensor Configuration and Connection
      1. 9.2.1 Typical Configuration
      2. 9.2.2 Open Drain Configuration
      3. 9.2.3 Series Configuration
      4. 9.2.4 Parallel Configuration
    3. 9.3 Typical Applications
      1. 9.3.1 Three-Phase Brushless-DC Motor Control With Current Limit
        1. 9.3.1.1 Detailed Design Procedure
          1. 9.3.1.1.1 Motor Voltage
          2. 9.3.1.1.2 Using Active Demagnetization
          3. 9.3.1.1.3 Using Delay Compensation
          4. 9.3.1.1.4 Using the Buck Regulator
          5. 9.3.1.1.5 Power Dissipation and Junction Temperature Losses
        2. 9.3.1.2 Application Curves
  10. 10Power Supply Recommendations
    1. 10.1 Bulk Capacitance
  11. 11Layout
    1. 11.1 Layout Guidelines
    2. 11.2 Layout Example
    3. 11.3 Thermal Considerations
      1. 11.3.1 Power Dissipation
  12. 12Device and Documentation Support
    1. 12.1 Documentation Support
      1. 12.1.1 Related Documentation
    2. 12.2 Support Resources
    3. 12.3 Trademarks
    4. 12.4 Electrostatic Discharge Caution
    5. 12.5 Glossary

Package Options

Mechanical Data (Package|Pins)
Thermal pad, mechanical data (Package|Pins)
Orderable Information

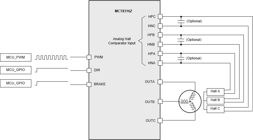
Analog Hall Input Configuration

Figure 8-3 shows the connection of Analog Hall inputs to the driver. Analog hall elements are fed to the hall comparators, which zero crossing is used to generate the commutation logic.

GUID-20210105-CA0I-MX5B-JZNV-CFBZVLKWL2ZN-low.gif Figure 8-3 1x PWM Mode with Analog Hall Input
Note:

Texas Instruments recommends motor direction (DIR) change when the motor is stationary.