SLASEC9 April   2017 MSP430FR5989-EP

PRODUCTION DATA.  

  1. 1Device Overview
    1. 1.1 Features
    2. 1.2 Applications
    3. 1.3 Description
    4. 1.4 Functional Block Diagram
  2. 2Revision History
  3. 3Terminal Configuration and Functions
    1. 3.1 Pin Diagram
    2. 3.2 Signal Descriptions
    3. 3.3 Pin Multiplexing
    4. 3.4 Connection of Unused Pins
  4. 4 Specifications
    1. 4.1  Absolute Maximum Ratings
    2. 4.2  ESD Ratings
    3. 4.3  Recommended Operating Conditions
    4. 4.4  Active Mode Supply Current Into VCC Excluding External Current
    5. 4.5  Typical Characteristics, Active Mode Supply Currents
    6. 4.6  Low-Power Mode (LPM0, LPM1) Supply Currents Into VCC Excluding External Current
    7. 4.7  Low-Power Mode (LPM2, LPM3, LPM4) Supply Currents (Into VCC) Excluding External Current
    8. 4.8  Low-Power Mode With LCD Supply Currents (Into VCC) Excluding External Current
    9. 4.9  Low-Power Mode LPMx.5 Supply Currents (Into VCC) Excluding External Current
    10. 4.10 Typical Characteristics, Low-Power Mode Supply Currents
    11. 4.11 Typical Characteristics, Current Consumption per Module
    12. 4.12 Thermal Resistance Characteristics
    13. 4.13 Timing and Switching Characteristics
      1. 4.13.1 Power Supply Sequencing
      2. 4.13.2 Reset Timing
      3. 4.13.3 Clock Specifications
      4. 4.13.4 Wake-up Characteristics
        1. 4.13.4.1 Typical Characteristics, Average LPM Currents vs Wake-up Frequency
      5. 4.13.5 Peripherals
        1. 4.13.5.1 Digital I/Os
          1. 4.13.5.1.1 Typical Characteristics, Digital Outputs at 3.0 V and 2.2 V
          2. 4.13.5.1.2 Typical Characteristics, Pin-Oscillator Frequency
        2. 4.13.5.2 Timer_A and Timer_B
        3. 4.13.5.3 eUSCI
        4. 4.13.5.4 LCD Controller
        5. 4.13.5.5 ADC
        6. 4.13.5.6 Reference
        7. 4.13.5.7 Comparator
        8. 4.13.5.8 Scan Interface
        9. 4.13.5.9 FRAM Controller
      6. 4.13.6 Emulation and Debug
  5. 5Detailed Description
    1. 5.1  Overview
    2. 5.2  CPU
    3. 5.3  Operating Modes
      1. 5.3.1 Peripherals in Low-Power Modes
        1. 5.3.1.1 Idle Currents of Peripherals in LPM3 and LPM4
    4. 5.4  Interrupt Vector Table and Signatures
    5. 5.5  Bootloader (BSL)
    6. 5.6  JTAG Operation
      1. 5.6.1 JTAG Standard Interface
      2. 5.6.2 Spy-Bi-Wire Interface
    7. 5.7  FRAM
    8. 5.8  RAM
    9. 5.9  Tiny RAM
    10. 5.10 Memory Protection Unit Including IP Encapsulation
    11. 5.11 Peripherals
      1. 5.11.1  Digital I/O
      2. 5.11.2  Oscillator and Clock System (CS)
      3. 5.11.3  Power-Management Module (PMM)
      4. 5.11.4  Hardware Multiplier (MPY)
      5. 5.11.5  Real-Time Clock (RTC_C)
      6. 5.11.6  Watchdog Timer (WDT_A)
      7. 5.11.7  System Module (SYS)
      8. 5.11.8  DMA Controller
      9. 5.11.9  Enhanced Universal Serial Communication Interface (eUSCI)
      10. 5.11.10 Extended Scan Interface (ESI)
      11. 5.11.11 Timer_A TA0, Timer_A TA1
      12. 5.11.12 Timer_A TA2
      13. 5.11.13 Timer_A TA3
      14. 5.11.14 Timer_B TB0
      15. 5.11.15 ADC12_B
      16. 5.11.16 Comparator_E
      17. 5.11.17 CRC16
      18. 5.11.18 CRC32
      19. 5.11.19 AES256 Accelerator
      20. 5.11.20 True Random Seed
      21. 5.11.21 Shared Reference (REF_A)
      22. 5.11.22 LCD_C
      23. 5.11.23 Embedded Emulation
        1. 5.11.23.1 Embedded Emulation Module (EEM)
        2. 5.11.23.2 EnergyTrace++™ Technology
      24. 5.11.24 Input/Output Diagrams
        1. 5.11.24.1  Digital I/O Functionality - Ports P1 to P10
        2. 5.11.24.2  Capacitive Touch Functionality Ports P1 to P10 and PJ
        3. 5.11.24.3  Port P1 (P1.0 to P1.3) Input/Output With Schmitt Trigger
        4. 5.11.24.4  Port P1 (P1.4 to P1.7) Input/Output With Schmitt Trigger
        5. 5.11.24.5  Port P2 (P2.0 to P2.3) Input/Output With Schmitt Trigger
        6. 5.11.24.6  Port P2 (P2.4 to P2.7) Input/Output With Schmitt Trigger
        7. 5.11.24.7  Port P3 (P3.0 to P3.7) Input/Output With Schmitt Trigger
        8. 5.11.24.8  Port P4 (P4.0 to P4.7) Input/Output With Schmitt Trigger
        9. 5.11.24.9  Port P5 (P5.0 to P5.7) Input/Output With Schmitt Trigger
        10. 5.11.24.10 Port P6 (P6.0 to P6.6) Input/Output With Schmitt Trigger
        11. 5.11.24.11 Port P6 (P6.7) Input/Output With Schmitt Trigger
        12. 5.11.24.12 Port P7 (P7.0 to P7.7) Input/Output With Schmitt Trigger
        13. 5.11.24.13 Port P8 (P8.0 to P8.3) Input/Output With Schmitt Trigger
        14. 5.11.24.14 Port P8 (P8.4 to P8.7) Input/Output With Schmitt Trigger
        15. 5.11.24.15 Port P9 (P9.0 to P9.3) Input/Output With Schmitt Trigger
        16. 5.11.24.16 Port P9 (P9.4 to P9.7) Input/Output With Schmitt Trigger
        17. 5.11.24.17 Port P10 (P10.0 to P10.2) Input/Output With Schmitt Trigger
        18. 5.11.24.18 Port PJ (PJ.4 and PJ.5) Input/Output With Schmitt Trigger
        19. 5.11.24.19 Port PJ (PJ.6 and PJ.7) Input/Output With Schmitt Trigger
        20. 5.11.24.20 Port PJ (PJ.0 to PJ.3) JTAG Pins TDO, TMS, TCK, TDI/TCLK, Input/Output With Schmitt Trigger
    12. 5.12 Device Descriptors (TLV)
    13. 5.13 Memory
      1. 5.13.1 Peripheral File Map
    14. 5.14 Identification
      1. 5.14.1 Revision Identification
      2. 5.14.2 Device Identification
      3. 5.14.3 JTAG Identification
  6. 6Applications, Implementation, and Layout
    1. 6.1 Device Connection and Layout Fundamentals
      1. 6.1.1 Power Supply Decoupling and Bulk Capacitors
      2. 6.1.2 External Oscillator
      3. 6.1.3 JTAG
      4. 6.1.4 Reset
      5. 6.1.5 Unused Pins
      6. 6.1.6 General Layout Recommendations
      7. 6.1.7 Do's and Don'ts
    2. 6.2 Peripheral- and Interface-Specific Design Information
      1. 6.2.1 ADC12_B Peripheral
        1. 6.2.1.1 Partial Schematic
        2. 6.2.1.2 Design Requirements
        3. 6.2.1.3 Detailed Design Procedure
        4. 6.2.1.4 Layout Guidelines
      2. 6.2.2 LCD_C Peripheral
        1. 6.2.2.1 Partial Schematic
        2. 6.2.2.2 Design Requirements
        3. 6.2.2.3 Detailed Design Procedure
        4. 6.2.2.4 Layout Guidelines
  7. 7Device and Documentation Support
    1. 7.1 Device and Development Tool Nomenclature
    2. 7.2 Tools and Software
    3. 7.3 Documentation Support
    4. 7.4 Community Resources
    5. 7.5 Trademarks
    6. 7.6 Electrostatic Discharge Caution
    7. 7.7 Export Control Notice
    8. 7.8 Glossary
  8. 8Mechanical, Packaging, and Orderable Information

Package Options

Mechanical Data (Package|Pins)
Thermal pad, mechanical data (Package|Pins)
Orderable Information

Detailed Description

Overview

The TI MSP430FR5989-EP families of ultra-low-power microcontrollers consists of several devices featuring different sets of peripherals. The architecture, combined with seven low-power modes, is optimized to achieve extended battery life for example in flow metering applications. The devices features a powerful 16-bit RISC CPU, 16-bit registers, and constant generators that contribute to maximum code efficiency.

The MSP430FR5989-EP device is a microcontroller configuration with an extended scan interface (ESI) for background water, heat and gas volume metering together with up to five 16-bit timers, a comparator, eUSCIs that support UART, SPI, and I2C, a hardware multiplier, an AES accelerator, DMA, an RTC module with alarm capabilities, up to 83 I/O pins, and a high-performance 12-bit ADC.

CPU

The MSP430FR5989-EP CPU has a 16-bit RISC architecture that is highly transparent to the application. All operations, other than program-flow instructions, are performed as register operations in conjunction with seven addressing modes for source operand and four addressing modes for destination operand.

The CPU is integrated with 16 registers that provide reduced instruction execution time. The register-to-register operation execution time is one cycle of the CPU clock.

Four of the registers, R0 to R3, are dedicated as program counter, stack pointer, status register, and constant generator, respectively. The remaining registers are general-purpose registers.

Peripherals are connected to the CPU using data, address, and control buses. Peripherals can be managed with all instructions.

The instruction set consists of the original 51 instructions with three formats and seven address modes and additional instructions for the expanded address range. Each instruction can operate on word and byte data.

Operating Modes

The MSP430FR5989-EP devices have one active mode and seven software selectable low-power modes of operation (see Table 5-1). An interrupt event can wake up the device from a low-power mode (LPM0 to LPM4), service the request, and restore back to the low-power mode on return from the interrupt program. Low-power modes LPM3.5 and LPM4.5 disable the core supply to minimize power consumption.

Table 5-1 Operating Modes

MODE AM LPM0 LPM1 LPM2 LPM3 LPM4 LPM3.5 LPM4.5
ACTIVE ACTIVE,
FRAM OFF (1)
CPU OFF (2) CPU OFF STANDBY STANDBY OFF RTC ONLY SHUTDOWN WITH SVS SHUTDOWN WITHOUT SVS
Maximum system clock 16 MHz 16 MHz 16 MHz 50 kHz 50 kHz 0 (3) 50 kHz 0 (3)
Typical current consumption, TJ = 25°C 103 µA/MHz 65 µA/MHz 75 µA at 1 MHz 40 µA at 1 MHz 0.9 µA 0.4 µA 0.3 µA 0.35 µA 0.2 µA 0.02 µA
Typical wake-up time N/A instant. 6 µs 6 µs 7 µs 7 µs 250 µs 250 µs 1000 µs
Wake-up events N/A all all LF
I/O
Comp
LF
I/O
Comp
_
I/O
Comp
RTC
I/O
_
I/O
CPU on off off off off off reset reset
FRAM on off(1) standby (or off (1)) off off off off off off
High-frequency peripherals(6) available available available off off off reset reset
Low-frequency peripherals(6) available available available available available (5) off RTC reset
Unclocked peripherals(6) available available available available available (5) available (5) reset reset
MCLK on
(16MHzMAX)
off off off off off off off
SMCLK opt. (4)
(16MHzMAX)
opt. (4)
(16MHzMAX)
opt. (4)
(16MHzMAX)
off off off off off
ACLK on
(50 kHzMAX)
on
(50 kHzMAX)
on
(50 kHzMAX)
on
(50 kHzMAX)
on
(50 kHzMAX)
off off off
External clock optional
(16MHzMAX)
optional
(16MHzMAX)
optional
(16MHzMAX)
optional
(50 kHzMAX)
optional
(50 kHzMAX)
optional
(50 kHzMAX)
off off
Full retention yes yes yes yes yes (7) yes (7) no no
SVS always always always opt. (8) opt. (8) opt. (8) opt. (8) on (9) off (10)
Brownout always always always always always always always always
FRAM disabled in FRAM controller
Disabling the FRAM through the FRAM controller decreases the LPM current consumption, but the wake-up time can increase. If the wake-up is for FRAM access (for example, to fetch an interrupt vector), wake-up time is increased. If the wake-up is for an operation other than FRAM access (for example, DMA transfer to RAM), wake-up time is not increased.
All clocks disabled
Controlled by SMCLKOFF
See Section 5.3.1, which describes the use of peripherals in LPM3 and LPM4.
See Table 5-2 for a detailed description of peripherals in high-frequency, low-frequency, or unclocked state.
Using the RAM controller, the RAM can be completely powered down to save leakage; however, all data are lost.
Activated SVS (SVSHE = 1) results in higher current consumption. SVS is not included in typical current consumption.
SVSHE = 1
SVSHE = 0

Peripherals in Low-Power Modes

Peripherals can be in different states that impact the achievable power modes of the device. The states depend on the operational modes of the peripherals. The states are:

  • A peripheral is in a high-frequency state if it requires or uses a clock with a "high" frequency of more than 50 kHz.
  • A peripheral is in a low-frequency state if it requires or uses a clock with a "low" frequency of 50 kHz or less.
  • A peripheral is in an unclocked state if it does not require or use an internal clock.

If the CPU requests a power mode that does not support the current state of all active peripherals, the device does not enter the requested power mode and instead enters a power mode that still supports the current state of the peripherals, unless an external clock is used. If an external clock is used, the application must ensure that the correct frequency range for the requested power mode is selected.

Table 5-2 Peripheral States

PERIPHERAL IN HIGH-FREQUENCY STATE(1) IN LOW-FREQUENCY STATE(2) IN UNCLOCKED STATE(3)
WDT Clocked by SMCLK Clocked by ACLK Not applicable
DMA(4) Not applicable Not applicable Waiting for a trigger
RTC_C Not applicable Clocked by LFXT Not applicable
LCD_C Not applicable Clocked by ACLK or VLOCLK Not applicable
Timer_A TAx Clocked by SMCLK or
clocked by external clock >50 kHz
Clocked by ACLK or
clocked by external clock ≤50 kHz.
Clocked by external clock ≤50 kHz.
Timer_B TBx Clocked by SMCLK or
clocked by external clock >50 kHz
Clocked by ACLK or
clocked by external clock ≤50 kHz
Clocked by external clock ≤50 kHz
eUSCI_Ax in UART mode Clocked by SMCLK Clocked by ACLK Waiting for first edge of START bit
eUSCI_Ax in SPI master mode Clocked by SMCLK Clocked by ACLK Not applicable
eUSCI_Ax in SPI slave mode Clocked by external clock >50 kHz Clocked by external clock ≤50 kHz Clocked by external clock ≤50 kHz
eUSCI_Bx in I2C master mode Clocked by SMCLK or
clocked by external clock >50 kHz
Clocked by ACLK or
clocked by external clock ≤50 kHz
Not applicable
eUSCI_Bx in I2C slave mode Clocked by external clock >50 kHz Clocked by external clock ≤50 kHz Waiting for START condition or
clocked by external clock ≤50 kHz
eUSCI_Bx in SPI master mode Clocked by SMCLK Clocked by ACLK Not applicable
eUSCI_Bx in SPI slave mode Clocked by external clock >50 kHz Clocked by external clock ≤50 kHz Clocked by external clock ≤50 kHz
ESI Clocked by SMCLK Clocked by ACLK or ESIOSC Not applicable
ADC12_B Clocked by SMCLK or by MODOSC Clocked by ACLK Waiting for a trigger
REF_A Not applicable Not applicable Always
COMP_E Not applicable Not applicable Always
CRC(5) Not applicable Not applicable Not applicable
MPY(5) Not applicable Not applicable Not applicable
AES(5) Not applicable Not applicable Not applicable
Peripherals are in a state that requires or uses a clock with a "high" frequency of more than 50 kHz.
Peripherals are in a state that requires or uses a clock with a "low" frequency of 50 kHz or less.
Peripherals are in a state that does not require or does not use an internal clock.
The DMA always transfers data in active mode but can wait for a trigger in any low-power mode. A DMA trigger during a low-power mode will cause a temporary transition into active mode for the time of the transfer.
Operates only during active mode and will delay the transition into a low-power mode until its operation is completed.

Idle Currents of Peripherals in LPM3 and LPM4

Most peripherals can be activated to be operational in LPM3 if clocked by ACLK. Some modules are even operational in LPM4 because they do not require a clock to operate (for example, the comparator). Activating a peripheral in LPM3 or LPM4 increases the current consumption due to its active supply current contribution but also due to an additional idle current. To limit the idle current adder certain peripherals are group together. To achieve optimal current consumption try to use modules within one group and to limit the number of groups with active modules. Table 5-3 lists the group for each peripheral. Modules not listed in this table are either already included in the standard LPM3 current consumption specifications or cannot be used in LPM3 or LPM4.

The idle current adder is very small at room temperature (25°C) but increases at high temperatures (95°C). See the IIDLE parameters in Section 4.7 for details.

Table 5-3 Peripheral Groups

GROUP A GROUP B GROUP C GROUP D
Timer TA0 Timer TA1 Timer TA2 Timer TA3
Comparator Extended Scan Interface (ESI) Timer B0 LCD_C
ADC12_B eUSCI_A0 eUSCI_A1
REF_A eUSCI_B0
eUSCI_B1

Interrupt Vector Table and Signatures

The interrupt vectors, the power-up start address and signatures are in the address range 0FFFFh to 0FF80h. Figure 5-1 summarizes the content of this address range.

MSP430FR5989-EP Interrupts_Signatures_Passwords.gif Figure 5-1 Interrupt Vectors, Signatures, and Passwords

The power-up start address or reset vector is located at 0FFFFh to 0FFFEh. It contains the 16-bit address pointing to the start address of the application program.

The interrupt vectors start at 0FFFDh and extend to lower addresses. Each vector contains the 16-bit address of the appropriate interrupt-handler instruction sequence. Table 5-4 shows the device-specific interrupt vector locations.

The vectors programmed into the address range from 0FFFFh to 0FFE0h are used as the BSL password (if enabled by the corresponding signature).

The signatures are located at 0FF80h and extend to higher addresses. Signatures are evaluated during device start-up. Table 5-5 shows the device-specific signature locations.

A JTAG password can be programmed starting at address 0FF88h and extending to higher addresses. The password can extend into the interrupt vector locations using the interrupt vector addresses as additional bits for the password. The length of the JTAG password depends on the JTAG signature.

See the System Resets, Interrupts, and Operating Modes, System Control Module (SYS) chapter in the MSP430FR58xx, MSP430FR59xx, MSP430FR68xx, MSP430FR69xx Family User's Guide for details.

Table 5-4 Interrupt Sources, Flags, and Vectors

INTERRUPT SOURCE INTERRUPT FLAG SYSTEM INTERRUPT WORD ADDRESS PRIORITY
System Reset
Power up, Brownout, Supply Supervisor
External Reset RST
Watchdog time-out (watchdog mode)
WDT, FRCTL MPU, CS, PMM password violation
FRAM uncorrectable bit error detection
MPU segment violation
FRAM access time error
Software POR, BOR

SVSHIFG
PMMRSTIFG
WDTIFG
WDTPW, FRCTLPW, MPUPW, CSPW, PMMPW
UBDIFG
MPUSEGIIFG, MPUSEG1IFG, MPUSEG2IFG, MPUSEG3IFG
ACCTEIFG
PMMPORIFG, PMMBORIFG
(SYSRSTIV) (1) (2)
Reset 0FFFEh Highest
System NMI
Vacant memory access
JTAG mailbox
FRAM bit error detection
MPU segment violation
 
VMAIFG
JMBINIFG, JMBOUTIFG
CBDIFG, UBDIFG
MPUSEGIIFG, MPUSEG1IFG, MPUSEG2IFG, MPUSEG3IFG
(SYSSNIV) (1) (3)
(Non)maskable 0FFFCh
User NMI
External NMI
Oscillator fault
NMIIFG, OFIFG
(SYSUNIV) (1) (3)
(Non)maskable 0FFFAh
Comparator_E Comparator_E interrupt flags
(CEIV) (1)
Maskable 0FFF8h
Timer_B TB0 TB0CCR0.CCIFG Maskable 0FFF6h
Timer_B TB0 TB0CCR1.CCIFG to TB0CCR6.CCIFG,
TB0CTL.TBIFG
(TB0IV)(1)
Maskable 0FFF4h
Watchdog timer
(interval timer mode)
WDTIFG Maskable 0FFF2h
Extended Scan IF ESIIFG0 to ESIIFG8
(ESIIV) (1)
Maskable 0FFF0h
eUSCI_A0 receive or transmit UCA0IFG: UCRXIFG, UCTXIFG (SPI mode)
UCA0IFG:UCSTTIFG, UCTXCPTIFG, UCRXIFG, UCTXIFG (UART mode)
(UCA0IV)(1)
Maskable 0FFEEh
eUSCI_B0 receive or transmit UCB0IFG: UCRXIFG, UCTXIFG (SPI mode)
UCB0IFG: UCALIFG, UCNACKIFG, UCSTTIFG, UCSTPIFG, UCRXIFG0, UCTXIFG0, UCRXIFG1, UCTXIFG1, UCRXIFG2, UCTXIFG2, UCRXIFG3, UCTXIFG3, UCCNTIFG, UCBIT9IFG (I2C mode)
(UCB0IV)(1)
Maskable 0FFECh
ADC12_B ADC12IFG0 to ADC12IFG31
ADC12LOIFG, ADC12INIFG, ADC12HIIFG, ADC12RDYIFG, ADC12OVIFG, ADC12TOVIFG
(ADC12IV) (1)
Maskable 0FFEAh
Timer_A TA0 TA0CCR0.CCIFG Maskable 0FFE8h
Timer_A TA0 TA0CCR1.CCIFG to TA0CCR2.CCIFG,
TA0CTL.TAIFG
(TA0IV)(1)
Maskable 0FFE6h
eUSCI_A1 receive or transmit UCA1IFG:UCRXIFG, UCTXIFG (SPI mode)
UCA1IFG:UCSTTIFG, UCTXCPTIFG, UCRXIFG, UCTXIFG (UART mode)
(UCA1IV)(1)
Maskable 0FFE4h
eUSCI_B1 receive or transmit) UCB1IFG: UCRXIFG, UCTXIFG (SPI mode)
UCB1IFG: UCALIFG, UCNACKIFG, UCSTTIFG, UCSTPIFG, UCRXIFG0, UCTXIFG0, UCRXIFG1, UCTXIFG1, UCRXIFG2, UCTXIFG2, UCRXIFG3, UCTXIFG3, UCCNTIFG, UCBIT9IFG (I2C mode)
(UCB1IV)(1)
Maskable 0FFE2h
DMA DMA0CTL.DMAIFG, DMA1CTL.DMAIFG, DMA2CTL.DMAIFG
(DMAIV)(1)
Maskable 0FFE0h
Timer_A TA1 TA1CCR0.CCIFG Maskable 0FFDEh
Timer_A TA1 TA1CCR1.CCIFG to TA1CCR2.CCIFG,
TA1CTL.TAIFG
(TA1IV)(1)
Maskable 0FFDCh
I/O Port P1 P1IFG.0 to P1IFG.7
(P1IV)(1)
Maskable 0FFDAh
Timer_A TA2 TA2CCR0.CCIFG Maskable 0FFD8h
Timer_A TA2 TA2CCR1.CCIFG
TA2CTL.TAIFG
(TA2IV)(1)
Maskable 0FFD6h
I/O Port P2 P2IFG.0 to P2IFG.7
(P2IV) (1)
Maskable 0FFD4h
Timer_A TA3 TA3CCR0.CCIFG Maskable 0FFD2h
Timer_A TA3 TA3CCR1.CCIFG
TA3CTL.TAIFG
(TA3IV)(1)
Maskable 0FFD0h
I/O Port P3 P3IFG.0 to P3IFG.7
(P3IV) (1)
Maskable 0FFCEh
I/O Port P4 P4IFG.0 to P4IFG.7
(P4IV) (1)
Maskable 0FFCCh
LCD_C
(Reserved on MSP430FR5xxx)
LCD_C interrupt flags (LCDCIV) (1) Maskable 0FFCAh
RTC_C RTCRDYIFG, RTCTEVIFG, RTCAIFG, RT0PSIFG, RT1PSIFG, RTCOFIFG
(RTCIV) (1)
Maskable 0FFC8h
AES AESRDYIFG Maskable 0FFC6h Lowest
Multiple source flags
A reset is generated if the CPU tries to fetch instructions from within peripheral space
(Non)maskable: the individual interrupt-enable bit can disable an interrupt event, but the general-interrupt enable cannot disable it.

Table 5-5 Signatures

SIGNATURE WORD ADDRESS
IP Encapsulation Signature2 0FF8Ah
IP Encapsulation Signature1 (1) 0FF88h
BSL Signature2 0FF86h
BSL Signature1 0FF84h
JTAG Signature2 0FF82h
JTAG Signature1 0FF80h
Must not contain 0AAAAh if used as JTAG password and IP encapsulation functionality is not desired.

Bootloader (BSL)

The BSL enables programming of the FRAM or RAM using a UART serial interface (FRxxxx devices) or an I2C interface (FRxxxx1 devices). Access to the device memory through the BSL is protected by an user-defined password. Table 5-6 lists the BSL pin requirements. BSL entry requires a specific entry sequence on the RST/NMI/SBWTDIO and TEST/SBWTCK pins. For complete description of the features of the BSL and its implementation, see MSP430 Programming With the Bootloader (BSL).

Table 5-6 BSL Pin Requirements and Functions

DEVICE SIGNAL BSL FUNCTION
RST/NMI/SBWTDIO Entry sequence signal
TEST/SBWTCK Entry sequence signal
P2.0 Devices with UART BSL (FRxxxx): Data transmit
P2.1 Devices with UART BSL (FRxxxx): Data receive
P1.6 Devices with I2C BSL (FRxxxx1): Data
P1.7 Devices with I2C BSL (FRxxxx1): Clock
VCC Power supply
VSS Ground supply

JTAG Operation

JTAG Standard Interface

The MSP430 family supports the standard JTAG interface, which requires four signals for sending and receiving data. The JTAG signals are shared with general-purpose I/Os. The TEST/SBWTCK pin is used to enable the JTAG signals. In addition to these signals, the RST/NMI/SBWTDIO signal is required to interface with MSP430 development tools and device programmers. Table 5-7 lists the JTAG pin requirements. For details on interfacing to development tools and device programmers, see the MSP430 Hardware Tools User's Guide. For details on the JTAG implementation in MSP MCUs, see MSP430 Programming With the JTAG Interface.

Table 5-7 JTAG Pin Requirements and Functions

DEVICE SIGNAL DIRECTION FUNCTION
PJ.3/TCK IN JTAG clock input
PJ.2/TMS IN JTAG state control
PJ.1/TDI/TCLK IN JTAG data input, TCLK input
PJ.0/TDO OUT JTAG data output
TEST/SBWTCK IN Enable JTAG pins
RST/NMI/SBWTDIO IN External reset
VCC Power supply
VSS Ground supply

Spy-Bi-Wire Interface

In addition to the standard JTAG interface, the MSP430 family supports the 2-wire Spy-Bi-Wire interface. Spy-Bi-Wire can be used to interface with MSP430 development tools and device programmers. Table 5-8 lists the Spy-Bi-Wire interface pin requirements. For details on interfacing to development tools and device programmers, see the MSP430 Hardware Tools User's Guide. For details on the SBW implementation in MSP MCUs, see MSP430 Programming With the JTAG Interface.

Table 5-8 Spy-Bi-Wire Pin Requirements and Functions

DEVICE SIGNAL DIRECTION FUNCTION
TEST/SBWTCK IN Spy-Bi-Wire clock input
RST/NMI/SBWTDIO IN, OUT Spy-Bi-Wire data input/output
VCC Power supply
VSS Ground supply

FRAM

The FRAM can be programmed through the JTAG port, Spy-Bi-Wire (SBW), the BSL, or in system by the CPU. Features of the FRAM include:

  • Ultra-low-power ultra-fast-write nonvolatile memory
  • Byte and word access capability
  • Programmable wait state generation
  • Error correction coding (ECC)

NOTE

Wait States

For MCLK frequencies > 8 MHz, wait states must be configured following the flow described in the "FRAM Controller (FRCTRL)" chapter, section "Wait State Control" of the MSP430FR58xx, MSP430FR59xx, MSP430FR68xx, MSP430FR69xx Family User's Guide.

For important software design information regarding FRAM including but not limited to partitioning the memory layout according to application-specific code, constant, and data space requirements, the use of FRAM to optimize application energy consumption, and the use of the memory protection unit (MPU) to maximize application robustness by protecting the program code against unintended write accesses, see MSP430™ FRAM Technology – How To and Best Practices.

RAM

The RAM is made up of one sector. The sector can be completely powered down in LPM3 and LPM4 to save leakage; however, all data is lost during shutdown.

Tiny RAM

The Tiny RAM can be used to hold data or a very small stack if the complete RAM is powered down in LPM3 and LPM4.

Memory Protection Unit Including IP Encapsulation

The FRAM can be protected from inadvertent CPU execution, read or write access by the MPU. Features of the MPU include:

  • IP Encapsulation with programmable boundaries (prevents reads from "outside" like JTAG or non-IP software) in steps of 1KB.
  • Main memory partitioning programmable up to three segments in steps of 1KB.
  • The access rights of each segment (main and information memory) can be individually selected.
  • Access violation flags with interrupt capability for easy servicing of access violations.

Peripherals

Peripherals are connected to the CPU through data, address, and control buses. Peripherals can be managed using all instructions. For complete module descriptions, see the MSP430FR58xx, MSP430FR59xx, MSP430FR68xx, MSP430FR69xx Family User's Guide.

Digital I/O

Up to eleven 8-bit I/O ports are implemented:

  • All individual I/O bits are independently programmable.
  • Any combination of input, output, and interrupt conditions is possible.
  • Programmable pullup or pulldown on all ports.
  • Edge-selectable interrupt and LPM3.5 and LPM4.5 wake-up input capability is available for all pins of ports P1, P2, P3, and P4.
  • Read and write access to port-control registers is supported by all instructions.
  • Ports can be accessed byte-wise or word-wise in pairs.
  • Capacitive touch functionality is supported on all pins of ports P1 to P10 and PJ.
  • No cross-currents during start-up

NOTE

Configuration of Digital I/Os After BOR Reset

To prevent any cross-currents during start-up of the device all port pins are high-impedance with Schmitt triggers and their module functions disabled. To enable the I/O functionality after a BOR reset the ports must be configured first and then the LOCKLPM5 bit must be cleared. For details, see the Configuration After Reset section of the Digital I/O chapter in the MSP430FR58xx, MSP430FR59xx, MSP430FR68xx, MSP430FR69xx Family User's Guide.

Oscillator and Clock System (CS)

The clock system includes support for a 32-kHz watch crystal oscillator XT1 (LF), an internal very-low-power low-frequency oscillator (VLO), an integrated internal digitally controlled oscillator (DCO), and a high-frequency crystal oscillator XT2 (HF). The clock system module is designed to meet the requirements of both low system cost and low power consumption. A fail-safe mechanism exists for all crystal sources. The clock system module provides the following clock signals:

  • Auxiliary clock (ACLK), sourced from a 32-kHz watch crystal (LFXT1), the internal low-frequency oscillator (VLO), or a digital external low frequency (<50 kHz) clock source.
  • Main clock (MCLK), the system clock used by the CPU. MCLK can be sourced from a high-frequency crystal (HFXT2), the internal digitally controlled oscillator DCO, a 32-kHz watch crystal (LFXT1), the internal low-frequency oscillator (VLO), or a digital external clock source.
  • Sub-Main clock (SMCLK), the subsystem clock used by the peripheral modules. SMCLK can be sourced by same sources made available to MCLK.

Power-Management Module (PMM)

The primary functions of the PMM are:

  • Supply regulated voltages to the core logic
  • Supervise voltages that are connected to the device (at DVCC pins)
  • Give reset signals to the device during power on and power off

Hardware Multiplier (MPY)

The multiplication operation is supported by a dedicated peripheral module. The module performs operations with 32-, 24-, 16-, and 8-bit operands. The module supports signed and unsigned multiplication as well as signed and unsigned multiply-and-accumulate operations.

Real-Time Clock (RTC_C)

The RTC_C module contains an integrated real-time clock (RTC) with the following features implemented:

  • Calendar mode with leap year correction
  • General-purpose counter mode

The internal calendar compensates months with less than 31 days and includes leap year correction. The RTC_C also supports flexible alarm functions and offset-calibration hardware. RTC operation is available in LPM3.5 modes to minimize power consumption.

Watchdog Timer (WDT_A)

The primary function of the WDT_A module is to perform a controlled system restart after a software problem occurs. If the selected time interval expires, a system reset is generated. If the watchdog function is not needed in an application, the module can be configured as an interval timer and can generate interrupts at selected time intervals. Table 5-9 lists the clocks that can be used by the WDT.

NOTE

In watchdog mode, the watchdog timer prevents entry into LPM3.5 or LPM4.5 because this would deactivate the watchdog.

Table 5-9 WDT_A Clocks

WDTSSEL NORMAL OPERATION
(WATCHDOG AND INTERVAL TIMER MODE)
00 SMCLK
01 ACLK
10 VLOCLK
11 LFMODCLK

System Module (SYS)

The SYS module handles many of the system functions within the device. These system functions include power-on reset and power-up clear handling, NMI source selection and management, reset interrupt vector generators, bootloader entry mechanisms, and configuration management (device descriptors). The SYS module also includes a data exchange mechanism through JTAG called a JTAG mailbox that can be used in the application. Table 5-10 lists the interrupt vector registers of the SYS module.

Table 5-10 System Module Interrupt Vector Registers

INTERRUPT VECTOR REGISTER ADDRESS INTERRUPT EVENT VALUE PRIORITY
SYSRSTIV,
System Reset
019Eh No interrupt pending 00h
Brownout (BOR) 02h Highest
RSTIFG RST/NMI (BOR) 04h
PMMSWBOR software BOR (BOR) 06h
LPMx.5 wakeup (BOR) 08h
Security violation (BOR) 0Ah
Reserved 0Ch
SVSHIFG SVSH event (BOR) 0Eh
Reserved 10h
Reserved 12h
PMMSWPOR software POR (POR) 14h
WDTIFG watchdog time-out (PUC) 16h
WDTPW password violation (PUC) 18h
FRCTLPW password violation (PUC) 1Ah
Uncorrectable FRAM bit error detection (PUC) 1Ch
Peripheral area fetch (PUC) 1Eh
PMMPW PMM password violation (PUC) 20h
MPUPW MPU password violation (PUC) 22h
CSPW CS password violation (PUC) 24h
MPUSEGPIFG encapsulated IP memory segment violation (PUC) 26h
MPUSEGIIFG information memory segment violation (PUC) 28h
MPUSEG1IFG segment 1 memory violation (PUC) 2Ah
MPUSEG2IFG segment 2 memory violation (PUC) 2Ch
MPUSEG3IFG segment 3 memory violation (PUC) 2Eh
ACCTEIFG access time error (PUC)(1) 30h
Reserved 32h to 3Eh Lowest
SYSSNIV,
System NMI
019Ch No interrupt pending 00h
Reserved 02h Highest
Uncorrectable FRAM bit error detection 04h
Reserved 06h
MPUSEGPIFG encapsulated IP memory segment violation 08h
MPUSEGIIFG information memory segment violation 0Ah
MPUSEG1IFG segment 1 memory violation 0Ch
MPUSEG2IFG segment 2 memory violation 0Eh
MPUSEG3IFG segment 3 memory violation 10h
VMAIFG Vacant memory access 12h
JMBINIFG JTAG mailbox input 14h
JMBOUTIFG JTAG mailbox output 16h
Correctable FRAM bit error detection 18h
Reserved 1Ah to 1Eh Lowest
SYSUNIV,
User NMI
019Ah No interrupt pending 00h
NMIIFG NMI pin 02h Highest
OFIFG oscillator fault 04h
Reserved 06h
Reserved 08h
Reserved 0Ah to 1Eh Lowest
Indicates incorrect wait state settings.

DMA Controller

The DMA controller allows movement of data from one memory address to another without CPU intervention. For example, the DMA controller can be used to move data from the ADC10_B conversion memory to RAM. Using the DMA controller can increase the throughput of peripheral modules. The DMA controller reduces system power consumption by allowing the CPU to remain in sleep mode, without having to awaken to move data to or from a peripheral. Table 5-11 lists the triggers that can be used to start DMA operation.

Table 5-11 DMA Trigger Assignments(1)

TRIGGER CHANNEL 0 CHANNEL 1 CHANNEL 2
0 DMAREQ DMAREQ DMAREQ
1 TA0CCR0 CCIFG TA0CCR0 CCIFG TA0CCR0 CCIFG
2 TA0CCR2 CCIFG TA0CCR2 CCIFG TA0CCR2 CCIFG
3 TA1CCR0 CCIFG TA1CCR0 CCIFG TA1CCR0 CCIFG
4 TA1CCR2 CCIFG TA1CCR2 CCIFG TA1CCR2 CCIFG
5 TA2 CCR0 CCIFG TA2 CCR0 CCIFG TA2 CCR0 CCIFG
6 TA3 CCR0 CCIFG TA3 CCR0 CCIFG TA3 CCR0 CCIFG
7 TB0CCR0 CCIFG TB0CCR0 CCIFG TB0CCR0 CCIFG
8 TB0CCR2 CCIFG TB0CCR2 CCIFG TB0CCR2 CCIFG
9 Reserved Reserved Reserved
10 Reserved Reserved Reserved
11 AES Trigger 0 AES Trigger 0 AES Trigger 0
12 AES Trigger 1 AES Trigger 1 AES Trigger 1
13 AES Trigger 2 AES Trigger 2 AES Trigger 2
14 UCA0RXIFG UCA0RXIFG UCA0RXIFG
15 UCA0TXIFG UCA0TXIFG UCA0TXIFG
16 UCA1RXIFG UCA1RXIFG UCA1RXIFG
17 UCA1TXIFG UCA1TXIFG UCA1TXIFG
18 UCB0RXIFG (SPI)
UCB0RXIFG0 (I2C)
UCB0RXIFG (SPI)
UCB0RXIFG0 (I2C)
UCB0RXIFG (SPI)
UCB0RXIFG0 (I2C)
19 UCB0TXIFG (SPI)
UCB0TXIFG0 (I2C)
UCB0TXIFG (SPI)
UCB0TXIFG0 (I2C)
UCB0TXIFG (SPI)
UCB0TXIFG0 (I2C)
20 UCB0RXIFG1 (I2C) UCB0RXIFG1 (I2C) UCB0RXIFG1 (I2C)
21 UCB0TXIFG1 (I2C) UCB0TXIFG1 (I2C) UCB0TXIFG1 (I2C)
22 UCB0RXIFG2 (I2C) UCB0RXIFG2 (I2C) UCB0RXIFG2 (I2C)
23 UCB0TXIFG2 (I2C) UCB0TXIFG2 (I2C) UCB0TXIFG2 (I2C)
24 UCB1RXIFG (SPI)
UCB1RXIFG0 (I2C)
UCB1RXIFG (SPI)
UCB1RXIFG0 (I2C)
UCB1RXIFG (SPI)
UCB1RXIFG0 (I2C)
25 UCB1TXIFG (SPI)
UCB1TXIFG0 (I2C)
UCB1TXIFG (SPI)
UCB1TXIFG0 (I2C)
UCB1TXIFG (SPI)
UCB1TXIFG0 (I2C)
26 ADC12 end of conversion ADC12 end of conversion ADC12 end of conversion
27 Reserved Reserved Reserved
28 ESI ESI ESI
29 MPY ready MPY ready MPY ready
30 DMA2IFG DMA0IFG DMA1IFG
31 DMAE0 DMAE0 DMAE0
If a reserved trigger source is selected, no trigger is generated.

Enhanced Universal Serial Communication Interface (eUSCI)

The eUSCI modules are used for serial data communication. The eUSCI module supports synchronous communication protocols such as SPI (3 or 4 pin) and I2C, and asynchronous communication protocols such as UART, enhanced UART with automatic baud-rate detection, and IrDA.

The eUSCI_An module provides support for SPI (3 pin or 4 pin), UART, enhanced UART, and IrDA.

The eUSCI_Bn module provides support for SPI (3 pin or 4 pin) and I2C.

Two eUSCI_A modules and one or two eUSCI_B module are implemented.

Extended Scan Interface (ESI)

The ESI peripheral automatically scans sensors and measures linear or rotational motion with the lowest possible power consumption. The ESI incorporates a VCC/2 generator, a comparator, and a 12-bit DAC and supports up to four sensors.

Timer_A TA0, Timer_A TA1

TA0 and TA1 are 16-bit timers/counters (Timer_A type) with three capture/compare registers each. TA0 and TA1 can support multiple capture/compares, PWM outputs, and interval timing (see Table 5-12 and Table 5-13). TA0 and TA1 have extensive interrupt capabilities. Interrupts can be generated from the counter on overflow conditions and from each of the capture/compare registers.

Table 5-12 Timer_A TA0 Signal Connections

INPUT PORT PIN DEVICE INPUT SIGNAL MODULE INPUT SIGNAL MODULE BLOCK MODULE OUTPUT SIGNAL DEVICE OUTPUT SIGNAL OUTPUT PORT PIN
P1.2 or P6.7 or P7.0 TA0CLK TACLK Timer N/A N/A
ACLK (internal) ACLK
SMCLK (internal) SMCLK
P1.2 or P6.7 or P7.0 TA0CLK INCLK
P1.5 TA0.0 CCI0A CCR0 TA0 TA0.0 P1.5
P7.1 or P10.1 TA0.0 CCI0B P7.1
DVSS GND P10.1
DVCC VCC
P1.0 or P1.6 or P7.2 or P7.6 TA0.1 CCI1A CCR1 TA1 TA0.1 P1.0
P1.6
COUT (internal) CCI1B P7.2
P7.6
DVSS GND ADC12 (internal)
ADC12SHSx = {1}
DVCC VCC
P1.1 or P1.7 or P7.3 or P7.5 TA0.2 CCI2A CCR2 TA2 TA0.2 P1.1
ACLK (internal) CCI2B P1.7
DVSS GND P7.3
DVCC VCC P7.5

Table 5-13 Timer_A TA1 Signal Connections

INPUT PORT PIN DEVICE INPUT SIGNAL MODULE INPUT SIGNAL MODULE BLOCK MODULE OUTPUT SIGNAL DEVICE OUTPUT SIGNAL OUTPUT PORT PIN
P1.1 or P4.4 or P5.2 TA1CLK TACLK Timer N/A N/A
ACLK (internal) ACLK
SMCLK (internal) SMCLK
P1.1 or P4.4 or P5.2 TA1CLK INCLK
P1.4 or P4.5 TA1.0 CCI0A CCR0 TA0 TA1.0 P1.4
P5.2 or P10.2 TA1.0 CCI0B P4.5
DVSS GND P5.2
DVCC VCC P10.2
P1.2 or P3.3 or P4.6 or P5.0 TA1.1 CCI1A CCR1 TA1 TA1.1 P1.2
P4.6
COUT (internal) CCI1B P3.3
P5.0
DVSS GND ADC12 (internal)
ADC12SHSx = {4}
DVCC VCC
P1.3 or P4.7 or P5.1 or P7.7 TA1.2 CCI2A CCR2 TA2 TA1.2 P1.3
ACLK (internal) CCI2B P4.7
DVSS GND P5.1
DVCC VCC P7.7

Timer_A TA2

TA2 is a 16-bit timer/counter (Timer_A type) with two capture/compare registers each and with internal connections only. TA2 can support multiple capture/compares, PWM outputs, and interval timing (see Table 5-14). TA2 has extensive interrupt capabilities. Interrupts may be generated from the counter on overflow conditions and from each of the capture/compare registers.

Table 5-14 Timer_A TA2 Signal Connections

DEVICE INPUT SIGNAL MODULE INPUT NAME MODULE BLOCK MODULE OUTPUT SIGNAL DEVICE OUTPUT SIGNAL
COUT (internal) TACLK Timer N/A
ACLK (internal) ACLK
SMCLK (internal) SMCLK
From Capacitive Touch I/O 0 (internal) INCLK
TA3 CCR0 output (internal) CCI0A CCR0 TA0 TA3 CCI0A input
ACLK (internal) CCI0B
DVSS GND
DVCC VCC
From Capacitive Touch I/O 0 (internal) CCI1A CCR1 TA1 ADC12 (internal)
ADC12SHSx = {5}
COUT (internal) CCI1B
DVSS GND
DVCC VCC

Timer_A TA3

TA3 is a 16-bit timer/counter (Timer_A type) with five capture/compare registers each and with internal connections only. TA3 can support multiple capture/compares, PWM outputs, and interval timing (see Table 5-15). TA3 has extensive interrupt capabilities. Interrupts may be generated from the counter on overflow conditions and from each of the capture/compare registers.

Table 5-15 Timer_A TA3 Signal Connections

DEVICE INPUT SIGNAL MODULE INPUT NAME MODULE BLOCK MODULE OUTPUT SIGNAL DEVICE OUTPUT SIGNAL
COUT (internal) TACLK Timer N/A
ACLK (internal) ACLK
SMCLK (internal) SMCLK
From Capacitive Touch I/O 1 (internal) INCLK
TA2 CCR0 output (internal) CCI0A CCR0 TA0 TA2 CCI0A input
ACLK (internal) CCI0B
DVSS GND
DVCC VCC
From Capacitive Touch I/O 1 (internal) CCI1A CCR1 TA1 ADC12 (internal)
ADC12SHSx = {6}
COUT (internal) CCI1B
DVSS GND
DVCC VCC
DVSS CCI2A CCR2 TA2
ESIO0 (internal) CCI2B
DVSS GND
DVCC VCC
DVSS CCI3A CCR3 TA3
ESIO1 (internal) CCI3B
DVSS GND
DVCC VCC
DVSS CCI4A CCR4 TA4
ESIO2 (internal) CCI4B
DVSS GND
DVCC VCC

Timer_B TB0

TB0 is a 16-bit timer/counter (Timer_B type) with seven capture/compare registers each. TB0 can support multiple capture/compares, PWM outputs, and interval timing (see Table 5-16). TB0 has extensive interrupt capabilities. Interrupts may be generated from the counter on overflow conditions and from each of the capture/compare registers.

Table 5-16 Timer_B TB0 Signal Connections

INPUT PORT PIN DEVICE INPUT SIGNAL MODULE INPUT SIGNAL MODULE BLOCK MODULE OUTPUT SIGNAL DEVICE OUTPUT SIGNAL OUTPUT PORT PIN
P2.0 or P3.3 or P5.7 TB0CLK TBCLK Timer N/A N/A
ACLK (internal) ACLK
SMCLK (internal) SMCLK
P2.0 or P3.3 or P5.7 TB0CLK INCLK
P3.4 TB0.0 CCI0A CCR0 TB0 TB0.0 P3.4
P6.4 TB0.0 CCI0B P6.4
DVSS GND ADC12 (internal)
ADC12SHSx = {2}
DVCC VCC
P3.5 or P6.5 TB0.1 CCI1A CCR1 TB1 TB0.1 P3.5
COUT (internal) CCI1B P6.5
DVSS GND ADC12 (internal)
ADC12SHSx = {3}
DVCC VCC
P3.6 or P6.6 TB0.2 CCI2A CCR2 TB2 TB0.2 P3.6
ACLK (internal) CCI2B P6.6
DVSS GND
DVCC VCC
P2.4 TB0.3 CCI3A CCR3 TB3 TB0.3 P2.4
P3.7 TB0.3 CCI3B P3.7
DVSS GND
DVCC VCC
P2.5 TB0.4 CCI4A CCR4 TB4 TB0.4 P2.5
P2.2 TB0.4 CCI4B P2.2
DVSS GND
DVCC VCC
P2.6 TB0.5 CCI5A CCR5 TB5 TB0.5 P2.6
P2.1 TB0.5 CCI5B P2.1
DVSS GND
DVCC VCC
P2.7 TB0.6 CCI6A CCR6 TB6 TB0.6 P2.7
P2.0 TB0.6 CCI6B P2.0
DVSS GND
DVCC VCC

ADC12_B

The ADC12_B module supports fast 12-bit analog-to-digital conversions with differential and single-ended inputs. The module implements a 12-bit SAR core, sample select control, a reference generator, and a conversion result buffer. A window comparator with lower and upper limits allows CPU-independent result monitoring with three window comparator interrupt flags.

Table 5-17 lists the external trigger sources. Table 5-18 lists the available multiplexing between internal and external analog inputs.

Table 5-17 ADC12_B Trigger Signal Connections

ADC12SHSx CONNECTED TRIGGER SOURCE
BINARY DECIMAL
000 0 Software (ADC12SC)
001 1 Timer_A TA0 CCR1 output
010 2 Timer_B TB0 CCR0 output
011 3 Timer_B TB0 CCR1 output
100 4 Timer_A TA1 CCR1 output
101 5 Timer_A TA2 CCR1 output
110 6 Timer_A TA3 CCR1 output
111 7 Reserved (DVSS)

Table 5-18 ADC12_B External and Internal Signal Mapping

CONTROL BIT EXTERNAL
(CONTROL BIT = 0)
INTERNAL
(CONTROL BIT = 1)
ADC12BATMAP A31 Battery Monitor
ADC12TCMAP A30 Temperature Sensor
ADC12CH0MAP A29 N/A(1)
ADC12CH1MAP A28 N/A(1)
ADC12CH2MAP A27 N/A(1)
ADC12CH3MAP A26 N/A(1)
N/A = No internal signal available on this device.

Comparator_E

The primary function of the Comparator_E module is to support precision slope analog-to-digital conversions, battery voltage supervision, and monitoring of external analog signals.

CRC16

The CRC16 module produces a signature based on a sequence of entered data values and can be used for data checking purposes. The CRC16 signature is based on the CRC-CCITT standard.

CRC32

The CRC32 module produces a signature based on a sequence of entered data values and can be used for data checking purposes. The CRC32 signature is based on the ISO 3309 standard.

AES256 Accelerator

The AES accelerator module performs encryption and decryption of 128-bit data with 128-, 192-, or 256-bit keys according to the Advanced Encryption Standard (AES) (FIPS PUB 197) in hardware.

True Random Seed

The Device Descriptor Information (TLV) section contains a 128-bit true random seed that can be used to implement a deterministic random number generator.

Shared Reference (REF_A)

The reference module (REF_A) generates all critical reference voltages that can be used by the various analog peripherals in the device.

LCD_C

The LCD_C driver generates the segment and common signals required to drive a liquid crystal display (LCD). The LCD_C controller has dedicated data memories to hold segment drive information. Common and segment signals are generated as defined by the mode. Static and 2-mux to 8-mux LCDs are supported. The module can provide a LCD voltage independent of the supply voltage with its integrated charge pump. It is possible to control the level of the LCD voltage and thus contrast by software. The module also provides an automatic blinking capability for individual segments in static, 2-mux, 3-mux, and 4-mux modes.

To reduce system noise, the charge pump can be temporarily disabled. Table 5-19 lists the available automatic charge pump disable options.

Table 5-19 LCD Automatic Charge Pump Disable Bits (LCDCPDISx)

CONTROL BIT DESCRIPTION
LCDCPDIS0 LCD charge pump disable during ADC12 conversion
0b = LCD charge pump not automatically disabled during conversion
1b = LCD charge pump automatically disabled during conversion
LCDCPDIS1 to LCDCPDIS7 No functionality

Embedded Emulation

Embedded Emulation Module (EEM)

The EEM supports real-time in-system debugging. The S version of the EEM has the following features:

  • Three hardware triggers or breakpoints on memory access
  • One hardware trigger or breakpoint on CPU register write access
  • Up to four hardware triggers that can be combined to form complex triggers or breakpoints
  • One cycle counter
  • Clock control on module level

EnergyTrace++™ Technology

These MCUs implement circuitry to support EnergyTrace++ technology. The EnergyTrace++ technology allows you to observe information about the internal states of the microcontroller. These states include the CPU Program Counter (PC), the ON or OFF status of the peripherals and the system clocks (regardless of the clock source), and the low-power mode currently in use. These states can always be read by a debug tool, even when the microcontroller sleeps in LPMx.5 modes.

The activity of the following modules can be observed:

  • MPY is calculating.
  • WDT is counting.
  • RTC is counting.
  • ADC: a sequence, sample, or conversion is active.
  • REF: REFBG or REFGEN active and BG in static mode.
  • COMP is on.
  • AES is encrypting or decrypting.
  • eUSCI_A0 is transferring (receiving or transmitting) data.
  • eUSCI_A1 is transferring (receiving or transmitting) data.
  • eUSCI_B0 is transferring (receiving or transmitting) data.
  • eUSCI_B1 is transferring (receiving or transmitting) data.
  • TB0 is counting.
  • TA0 is counting.
  • TA1 is counting.
  • TA2 is counting.
  • TA3 is counting.
  • LCD: timing generator is active.
  • ESI:
    • ESI is active using LF clock source
    • ESI is active using HF clock source

Input/Output Diagrams

Digital I/O Functionality – Ports P1 to P10

The port pins provide the following features:

  • Interrupt and wakeup from LPMx.5 capability for ports P1, P2, P3, and P4
  • Capacitive touch functionality (see Section 5.11.24.2)
  • Up to three digital module input or output functions
  • LCD segment functionality (not all pins, package dependent)

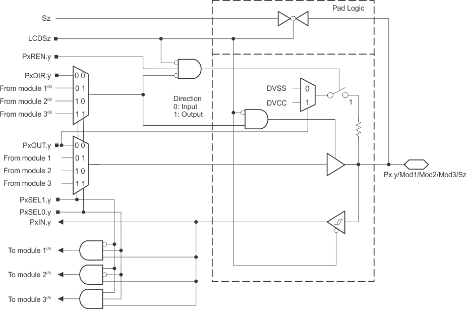
Figure 5-2 shows the features and the corresponding control logic (not including the capacitive touch logic). It is applicable for all port pins P1.0 to P10.2 unless a dedicated diagram is available in the following sections. The module functions provided per pin and whether the direction is controlled by the module or by the port direction register for the selected secondary function are described in the pin function tables.

MSP430FR5989-EP io_general.gif
The inputs from several pins toward a module are ORed together.
The direction is controlled either by the connected module or by the corresponding PxDIR.y bit. See the pin function tables.

NOTE:

Functional representation only.
Figure 5-2 General Port Pin Diagram

Capacitive Touch Functionality Ports P1 to P10 and PJ

Figure 5-3 shows the Capacitive Touch functionality that all port pins provide. The Capacitive Touch functionality is controlled using the Capacitive Touch I/O control registers CAPTIO0CTL and CAPTIO1CTL as described in the MSP430FR58xx, MSP430FR59xx, MSP430FR68xx, and MSP430FR69xx Family User's Guide. The Capacitive Touch functionality is not shown in the other pin diagrams.

MSP430FR5989-EP capsio.gif

NOTE:

Functional representation only.
Figure 5-3 Capacitive Touch I/O Diagram

Port P1 (P1.0 to P1.3) Input/Output With Schmitt Trigger

Figure 5-4 shows the port diagram. summarizes the selection of the pin function.

MSP430FR5989-EP P1_0123_ESI.gif
The inputs from several pins toward a module are ORed together.

NOTE:

Functional representation only.
Figure 5-4 Port P1 (P1.0 to P1.3) Diagram

Port P1 (P1.0 to P1.3) Pin Functions

PIN NAME (P1.x) x FUNCTION CONTROL BITS AND SIGNALS(1)
P1DIR.x P1SEL1.x P1SEL0.x
P1.0/TA0.1/DMAE0/RTCCLK/A0/C0/ VREF-/VeREF- 0 P1.0 (I/O) I: 0; O: 1 0 0
TA0.CCI1A 0 0 1
TA0.1 1
DMAE0 0 1 0
RTCCLK(6) 1
A0, C0, VREF-, VeREF- (4) (5) X 1 1
P1.1/TA0.2/TA1CLK/COUT/A1/C1/ VREF+/VeREF+ 1 P1.1 (I/O) I: 0; O: 1 0 0
TA0.CCI2A 0 0 1
TA0.2 1
TA1CLK 0 1 0
COUT(7) 1
A1, C1, VREF+, VeREF+ (4) (5) X 1 1
P1.2/TA1.1/TA0CLK/COUT/A2/C2 2 P1.2 (I/O) I: 0; O: 1 0 0
TA1.CCI1A 0 0 1
TA1.1 1
TA0CLK 0 1 0
COUT(8) 1
A2, C2 (4) (5) X 1 1
P1.3/TA1.2/ESITEST4/A3/C3 3 P1.3 (I/O) I: 0; O: 1 0 0
TA1.CCI2A 0 0 1
TA1.2 1
N/A 0 1 0
ESITEST4 1
A3, C3 (4) (5) X 1 1
X = Don't care.
Direction controlled by eUSCI_B0 module.
Direction controlled by eUSCI_A0 module.
Setting P1SEL1.x and P1SEL0.x disables the output driver and the input Schmitt trigger to prevent parasitic cross currents when applying analog signals.
Setting the CEPD.x bit of the comparator disables the output driver and the input Schmitt trigger to prevent parasitic cross currents when applying analog signals. Selecting the Cx input pin to the comparator multiplexer with the input select bits in the comparator module automatically disables output driver and input buffer for that pin, regardless of the state of the associated CEPD.x bit.
Do not use this pin as RTCCLK output if the DMAE0 functionality is used on any other pin. Select an alternative RTCCLK output pin.
Do not use this pin as COUT output if the TA1CLK functionality is used on any other pin. Select an alternative COUT output pin.
Do not use this pin as COUT output if the TA0CLK functionality is used on any other pin. Select an alternative COUT output pin.

Port P1 (P1.4 to P1.7) Input/Output With Schmitt Trigger

For the pin diagram, see Figure 5-2. summarizes the selection of the pin function.

Port P1 (P1.4 to P1.7) Pin Functions

PIN NAME (P1.x) x FUNCTION CONTROL BITS AND SIGNALS(1)
P1DIR.x P1SEL1.x P1SEL0.x LCDSz
P1.4/UCB0CLK/UCA0STE/TA1.0/Sz 4 P1.4 (I/O) I: 0; O: 1 0 0 0
UCB0CLK X (2) 0 1 0
UCA0STE X (3) 1 0 0
TA1.CCI0A 0 1 1 0
TA1.0 1
Sz (1) X X X 1
P1.5/UCB0STE/UCA0CLK/TA0.0/Sz 5 P1.5 (I/O) I: 0; O: 1 0 0 0
UCB0STE X (2) 0 1 0
UCA0CLK X (3) 1 0 0
TA0.CCI0A 0 1 1 0
TA0.0 1
Sz (1) X X X 1
P1.6/UCB0SIMO/UCB0SDA/TA0.1/ Sz 6 P1.6 (I/O) I: 0; O: 1 0 0 0
UCB0SIMO/UCB0SDA X (2) 0 1 0
N/A 0 1 0 0
Internally tied to DVSS 1
TA0.CCI1A 0 1 1 0
TA0.1 1
Sz (1) X X X 1
P1.7/UCB0SOMI/UCB0SCL/TA0.2/ Sz 7 P1.7 (I/O) I: 0; O: 1 0 0 0
UCB0SOMI/UCB0SCL X (2) 0 1 0
N/A 0 1 0 0
Internally tied to DVSS 1
TA0.CCI2A 0 1 1 0
TA0.2 1
Sz (1) X X X 1
The associated LCD segment is package dependent. See the Signal Descriptions tables and Pin Diagrams figures.

Port P2 (P2.0 to P2.3) Input/Output With Schmitt Trigger

For the pin diagram, see Figure 5-2. summarizes the selection of the pin function.

Port P2 (P2.0 to P2.3) Pin Functions

PIN NAME (P2.x) x FUNCTION CONTROL BITS AND SIGNALS(1)
P2DIR.x P2SEL1.x P2SEL0.x LCDSz
P2.0/UCA0SIMO/UCA0TXD/TB0.6/ TB0CLK/Sz 0 P2.0 (I/O) I: 0; O: 1 0 0 0
UCA0SIMO/UCA0TXD X (1) 0 1 0
TB0.CCI6B 0 1 0 0
TB0.6 1
TB0CLK 0 1 1 0
Internally tied to DVSS 1
Sz (1) X X X 1
P2.1/UCA0SOMI/UCA0RXD/TB0.5/ DMAE0/Sz 1 P2.1 (I/O) I: 0; O: 1 0 0 0
UCA0SOMI/UCA0RXD X (1) 0 1 0
TB0.CCI5B 0 1 0 0
TB0.5 1
DMA0E 0 1 1 0
Internally tied to DVSS 1
Sz (1) X X X 1
P2.2/UCA0CLK/TB0.4/RTCCLK/Sz 2 P2.2 (I/O) I: 0; O: 1 0 0 0
UCA0CLK X (1) 0 1 0
TB0.CCI4B 0 1 0 0
TB0.4 1
N/A 0 1 1 0
RTCCLK 1
Sz (1) X X X 1
P2.3/UCA0STE/TB0OUTH/Sz 3 P2.3 (I/O) I: 0; O: 1 0 0 0
UCA0STE X (1) 0 1 0
TB0OUTH 0 1 0 0
Internally tied to DVSS 1
N/A 0 1 1 0
Internally tied to DVSS 1
Sz (1) X X X 1
Direction controlled by eUSCI_A0 module.

Port P2 (P2.4 to P2.7) Input/Output With Schmitt Trigger

Figure 5-5 shows the port diagram. summarizes the selection of the pin function.

MSP430FR5989-EP P2_4567.gif
The inputs from several pins toward a module are ORed together.

NOTE:

Functional representation only.
Figure 5-5 Port P2 (P2.4 to P2.7) Diagram

Port P2 (P2.4 to P2.7) Pin Functions

PIN NAME (P2.x) x FUNCTION CONTROL BITS AND SIGNALS(1)
P2DIR.x P2SEL1.x P2SEL0.x LCDSz
P2.4/TB0.3/COM4/Sz 4 P2.4 (I/O) I: 0; O: 1 0 0 0
TB0.CCI3A 0 0 1 0
TB0.3 1
N/A 0 1 0 0
Internally tied to DVSS 1
COM4 X 1 1 0
Sz (1) X X X 1
P2.5/TB0.4/COM5/Sz 5 P2.5 (I/O) I: 0; O: 1 0 0 0
TB0.CCI4A 0 0 1 0
TB0.4 1
N/A 0 1 0 0
Internally tied to DVSS 1
COM5 X 1 1 0
Sz (1) X X X 1
P2.6/TB0.5/ESIC1OUT/COM6/Sx 6 P2.6 (I/O) I: 0; O: 1 0 0 0
TB0.CCI5A 0 0 1 0
TB0.5 1
N/A 0 1 0 0
ESIC1OUT 1
COM6 X 1 1 0
Sz (1) X X X 1
P2.7/TB0.6/ESIC2OUT/COM7/Sx 7 P2.7 (I/O) I: 0; O: 1 0 0 0
TB0.CCI6A 0 0 1 0
TB0.6 1
N/A 0 1 0 0
ESIC2OUT 1
COM7 X 1 1 0
Sz (1) X X X 1

Port P3 (P3.0 to P3.7) Input/Output With Schmitt Trigger

For the pin diagram, see Figure 5-2. and summarize the selection of the pin function.

Port P3 (P3.0 to P3.3) Pin Functions

PIN NAME (P3.x) x FUNCTION CONTROL BITS AND SIGNALS(1)
P3DIR.x P3SEL1.x P3SEL0.x LCDSz
P3.0/UCB1CLK/Sz 0 P3.0 (I/O) I: 0; O: 1 0 0 0
UCB1CLK X (1) 0 1 0
N/A 0 1 0 0
Internally tied to DVSS 1
N/A 0 1 1 0
Internally tied to DVSS 1
Sz (1) X X X 1
P3.1/UCB1SIMO/UCB1SDA/Sz 1 P3.1 (I/O) I: 0; O: 1 0 0 0
UCB1SIMO/UCB1SDA X (1) 0 1 0
N/A 0 1 0 0
Internally tied to DVSS 1
N/A 0 1 1 0
Internally tied to DVSS 1
Sz (1) X X X 1
P3.2/UCB1SOMI/UCB1SCL/Sz 2 P3.2 (I/O) I: 0; O: 1 0 0 0
UCB1SOMI/UCB1SCL X (1) 0 1 0
N/A 0 1 0 0
Internally tied to DVSS 1
0 1 1 0
1
Sz (1) X X X 1
P3.3/TA1.1/TB0CLK/Sz 3 P3.3 (I/O) I: 0; O: 1 0 0 0
N/A 0 0 1 0
Internally tied to DVSS 1
TA1.CCI1A 0 1 0 0
TA1.1 1
TB0CLK 0 1 1 0
Internally tied to DVSS 1
Sz (1) X X X 1
Direction controlled by eUSCI_B1 module.
Direction controlled by eUSCI_A1 module.

Port P3 (P3.4 to P3.7) Pin Functions

PIN NAME (P3.x) x FUNCTION CONTROL BITS AND SIGNALS(1)
P3DIR.x P3SEL1.x P3SEL0.x LCDSz
P3.4/UCA1SIMO/UCA1TXD/TB0.0/ Sz 4 P3.4 (I/O) I: 0; O: 1 0 0 0
UCA1SIMO/UCA1TXD X (2) 0 1 0
TB0CCI0A 0 1 0 0
TB0.0 1
N/A 0 1 1 0
Internally tied to DVSS 1
Sz (1) X X X 1
P3.5/UCA1SOMI/UCA1RXD/TB0.1/ Sz 5 P3.5 (I/O) I: 0; O: 1 0 0 0
UCA1SOMI/UCA1RXD X (2) 0 1 0
TB0CCI1A 0 1 0 0
TB0.1 1
N/A 0 1 1 0
Internally tied to DVSS 1
Sz (1) X X X 1
P3.6/UCA1CLK/TB0.2/Sz 6 P3.6 (I/O) I: 0; O: 1 0 0 0
UCA1CLK X (2) 0 1 0
TB0CCI2A 0 1 0 0
TB0.2 1
N/A 0 1 1 0
Internally tied to DVSS 1
Sz (1) X X X 1
P3.7/UCA1STE/TB0.3/Sz 7 P3.7 (I/O) I: 0; O: 1 0 0 0
UCA1STE X (2) 0 1 0
TB0CCI3B 0 1 0 0
TB0.3 1
N/A 0 1 1 0
Internally tied to DVSS 1
Sz (1) X X X 1

Port P4 (P4.0 to P4.7) Input/Output With Schmitt Trigger

For the pin diagram, see Figure 5-2. and summarize the selection of the pin function.

Port P4 (P4.0 to P4.3) Pin Functions

PIN NAME (P4.x) x FUNCTION CONTROL BITS AND SIGNALS(1)
P4DIR.x P4SEL1.x P4SEL0.x LCDSz
P4.0/UCB1SIMO/UCB1SDA/MCLK/ Sz 0 P4.0 (I/O) I: 0; O: 1 0 0 0
N/A 0 0 1 0
Internally tied to DVSS 1
UCB1SIMO/UCB1SDA X (1) 1 0 0
N/A 0 1 1 0
MCLK 1
Sz (1) X X X 1
P4.1/UCB1SOMI/UCB1SCL/ACLK/ Sz 1 P4.1 (I/O) I: 0; O: 1 0 0 0
N/A 0 0 1 0
Internally tied to DVSS 1
UCB1SOMI/UCB1SCL X (1) 1 0 0
N/A 0 1 1 0
ACLK 1
Sz (1) X X X 1
P4.2/UCA0SIMO/UCA0TXD/ UCB1CLK/Sz 2 P4.2 (I/O) I: 0; O: 1 0 0 0
UCA0SIMO/UCA0TXD X (1) 0 1 0
UCB1CLK X (1) 1 0 0
N/A 0 1 1 0
Internally tied to DVSS 1
Sz (1) X X X 1
P4.3/UCA0SOMI/UCA0RXD/ UCB1STE/Sz 3 P4.3 (I/O) I: 0; O: 1 0 0 0
UCA0SOMI/UCA0RXD X (1) 0 1 0
UCB1STE X (1) 1 0 0
N/A 0 1 1 0
Internally tied to DVSS 1
Sz (1) X X X 1

Port P4 (P4.4 to P4.7) Pin Functions

PIN NAME (P4.x) x FUNCTION CONTROL BITS AND SIGNALS(1)
P4DIR.x P4SEL1.x P4SEL0.x LCDSz
P4.4/UCB1STE/TA1CLK/Sz 4 P4.4 (I/O) I: 0; O: 1 0 0 0
N/A 0 0 1 0
Internally tied to DVSS 1
UCB1STE X (1) 1 0 0
TA1CLK 0 1 1 0
Internally tied to DVSS 1
Sz (1) X X X 1
P4.5/UCB1CLK/TA1.0/Sz 5 P4.5 (I/O) I: 0; O: 1 0 0 0
N/A 0 0 1 0
Internally tied to DVSS 1
UCB1CLK X (1) 1 0 0
TA1CCI0A 0 1 1 0
TA1.0 1
Sz (1) X X X 1
P4.6/UCB1SIMO/UCB1SDA/TA1.1/ Sz 6 P4.6 (I/O) I: 0; O: 1 0 0 0
N/A 0 0 1 0
Internally tied to DVSS 1
UCB1SIMO/UCB1SDA X (1) 1 0 0
TA1CCI1A 0 1 1 0
TA1.1 1
Sz (1) X X X 1
P4.7/UCB1SOMI/UCB1SCL/TA1.2/ Sz 7 P4.7 (I/O) I: 0; O: 1 0 0 0
N/A 0 0 1 0
Internally tied to DVSS 1
UCB1SOMI/UCB1SCL X (1) 1 0 0
TA1CCI2A 0 1 1 0
TA1.2 1
Sz (1) X X X 1

Port P5 (P5.0 to P5.7) Input/Output With Schmitt Trigger

For the pin diagram, see Figure 5-2. and summarize the selection of the pin function.

Port P5 (P5.0 to P5.3) Pin Functions

PIN NAME (P5.x) x FUNCTION CONTROL BITS AND SIGNALS(1)
P5DIR.x P5SEL1.x P5SEL0.x LCDSz
P5.0/TA1.1/MCLK/Sz 0 P5.0 (I/O) I: 0; O: 1 0 0 0
TA1CCI1A 0 0 1 0
TA1.1 1
N/A 0 1 0 0
Internally tied to DVSS 1
N/A 0 1 1 0
MCLK 1
Sz (1) X X X 1
P5.1/TA1.2/Sz 1 P5.1 (I/O) I: 0; O: 1 0 0 0
TA1CCI2A 0 0 1 0
TA1.2 1
N/A 0 1 0 0
Internally tied to DVSS 1
N/A 0 1 1 0
N/A 1
Sz (1) X X X 1
P5.2/TA1.0/TA1CLK/ACLK/Sz 2 P5.2 (I/O) I: 0; O: 1 0 0 0
TA1CCI0B 0 0 1 0
TA1.0 1
TA1CLK 0 1 0 0
Internally tied to DVSS 1
N/A 0 1 1 0
ACLK 1
Sz (1) X X X 1
P5.3/UCB1STE/Sz 3 P5.3 (I/O) I: 0; O: 1 0 0 0
N/A 0 0 1 0
Internally tied to DVSS 1
UCB1STE X (1) 1 0 0
N/A 0 1 1 0
Internally tied to DVSS 1
Sz (1) X X X 1

Port P5 (P5.4 to P5.7) Pin Functions

PIN NAME (P5.x) x FUNCTION CONTROL BITS AND SIGNALS(1)
P5DIR.x P5SEL1.x P5SEL0.x LCDSz
P5.4/UCA1SIMO/UCA1TXD/Sz 4 P5.4 (I/O) I: 0; O: 1 0 0 0
UCA1SIMO/UCA1TXD X (2) 0 1 0
N/A 0 1 0 0
Internally tied to DVSS 1
N/A 0 1 1 0
Internally tied to DVSS 1
Sz (1) X X X 1
P5.5/UCA1SOMI/UCA1RXD/Sz 5 P5.5 (I/O) I: 0; O: 1 0 0 0
UCA1SOMI/UCA1RXD X (2) 0 1 0
N/A 0 1 0 0
Internally tied to DVSS 1
N/A 0 1 1 0
Internally tied to DVSS 1
Sz (1) X X X 1
P5.6/UCA1CLK/Sz 6 P5.6 (I/O) I: 0; O: 1 0 0 0
UCA1CLK X (2) 0 1 0
N/A 0 1 0 0
Internally tied to DVSS 1
N/A 0 1 1 0
Internally tied to DVSS 1
Sz (1) X X X 1
P5.7/UCA1STE/TB0CLK/Sz 7 P5.7 (I/O) I: 0; O: 1 0 0 0
UCA1STE X (2) 0 1 0
N/A 0 1 0 0
Internally tied to DVSS 1
TB0CLK 0 1 1 0
Internally tied to DVSS 1
Sz (1) X X X 1

Port P6 (P6.0 to P6.6) Input/Output With Schmitt Trigger

Figure 5-6 shows the port diagram. and summarize the selection of the pin function.

MSP430FR5989-EP P6_0123456.gif
The inputs from several pins toward a module are ORed together.

NOTE:

Functional representation only.
Figure 5-6 Port P6 (P6.0 to P6.6) Diagram

Port P6 (P6.0 to P6.2) Pin Functions

PIN NAME (P6.x) x FUNCTION CONTROL BITS AND SIGNALS(1)
P6DIR.x P6SEL1.x P6SEL0.x LCDSz
P6.0/R23 0 P6.0 (I/O) I: 0; O: 1 0 0
N/A 0 0 1
Internally tied to DVSS 1
N/A 0 1 0
Internally tied to DVSS 1
R23 (1) X 1 1
P6.1/R13/LCDREF 1 P6.1 (I/O) I: 0; O: 1 0 0
N/A 0 0 1
Internally tied to DVSS 1
N/A 0 1 0
Internally tied to DVSS 1
R13/LCDREF (1) X 1 1
P6.2/COUT/R03 2 P6.2 (I/O) I: 0; O: 1 0 0
N/A 0 0 1
COUT 1
N/A 0 1 0
Internally tied to DVSS 1
R03 (1) X 1 1
Setting P6SEL1.x and P6SEL0.x disables the output driver and the input Schmitt trigger to prevent parasitic cross currents when applying analog signals.

Port P6 (P6.3 to P6.6) Pin Functions

PIN NAME (P6.x) x FUNCTION CONTROL BITS AND SIGNALS(1)
P6DIR.x P6SEL1.x P6SEL0.x LCDSz
P6.3/COM0 3 P6.3 (I/O) I: 0; O: 1 0 0
N/A 0 0 1
Internally tied to DVSS 1
N/A 0 1 0
Internally tied to DVSS 1
COM0 (1) X 1 1
P6.4/TB0.0/COM1 4 P6.4 (I/O) I: 0; O: 1 0 0
TB0CCI0B 0 0 1
TB0.0 1
N/A 0 1 0
Internally tied to DVSS 1
COM1 (1) X 1 1
P6.5/TB0.1/COM2 5 P6.5 (I/O) I: 0; O: 1 0 0
TB0CCI1A 0 0 1
TB0.1 1
N/A 0 1 0
Internally tied to DVSS 1
COM2 (1) X 1 1
P6.6/TB0.2/COM3 6 P6.6 (I/O) I: 0; O: 1 0 0
TB0CCI2A 0 0 1
TB0.2 1
N/A 0 1 0
Internally tied to DVSS 1
COM3 (1) X 1 1

Port P6 (P6.7) Input/Output With Schmitt Trigger

For the pin diagram, see Figure 5-2. summarizes the selection of the pin function.

Port P6 (P6.7) Pin Functions

PIN NAME (P6.x) x FUNCTION CONTROL BITS AND SIGNALS(1)
P6DIR.x P6SEL1.x P6SEL0.x LCDSz
P6.7/TA0CLK/Sz 7 P6.7 (I/O) I: 0; O: 1 0 0 0
TA0CLK 0 0 1 0
Internally tied to DVSS 1
N/A 0 1 0 0
Internally tied to DVSS 1
N/A 0 1 1 0
Internally tied to DVSS 1
Sz (1) X X X 1

Port P7 (P7.0 to P7.7) Input/Output With Schmitt Trigger

For the pin diagram, see Figure 5-2. and summarize the selection of the pin function.

Port P7 (P7.0 to P7.3) Pin Functions

PIN NAME (P7.x) x FUNCTION CONTROL BITS AND SIGNALS(1)
P7DIR.x P7SEL1.x P7SEL0.x LCDSz
P7.0/TA0CLK/Sz 0 P7.0 (I/O) I: 0; O: 1 0 0 0
TA0CLK 0 0 1 0
Internally tied to DVSS 1
N/A 0 1 0 0
Internally tied to DVSS 1
N/A 0 1 1 0
Internally tied to DVSS 1
Sz (1) X X X 1
P7.1/TA0.0/ACLK/Sz 1 P7.1 (I/O) I: 0; O: 1 0 0 0
TA0CCI0B 0 0 1 0
TA0.0 1
N/A 0 1 0 0
Internally tied to DVSS 1
N/A 0 1 1 0
ACLK 1
Sz (1) X X X 1
P7.2/TA0.1/Sz 2 P7.2 (I/O) I: 0; O: 1 0 0 0
TA0CCI1A 0 0 1 0
TA0.1 1
N/A 0 1 0 0
Internally tied to DVSS 1
N/A 0 1 1 0
N/A 1
Sz (1) X X X 1
P7.3/TA0.2/Sz 3 P7.3 (I/O) I: 0; O: 1 0 0 0
TA0CCI2A 0 0 1 0
TA0.2 1
N/A 0 1 0 0
Internally tied to DVSS 1
N/A 0 1 1 0
Internally tied to DVSS 1
Sz (1) X X X 1

Port P7 (P7.4 to P7.7) Pin Functions

PIN NAME (P7.x) x FUNCTION CONTROL BITS AND SIGNALS(1)
P7DIR.x P7SEL1.x P7SEL0.x LCDSz
P7.4/SMCLK/Sz 4 P7.4 (I/O) I: 0; O: 1 0 0 0
N/A 0 0 1 0
Internally tied to DVSS 1
N/A 0 1 0 0
Internally tied to DVSS 1
N/A 0 1 1 0
SMCLK 1
Sz (1) X X X 1
P7.5/TA0.2/Sz 5 P7.5 (I/O) I: 0; O: 1 0 0 0
TA0CCI2A 0 0 1 0
TA0.2 1
N/A 0 1 0 0
Internally tied to DVSS 1
N/A 0 1 1 0
Internally tied to DVSS 1
Sz (1) X X X 1
P7.6/TA0.1/Sz 6 P7.6 (I/O) I: 0; O: 1 0 0 0
TA0CCI1A 0 0 1 0
TA0.1 1
N/A 0 1 0 0
Internally tied to DVSS 1
N/A 0 1 1 0
Internally tied to DVSS 1
Sz (1) X X X 1
P7.7/TA1.2/TB0OUTH/Sz 7 P7.7 (I/O) I: 0; O: 1 0 0 0
N/A 0 0 1 0
Internally tied to DVSS 1
TA1.CCI2A 0 1 0 0
TA1.2 1
TB0OUTH 0 1 1 0
Internally tied to DVSS 1
Sz (1) X X X 1

Port P8 (P8.0 to P8.3) Input/Output With Schmitt Trigger

For the pin diagram, see Figure 5-2. summarizes the selection of the pin function.

Port P8 (P8.0 to P8.3) Pin Functions

PIN NAME (P8.x) x FUNCTION CONTROL BITS AND SIGNALS(1)
P8DIR.x P8SEL1.x P8SEL0.x LCDSz
P8.0/RTCCLK/Sz 0 P8.0 (I/O) I: 0; O: 1 0 0 0
N/A 0 0 1 0
Internally tied to DVSS 1
N/A 0 1 0 0
Internally tied to DVSS 1
N/A 0 1 1 0
RTCCLK 1
Sz (1) X X X 1
P8.1/DMAE0/Sz 1 P8.1 (I/O) I: 0; O: 1 0 0 0
N/A 0 0 1 0
Internally tied to DVSS 1
N/A 0 1 0 0
Internally tied to DVSS 1
DMA0E 0 1 1 0
Internally tied to DVSS 1
Sz (1) X X X 1
P8.2/Sz 2 P8.2 (I/O) I: 0; O: 1 0 0 0
N/A 0 0 1 0
Internally tied to DVSS 1
N/A 0 1 0 0
Internally tied to DVSS 1
N/A 0 1 1 0
Internally tied to DVSS 1
Sz (1) X X X 1
P8.3/MCLK/Sz 3 P8.3 (I/O) I: 0; O: 1 0 0 0
N/A 0 0 1 0
Internally tied to DVSS 1
N/A 0 1 0 0
Internally tied to DVSS 1
N/A 0 1 1 0
MCLK 1
Sz (1) X X X 1

Port P8 (P8.4 to P8.7) Input/Output With Schmitt Trigger

Figure 5-7 shows the port diagram. summarizes the selection of the pin function.

MSP430FR5989-EP P8_4567.gif

NOTE:

Functional representation only.
Figure 5-7 Port P8 (P8.4 to P8.7) Diagram

Port P8 (P8.4 to P8.7) Pin Functions

PIN NAME (P8.x) x FUNCTION CONTROL BITS AND SIGNALS(1)
P8DIR.x P8SEL1.x P8SEL0.x
P8.4/A7/C7 4 P8.4 (I/O) I: 0; O: 1 0 0
N/A 0 0 1
Internally tied to DVSS 1
N/A 0 1 0
Internally tied to DVSS 1
A7/C7 (1) (5) X 1 1
P8.5/A6/C6 5 P8.5 (I/O) I: 0; O: 1 0 0
N/A 0 0 1
Internally tied to DVSS 1
N/A 0 1 0
Internally tied to DVSS 1
A6/C6 (1) (5) X 1 1
P8.6/A5/C5 6 P8.6 (I/O) I: 0; O: 1 0 0
N/A 0 0 1
Internally tied to DVSS 1
N/A 0 1 0
Internally tied to DVSS 1
A5/C5 (1) (5) X 1 1
P8.7/A4/C4 7 P8.7 (I/O) I: 0; O: 1 0 0
N/A 0 0 1
Internally tied to DVSS 1
N/A 0 1 0
Internally tied to DVSS 1
A4/C4 (1) (5) X 1 1
Setting P8SEL1.x and P8SEL0.x disables the output driver and the input Schmitt trigger to prevent parasitic cross currents when applying analog signals.

Port P9 (P9.0 to P9.3) Input/Output With Schmitt Trigger

Figure 5-8 shows the port diagram. summarizes the selection of the pin function.

MSP430FR5989-EP P9_0123_ESI.gif

NOTE:

Functional representation only.
Figure 5-8 Port P9 (P9.0 to P9.3) Diagram

Port P9 (P9.0 to P9.3) Pin Functions

PIN NAME (P9.x) x FUNCTION CONTROL BITS AND SIGNALS(1)
P9DIR.x P9SEL1.x P9SEL0.x
P9.0/ESICH0/ESITEST0/A8/C8 0 P9.0 (I/O) I: 0; O: 1 0 0
N/A 0 0 1
Internally tied to DVSS 1
ESITEST0(1) X 1 0
ESICH0/A8/C8 (1)(5)(2) X 1 1
P9.1/ESICH1/ESITEST1/A9/C9 1 P9.1 (I/O) I: 0; O: 1 0 0
N/A 0 0 1
Internally tied to DVSS 1
ESITEST1(1) X 1 0
ESICH1/A9/C9 (1)(5)(2) X 1 1
P9.2/ESICH2/ESITEST2/A10/C10 2 P9.2 (I/O) I: 0; O: 1 0 0
N/A 0 0 1
Internally tied to DVSS 1
ESITEST2(1) X 1 0
ESICH2/A10/C10 (1)(5)(2) X 1 1
P9.3/ESICH3/ESITEST3/A11/C11 3 P9.3 (I/O) I: 0; O: 1 0 0
N/A 0 0 1
Internally tied to DVSS 1
ESITEST3(1) X 1 0
ESICH3/A11/C11 (1) (5)(2) X 1 1
Setting P9SEL1.x disables the output driver and the input Schmitt trigger to prevent parasitic cross currents when applying analog signals.
Depending on the configuration of the ESI module other ESICHx pins are stimulated as well and thus should have the input Schmitt triggers disabled (with P9SEL1.x = 1) and cannot be used as digital I/O, ADC or comparator inputs.

Port P9 (P9.4 to P9.7) Input/Output With Schmitt Trigger

Figure 5-9 shows the port diagram. summarizes the selection of the pin function.

MSP430FR5989-EP P9_4567_ESI.gif

NOTE:

Functional representation only.
Figure 5-9 Port P9 (P9.4 to P9.7) Diagram

Port P9 (P9.4 to P9.7) Pin Functions

PIN NAME (P9.x) x FUNCTION CONTROL BITS AND SIGNALS(1)
P9DIR.x P9SEL1.x P9SEL0.x
P9.4/ESICI0/A12/C12 4 P9.4 (I/O) I: 0; O: 1 0 0
N/A 0 0 1
Internally tied to DVSS 1
N/A 0 1 0
Internally tied to DVSS 1
ESICI0/A12/C12 (1) (5)(2) X 1 1
P9.5/ESICI1/A13/C13 5 P9.5 (I/O) I: 0; O: 1 0 0
N/A 0 0 1
Internally tied to DVSS 1
N/A 0 1 0
Internally tied to DVSS 1
ESICI1/A13/C13 (1) (5)(2) X 1 1
P9.6/ESICI2/A14/C14 6 P9.6 (I/O) I: 0; O: 1 0 0
N/A 0 0 1
Internally tied to DVSS 1
N/A 0 1 0
Internally tied to DVSS 1
ESICI2/A14/C14 (1) (5)(2) X 1 1
P9.7/ESICI3/A15/C15 7 P9.7 (I/O) I: 0; O: 1 0 0
N/A 0 0 1
Internally tied to DVSS 1
N/A 0 1 0
Internally tied to DVSS 1
ESICI3/A15/C15 (1) (5)(2) X 1 1
Setting P9SEL1.x and P9SEL0.x disables the output driver and the input Schmitt trigger to prevent parasitic cross currents when applying analog signals.
Depending on the configuration of the ESI module, other ESICI2/ pins are used, and thus should have the input Schmitt triggers disabled (with P9SEL1.x = 1 and P9SEL0.x = 1) and cannot be used as digital I/O, ADC, or comparator inputs.

Port P10 (P10.0 to P10.2) Input/Output With Schmitt Trigger

For the pin diagram, see Figure 5-2. summarizes the selection of the pin function.

Port P10 (P10.0 to P10.2) Pin Functions

PIN NAME (P10.x) x FUNCTION CONTROL BITS AND SIGNALS(1)
P10DIR.x P10SEL1.x P10SEL0.x LCDSz
P10.0/SMCLK/Sz 0 P10.0 (I/O) I: 0; O: 1 0 0 0
N/A 0 0 1 0
Internally tied to DVSS 1
N/A 0 1 0 0
Internally tied to DVSS 1
N/A 0 1 1 0
SMCLK 1
Sz (1) X X X 1
P10.1/TA0.0/Sz 1 P10.1 (I/O) I: 0; O: 1 0 0 0
TA0.CCI0B 0 0 1 0
TA0.0 1
N/A 0 1 0 0
Internally tied to DVSS 1
N/A 0 1 1 0
Internally tied to DVSS 1
Sz (1) X X X 1
P10.2/TA1.0/SMCLK/Sz 2 P10.2 (I/O) I: 0; O: 1 0 0 0
TA1.CCI0B 0 0 1 0
TA1.0 1
N/A 0 1 0 0
Internally tied to DVSS 1
N/A 0 1 1 0
SMCLK 1
Sz (1) X X X 1

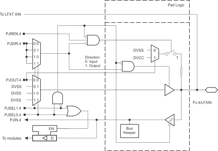
Port PJ (PJ.4 and PJ.5) Input/Output With Schmitt Trigger

Figure 5-10 and Figure 5-11 show the port diagrams. summarizes the selection of the pin function.

MSP430FR5989-EP PJ_4.gif

NOTE:

Functional representation only.
Figure 5-10 Port PJ (PJ.4) Diagram
MSP430FR5989-EP PJ_5.gif

NOTE:

Functional representation only.
Figure 5-11 Port PJ (PJ.5) Diagram

Port PJ (PJ.4 and PJ.5) Pin Functions

PIN NAME (PJ.x) x FUNCTION CONTROL BITS AND SIGNALS(1)
PJDIR.x PJSEL1.5 PJSEL0.5 PJSEL1.4 PJSEL0.4 LFXT
BYPASS
PJ.4/LFXIN 4 PJ.4 (I/O) I: 0; O: 1 X X 0 0 X
N/A 0 X X 1 X X
Internally tied to DVSS 1
LFXIN crystal mode (2) X X X 0 1 0
LFXIN bypass mode (2) X X X 0 1 1
PJ.5/LFXOUT 5 PJ.5 (I/O) I: 0; O: 1 0 0 0 0 0
1 X
X X 1(3)
N/A 0 see(1) see(1) 0 0 0
1 X
X X 1(3)
Internally tied to DVSS 1 see(1) see(1) 0 0 0
1 X
X X 1(3)
LFXOUT crystal mode (2) X X X 0 1 0
With PJSEL0.5 = 1 or PJSEL1.5 =1 the general-purpose I/O functionality is disabled. No input function is available. When configured as output, the pin is actively pulled to zero.
Setting PJSEL1.4 = 0 and PJSEL0.4 = 1 causes the general-purpose I/O to be disabled. When LFXTBYPASS = 0, PJ.4 and PJ.5 are configured for crystal operation and PJSEL1.5 and PJSEL0.5 are don't care. When LFXTBYPASS = 1, PJ.4 is configured for bypass operation and PJ.5 is configured as general-purpose I/O.
When PJ.4 is configured in bypass mode, PJ.5 is configured as general-purpose I/O.

Port PJ (PJ.6 and PJ.7) Input/Output With Schmitt Trigger

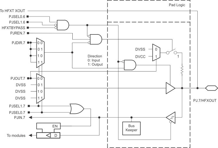
Figure 5-12 and Figure 5-13 show the port diagrams. summarizes the selection of the pin function.

MSP430FR5989-EP PJ_6.gif

NOTE:

Functional representation only.
Figure 5-12 Port PJ (PJ.6) Diagram
MSP430FR5989-EP PJ_7.gif

NOTE:

Functional representation only.
Figure 5-13 Port PJ (PJ.7) Diagram

Port PJ (PJ.6 and PJ.7) Pin Functions

PIN NAME (PJ.x) x FUNCTION CONTROL BITS AND SIGNALS(1)
PJDIR.x PJSEL1.7 PJSEL0.7 PJSEL1.6 PJSEL0.6 HFXT
BYPASS
PJ.6/HFXIN 6 PJ.6 (I/O) I: 0; O: 1 X X 0 0 X
N/A 0 X X 1 X X
Internally tied to DVSS 1
HFXIN crystal mode (2) X X X 0 1 0
HFXIN bypass mode (2) X X X 0 1 1
PJ.7/HFXOUT 7 PJ.7 (I/O) I: 0; O: 1 0 0 0 0 0
1 X
X X 1(3)
N/A 0 see(1) see(1) 0 0 0
1 X
X X 1(3)
Internally tied to DVSS 1 see(1) see(1) 0 0 0
1 X
X X 1(3)
HFXOUT crystal mode (2) X X X 0 1 0
With PJSEL0.7 = 1 or PJSEL1.7 =1 the general-purpose I/O functionality is disabled. No input function is available. When configured as output, the pin is actively pulled to zero.
Setting PJSEL1.6 = 0 and PJSEL0.6 = 1 causes the general-purpose I/O to be disabled. When HFXTBYPASS = 0, PJ.6 and PJ.7 are configured for crystal operation and PJSEL1.6 and PJSEL0.7 are don't care. When HFXTBYPASS = 1, PJ.6 is configured for bypass operation and PJ.7 is configured as general-purpose I/O.
When PJ.6 is configured in bypass mode, PJ.7 is configured as general-purpose I/O.

Port PJ (PJ.0 to PJ.3) JTAG Pins TDO, TMS, TCK, TDI/TCLK, Input/Output With Schmitt Trigger

Figure 5-14 shows the port diagram. summarizes the selection of the pin function.

MSP430FR5989-EP PJ_0123.gif

NOTE:

Functional representation only.
Figure 5-14 Port PJ (PJ.0 to PJ.3) Diagram

Port PJ (PJ.0 to PJ.3) Pin Functions

PIN NAME (PJ.x) x FUNCTION CONTROL BITS OR SIGNALS(1)
PJDIR.x PJSEL1.x PJSEL0.x
PJ.0/TDO/TB0OUTH/ SMCLK/SRSCG1 0 PJ.0 (I/O) (2) I: 0; O: 1 0 0
TDO (3) X X X
TB0OUTH 0 0 1
SMCLK(5) 1
N/A 0 1 0
CPU Status Register Bit SCG1 1
N/A 0 1 1
Internally tied to DVSS 1
PJ.1/TDI/TCLK/ MCLK/SRSCG0 1 PJ.1 (I/O) (2) I: 0; O: 1 0 0
TDI/TCLK (3) (4) X X X
N/A 0 0 1
MCLK 1
N/A 0 1 0
CPU Status Register Bit SCG0 1
N/A 0 1 1
Internally tied to DVSS 1
PJ.2/TMS/ACLK/ SROSCOFF 2 PJ.2 (I/O) (2) I: 0; O: 1 0 0
TMS (3) (4) X X X
N/A 0 0 1
ACLK 1
N/A 0 1 0
CPU Status Register Bit OSCOFF 1
N/A 0 1 1
Internally tied to DVSS 1
PJ.3/TCK/COUT/ SRCPUOFF 3 PJ.3 (I/O) (2) I: 0; O: 1 0 0
TCK (3) (4) X X X
N/A 0 0 1
COUT 1
N/A 0 1 0
CPU Status Register Bit CPUOFF 1
N/A 0 1 1
Internally tied to DVSS 1
X = Don't care
Default condition
The pin direction is controlled by the JTAG module. JTAG mode selection is made through the SYS module or by the Spy-Bi-Wire 4-wire entry sequence. Neither PJSEL1.x and PJSEL0.x nor CEPD.x bits have an effect in these cases.
In JTAG mode, pullups are activated automatically on TMS, TCK, and TDI/TCLK. PJREN.x are don't care.
Do not use this pin as SMCLK output if the TB0OUTH functionality is used on any other pin. Select an alternative SMCLK output pin.

Device Descriptors (TLV)

Table 5-20 summarizes the Device IDs. Table 5-21 lists the contents of the device descriptor tag-length-value (TLV) structure for each device type.

Table 5-20 Device ID

DEVICE DEVICE ID
01A05h 01A04h
MSP430FR5989 081h 0ABh

Table 5-21 Device Descriptor Table (1)

DESCRIPTION MSP430FRxxxx (UART BSL) MSP430FRxxxx1 (I2C BSL)
ADDRESS VALUE ADDRESS VALUE
Info Block Info length 01A00h 06h 01A00h 06h
CRC length 01A01h 06h 01A01h 06h
CRC value 01A02h Per unit 01A02h Per unit
01A03h Per unit 01A03h Per unit
Device ID 01A04h See . 01A04h See .
01A05h 01A05h
Hardware revision 01A06h Per unit 01A06h Per unit
Firmware revision 01A07h Per unit 01A07h Per unit
Die Record Die record tag 01A08h 08h 01A08h 08h
Die record length 01A09h 0Ah 01A09h 0Ah
Lot/wafer ID 01A0Ah Per unit 01A0Ah Per unit
01A0Bh Per unit 01A0Bh Per unit
01A0Ch Per unit 01A0Ch Per unit
01A0Dh Per unit 01A0Dh Per unit
Die X position 01A0Eh Per unit 01A0Eh Per unit
01A0Fh Per unit 01A0Fh Per unit
Die Y position 01A10h Per unit 01A10h Per unit
01A11h Per unit 01A11h Per unit
Test results 01A12h Per unit 01A12h Per unit
01A13h Per unit 01A13h Per unit
ADC12B Calibration ADC12B calibration tag 01A14h 11h 01A14h 11h
ADC12B calibration length 01A15h 10h 01A15h 10h
ADC gain factor(2) 01A16h Per unit 01A16h Per unit
01A17h Per unit 01A17h Per unit
ADC offset(3) 01A18h Per unit 01A18h Per unit
01A19h Per unit 01A19h Per unit
ADC 1.2-V reference
Temperature sensor 30°C
01A1Ah Per unit 01A1Ah Per unit
01A1Bh Per unit 01A1Bh Per unit
ADC 1.2-V reference
Temperature sensor 95°C
01A1Ch Per unit 01A1Ch Per unit
01A1Dh Per unit 01A1Dh Per unit
ADC 2.0-V reference
Temperature sensor 30°C
01A1Eh Per unit 01A1Eh Per unit
01A1Fh Per unit 01A1Fh Per unit
ADC 2.0-V reference
Temperature sensor 95°C
01A20h Per unit 01A20h Per unit
01A21h Per unit 01A21h Per unit
ADC 2.5-V reference
Temperature sensor 30°C
01A22h Per unit 01A22h Per unit
01A23h Per unit 01A23h Per unit
ADC 2.5-V reference
Temperature sensor 95°C
01A24h Per unit 01A24h Per unit
01A25h Per unit 01A25h Per unit
REF Calibration REF calibration tag 01A26h 12h 01A26h 12h
REF calibration length 01A27h 06h 01A27h 06h
REF 1.2-V reference 01A28h Per unit 01A28h Per unit
01A29h Per unit 01A29h Per unit
REF 2.0-V reference 01A2Ah Per unit 01A2Ah Per unit
01A2Bh Per unit 01A2Bh Per unit
REF 2.5-V reference 01A2Ch Per unit 01A2Ch Per unit
01A2Dh Per unit 01A2Dh Per unit
Random Number 128-bit random number tag 01A2Eh 15h 01A2Eh 15h
Random number length 01A2Fh 10h 01A2Fh 10h
128-bit random number(4) 01A30h Per unit 01A30h Per unit
01A31h Per unit 01A31h Per unit
01A32h Per unit 01A32h Per unit
01A33h Per unit 01A33h Per unit
01A34h Per unit 01A34h Per unit
01A35h Per unit 01A35h Per unit
01A36h Per unit 01A36h Per unit
01A37h Per unit 01A37h Per unit
01A38h Per unit 01A38h Per unit
01A39h Per unit 01A39h Per unit
01A3Ah Per unit 01A3Ah Per unit
01A3Bh Per unit 01A3Bh Per unit
01A3Ch Per unit 01A3Ch Per unit
01A3Dh Per unit 01A3Dh Per unit
01A3Eh Per unit 01A3Eh Per unit
01A3Fh Per unit 01A3Fh Per unit
BSL Configuration BSL tag 01A40h 1Ch 01A40h 1Ch
BSL length 01A41h 02h 01A41h 02h
BSL interface 01A42h 00h 01A42h 01h
BSL interface configuration 01A43h 00h 01A43h 48h
NA = Not applicable, Per unit = Content can differ from device to device
ADC gain: The gain correction factor is measured using the internal voltage reference with REFOUT = 0. Other settings (for example, with REFOUT = 1) can result in different correction factors.
ADC offset: The offset correction factor is measured using the internal 2.5-V reference.
128-bit random number: The random number is generated during production test using the CryptGenRandom() function from Microsoft®.

Memory

Table 5-22 summarizes the memory map.

Table 5-22 Memory Organization(1)

MSP430FRxxx9(1)
Memory (FRAM)
Main: interrupt vectors and signatures
Main: code memory
Total Size 127KB
00FFFFh–00FF80h
023FFFh–004400h
RAM Sect 1 2KB
0023FFh–001C00h
Boot memory (ROM) 256 B
001BFFh–001B00h
Device Descriptor Info (TLV) 256 B
001AFFh–001A00h
Information memory (FRAM) Info A 128 B
0019FFh–001980h
Info B 128 B
00197Fh–001900h
Info C 128 B
0018FFh–001880h
Info D 128 B
00187Fh–001800h
Bootloader (BSL) memory (ROM) BSL 3 512 B
0017FFh–001600h
BSL 2 512 B
0015FFh–001400h
BSL 1 512 B
0013FFh–001200h
BSL 0 512 B
0011FFh–001000h
Peripherals Size 4KB
000FFFh–000020h
Tiny RAM Size 26 B
000001Fh–000006h
Reserved (ROM) Size 6 B
000005h–000000h
All address space not listed is considered vacant memory.

Peripheral File Map

Table 5-23 lists the base address for each available peripheral. Table 5-24 through Table 5-59 list the registers and their offsets for each peripheral.

Table 5-23 Peripherals

MODULE NAME BASE ADDRESS OFFSET ADDRESS RANGE
Special Functions (see Table 5-24) 0100h 000h–01Fh
PMM (see Table 5-25) 0120h 000h–01Fh
FRAM Control (see Table 5-26) 0140h 000h–00Fh
CRC16 (see Table 5-27) 0150h 000h–007h
RAM Controller (see Table 5-28) 0158h 000h–001h
Watchdog Timer (see Table 5-29) 015Ch 000h–001h
CS (see Table 5-30) 0160h 000h–00Fh
SYS (see Table 5-31) 0180h 000h–01Fh
Shared Reference (see Table 5-32) 01B0h 000h–001h
Port P1, P2 (see Table 5-33) 0200h 000h–01Fh
Port P3, P4 (see Table 5-34) 0220h 000h–01Fh
Port P5, P6 (see Table 5-35) 0240h 000h–01Fh
Port P7, P8 (see Table 5-36) 0260h 000h–01Fh
Port P9, P10 (see Table 5-37) 0280h 000h–01Fh
Port PJ (see Table 5-38) 0320h 000h–01Fh
Timer_A TA0 (see Table 5-39) 0340h 000h–02Fh
Timer_A TA1 (see Table 5-40) 0380h 000h–02Fh
Timer_B TB0 (see Table 5-41) 03C0h 000h–02Fh
Timer_A TA2 (see Table 5-42) 0400h 000h–02Fh
Capacitive Touch I/O 0 (see Table 5-43) 0430h 000h–00Fh
Timer_A TA3 (see Table 5-44) 0440h 000h–02Fh
Capacitive Touch I/O 1 (see Table 5-45) 0470h 000h–00Fh
Real-Time Clock (RTC_C) (see Table 5-46) 04A0h 000h–01Fh
32-Bit Hardware Multiplier (see Table 5-47) 04C0h 000h–02Fh
DMA General Control (see Table 5-48) 0500h 000h–00Fh
DMA Channel 0 (see Table 5-48) 0510h 000h–00Fh
DMA Channel 1 (see Table 5-48) 0520h 000h–00Fh
DMA Channel 2 (see Table 5-48) 0530h 000h–00Fh
MPU (see Table 5-49) 05A0h 000h–00Fh
eUSCI_A0 (see Table 5-50) 05C0h 000h–01Fh
eUSCI_A1 (see Table 5-51) 05E0h 000h–01Fh
eUSCI_B0 (see Table 5-52) 0640h 000h–02Fh
eUSCI_B1 (see Table 5-53) 0680h 000h–02Fh
ADC12_B (see Table 5-54) 0800h 000h–09Fh
Comparator_E (see Table 5-55) 08C0h 000h–00Fh
CRC32 (see Table 5-56) 0980h 000h–02Fh
AES (see Table 5-57) 09C0h 000h–00Fh
LCD_C (see Table 5-58) 0A00h 000h–05Fh
ESI (see Table 5-59) 0D00h 000h–09Fh
ESI RAM (128 bytes) 0E00h 00h–07Fh

Table 5-24 Special Function Registers (Base Address: 0100h)

REGISTER DESCRIPTION REGISTER OFFSET
SFR interrupt enable SFRIE1 00h
SFR interrupt flag SFRIFG1 02h
SFR reset pin control SFRRPCR 04h

Table 5-25 PMM Registers (Base Address: 0120h)

REGISTER DESCRIPTION REGISTER OFFSET
PMM control 0 PMMCTL0 00h
PMM interrupt flags PMMIFG 0Ah
PM5 control 0 PM5CTL0 10h

Table 5-26 FRAM Control Registers (Base Address: 0140h)

REGISTER DESCRIPTION REGISTER OFFSET
FRAM control 0 FRCTL0 00h
General control 0 GCCTL0 04h
General control 1 GCCTL1 06h

Table 5-27 CRC16 Registers (Base Address: 0150h)

REGISTER DESCRIPTION REGISTER OFFSET
CRC data input CRC16DI 00h
CRC data input reverse byte CRCDIRB 02h
CRC initialization and result CRCINIRES 04h
CRC result reverse byte CRCRESR 06h

Table 5-28 RAM Controller Registers (Base Address: 0158h)

REGISTER DESCRIPTION REGISTER OFFSET
RAM controller control 0 RCCTL0 00h

Table 5-29 Watchdog Registers (Base Address: 015Ch)

REGISTER DESCRIPTION REGISTER OFFSET
Watchdog timer control WDTCTL 00h

Table 5-30 CS Registers (Base Address: 0160h)

REGISTER DESCRIPTION REGISTER OFFSET
CS control 0 CSCTL0 00h
CS control 1 CSCTL1 02h
CS control 2 CSCTL2 04h
CS control 3 CSCTL3 06h
CS control 4 CSCTL4 08h
CS control 5 CSCTL5 0Ah
CS control 6 CSCTL6 0Ch

Table 5-31 SYS Registers (Base Address: 0180h)

REGISTER DESCRIPTION REGISTER OFFSET
System control SYSCTL 00h
JTAG mailbox control SYSJMBC 06h
JTAG mailbox input 0 SYSJMBI0 08h
JTAG mailbox input 1 SYSJMBI1 0Ah
JTAG mailbox output 0 SYSJMBO0 0Ch
JTAG mailbox output 1 SYSJMBO1 0Eh
User NMI vector generator SYSUNIV 1Ah
System NMI vector generator SYSSNIV 1Ch
Reset vector generator SYSRSTIV 1Eh

Table 5-32 Shared Reference Registers (Base Address: 01B0h)

REGISTER DESCRIPTION REGISTER OFFSET
Shared reference control REFCTL 00h

Table 5-33 Port P1, P2 Registers (Base Address: 0200h)

REGISTER DESCRIPTION REGISTER OFFSET
Port P1 input P1IN 00h
Port P1 output P1OUT 02h
Port P1 direction P1DIR 04h
Port P1 resistor enable P1REN 06h
Port P1 selection 0 P1SEL0 0Ah
Port P1 selection 1 P1SEL1 0Ch
Port P1 interrupt vector word P1IV 0Eh
Port P1 complement selection P1SELC 16h
Port P1 interrupt edge select P1IES 18h
Port P1 interrupt enable P1IE 1Ah
Port P1 interrupt flag P1IFG 1Ch
Port P2 input P2IN 01h
Port P2 output P2OUT 03h
Port P2 direction P2DIR 05h
Port P2 resistor enable P2REN 07h
Port P2 selection 0 P2SEL0 0Bh
Port P2 selection 1 P2SEL1 0Dh
Port P2 complement selection P2SELC 17h
Port P2 interrupt vector word P2IV 1Eh
Port P2 interrupt edge select P2IES 19h
Port P2 interrupt enable P2IE 1Bh
Port P2 interrupt flag P2IFG 1Dh

Table 5-34 Port P3, P4 Registers (Base Address: 0220h)

REGISTER DESCRIPTION REGISTER OFFSET
Port P3 input P3IN 00h
Port P3 output P3OUT 02h
Port P3 direction P3DIR 04h
Port P3 resistor enable P3REN 06h
Port P3 selection 0 P3SEL0 0Ah
Port P3 selection 1 P3SEL1 0Ch
Port P3 interrupt vector word P3IV 0Eh
Port P3 complement selection P3SELC 16h
Port P3 interrupt edge select P3IES 18h
Port P3 interrupt enable P3IE 1Ah
Port P3 interrupt flag P3IFG 1Ch
Port P4 input P4IN 01h
Port P4 output P4OUT 03h
Port P4 direction P4DIR 05h
Port P4 resistor enable P4REN 07h
Port P4 selection 0 P4SEL0 0Bh
Port P4 selection 1 P4SEL1 0Dh
Port P4 complement selection P4SELC 17h
Port P4 interrupt vector word P4IV 1Eh
Port P4 interrupt edge select P4IES 19h
Port P4 interrupt enable P4IE 1Bh
Port P4 interrupt flag P4IFG 1Dh

Table 5-35 Port P5, P6 Registers (Base Address: 0240h)

REGISTER DESCRIPTION REGISTER OFFSET
Port P5 input P5IN 00h
Port P5 output P5OUT 02h
Port P5 direction P5DIR 04h
Port P5 resistor enable P5REN 06h
Port P5 selection 0 P5SEL0 0Ah
Port P5 selection 1 P5SEL1 0Ch
Reserved 0Eh
Port P5 complement selection P5SELC 16h
Reserved 18h
Reserved 1Ah
Reserved 1Ch
Port P6 input P6IN 01h
Port P6 output P6OUT 03h
Port P6 direction P6DIR 05h
Port P6 resistor enable P6REN 07h
Port P6 selection 0 P6SEL0 0Bh
Port P6 selection 1 P6SEL1 0Dh
Port P6 complement selection P6SELC 17h
Reserved 1Eh
Reserved 19h
Reserved 1Bh
Reserved 1Dh

Table 5-36 Port P7, P8 Registers (Base Address: 0260h)

REGISTER DESCRIPTION REGISTER OFFSET
Port P7 input P7IN 00h
Port P7 output P7OUT 02h
Port P7 direction P7DIR 04h
Port P7 resistor enable P7REN 06h
Port P7 selection 0 P7SEL0 0Ah
Port P7 selection 1 P7SEL1 0Ch
Reserved 0Eh
Port P7 complement selection P7SELC 16h
Reserved 18h
Reserved 1Ah
Reserved 1Ch
Port P8 input P8IN 01h
Port P8 output P8OUT 03h
Port P8 direction P8DIR 05h
Port P8 resistor enable P8REN 07h
Port P8 selection 0 P8SEL0 0Bh
Port P8 selection 1 P8SEL1 0Dh
Port P8 complement selection P8SELC 17h
Reserved 1Eh
Reserved 19h
Reserved 1Bh
Reserved 1Dh

Table 5-37 Port P9, P10 Registers (Base Address: 0280h)

REGISTER DESCRIPTION REGISTER OFFSET
Port P9 input P9IN 00h
Port P9 output P9OUT 02h
Port P9 direction P9DIR 04h
Port P9 resistor enable P9REN 06h
Port P9 selection 0 P9SEL0 0Ah
Port P9 selection 1 P9SEL1 0Ch
Reserved 0Eh
Port P9 complement selection P9SELC 16h
Reserved 18h
Reserved 1Ah
Reserved 1Ch
Port P10 input P10IN 01h
Port P10 output P10OUT 03h
Port P10 direction P10DIR 05h
Port P10 resistor enable P10REN 07h
Port P10 selection 0 P10SEL0 0Bh
Port P10 selection 1 P10SEL1 0Dh
Port P10 complement selection P10SELC 17h
Reserved 1Eh
Reserved 19h
Reserved 1Bh
Reserved 1Dh

Table 5-38 Port J Registers (Base Address: 0320h)

REGISTER DESCRIPTION REGISTER OFFSET
Port PJ input PJIN 00h
Port PJ output PJOUT 02h
Port PJ direction PJDIR 04h
Port PJ resistor enable PJREN 06h
Port PJ selection 0 PJSEL0 0Ah
Port PJ selection 1 PJSEL1 0Ch
Port PJ complement selection PJSELC 16h

Table 5-39 Timer_A TA0 Registers (Base Address: 0340h)

REGISTER DESCRIPTION REGISTER OFFSET
TA0 control TA0CTL 00h
Capture/compare control 0 TA0CCTL0 02h
Capture/compare control 1 TA0CCTL1 04h
Capture/compare control 2 TA0CCTL2 06h
Capture/compare control 3 TA0CCTL3 08h
Capture/compare control 4 TA0CCTL4 0Ah
TA0 counter TA0R 10h
Capture/compare 0 TA0CCR0 12h
Capture/compare 1 TA0CCR1 14h
Capture/compare 2 TA0CCR2 16h
Capture/compare 3 TA0CCR3 18h
Capture/compare 4 TA0CCR4 1Ah
TA0 expansion 0 TA0EX0 20h
TA0 interrupt vector TA0IV 2Eh

Table 5-40 Timer_A TA1 Registers (Base Address: 0380h)

REGISTER DESCRIPTION REGISTER OFFSET
TA1 control TA1CTL 00h
Capture/compare control 0 TA1CCTL0 02h
Capture/compare control 1 TA1CCTL1 04h
Capture/compare control 2 TA1CCTL2 06h
TA1 counter TA1R 10h
Capture/compare 0 TA1CCR0 12h
Capture/compare 1 TA1CCR1 14h
Capture/compare 2 TA1CCR2 16h
TA1 expansion 0 TA1EX0 20h
TA1 interrupt vector TA1IV 2Eh

Table 5-41 Timer_B TB0 Registers (Base Address: 03C0h)

REGISTER DESCRIPTION REGISTER OFFSET
TB0 control TB0CTL 00h
Capture/compare control 0 TB0CCTL0 02h
Capture/compare control 1 TB0CCTL1 04h
Capture/compare control 2 TB0CCTL2 06h
Capture/compare control 3 TB0CCTL3 08h
Capture/compare control 4 TB0CCTL4 0Ah
Capture/compare control 5 TB0CCTL5 0Ch
Capture/compare control 6 TB0CCTL6 0Eh
TB0 counter TB0R 10h
Capture/compare 0 TB0CCR0 12h
Capture/compare 1 TB0CCR1 14h
Capture/compare 2 TB0CCR2 16h
Capture/compare 3 TB0CCR3 18h
Capture/compare 4 TB0CCR4 1Ah
Capture/compare 5 TB0CCR5 1Ch
Capture/compare 6 TB0CCR6 1Eh
TB0 expansion 0 TB0EX0 20h
TB0 interrupt vector TB0IV 2Eh

Table 5-42 Timer_A TA2 Registers (Base Address: 0400h)

REGISTER DESCRIPTION REGISTER OFFSET
TA2 control TA2CTL 00h
Capture/compare control 0 TA2CCTL0 02h
Capture/compare control 1 TA2CCTL1 04h
TA2 counter TA2R 10h
Capture/compare 0 TA2CCR0 12h
Capture/compare 1 TA2CCR1 14h
TA2 expansion 0 TA2EX0 20h
TA2 interrupt vector TA2IV 2Eh

Table 5-43 Capacitive Touch I/O 0 Registers (Base Address: 0430h)

REGISTER DESCRIPTION REGISTER OFFSET
Capacitive Touch I/O 0 control CAPTIO0CTL 0Eh

Table 5-44 Timer_A TA3 Registers (Base Address: 0440h)

REGISTER DESCRIPTION REGISTER OFFSET
TA3 control TA3CTL 00h
Capture/compare control 0 TA3CCTL0 02h
Capture/compare control 1 TA3CCTL1 04h
Capture/compare control 2 TA3CCTL2 06h
Capture/compare control 3 TA3CCTL3 08h
Capture/compare control 4 TA3CCTL4 0Ah
TA3 counter TA3R 10h
Capture/compare 0 TA3CCR0 12h
Capture/compare 1 TA3CCR1 14h
Capture/compare 2 TA3CCR2 16h
Capture/compare 3 TA3CCR3 18h
Capture/compare 4 TA3CCR4 1Ah
TA3 expansion 0 TA3EX0 20h
TA3 interrupt vector TA3IV 2Eh

Table 5-45 Capacitive Touch I/O 1 Registers (Base Address: 0470h)

REGISTER DESCRIPTION REGISTER OFFSET
Capacitive Touch I/O 1 control CAPTIO1CTL 0Eh

Table 5-46 RTC_C Registers (Base Address: 04A0h)

REGISTER DESCRIPTION REGISTER OFFSET
RTC control 0 RTCCTL0 00h
RTC password RTCPWD 01h
RTC control 1 RTCCTL1 02h
RTC control 3 RTCCTL3 03h
RTC offset calibration RTCOCAL 04h
RTC temperature compensation RTCTCMP 06h
RTC prescaler 0 control RTCPS0CTL 08h
RTC prescaler 1 control RTCPS1CTL 0Ah
RTC prescaler 0 RTCPS0 0Ch
RTC prescaler 1 RTCPS1 0Dh
RTC interrupt vector word RTCIV 0Eh
RTC seconds/counter 1 RTCSEC/RTCNT1 10h
RTC minutes/counter 2 RTCMIN/RTCNT2 11h
RTC hours/counter 3 RTCHOUR/RTCNT3 12h
RTC day of week/counter 4 RTCDOW/RTCNT4 13h
RTC days RTCDAY 14h
RTC month RTCMON 15h
RTC year RTCYEAR 16h
RTC alarm minutes RTCAMIN 18h
RTC alarm hours RTCAHOUR 19h
RTC alarm day of week RTCADOW 1Ah
RTC alarm days RTCADAY 1Bh
Binary-to-BCD conversion BIN2BCD 1Ch
BCD-to-Binary conversion BCD2BIN 1Eh

Table 5-47 32-Bit Hardware Multiplier Registers (Base Address: 04C0h)

REGISTER DESCRIPTION REGISTER OFFSET
16-bit operand 1 – multiply MPY 00h
16-bit operand 1 – signed multiply MPYS 02h
16-bit operand 1 – multiply accumulate MAC 04h
16-bit operand 1 – signed multiply accumulate MACS 06h
16-bit operand 2 OP2 08h
16 × 16 result low word RESLO 0Ah
16 × 16 result high word RESHI 0Ch
16 × 16 sum extension SUMEXT 0Eh
32-bit operand 1 – multiply low word MPY32L 10h
32-bit operand 1 – multiply high word MPY32H 12h
32-bit operand 1 – signed multiply low word MPYS32L 14h
32-bit operand 1 – signed multiply high word MPYS32H 16h
32-bit operand 1 – multiply accumulate low word MAC32L 18h
32-bit operand 1 – multiply accumulate high word MAC32H 1Ah
32-bit operand 1 – signed multiply accumulate low word MACS32L 1Ch
32-bit operand 1 – signed multiply accumulate high word MACS32H 1Eh
32-bit operand 2 – low word OP2L 20h
32-bit operand 2 – high word OP2H 22h
32 × 32 result 0 – least significant word RES0 24h
32 × 32 result 1 RES1 26h
32 × 32 result 2 RES2 28h
32 × 32 result 3 – most significant word RES3 2Ah
MPY32 control 0 MPY32CTL0 2Ch

Table 5-48 DMA Registers (Base Address DMA General Control: 0500h,
DMA Channel 0: 0510h, DMA Channel 1: 0520h, DMA Channel 2: 0530h)

REGISTER DESCRIPTION REGISTER OFFSET
DMA channel 0 control DMA0CTL 00h
DMA channel 0 source address low DMA0SAL 02h
DMA channel 0 source address high DMA0SAH 04h
DMA channel 0 destination address low DMA0DAL 06h
DMA channel 0 destination address high DMA0DAH 08h
DMA channel 0 transfer size DMA0SZ 0Ah
DMA channel 1 control DMA1CTL 00h
DMA channel 1 source address low DMA1SAL 02h
DMA channel 1 source address high DMA1SAH 04h
DMA channel 1 destination address low DMA1DAL 06h
DMA channel 1 destination address high DMA1DAH 08h
DMA channel 1 transfer size DMA1SZ 0Ah
DMA channel 2 control DMA2CTL 00h
DMA channel 2 source address low DMA2SAL 02h
DMA channel 2 source address high DMA2SAH 04h
DMA channel 2 destination address low DMA2DAL 06h
DMA channel 2 destination address high DMA2DAH 08h
DMA channel 2 transfer size DMA2SZ 0Ah
DMA module control 0 DMACTL0 00h
DMA module control 1 DMACTL1 02h
DMA module control 2 DMACTL2 04h
DMA module control 3 DMACTL3 06h
DMA module control 4 DMACTL4 08h
DMA interrupt vector DMAIV 0Eh

Table 5-49 MPU Control Registers (Base Address: 05A0h)

REGISTER DESCRIPTION REGISTER OFFSET
MPU control 0 MPUCTL0 00h
MPU control 1 MPUCTL1 02h
MPU segmentation border 2 MPUSEGB2 04h
MPU segmentation border 1 MPUSEGB1 06h
MPU access management MPUSAM 08h
MPU IP control 0 MPUIPC0 0Ah
MPU IP encapsulation segment border 2 MPUIPSEGB2 0Ch
MPU IP encapsulation segment border 1 MPUIPSEGB1 0Eh

Table 5-50 eUSCI_A0 Registers (Base Address: 05C0h)

REGISTER DESCRIPTION REGISTER OFFSET
eUSCI_A control word 0 UCA0CTLW0 00h
eUSCI _A control word 1 UCA0CTLW1 02h
eUSCI_A baud rate 0 UCA0BR0 06h
eUSCI_A baud rate 1 UCA0BR1 07h
eUSCI_A modulation control UCA0MCTLW 08h
eUSCI_A status word UCA0STATW 0Ah
eUSCI_A receive buffer UCA0RXBUF 0Ch
eUSCI_A transmit buffer UCA0TXBUF 0Eh
eUSCI_A LIN control UCA0ABCTL 10h
eUSCI_A IrDA transmit control UCA0IRTCTL 12h
eUSCI_A IrDA receive control UCA0IRRCTL 13h
eUSCI_A interrupt enable UCA0IE 1Ah
eUSCI_A interrupt flags UCA0IFG 1Ch
eUSCI_A interrupt vector word UCA0IV 1Eh

Table 5-51 eUSCI_A1 Registers (Base Address:05E0h)

REGISTER DESCRIPTION REGISTER OFFSET
eUSCI_A control word 0 UCA1CTLW0 00h
eUSCI _A control word 1 UCA1CTLW1 02h
eUSCI_A baud rate 0 UCA1BR0 06h
eUSCI_A baud rate 1 UCA1BR1 07h
eUSCI_A modulation control UCA1MCTLW 08h
eUSCI_A status word UCA1STATW 0Ah
eUSCI_A receive buffer UCA1RXBUF 0Ch
eUSCI_A transmit buffer UCA1TXBUF 0Eh
eUSCI_A LIN control UCA1ABCTL 10h
eUSCI_A IrDA transmit control UCA1IRTCTL 12h
eUSCI_A IrDA receive control UCA1IRRCTL 13h
eUSCI_A interrupt enable UCA1IE 1Ah
eUSCI_A interrupt flags UCA1IFG 1Ch
eUSCI_A interrupt vector word UCA1IV 1Eh

Table 5-52 eUSCI_B0 Registers (Base Address: 0640h)

REGISTER DESCRIPTION REGISTER OFFSET
eUSCI_B control word 0 UCB0CTLW0 00h
eUSCI_B control word 1 UCB0CTLW1 02h
eUSCI_B bit rate 0 UCB0BR0 06h
eUSCI_B bit rate 1 UCB0BR1 07h
eUSCI_B status word UCB0STATW 08h
eUSCI_B byte counter threshold UCB0TBCNT 0Ah
eUSCI_B receive buffer UCB0RXBUF 0Ch
eUSCI_B transmit buffer UCB0TXBUF 0Eh
eUSCI_B I2C own address 0 UCB0I2COA0 14h
eUSCI_B I2C own address 1 UCB0I2COA1 16h
eUSCI_B I2C own address 2 UCB0I2COA2 18h
eUSCI_B I2C own address 3 UCB0I2COA3 1Ah
eUSCI_B received address UCB0ADDRX 1Ch
eUSCI_B address mask UCB0ADDMASK 1Eh
eUSCI_B I2C slave address UCB0I2CSA 20h
eUSCI_B interrupt enable UCB0IE 2Ah
eUSCI_B interrupt flags UCB0IFG 2Ch
eUSCI_B interrupt vector word UCB0IV 2Eh

Table 5-53 eUSCI_B1 Registers (Base Address: 0680h)

REGISTER DESCRIPTION REGISTER OFFSET
eUSCI_B control word 0 UCB1CTLW0 00h
eUSCI_B control word 1 UCB1CTLW1 02h
eUSCI_B bit rate 0 UCB1BR0 06h
eUSCI_B bit rate 1 UCB1BR1 07h
eUSCI_B status word UCB1STATW 08h
eUSCI_B byte counter threshold UCB1TBCNT 0Ah
eUSCI_B receive buffer UCB1RXBUF 0Ch
eUSCI_B transmit buffer UCB1TXBUF 0Eh
eUSCI_B I2C own address 0 UCB1I2COA0 14h
eUSCI_B I2C own address 1 UCB1I2COA1 16h
eUSCI_B I2C own address 2 UCB1I2COA2 18h
eUSCI_B I2C own address 3 UCB1I2COA3 1Ah
eUSCI_B received address UCB1ADDRX 1Ch
eUSCI_B address mask UCB1ADDMASK 1Eh
eUSCI_B I2C slave address UCB1I2CSA 20h
eUSCI_B interrupt enable UCB1IE 2Ah
eUSCI_B interrupt flags UCB1IFG 2Ch
eUSCI_B interrupt vector word UCB1IV 2Eh

Table 5-54 ADC12_B Registers (Base Address: 0800h)

REGISTER DESCRIPTION REGISTER OFFSET
ADC12_B control 0 ADC12CTL0 00h
ADC12_B control 1 ADC12CTL1 02h
ADC12_B control 2 ADC12CTL2 04h
ADC12_B control 3 ADC12CTL3 06h
ADC12_B window comparator low threshold ADC12LO 08h
ADC12_B window comparator high threshold ADC12HI 0Ah
ADC12_B interrupt flag 0 ADC12IFGR0 0Ch
ADC12_B Interrupt flag 1 ADC12IFGR1 0Eh
ADC12_B interrupt flag 2 ADC12IFGR2 10h
ADC12_B interrupt enable 0 ADC12IER0 12h
ADC12_B interrupt enable 1 ADC12IER1 14h
ADC12_B interrupt enable 2 ADC12IER2 16h
ADC12_B interrupt vector ADC12IV 18h
ADC12_B memory control 0 ADC12MCTL0 20h
ADC12_B memory control 1 ADC12MCTL1 22h
ADC12_B memory control 2 ADC12MCTL2 24h
ADC12_B memory control 3 ADC12MCTL3 26h
ADC12_B memory control 4 ADC12MCTL4 28h
ADC12_B memory control 5 ADC12MCTL5 2Ah
ADC12_B memory control 6 ADC12MCTL6 2Ch
ADC12_B memory control 7 ADC12MCTL7 2Eh
ADC12_B memory control 8 ADC12MCTL8 30h
ADC12_B memory control 9 ADC12MCTL9 32h
ADC12_B memory control 10 ADC12MCTL10 34h
ADC12_B memory control 11 ADC12MCTL11 36h
ADC12_B memory control 12 ADC12MCTL12 38h
ADC12_B memory control 13 ADC12MCTL13 3Ah
ADC12_B memory control 14 ADC12MCTL14 3Ch
ADC12_B memory control 15 ADC12MCTL15 3Eh
ADC12_B memory control 16 ADC12MCTL16 40h
ADC12_B memory control 17 ADC12MCTL17 42h
ADC12_B memory control 18 ADC12MCTL18 44h
ADC12_B memory control 19 ADC12MCTL19 46h
ADC12_B memory control 20 ADC12MCTL20 48h
ADC12_B memory control 21 ADC12MCTL21 4Ah
ADC12_B memory control 22 ADC12MCTL22 4Ch
ADC12_B memory control 23 ADC12MCTL23 4Eh
ADC12_B memory control 24 ADC12MCTL24 50h
ADC12_B memory control 25 ADC12MCTL25 52h
ADC12_B memory control 26 ADC12MCTL26 54h
ADC12_B memory control 27 ADC12MCTL27 56h
ADC12_B memory control 28 ADC12MCTL28 58h
ADC12_B memory control 29 ADC12MCTL29 5Ah
ADC12_B memory control 30 ADC12MCTL30 5Ch
ADC12_B memory control 31 ADC12MCTL31 5Eh
ADC12_B memory 0 ADC12MEM0 60h
ADC12_B memory 1 ADC12MEM1 62h
ADC12_B memory 2 ADC12MEM2 64h
ADC12_B memory 3 ADC12MEM3 66h
ADC12_B memory 4 ADC12MEM4 68h
ADC12_B memory 5 ADC12MEM5 6Ah
ADC12_B memory 6 ADC12MEM6 6Ch
ADC12_B memory 7 ADC12MEM7 6Eh
ADC12_B memory 8 ADC12MEM8 70h
ADC12_B memory 9 ADC12MEM9 72h
ADC12_B memory 10 ADC12MEM10 74h
ADC12_B memory 11 ADC12MEM11 76h
ADC12_B memory 12 ADC12MEM12 78h
ADC12_B memory 13 ADC12MEM13 7Ah
ADC12_B memory 14 ADC12MEM14 7Ch
ADC12_B memory 15 ADC12MEM15 7Eh
ADC12_B memory 16 ADC12MEM16 80h
ADC12_B memory 17 ADC12MEM17 82h
ADC12_B memory 18 ADC12MEM18 84h
ADC12_B memory 19 ADC12MEM19 86h
ADC12_B memory 20 ADC12MEM20 88h
ADC12_B memory 21 ADC12MEM21 8Ah
ADC12_B memory 22 ADC12MEM22 8Ch
ADC12_B memory 23 ADC12MEM23 8Eh
ADC12_B memory 24 ADC12MEM24 90h
ADC12_B memory 25 ADC12MEM25 92h
ADC12_B memory 26 ADC12MEM26 94h
ADC12_B memory 27 ADC12MEM27 96h
ADC12_B memory 28 ADC12MEM28 98h
ADC12_B memory 29 ADC12MEM29 9Ah
ADC12_B memory 30 ADC12MEM30 9Ch
ADC12_B memory 31 ADC12MEM31 9Eh

Table 5-55 Comparator_E Registers (Base Address: 08C0h)

REGISTER DESCRIPTION REGISTER OFFSET
Comparator control 0 CECTL0 00h
Comparator control 1 CECTL1 02h
Comparator control 2 CECTL2 04h
Comparator control 3 CECTL3 06h
Comparator interrupt CEINT 0Ch
Comparator interrupt vector word CEIV 0Eh

Table 5-56 CRC32 Registers (Base Address: 0980h)

REGISTER DESCRIPTION REGISTER OFFSET
CRC32 data input CRC32DIW0 00h
Reserved 02h
Reserved 04h
CRC32 data input reverse CRC32DIRBW0 06h
CRC32 initialization and result word 0 CRC32INIRESW0 08h
CRC32 initialization and result word 1 CRC32INIRESW1 0Ah
CRC32 result reverse word 1 CRC32RESRW1 0Ch
CRC32 result reverse word 0 CRC32RESRW1 0Eh
CRC16 data input CRC16DIW0 10h
Reserved 12h
Reserved 14h
CRC16 data input reverse CRC16DIRBW0 16h
CRC16 initialization and result word 0 CRC16INIRESW0 18h
Reserved 1Ah
Reserved 1Ch
CRC16 result reverse word 0 CRC16RESRW1 1Eh
Reserved 20h
Reserved 22h
Reserved 24h
Reserved 26h
Reserved 28h
Reserved 2Ah
Reserved 2Ch
Reserved 2Eh

Table 5-57 AES Accelerator Registers (Base Address: 09C0h)

REGISTER DESCRIPTION REGISTER OFFSET
AES accelerator control 0 AESACTL0 00h
AES accelerator control 1 AESACTL1 02h
AES accelerator status AESASTAT 04h
AES accelerator key AESAKEY 06h
AES accelerator data in AESADIN 008h
AES accelerator data out AESADOUT 00Ah
AES accelerator XORed data in AESAXDIN 00Ch
AES accelerator XORed data in (no trigger) AESAXIN 00Eh

Table 5-58 LCD_C Registers (Base Address: 0A00h)

REGISTER DESCRIPTION REGISTER OFFSET
LCD_C control 0 LCDCCTL0 000h
LCD_C control 1 LCDCCTL1 002h
LCD_C blinking control LCDCBLKCTL 004h
LCD_C memory control LCDCMEMCTL 006h
LCD_C voltage control LCDCVCTL 008h
LCD_C port control 0 LCDCPCTL0 00Ah
LCD_C port control 1 LCDCPCTL1 00Ch
LCD_C port control 2 LCDCPCTL2 00Eh
LCD_C charge pump control LCDCCPCTL 012h
LCD_C interrupt vector LCDCIV 01Eh
Static and 2 to 4 mux modes
LCD_C memory 1 LCDM1 020h
LCD_C memory 2 LCDM2 021h
LCD_C memory 3 LCDM3 022h
LCD_C memory 4 LCDM4 023h
LCD_C memory 5 LCDM5 024h
LCD_C memory 6 LCDM6 025h
LCD_C memory 7 LCDM7 026h
LCD_C memory 8 LCDM8 027h
LCD_C memory 9 LCDM9 028h
LCD_C memory 10 LCDM10 029h
LCD_C memory 11 LCDM11 02Ah
LCD_C memory 12 LCDM12 02Bh
LCD_C memory 13 LCDM13 02Ch
LCD_C memory 14 LCDM14 02Dh
LCD_C memory 15 LCDM15 02Eh
LCD_C memory 16 LCDM16 02Fh
LCD_C memory 17 LCDM17 030h
LCD_C memory 18 LCDM18 031h
LCD_C memory 19 LCDM19 032h
LCD_C memory 20 LCDM20 033h
LCD_C memory 21 LCDM21 034h
LCD_C memory 22 LCDM22 035h
Reserved 036h
Reserved 037h
LCD_C blinking memory 1 LCDBM1 040h
LCD_C blinking memory 2 LCDBM2 041h
LCD_C blinking memory 3 LCDBM3 042h
LCD_C blinking memory 4 LCDBM4 043h
LCD_C blinking memory 5 LCDBM5 044h
LCD_C blinking memory 6 LCDBM6 045h
LCD_C blinking memory 7 LCDBM7 046h
LCD_C blinking memory 8 LCDBM8 047h
LCD_C blinking memory 9 LCDBM9 048h
LCD_C blinking memory 10 LCDBM10 049h
LCD_C blinking memory 11 LCDBM11 04Ah
LCD_C blinking memory 12 LCDBM12 04Bh
LCD_C blinking memory 13 LCDBM13 04Ch
LCD_C blinking memory 14 LCDBM14 04Dh
LCD_C blinking memory 15 LCDBM15 04Eh
LCD_C blinking memory 16 LCDBM16 04Fh
LCD_C blinking memory 17 LCDBM17 050h
LCD_C blinking memory 18 LCDBM18 051h
LCD_C blinking memory 19 LCDBM19 052h
LCD_C blinking memory 20 LCDBM20 053h
LCD_C blinking memory 21 LCDBM21 054h
LCD_C blinking memory 22 LCDBM22 055h
Reserved 056h
Reserved 057h
5 to 8 mux modes
LCD_C memory 1 LCDM1 020h
LCD_C memory 2 LCDM2 021h
LCD_C memory 3 LCDM3 022h
LCD_C memory 4 LCDM4 023h
LCD_C memory 5 LCDM5 024h
LCD_C memory 6 LCDM6 025h
LCD_C memory 7 LCDM7 026h
LCD_C memory 8 LCDM8 027h
LCD_C memory 9 LCDM9 028h
LCD_C memory 10 LCDM10 029h
LCD_C memory 11 LCDM11 02Ah
LCD_C memory 12 LCDM12 02Bh
LCD_C memory 13 LCDM13 02Ch
LCD_C memory 14 LCDM14 02Dh
LCD_C memory 15 LCDM15 02Eh
LCD_C memory 16 LCDM16 02Fh
LCD_C memory 17 LCDM17 030h
LCD_C memory 18 LCDM18 031h
LCD_C memory 19 LCDM19 032h
LCD_C memory 20 LCDM20 033h
LCD_C memory 21 LCDM21 034h
LCD_C memory 22 LCDM22 035h
LCD_C memory 23 LCDM23 036h
LCD_C memory 24 LCDM24 037h
LCD_C memory 25 LCDM25 038h
LCD_C memory 26 LCDM26 039h
LCD_C memory 27 LCDM27 03Ah
LCD_C memory 28 LCDM28 03Bh
LCD_C memory 29 LCDM29 03Ch
LCD_C memory 30 LCDM30 03Dh
LCD_C memory 31 LCDM31 03Eh
LCD_C memory 32 LCDM32 03Fh
LCD_C memory 33 LCDM33 040h
LCD_C memory 34 LCDM34 041h
LCD_C memory 35 LCDM35 042h
LCD_C memory 36 LCDM36 043h
LCD_C memory 37 LCDM37 044h
LCD_C memory 38 LCDM38 045h
LCD_C memory 39 LCDM39 046h
LCD_C memory 40 LCDM40 047h
LCD_C memory 41 LCDM41 048h
LCD_C memory 42 LCDM42 049h
LCD_C memory 43 LCDM43 04Ah

Table 5-59 Extended Scan Interface (ESI) Registers (Base Address: 0D00h)

REGISTER DESCRIPTION REGISTER OFFSET
ESI debug 1 ESIDEBUG1 000h
ESI debug 2 ESIDEBUG2 002h
ESI debug 3 ESIDEBUG3 004h
ESI debug 4 ESIDEBUG4 006h
ESI debug 5 ESIDEBUG5 008h
Reserved 00Ah
Reserved 00Ch
Reserved 00Eh
ESI PSM counter 0 ESICNT0 010h
ESI PSM counter 1 ESICNT1 012h
ESI PSM counter 2 ESICNT2 014h
ESI oscillator counter ESICNT3 016h
Reserved 018h
ESI interrupt vector ESIIV 01Ah
ESI interrupt 1 ESIINT1 01Ch
ESI interrupt 2 ESIINT2 01Eh
ESI AFE control ESIAFE 020h
ESI PPU control ESIPPU 022h
ESI TSM control ESITSM 024h
ESI PSM control ESIPSM 026h
ESI oscillator control ESIOSC 028h
ESI control ESICTL 02Ah
ESI PSM counter threshold 1 ESITHR1 02Ch
ESI PSM counter threshold 2 ESITHR2 02Eh
ESI A/D conversion memory 1 ESIADMEM1 030h
ESI A/D conversion memory 2 ESIADMEM2 032h
ESI A/D conversion memory 3 ESIADMEM3 034h
ESI A/D conversion memory 4 ESIADMEM4 036h
Reserved 038h
Reserved 03Ah
Reserved 03Ch
Reserved 03Eh
ESI DAC1 0 ESIDAC1R0 040h
ESI DAC1 1 ESIDAC1R1 042h
ESI DAC1 2 ESIDAC1R2 044h
ESI DAC1 3 ESIDAC1R3 046h
ESI DAC1 4 ESIDAC1R4 048h
ESI DAC1 5 ESIDAC1R5 04Ah
ESI DAC1 6 ESIDAC1R6 04Ch
ESI DAC1 7 ESIDAC1R7 04Eh
ESI DAC2 0 ESIDAC2R0 050h
ESI DAC2 1 ESIDAC2R1 052h
ESI DAC2 2 ESIDAC2R2 054h
ESI DAC2 3 ESIDAC2R3 056h
ESI DAC2 4 ESIDAC2R4 058h
ESI DAC2 5 ESIDAC2R5 05Ah
ESI DAC2 6 ESIDAC2R6 05Ch
ESI DAC2 7 ESIDAC2R7 05Eh
ESI TSM 0 ESITSM0 060h
ESI TSM 1 ESITSM1 062h
ESI TSM 2 ESITSM2 064h
ESI TSM 3 ESITSM3 066h
ESI TSM 4 ESITSM4 068h
ESI TSM 5 ESITSM5 06Ah
ESI TSM 6 ESITSM6 06Ch
ESI TSM 7 ESITSM7 06Eh
ESI TSM 8 ESITSM8 070h
ESI TSM 9 ESITSM9 072h
ESI TSM 10 ESITSM10 074h
ESI TSM 11 ESITSM11 076h
ESI TSM 12 ESITSM12 078h
ESI TSM 13 ESITSM13 07Ah
ESI TSM 14 ESITSM14 07Ch
ESI TSM 15 ESITSM15 07Eh
ESI TSM 16 ESITSM16 080h
ESI TSM 17 ESITSM17 082h
ESI TSM 18 ESITSM18 084h
ESI TSM 19 ESITSM19 086h
ESI TSM 20 ESITSM20 088h
ESI TSM 21 ESITSM21 08Ah
ESI TSM 22 ESITSM22 08Ch
ESI TSM 23 ESITSM23 08Eh
ESI TSM 24 ESITSM24 090h
ESI TSM 25 ESITSM25 092h
ESI TSM 26 ESITSM26 094h
ESI TSM 27 ESITSM27 096h
ESI TSM 28 ESITSM28 098h
ESI TSM 29 ESITSM29 09Ah
ESI TSM 30 ESITSM30 09Ch
ESI TSM 31 ESITSM31 09Eh

Identification

Revision Identification

The device revision information is shown as part of the top-side marking on the device package. The device-specific errata sheet describes these markings. For links to all of the errata sheets for the devices in this data sheet, see Section 7.3.

The hardware revision is also stored in the Device Descriptor structure in the Info Block section. For details on this value, see the "Hardware Revision" entries in Section 5.12.

Device Identification

The device type can be identified from the top-side marking on the device package. The device-specific errata sheet describes these markings. For links to all of the errata sheets for the devices in this data sheet, see Section 7.3.

A device identification value is also stored in the Device Descriptor structure in the Info Block section. For details on this value, see the "Device ID" entries in Section 5.12.

JTAG Identification

Programming through the JTAG interface, including reading and identifying the JTAG ID, is described in detail in MSP430 Programming With the JTAG Interface.