SBAS452A September   2008  â€“ January 2016 PCM3168A

PRODUCTION DATA.  

  1. Features
  2. Applications
  3. Description
  4. Revision History
  5. Description (continued)
  6. Device Comparison Table
  7. Pin Configuration and Functions
  8. Specifications
    1. 8.1  Absolute Maximum Ratings
    2. 8.2  ESD Ratings
    3. 8.3  Recommended Operating Conditions
    4. 8.4  Thermal Information
    5. 8.5  Electrical Characteristics
    6. 8.6  Timing Requirements: System Clock
    7. 8.7  Timing Requirements: Power-On Reset
    8. 8.8  Timing Requirements: Audio Interface for Left-Justified, Right-Justified, and I2S (Slave Mode)
    9. 8.9  Timing Requirements: Audio Interface for Left-Justified, Right-Justified, and I2S (Master Mode)
    10. 8.10 Timing Requirements: Audio Interface for DSP and TDM (Slave Mode)
    11. 8.11 Timing Requirements: Audio Interface for DSP and TDM (Master Mode)
    12. 8.12 Timing Requirements: DAC Outputs and ADC Outputs
    13. 8.13 Timing Requirements: Four-Wire Serial Control Interface
    14. 8.14 Timing Requirements: SCL and SDA Control Interface
    15. 8.15 Typical Characteristics
      1. 8.15.1 ADC Digital Filter
      2. 8.15.2 DAC Digital Filter
      3. 8.15.3 ADC Performance
      4. 8.15.4 DAC Performance
      5. 8.15.5 Output Spectrum
      6. 8.15.6 Power-Supply
  9. Detailed Description
    1. 9.1 Overview
    2. 9.2 Functional Block Diagram
    3. 9.3 Feature Description
      1. 9.3.1  Analog Inputs
      2. 9.3.2  Analog Outputs
      3. 9.3.3  Voltage References
      4. 9.3.4  System Clock Input
      5. 9.3.5  Sampling Mode
      6. 9.3.6  Reset Operation
      7. 9.3.7  Highpass Filter (HPF)
      8. 9.3.8  Overflow Flag
      9. 9.3.9  Zero Flag
      10. 9.3.10 Four-Wire (SPI) Serial Control
      11. 9.3.11 Control Data Word Format
      12. 9.3.12 Register Write Operation
      13. 9.3.13 Register Read Operation
      14. 9.3.14 Two-Wire (I2C) Serial Control
      15. 9.3.15 Packet Protocol
      16. 9.3.16 Write Operation
      17. 9.3.17 Read Operation
    4. 9.4 Device Functional Modes
      1. 9.4.1 Mode Control
      2. 9.4.2 Hardware Control Mode Configuration
      3. 9.4.3 Audio Serial Port Operation
      4. 9.4.4 Audio Data Interface Formats and Timing
      5. 9.4.5 Synchronization With the Digital Audio System
    5. 9.5 Register Maps
      1. 9.5.1 Control Register Definitions (Software Mode Only)
      2. 9.5.2 Register Definitions
  10. 10Application and Implementation
    1. 10.1 Application Information
    2. 10.2 Typical Application
      1. 10.2.1 Design Requirements
      2. 10.2.2 Detailed Design Procedure
        1. 10.2.2.1 Analog Input and Output
        2. 10.2.2.2 PCM Interface
      3. 10.2.3 Application Curves
    3. 10.3 System Examples
      1. 10.3.1 Typical Circuit Connections
  11. 11Power Supply Recommendations
  12. 12Layout
    1. 12.1 Layout Guidelines
      1. 12.1.1  Power-Supply Pins (VCCAD1/2, VCCDA1/2, and VDD1/2)
      2. 12.1.2  Grounding (AGNDAD1/2, AGNDDA1/2, and DGND1/2)
      3. 12.1.3  VIN1±, VIN2±, VIN3±, VIN4±, VIN5±, and VIN6± Pins
      4. 12.1.4  VCOMAD and VCOMDA Pins
      5. 12.1.5  VREFAD1/2 Pins
      6. 12.1.6  VOUT1±, VOU2±, VOUT3±, VOUT4±, VOUT5±, VOUT6±, VOUT7±, and VOUT8± Pins
      7. 12.1.7  MODE Pin
      8. 12.1.8  RST Pin
      9. 12.1.9  OVF Pin
      10. 12.1.10 System Clock and Audio Interface Clocks
      11. 12.1.11 PowerPAD
      12. 12.1.12 External Mute Control
    2. 12.2 Layout Example
  13. 13Device and Documentation Support
    1. 13.1 Device Support
      1. 13.1.1 Third-Party Products Disclaimer
    2. 13.2 Documentation Support
      1. 13.2.1 Related Documentation
    3. 13.3 Community Resources
    4. 13.4 Trademarks
    5. 13.5 Electrostatic Discharge Caution
    6. 13.6 Glossary
  14. 14Mechanical, Packaging, and Orderable Information

Package Options

Mechanical Data (Package|Pins)
Thermal pad, mechanical data (Package|Pins)
Orderable Information

8 Specifications

8.1 Absolute Maximum Ratings

over operating free-air temperature range (unless otherwise noted).(1)
MIN MAX UNIT
Supply voltage VCCAD1 –0.3 6.5 V
VCCAD2 –0.3 6.5
VCCDA1 –0.3 6.5
VCCDA2 –0.3 6.5
VDD1 –0.3 4
VDD2 –0.3 4
Ground voltage differences AGNDAD1 –0.1 0.1 V
AGNDAD2 –0.1 0.1
AGNDDA1 –0.1 0.1
AGNDDA2 –0.1 0.1
DGND1 –0.1 0.1
DGND2 –0.1 0.1
Supply voltage differences VCCAD1 –0.1 0.1 V
VCCAD2 –0.1 0.1
VCCDA1 –0.1 0.1
VCCDA2 –0.1 0.1
VDD1 –0.1 0.1
VDD2 –0.1 0.1
Digital input voltage RST –0.3 6.5 V
MS –0.3 6.5
MC –0.3 6.5
MDI –0.3 6.5
SCK –0.3 6.5
BCKAD/DA –0.3 (VDD + 0.3) < +4.0
LRCKAD/DA –0.3 (VDD + 0.3) < +4.0
DIN1/2/3/4 –0.3 (VDD + 0.3) < +4.0
DOUT1/2/3 –0.3 (VDD + 0.3) < +4.0
MODE –0.3 (VDD + 0.3) < +4.0
OVF –0.3 (VDD + 0.3) < +4.0
ZERO –0.3 (VDD + 0.3) < +4.0
MDO –0.3 (VDD + 0.3) < +4.0
Analog input voltage VIN1-6± –0.3 (VCC + 0.3) < +6.5 V
VCOMAD/DA –0.3 (VCC + 0.3) < +6.5
VOUT1-8± –0.3 (VCC + 0.3) < +6.5
VREFAD1/2 –0.3 (VCC + 0.3) < +6.5
Input current (all pins except supplies) –10 10 mA
Ambient temperature range (under bias) –40 125 °C
Junction temperature 150 °C
Lead temperature (soldering, 5s) 260 °C
Package temperature (IR reflow, peak) 260 °C
Storage temperature, Tstg –55 150 °C
(1) Stresses beyond those listed under Absolute Maximum Ratings may cause permanent damage to the device. These are stress ratings only, which do not imply functional operation of the device at these or any other conditions beyond those indicated under Recommended Operating Conditions. Exposure to absolute-maximum-rated conditions for extended periods may affect device reliability.

8.2 ESD Ratings

VALUE UNIT
V(ESD) Electrostatic discharge Human body model (HBM), per ANSI/ESDA/JEDEC JS-001(1) ±4000 V
Charged-device model (CDM), per JEDEC specification JESD22-C101(2) ±750
(1) JEDEC document JEP155 states that 500-V HBM allows safe manufacturing with a standard ESD control process.
(2) JEDEC document JEP157 states that 250-V CDM allows safe manufacturing with a standard ESD control process.

8.3 Recommended Operating Conditions

over operating free-air temperature range (unless otherwise noted).
MIN NOM MAX UNIT
VCC Analog supply voltage 4.5 5.0 5.5 V
VDD Digital supply voltage 3.0 3.3 3.6 V
Digital Interface LVTTL compatible
Digital input clock frequency Sampling frequency, LRCKAD/LRCKDA(1) 8 96/192(1) kHz
System clock frequency, SCKI 2.048 36.864 MHz
VI Analog input level Single-ended 1 VRMS
Differential 2 VRMS
VO Analog output voltage Differential 8 VPP
VOLR Analog output load resistance To AC-coupled GND 5
To DC-coupled GND 15
VOLC Analog output load capacitance 50 pF
DOLC Digital output load capacitance 20 pF
TA Operating free-air temperature PCM3168A Consumer grade –40 25 85 °C
(1) 192 kHz is supported only for DAC.

8.4 Thermal Information

THERMAL METRIC(1) PCM3168A UNIT
PAP (HTQFP)
64 PINS
RθJA Junction-to-ambient thermal resistance 26.1 °C/W
RθJC(top) Junction-to-case (top) thermal resistance 7.7 °C/W
RθJB Junction-to-board thermal resistance 8.9 °C/W
ψJT Junction-to-top characterization parameter 0.2 °C/W
ψJB Junction-to-board characterization parameter 8.7 °C/W
RθJC(bot) Junction-to-case (bottom) thermal resistance 0.2 °C/W
(1) For more information about traditional and new thermal metrics, see the Semiconductor and IC Package Thermal Metrics application report, SPRA953.

8.5 Electrical Characteristics

At TA = 25°C, VCCAD1 = VCCAD2 = VCCDA1 = VCCDA2 = 5 V, VDD1 = VDD2 = 3.3 V, fS = 48 kHz, SCKI = 512 fS, 24-bit data, Sampling Mode = Auto for ADC and DAC, and Interface Mode = Slave for ADC and DAC, unless otherwise noted.
PARAMETER TEST CONDITIONS MIN TYP MAX UNIT
DATA FORMAT
Audio data interface format I2S, LJ, RJ, DSP, TDM
Audio data word length 16, 24 Bits
Audio data format MSB first, twos complement
fS Sampling frequency, ADC 8 48 96 kHz
fS Sampling frequency, DAC 8 48 192 kHz
System clock frequency 128 fS, 192 fS, 256 fS,
384 fS, 512 fS, 768 fS
2.048 36.864 MHz
INPUT LOGIC
VIH(1)(2) Input logic level 2 VDD VDC
VIL(1)(2) 0.8
VIH(3)(4) Input logic level 2 5.5 VDC
VIL(3)(4) 0.8
IIH(2)(3) Input logic level VIN = VDD ±10 μA
IIL(2)(3) VIN = 0 V ±10
IIH(1)(4) Input logic level VIN = VDD 65 100 μA
IIL(1)(4) VIN = 0 V ±10
OUTPUT LOGIC
VOH(5) Output logic level IOUT = –4 mA 2.4 VDC
VOL(5)(6) IOUT = 4 mA 0.4
REFERENCE INPUT/OUTPUT
VREFAD1 output voltage VCCAD1 V
VREFAD2 output voltage AGNDAD1 V
VCOMAD output voltage 0.5 × VCCAD1 V
VCOMAD output impedance 10
Allowable VCOMAD output source/sink current 1 μA
VCOMDA output voltage 0.5 × VCCDA1 V
VCOMDA output impedance 7.5
Allowable VCOMDA output source/sink current 1 μA
ADC CHARACTERISTICS
Resolution 16 24 Bits
Full-scale input voltage VIN = 0 dB, Single-ended 0.2 × VCCAD1 VRMS
VIN = 0 dB, Differential 0.4 × VCCAD1 VRMS
Center voltage 0.5 × VCCAD1 V
Input impedance 45
Common-mode rejection ratio 80 dB
DC ACCURACY
Gain mismatch channel-to-channel Full-scale input, VIN ±2.0 ±6 % of FSR
Gain error Full-scale input, VIN ±2.0 ±6 % of FSR
Bipolar zero error Highpass filter bypass, VIN ±1.0 % of FSR
DYNAMIC PERFORMANCE(7)(8)
THD+N, VIN = –1 dB fS = 48 kHz, Differential –93 –87 dB
fS = 96 kHz, Differential –93
fS = 48 kHz, Single-ended –93
fS = 96 kHz, Single-ended –93
Dynamic range fS = 48 kHz, A-weighted, differential 100 107 dB
fS = 96 kHz, A-weighted, differential 107
fS = 48 kHz, A-weighted, single-ended 104
fS = 96 kHz, A-weighted, single-ended 104
S/N ratio fS = 48 kHz, A-weighted, differential 100 107 dB
fS = 96 kHz, A-weighted, differential 107
fS = 48 kHz, A-weighted, single-ended 104
fS = 96 kHz, A-weighted, single-ended 104
Channel separation
(between one channel and others)
fS = 48 kHz, Differential 98 104 dB
fS = 96 kHz, Differential 104
fS = 48 kHz, Single-ended 101
fS = 96 kHz, Single-ended 101
DIGITAL FILTER PERFORMANCE
Passband (single) 0.454 × fS Hz
Passband (dual) 0.454 × fS Hz
Stop band (single) 0.555 × fS Hz
Stop band (dual) 0.597 × fS Hz
Passband ripple < 0.454 × fS, 0.454 × fS ±0.035 dB
Stop band attenuation > 0.555 × fS, 0.597 × fS –75 dB
Group delay time (single) 27 / fS sec
Group delay time (dual) 17 / fS sec
Highpass filter frequency response –3 dB 0.02 × fS / 1000 Hz
DAC CHARACTERISTICS
Resolution 16 24 Bits
DC ACCURACY
Gain mismatch channel-to-channel ±2.0 ±6 % of FSR
Gain error ±2.0 ±6 % of FSR
Bipolar zero error ±1.0 % of FSR
DYNAMIC PERFORMANCE(9)(10)
THD+N, VOUT = 0 dB fS = 48 kHz –94 –88 dB
fS = 96 kHz –94
fS = 192 kHz –94
Dynamic range fS = 48 kHz, EIAJ, A-weighted 105 112 dB
fS = 96 kHz, EIAJ, A-weighted 112
fS = 192 kHz, EIAJ, A-weighted 112
S/N ratio fS = 48 kHz, EIAJ, A-weighted 105 112 dB
fS = 96 kHz, EIAJ, A-weighted 112
fS = 192 kHz, EIAJ, A-weighted 112
Channel separation
(between one channel and others)
fS = 48 kHz 102 108 dB
fS = 96 kHz 108
fS = 192 kHz 108
ANALOG OUTPUT
Output voltage Differential 1.6 × VCCDA1 VPP
Center voltage 0.5 × VCCDA1 V
Load impedance To AC-coupled GND(11) 5
To DC-coupled GND(11) 15
Lowpass filter frequency response f = 20 kHz –0.04 dB
f = 44 kHz –0.18
DIGITAL FILTER PERFORMANCE(12) Slow roll-off
Passband (single, dual) 0.454 × fS Hz
Passband (quad) 0.432 × fS Hz
Stop band (single, dual) 0.546 × fS Hz
Stop band (quad) 0.569 × fS Hz
Passband ripple ≤ 0.454 × fS ±0.0018 dB
Stop band attenuation > 0.546 × fS, 0.569 × fS –75 dB
DIGITAL FILTER PERFORMANCE Slow roll-off
Passband 0.328 × fS Hz
Stop band 0.673 × fS Hz
Passband ripple < 0.328 × fS ±0.0013 dB
Stop band attenuation > 0.673 × fS –75 dB
DIGITAL FILTER PERFORMANCE(12)
Group delay time (single, dual) 28/fS sec
Group delay time (quad) 19/fS sec
De-emphasis error ±0.1 dB
POWER-SUPPLY REQUIREMENTS
VCCxx1/2 Voltage range 4.5 5.0 5.5 VDC
VDD1/2 3.0 3.3 3.6
ICC Supply current fS = 48 kHz/ADC, fS = 48 kHz/DAC 162 210 mA
fS = 96 kHz/ADC, fS = 192 kHz/DAC 162 mA
Full power-down(13) 300 μA
IDD fS = 48 kHz/ADC, fS = 48 kHz/DAC 106 130 mA
fS = 96 kHz/ADC, fS = 192 kHz/DAC 127 mA
Full power-down(13) 50 μA
Power dissipation fS = 48 kHz/ADC, fS = 48 kHz/DAC 1160 1480 mW
fS = 96 kHz/ADC, fS = 192 kHz/DAC 1230
fS = 48 kHz/ADC, Power-down/DAC 660
Power-down/ADC, fS = 48 kHz/DAC 633
Full power-down(13) 1.67
TEMPERATURE RANGE
Operating temperature PCM3168A Consumer grade –40 85 °C
θJA Thermal resistance HTQFP-64 21 °C/W
(1) BCKAD, BCKDA, LRCKAD, and LRCKDA (in slave mode, Schmitt trigger input with 50-kΩ typical internal pulldown resistor).
(2) DIN1/2/3/4 and MDO/ADR1/MD1. (Except SPI mode, Schmitt trigger input).
(3) SCKI, MDI/SDA/DEMP, and MC/SCL/FMT (Schmitt trigger input, 5-V tolerant).
(4) RST and MS/ADR0/MD0 (Schmitt trigger input with 50-kΩ typical internal pulldown resistor, 5-V tolerant).
(5) BCKAD, BCKDA, LRCKAD, and LRCKDA (in master mode), DOUT1/2/3, ZERO, OVF, and MDO/ADR1/MD1 (in SPI mode).
(6) SDA (in I2C mode, open-drain low output).
(7) In differential mode at VINx± pin, fIN = 1 kHz, using Audio Precision System II, RMS mode with 20-kHz lowpass filter and 400-Hz highpass filter.
(8) fS = 48 kHz : SCKI = 512 fS (single), fS = 96 kHz : SCKI = 256 fS (dual), fS = 192 kHz : SCKI = 128 fS (quad).
(9) In differential mode at VOUTx± pin, fOUT = 1 kHz, using Audio Precision System II, RMS mode with 20-kHz lowpass filter and 400-Hz highpass filter.
(10) fS = 48 kHz : SCKI = 512 fS (single), fS = 96 kHz : SCKI = 256 fS (dual), fS = 192 kHz : SCKI = 128 fS (quad).
(11) Allowable minimum input resistance of differential to single-ended converter with D to S Gain = G is calculated as (1 + 2G)/(1 + G) × 5k for AC-coupled and (1+ 0.9G)/(1 + G) × 15k for DC-coupled connection, refer to Figure 61 and Figure 62 of the Application Information section.
(12) Exclude single and dual at 128 fS, 192 fS system clock and quad at 256 fS to 768 fS system clock, and specifications for quad, single, and dual are respectively applied in reverse for them.
(13) Halt SCKI, BCKAD, BCKDA, LRCKAD, and LRCKDA.

8.6 Timing Requirements: System Clock

Refer to Figure 1.
MIN MAX UNIT
tSCY System clock pulse cycle time 27 ns
tSCH System clock pulse width high 10 ns
tSCL System clock pulse width low 10 ns
tDTY System clock pulse duty cycle 40% 60%

8.7 Timing Requirements: Power-On Reset

Refer to Figure 2.
SINGLE DUAL QUAD UNIT
tDACDLY1 DAC delay time internal reset release to VOUT start 3600 7200 14400 Period of LRCKDA
tDACDLY2 DAC fade-in/fade-out time 2048 4096 8192 Period of LRCKDA
tADCDLY1 ADC delay time internal reset release to DOUT start 4800 9600 N/A Period of LRCKAD
tADCDLY2 ADC fade-in/fade-out time 2048 4096 N/A Period of LRCKAD

8.8 Timing Requirements: Audio Interface for Left-Justified, Right-Justified, and I2S (Slave Mode)(1)

Refer to Figure 3.
MIN NOM MAX UNIT
tBCY BCKAD/DA cycle time 75 ns
tBCH BCKAD/DA pulse width high 35 ns
tBCL BCKAD/DA pulse width low 35 ns
tLRS LRCKAD/DA setup time to BCKAD/DA rising edge 10 ns
tLRH LRCKAD/DA hold time to BCKAD/DA rising edge 10 ns
tDIS DIN1/2/3/4 setup time to BCKDA rising edge 10 ns
tDIH DIN1/2/3/4 hold time to BCKDA rising edge 10 ns
tDOD DOUT1/2/3 delay time from BCKAD falling edge 0 30 ns
(1) Load capacitance of output is 20 pF.

8.9 Timing Requirements: Audio Interface for Left-Justified, Right-Justified, and I2S (Master Mode)(1)

Refer to Figure 4.
MIN TYP MAX UNIT
tBCY BCKAD/DA cycle time 1 / (64 × fS)
tBCH BCKAD/DA pulse width high 0.4 × tBCY 0.5 × tBCY 0.6 × tBCY
tBCL BCKAD/DA pulse width low 0.4 × tBCY 0.5 × tBCY 0.6 × tBCY
tLRD LRCKAD/DA delay time from BCKAD/DA falling edge –10 20 ns
tDIS DIN1/2/3/4 setup time to BCKDA rising edge 10 ns
tDIH DIN1/2/3/4 hold time to BCKDA rising edge 10 ns
tDOD DOUT1/2/3 delay time from BCKAD falling edge –10 20 ns
(1) Load capacitance of output is 20 pF.

8.10 Timing Requirements: Audio Interface for DSP and TDM (Slave Mode)(1)

Refer to Figure 5.
MIN TYP MAX UNIT
tBCY BCKAD cycle time 75 ns
BCKDA cycle time 40 ns
tBCH BCKAD pulse width high 35 ns
BCKDA pulse width high 15 ns
tBCL BCKAD pulse width low 35 ns
BCKDA pulse width low 15 ns
tLRW LRCKAD/DA pulse width high (DSP format) tBCY
LRCKAD/DA pulse width high (TDM format) tBCY 1 / fS – tBCY
tLRS LRCKAD/DA setup time to BCKAD/DA rising edge 10 ns
tLRH LRCKAD/DA hold time to BCKAD/DA rising edge 10 ns
tDIS DIN1/2/3/4 setup time to BCKDA rising edge 10 ns
tDIH DIN1/2/3/4 hold time to BCKDA rising edge 10 ns
tDOD DOUT1/2/3 delay time from BCKAD falling edge 0 30 ns
(1) Load capacitance of output is 20 pF.

8.11 Timing Requirements: Audio Interface for DSP and TDM (Master Mode)(1)

Refer to Figure 6.
MIN TYP MAX UNIT
tBCY BCKAD/DA cycle time (DSP format) 1 / (64 × fS)
BCKAD/DA cycle time (TDM format, single rate) 1 / (256 × fS)
BCKAD/DA cycle time (TDM format, dual rate) 1 / (128 × fS)
tBCH BCKAD/DA pulse width high 0.4 × tBCY 0.5 × tBCY 0.6 × tBCY
tBCL BCKAD/DA pulse width low 0.4 × tBCY 0.5 × tBCY 0.6 × tBCY
tLRW LRCKAD/DA pulse width high (DSP format) tBCY
LRCKAD/DA pulse width high (TDM format) 1 / (2 × fS)
tLRD LRCKAD/DA delay time from BCKAD/DA falling edge –10 20 ns
tDIS DIN1/2/3/4 setup time to BCKDA rising edge 10 ns
tDIH DIN1/2/3/4 hold time to BCKDA rising edge 10 ns
tDOD DOUT1/2/3 delay time from BCKAD falling edge –10 20 ns
(1) Load capacitance of output is 20 pF.

8.12 Timing Requirements: DAC Outputs and ADC Outputs

Refer to Figure 7.
SINGLE DUAL QUAD UNIT
tDACDLY3 DAC delay synchronization detect to normal data 38 38 29 Period of LRCKDA
tADCDLY3 ADC delay synchronization detect to normal data 60 60 N/A Period of LRCKAD

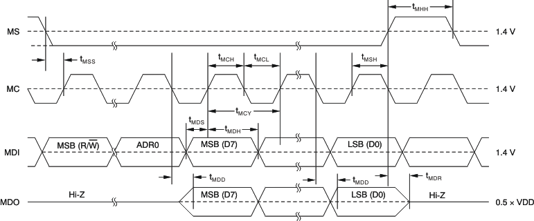
8.13 Timing Requirements: Four-Wire Serial Control Interface(1)

Refer to Figure 8.
MIN MAX UNIT
tMCY MC pulse cycle time 100 ns
tMCL MC low-level time 40 ns
tMCH MC high-level time 40 ns
tMHH MS high-level time tMCY ns
tMSS MS falling edge to MC rising edge 30 ns
tMSH MS rising edge from MC rising edge for LSB 15 ns
tMDH MDI hold time 15 ns
tMDS MDI setup time 15 ns
tMDD MDO enable or delay time from MC falling edge 0 30 ns
tMDR MDO disable time from MS rising edge 0 30 ns
(1) These timing parameters are critical for proper control port operation.

8.14 Timing Requirements: SCL and SDA Control Interface

Refer to Figure 9.
STANDARD MODE FAST MODE UNIT
MIN MAX MIN MAX
fSCL SCL clock frequency 100 400 kHz
tBUF Bus free time between STOP and START condition 4.7 1.3 μs
tLOW Low period of the SCL clock 4.7 1.3 μs
tHI High period of the SCL clock 4.0 0.6 μs
tS-SU Setup time for START/Repeated START condition 4.7 0.6 μs
tS-HD Hold time for START/Repeated START condition 4.0 0.6 μs
tD-SU Data setup time 250 100 ns
tD-HD Data hold time 0 3450 0 900 ns
tSCL-R Rise time of SCL signal 1000 20 + (0.1 × CB) 300 ns
tSCL-F Fall time of SCL signal 1000 20 + (0.1 × CB) 300 ns
tSDA-R Rise time of SDA signal 1000 20 + (0.1 × CB) 300 ns
tSDA-F Fall time of SDA signal 1000 20 + (0.1 × CB) 300 ns
tP-SU Setup time for STOP condition 4.0 0.6 μs
tGW Allowable glitch width N/A 50
CB Capacitive load for SDA and SCL line 400 100 pF
VNH Noise margin at high level for each connected device
(including hysteresis)
0.2 × VDD 0.2 × VDD V
VNL Noise margin at low level for each connected device
(including hysteresis)
0.1 × VDD 0.1 × VDD V
VHYS Hysteresis of Schmitt-trigger input N/A 0.05 × VDD V
PCM3168A ai_tim_scki_bas452.gif Figure 1. System Clock Timing Requirements
PCM3168A ai_tim_por_bas452.gif Figure 2. Power-On Reset Timing Requirements
PCM3168A ai_tim_audio_slave_lj_bas452.gif Figure 3. Audio Interface Timing Requirements for Left-Justified, Right-Justified, and I2S Data Formats (Slave Mode)
PCM3168A ai_tim_audio_master_dsp_bas452.gif Figure 4. Audio Interface Timing Requirements for Left-Justified, Right-Justified, and I2S Data Formats (Master Mode)
PCM3168A ai_tim_audio_slave_dsp_bas452.gif Figure 5. Audio Interface Timing Requirements for DSP and TDM Data Formats (Slave Mode)
PCM3168A ai_tim_audio_master_dsp_bas452.gif Figure 6. Audio Interface Timing Requirements for DSP and TDM Data Formats (Master Mode)
PCM3168A ai_tim_dac_adc_sync_loss_bas452.gif Figure 7. DAC Outputs and ADC Outputs for Loss of Synchronization
PCM3168A tim_ctrl_4wire_bas452.gif
1.

NOINDENT:

These timing parameters are critical for proper control port operation.
Figure 8. Four-Wire Serial Control Interface Timing
PCM3168A tim_scl_sda_bas452.gif Figure 9. SCL and SDA Control Interface Timing

8.15 Typical Characteristics

8.15.1 ADC Digital Filter

At TA = 25°C, VCCAD1 = VCCAD2 = VCCDA1 = VCCDA2 = 5 V, VDD1 = VDD2 = 3.3 V, fS = 48 kHz, SCKI = 512 fS, 24-bit data, Sampling Mode = Auto for ADC and DAC, and Interface Mode = Slave for ADC and DAC, unless otherwise noted.
PCM3168A tc_adc_filt_fresp_bas452.gif Figure 10. Frequency Response (Single Rate)
PCM3168A tc_adc_filt_fresp_dual_bas452.gif Figure 12. Frequency Response (Dual Rate)
PCM3168A tc_adc_filt_hpf_bas452.gif Figure 14. HPF Frequency Response
PCM3168A tc_adc_filt_fresp_pass_bas452.gif Figure 11. Frequency Response Passband (Single Rate)
PCM3168A tc_adc_filt_fresp_dual_pass_bas452.gif Figure 13. Frequency Response Passband (Dual Rate)
PCM3168A tc_adc_filt_hpf_pass_bas452.gif Figure 15. HPF Frequency Response Passband

8.15.2 DAC Digital Filter

At TA = 25°C, VCCAD1 = VCCAD2 = VCCDA1 = VCCDA2 = 5 V, VDD1 = VDD2 = 3.3 V, fS = 48 kHz, SCKI = 512 fS, 24-bit data, Sampling Mode = Auto for ADC and DAC, and Interface Mode = Slave for ADC and DAC, unless otherwise noted.
PCM3168A tc_dac_filt_fresp_bas452.gif Figure 16. Frequency Response (Single Rate)
PCM3168A tc_dac_filt_fresp_dual_bas452.gif Figure 18. Frequency Response (Dual Rate)
PCM3168A tc_dac_filt_fresp_quad_bas452.gif Figure 20. Frequency Response (Quad Rate)
PCM3168A tc_dac_filt_char_48_bas452.gif Figure 22. De-Emphasis Characteristic (FS = 48 kHz)
PCM3168A tc_dac_filt_char_32_bas452.gif Figure 24. De-Emphasis Characteristic (FS = 32 kHz)
PCM3168A tc_dac_filt_fresp_pass_bas452.gif Figure 17. Frequency Response Passband (Single Rate)
PCM3168A tc_dac_filt_fresp_dual_pass_bas452.gif Figure 19. Frequency Response Passband (Dual Rate)
PCM3168A tc_dac_filt_fresp_quad_pass_bas452.gif Figure 21. Frequency Response Passband (Quad Rate)
PCM3168A tc_dac_filt_char_44_bas452.gif Figure 23. De-Emphasis Characteristic (FS = 44 kHz)
PCM3168A tc_dac_filt_ana_char_bas452.gif Figure 25. Analog Filter Characteristic

8.15.3 ADC Performance

At TA = 25°C, VCCAD1 = VCCAD2 = VCCDA1 = VCCDA2 = 5 V, VDD1 = VDD2 = 3.3 V, fS = 48 kHz, SCKI = 512 fS, 24-bit data, Sampling Mode = Auto for ADC and DAC, and Interface Mode = Slave for ADC and DAC, unless otherwise noted.
PCM3168A tc_adc_perf_thdn-tmp_bas452.gif Figure 26. THD+N At –1 dB vs Temperature
PCM3168A tc_adc_perf_thdn-vs_bas452.gif Figure 28. THD+N At –1 dB vs Supply Voltage
PCM3168A tc_adc_perf_range-tmp_bas452.gif Figure 27. Dynamic Range and SNR vs Temperature
PCM3168A tc_adc_perf_range-vs_bas452.gif Figure 29. Dynamic Range and SNR vs Supply Voltage

8.15.4 DAC Performance

At TA = 25°C, VCCAD1 = VCCAD2 = VCCDA1 = VCCDA2 = 5 V, VDD1 = VDD2 = 3.3 V, fS = 48 kHz, SCKI = 512 fS, 24-bit data, Sampling Mode = Auto for ADC and DAC, and Interface Mode = Slave for ADC and DAC, unless otherwise noted.
PCM3168A tc_dac_perf_thdn-tmp_bas452.gif Figure 30. THD+N vs Temperature
PCM3168A tc_dac_perf_thdn-vs_bas452.gif Figure 32. THD+N vs Supply Voltage
PCM3168A tc_dac_perf_range-tmp_bas452.gif Figure 31. Dynamic Range and SNR vs Temperature
PCM3168A tc_dac_perf_range-vs_bas452.gif Figure 33. Dynamic Range and SNR vs Supply Voltage

8.15.5 Output Spectrum

At TA = 25°C, VCCAD1 = VCCAD2 = VCCDA1 = VCCDA2 = 5 V, VDD1 = VDD2 = 3.3 V, fS = 48 kHz, SCKI = 512 fS, 24-bit data, Sampling Mode = Auto for ADC and DAC, and Interface Mode = Slave for ADC and DAC, unless otherwise noted.
PCM3168A tc_adc_out_spec60_bas452.gif Figure 34. ADC Output Spectrum (–60 dB, N = 32768)
PCM3168A tc_dac_out_spec60_bas452.gif Figure 35. DAC Output Spectrum (–60 dB, N = 32768)

8.15.6 Power-Supply

At TA = 25°C, VCCAD1 = VCCAD2 = VCCDA1 = VCCDA2 = 5 V, VDD1 = VDD2 = 3.3 V, fS = 48 kHz, SCKI = 512 fS, 24-bit data, Sampling Mode = Auto for ADC and DAC, and Interface Mode = Slave for ADC and DAC, unless otherwise noted.
PCM3168A tc_psc-pwr_save_bas452.gif Figure 36. Power-Supply Current vs Power-Save Condition