SLLS550E November   2002  – March 2023 SN65HVD08 , SN75HVD08

PRODUCTION DATA  

  1. Features
  2. Applications
  3. Description
  4. Revision History
  5. Pin Configuration and Functions
  6. Specifications
    1. 6.1 Absolute Maximum Ratings
    2. 6.2 ESD Ratings
    3. 6.3 Recommended Operating Conditions
    4. 6.4 Thermal Information
    5. 6.5 Electrical Characteristics
    6. 6.6 Driver Switching Characteristics
    7. 6.7 Receiver Switching Characteristics
    8. 6.8 Typical Characteristics
  7. Parameter Measurement Information
  8. Detailed Description
    1. 8.1 Overview
    2. 8.2 Functional Block Diagram
    3. 8.3 Feature Description
    4. 8.4 Device Functional Modes
  9. Application and Implementation
    1. 9.1 Application Information
      1. 9.1.1 Supply Source Impedance
      2. 9.1.2 Opto-Isolated Data Buses
      3. 9.1.3 Opto Alternative
    2. 9.2 Typical Application
      1. 9.2.1 Design Requirements
        1. 9.2.1.1 Data Rate and Bus Length
        2. 9.2.1.2 Stub Length
          1.        30
          2.        31
        3. 9.2.1.3 Bus Loading
        4. 9.2.1.4 Receiver Failsafe
      2. 9.2.2 Detailed Design Procedure
      3. 9.2.3 Application Curve
    3. 9.3 Power Supply Recommendations
    4. 9.4 Layout
      1. 9.4.1 Layout Guidelines
      2. 9.4.2 Layout Example
  10. 10Device and Documentation Support
    1. 10.1 Device Support
      1. 10.1.1 Third-Party Products Disclaimer
    2. 10.2 Support Resources
    3. 10.3 Trademarks
    4. 10.4 Electrostatic Discharge Caution
    5. 10.5 Glossary
  11. 11Mechanical, Packaging, and Orderable Information

Package Options

Mechanical Data (Package|Pins)
Thermal pad, mechanical data (Package|Pins)
Orderable Information

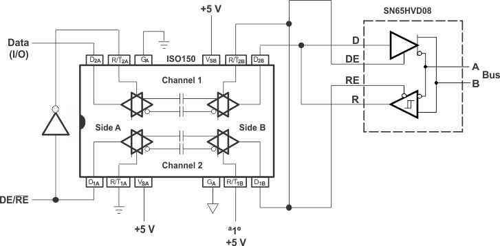
Opto Alternative

The ISO150 is a two-channel, galvanically isolated data coupler capable of data rates of 80 Mbps. Each channel can be individually programmed to transmit data in either direction.

Data is transmitted across the isolation barrier by coupling complementary pulses through high-voltage 0.4-pF capacitors. Receiver circuitry restores the pulses to standard logic levels. Differential signal transmission rejects isolation-mode voltage transients up to 1.6 kV/ms.

ISO150 avoids the problems commonly associated with opto-couplers. Optically-isolated couplers require high current pulses and allowance must be made for LED aging. The ISO150's Bi-CMOS circuitry operates at 25 mW per channel with supply voltage range matching that of the SN65HVD08 of 3 V to 5.5 V.

Figure 9-4 shows a typical circuit.

GUID-73B5B6B5-BB32-4F13-9CAB-C701E1D3CD93-low.gif Figure 9-4 Isolated RS-485 Interface