SLLSE84D May   2011  – May 2017 SN65HVD101 , SN65HVD102

PRODUCTION DATA.  

  1. Features
  2. Applications
  3. Description
  4. Revision History
  5. Device Comparison Table
  6. Pin Configuration and Functions
  7. Specifications
    1. 7.1 Absolute Maximum Ratings
    2. 7.2 ESD Ratings
    3. 7.3 Recommended Operating Conditions
    4. 7.4 Thermal Information
    5. 7.5 Electrical Characteristics
    6. 7.6 Switching Characteristics
    7. 7.7 Typical Characteristics
  8. Parameter Measurement
  9. Detailed Description
    1. 9.1 Overview
    2. 9.2 Functional Block Diagram
    3. 9.3 Feature Description
      1. 9.3.1 Wake-up Detection
      2. 9.3.2 Current Limit Indication - Short Circuit Current Detection
      3. 9.3.3 Active Current Limit Condition: VTHL > VCQ ≥ VTHH
      4. 9.3.4 Inactive Current Limit Condition: VTHL < VCQ < VTHH
      5. 9.3.5 Over-temperature Detection
      6. 9.3.6 CQ Current-limit Adjustment
      7. 9.3.7 Transceiver Function Tables
      8. 9.3.8 Voltage Regulator (Not Available in SN65HVD102)
    4. 9.4 Device Functional Modes
  10. 10Application and Implementation
    1. 10.1 Application Information
    2. 10.2 Typical Application
      1. 10.2.1 Design Requirements
      2. 10.2.2 Detailed Design Procedure
        1. 10.2.2.1 Transceiver Configuration (SN65HVD101)
        2. 10.2.2.2 Maximum Ambient Temperature Check
        3. 10.2.2.3 Transient Protection
        4. 10.2.2.4 TVS Evaluation
      3. 10.2.3 Application Curves
    3. 10.3 System Examples
      1. 10.3.1 Driver for Incandescent Lamp Loads
      2. 10.3.2 Driver for Inductive Loads
  11. 11Power Supply Recommendations
  12. 12Layout
    1. 12.1 Layout Guidelines
    2. 12.2 Layout Example
  13. 13Device and Documentation Support
    1. 13.1 Related Links
    2. 13.2 Receiving Notification of Documentation Updates
    3. 13.3 Community Resources
    4. 13.4 Trademarks
    5. 13.5 Electrostatic Discharge Caution
    6. 13.6 Glossary
  14. 14Mechanical, Packaging, and Orderable Information

Package Options

Mechanical Data (Package|Pins)
Thermal pad, mechanical data (Package|Pins)
Orderable Information

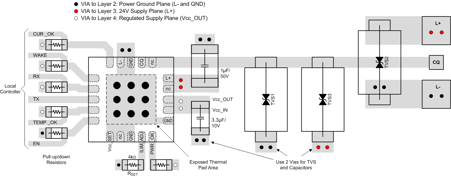
Layout

Layout Guidelines

  • Use a 4-layer board with Layer 1 (top layer) for control signals, Layer 2 as Power Ground Layer for L– and GND), Layer 3 for the 24 V supply plane (L+), and Layer 4 for the regulated output supply (VCC_OUT).
  • Use entire planes for L+, VCC_OUT, and L– and GND to assure minimum inductance during fast load or transient current changes.
  • The L+ terminal must be buffered to ground with a low-ESR ceramic bypass-capacitor. The recommended capacitor value is 1 μF to 4.7 μF. The capacitor must have a voltage rating of 50 V minimum and a X5R or X7R dielectric.
  • The optimum placement is closest to the transceiver’s L+ and L– terminals to reduce supply drops during large supply current loads. See Figure 19 for a PCB layout example
  • Place TVS diode close to the connector to prevent the transient energy from entering the circuitry.
  • Use two vias when connecting TVS diodes or capacitors to the L– and L+ planes to maintain low inductance during fast load or transient current changes.
  • Connect all open-drain control outputs and the receiver output via 10 kΩ pull-up resistors to the VCC_OUT plane to provide a defined voltage potential to the system controller inputs when the outputs are high-impedance.
  • Connect the transceiver enable pin via a 10 kΩ pull-down resistor to ground, to assure the driver output is disabled during power-up.
  • Connect VCC_SET directly to ground to make VCC_OUT = 3.3 V, or leave it open to make VCC_OUT = 5 V.
  • Connect VCC_IN directly to VCC_OUT to assure proper voltage regulation.
  • Buffer the regulated output voltage at VCC_OUT to ground with a low-ESR, 3.3μF, ceramic bypass-capacitor. The capacitor should have a voltage rating of 10 V minimum and a X5R or X7R dielectric.

Layout Example

SN65HVD101 SN65HVD102 Layout_SLLSE84.gif Figure 19. Layout Example