SLLS545G November   2002  – October 2015 SN55HVD251 , SN65HVD251

PRODUCTION DATA.  

  1. Features
  2. Applications
  3. Description
  4. Revision History
  5. Pin Configuration and Functions
  6. Specifications
    1. 6.1  Absolute Maximum Ratings
    2. 6.2  ESD Ratings
    3. 6.3  Recommended Operating Conditions
    4. 6.4  Thermal Information
    5. 6.5  Supply Current
    6. 6.6  Electrical Characteristics: Driver
    7. 6.7  Electrical Characteristics: Receiver
    8. 6.8  VREF-Pin Characteristics
    9. 6.9  Power Dissipation Characteristics
    10. 6.10 Switching Characteristics: Driver
    11. 6.11 Switching Characteristics: Device
    12. 6.12 Switching Characteristics: Receiver
    13. 6.13 Dissipation Ratings
    14. 6.14 Typical Characteristics
  7. Parameter Measurement Information
  8. Detailed Description
    1. 8.1 Overview
    2. 8.2 Functional Block Diagram
    3. 8.3 Feature Description
      1. 8.3.1 Mode Control
      2. 8.3.2 High-Speed Mode
      3. 8.3.3 Slope Control Mode
      4. 8.3.4 Low-Power Mode
      5. 8.3.5 Thermal Shutdown
    4. 8.4 Device Functional Modes
  9. Application and Implementation
    1. 9.1 Application Information
    2. 9.2 Typical Application
      1. 9.2.1 Design Requirements
        1. 9.2.1.1 Bus Loading, Length, and Number of Nodes
      2. 9.2.2 Detailed Design Procedure
        1. 9.2.2.1 CAN Termination
        2. 9.2.2.2 Loop Propagation Delay
      3. 9.2.3 Application Curve
    3. 9.3 System Example
      1. 9.3.1 ISO 11898 Compliance of HVD251 5-V CAN Bus Transceiver
        1. 9.3.1.1 Introduction
        2. 9.3.1.2 Differential Signal
        3. 9.3.1.3 Common-Mode Signal
  10. 10Power Supply Recommendations
  11. 11Layout
    1. 11.1 Layout Guidelines
    2. 11.2 Layout Example
  12. 12Device and Documentation Support
    1. 12.1 Related Links
    2. 12.2 Community Resources
    3. 12.3 Trademarks
    4. 12.4 Electrostatic Discharge Caution
    5. 12.5 Glossary
  13. 13Mechanical, Packaging, and Orderable Information

Package Options

Mechanical Data (Package|Pins)
Thermal pad, mechanical data (Package|Pins)
Orderable Information

11 Layout

11.1 Layout Guidelines

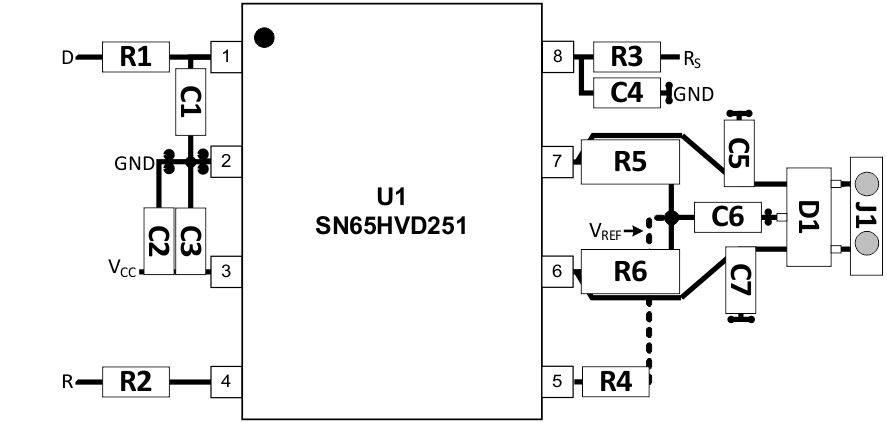
In order for the PCB design to be successful, start with design of the protection and filtering circuitry. Because ESD and EFT transients have a wide frequency bandwidth from approximately 3-MHz to 3-GHz, high frequency layout techniques must be applied during PCB design. On chip IEC ESD protection is good for laboratory and portable equipment but is usually not sufficient for EFT and surge transients occurring in industrial environments. Therefore robust and reliable bus node design requires the use of external transient protection devices at the bus connectors. Placement at the connector also prevents these harsh transient events from propagating further into the PCB and system.

Use VCC and ground planes to provide low inductance.

NOTE

High frequency current follows the path of least inductance and not the path of least resistance.

Design the bus protection components in the direction of the signal path. Do not force the transient current to divert from the signal path to reach the protection device.

An example placement of the Transient Voltage Suppression (TVS) device indicated as D1 (either bi-directional diode or varistor solution) and bus filter capacitors C5 and C7 are shown in Figure 34.

The bus transient protection and filtering components should be placed as close to the bus connector, J1, as possible. This prevents transients, ESD and noise from penetrating onto the board and disturbing other devices.

Bus termination: Figure 31 shows split termination. This is where the termination is split into two resistors, R5 and R6, with the center or split tap of the termination connected to ground via capacitor C6. Split termination provides common mode filtering for the bus. When termination is placed on the board instead of directly on the bus, care must be taken to ensure the terminating node is not removed from the bus as this will cause signal integrity issues if the bus is not properly terminated on both ends.

Bypass and bulk capacitors should be placed as close as possible to the supply pins of transceiver, examples C2, C3 (VCC).

Use at least two vias for VCC and ground connections of bypass capacitors and protection devices to minimize trace and via inductance.

To limit current of digital lines, serial resistors may be used. Examples are R1, R2, R3 and R4.

To filter noise on the digital IO lines, a capacitor may be used close to the input side of the IO as shown by C1 and C4.

Since the internal pull up and pull down biasing of the device is weak for floating pins, an external 1-kΩ to 10-kΩ pullup or pulldown resistor should be used to bias the state of the pin more strongly against noise during transient events.

Pin 1: If an open-drain host processor is used to drive the D pin of the device an external pullup resistor between 1 kΩ and 10 kΩ should be used to drive the recessive input state of the device.

Pin 5: is VREF output voltage reference, if used, this pin should be tied to the common mode point of the split termination. If VREF is not used, the pin can be left floating.

Pin 8: is shown assuming the mode pin, RS, will be used. If the device will only be used in high-speed mode or slope control mode, R3 is not needed and the pads of C4 could be used for the pulldown resistor to GND.

11.2 Layout Example

SN55HVD251 SN65HVD251 LayoutExample_slls545.gif Figure 34. Layout Example Recommendation