SCDS168A May   2004  – September 2015 SN74CB3Q16244

PRODUCTION DATA.  

  1. Features
  2. Applications
  3. Description
  4. Revision History
  5. Description continued
  6. Pin Configuration and Functions
  7. Specifications
    1. 7.1 Absolute Maximum Ratings
    2. 7.2 ESD Ratings
    3. 7.3 Recommended Operating Conditions
    4. 7.4 Thermal Information
    5. 7.5 Electrical Characteristics
    6. 7.6 Switching Characteristics
    7. 7.7 Typical Characteristics
  8. Parameter Measurement Information
  9. Detailed Description
    1. 9.1 Overview
    2. 9.2 Functional Block Diagram
    3. 9.3 Feature Description
    4. 9.4 Device Functional Modes
  10. 10Application and Implementation
    1. 10.1 Application Information
    2. 10.2 Typical Application
      1. 10.2.1 Design Requirements
      2. 10.2.2 Detailed Design Procedure
      3. 10.2.3 Application Curve
  11. 11Power Supply Recommendations
  12. 12Layout
    1. 12.1 Layout Guidelines
    2. 12.2 Layout Example
  13. 13Device and Documentation Support
    1. 13.1 Documentation Support
      1. 13.1.1 Related Documentation
    2. 13.2 Community Resources
    3. 13.3 Trademarks
    4. 13.4 Electrostatic Discharge Caution
    5. 13.5 Glossary
  14. 14Mechanical, Packaging, and Orderable Information

Package Options

Refer to the PDF data sheet for device specific package drawings

Mechanical Data (Package|Pins)
  • DGG|48
  • DL|48
  • DGV|48
Thermal pad, mechanical data (Package|Pins)
Orderable Information

10 Application and Implementation

NOTE

Information in the following applications sections is not part of the TI component specification, and TI does not warrant its accuracy or completeness. TI’s customers are responsible for determining suitability of components for their purposes. Customers should validate and test their design implementation to confirm system functionality.

10.1 Application Information

The SN74CB3Q16244 device can be used to control up to 16 bits with 4 channels simultaneously.

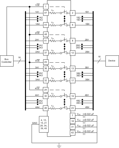
10.2 Typical Application

The application shown in Figure 5 is a 16-bit bus being controlled. The OE pins are used to control the chip from the bus controller. This is a generic example and can apply to many situations. If an application requires fewer than 16 bits, ensure that the A side is tied either high or low on unused channels.

SN74CB3Q16244 SCDS168-TypApplication.gif Figure 5. Typical Application of the SN74CB3Q16244

10.2.1 Design Requirements

A 0.022-µF bypass capacitor should be placed between each VCC pin and GND. Each capacitor must be placed as close as possible to the SN74CB3Q16244 device.

10.2.2 Detailed Design Procedure

  1. Recommended input conditions:
    • For specified high and low levels, see VIH and VIL in Recommended Operating Conditions
    • Inputs and outputs are overvoltage tolerant, which allows them to go as high as 5.5 V at any valid VCC
  2. Recommended output conditions:
    • Load currents must not exceed ±64 mA per channel
  3. Frequency selection criterion:
    • Added trace resistance or capacitance can reduce maximum frequency capability; use layout practices as directed in Layout

10.2.3 Application Curve

SN74CB3Q16244 rONvsVI_CDS168.gif Figure 6. Typical ron vs VI