SCAS293L January   1993  – July 2014 SN74LVC240A

PRODUCTION DATA.  

  1. Features
  2. Applications
  3. Simplified Schematic
  4. Revision History
  5. Pin Configuration and Functions
  6. Specifications
    1. 6.1 Absolute Maximum Ratings
    2. 6.2 Handling Ratings
    3. 6.3 Recommended Operating Conditions
    4. 6.4 Thermal Information
    5. 6.5 Electrical Characteristics
    6. 6.6 Switching Characteristics, -40°C to 85°C
    7. 6.7 Switching Characteristics, -40°C to 125°C
    8. 6.8 Operating Characteristics
    9. 6.9 Typical Characteristics
  7. Detailed Description
    1. 7.1 Overview
    2. 7.2 Functional Block Diagram
    3. 7.3 Feature Description
    4. 7.4 Device Functional Modes
  8. Application and Implementation
    1. 8.1 Application Information
    2. 8.2 Typical Application
      1. 8.2.1 Design Requirements
      2. 8.2.2 Detailed Design Procedure
      3. 8.2.3 Application Curves
  9. Power Supply Recommendations
  10. 10Layout
    1. 10.1 Layout Guidelines
    2. 10.2 Layout Example
  11. 11Device and Documentation Support
    1. 11.1 Trademarks
    2. 11.2 Electrostatic Discharge Caution
    3. 11.3 Glossary

Package Options

Refer to the PDF data sheet for device specific package drawings

Mechanical Data (Package|Pins)
  • DGV|20
  • DB|20
  • NS|20
  • DGS|20
  • DW|20
  • PW|20
Thermal pad, mechanical data (Package|Pins)
Orderable Information

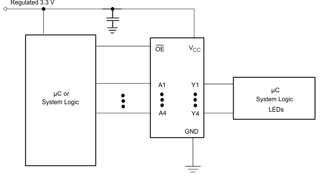
8 Application and Implementation

8.1 Application Information

The SN74LVC240A device is a high drive CMOS device that can be used for a multitude of bus-interface type applications where the data needs to be retained or latched. It can produce 24 mA of drive current at 3.3 V making it ideal for driving multiple outputs and also good for high-speed applications up to 100 Mhz. The inputs are 5.5 V tolerant allowing it to translate down to VCC.

8.2 Typical Application

app_sche_cas293.gifFigure 4. Typical Application Diagram

8.2.1 Design Requirements

This device uses CMOS technology and has balanced output drive. Care should be taken to avoid bus contention because it can drive currents that would exceed maximum limits. The high drive will also create fast edges into light loads; therefore, routing and load conditions should be considered to prevent ringing.

8.2.2 Detailed Design Procedure

  1. Recommended Input Conditions
  2. Recommend Output Conditions
    • Load currents should not exceed 25 mA per output and 50 mA total for the part.
    • Outputs should not be pulled above VCC.

8.2.3 Application Curves

D003_SCAS293.gifFigure 5. ICC vs Frequency