SLLS725B June   2006  – August 2021 SN65C3222E , SN75C3222E

PRODUCTION DATA  

  1. Features
  2. Applications
  3. Description
  4. Revision History
  5. Pin Configuration and Functions
  6. Specifications
    1. 6.1  Absolute Maximum Ratings
    2. 6.2  ESD Ratings
    3. 6.3  ESD Ratings - IEC Specifications
    4. 6.4  Recommended Operating Conditions
    5. 6.5  Thermal Information: SN65C3222E
    6. 6.6  Thermal Information: SN75C3222E
    7. 6.7  Electrical Characteristics
    8. 6.8  Electrical Characteristics: Driver
    9. 6.9  Switching Characteristics: Driver
    10. 6.10 Electrical Characteristics: Receiver
    11. 6.11 Switching Characteristics: Receiver
  7. Parameter Measurement Information
  8. Detailed Description
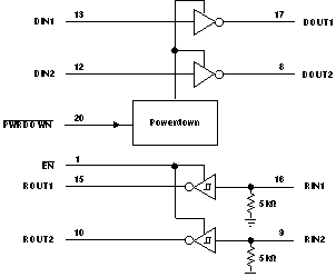
    1. 8.1 Functional Block Diagram
    2. 8.2 Device Functional Modes
  9. Application and Implementation
    1. 9.1 Application Information
    2. 9.2 Typical Application
  10. 10Device and Documentation Support
    1. 10.1 Receiving Notification of Documentation Updates
    2. 10.2 Support Resources
    3. 10.3 Trademarks
    4. 10.4 Electrostatic Discharge Caution
    5. 10.5 Glossary
  11. 11Mechanical, Packaging, and Orderable Information

Package Options

Mechanical Data (Package|Pins)
Thermal pad, mechanical data (Package|Pins)
Orderable Information

Functional Block Diagram

GUID-CEDA62C4-6E20-42C6-9FBF-DB411016E26C-low.gif
Pin numbers are for the DB, DW, and PW packages.
Figure 8-1 Logic Diagram (Positive Logic)