SLOS781C July 2013 – November 2017 TAS5760LD
PRODUCTION DATA.
NOTE
Information in the following applications sections is not part of the TI component specification, and TI does not warrant its accuracy or completeness. TI’s customers are responsible for determining suitability of components for their purposes. Customers should validate and test their design implementation to confirm system functionality.
These typical connection diagrams highlight the required external components and system level connections for proper operation of the device in several popular use cases.
Each of these configurations can be realized using the Evaluation Modules (EVMs) for the device. These flexible modules allow full evaluation of the device in all available modes of operation. Additionally, some of the application circuits are available as reference designs and can be found on the TI website. Also see the TAS5760LD's product page for information on ordering the EVM. Not all configurations are available as reference designs; however, any design variation can be supported by TI through schematic and layout reviews. Visit support.ti.com for additional design assistance. Also, join the audio amplifier discussion forum at http://e2e.ti.com.
These application circuits detail the recommended component selection and board configurations for the TAS5760LD device. Note that in Software Control mode, the clipping point of the amplifier and thus the rated power of the end equipment can be set using the digital clipper if desired. Additionally, if the sonic signature of the soft clipper is preferred, it can be used in addition to or in lieu of the digital clipper. The software control application circuit detailed in this section shows the soft clipper in its bypassed state, which results in a lower BOM count than when using the soft clipper. The trade-off between the sonic characteristics of the clipping events in the amplifier and BOM minimization can be chosen based upon the design goals related to the end product.
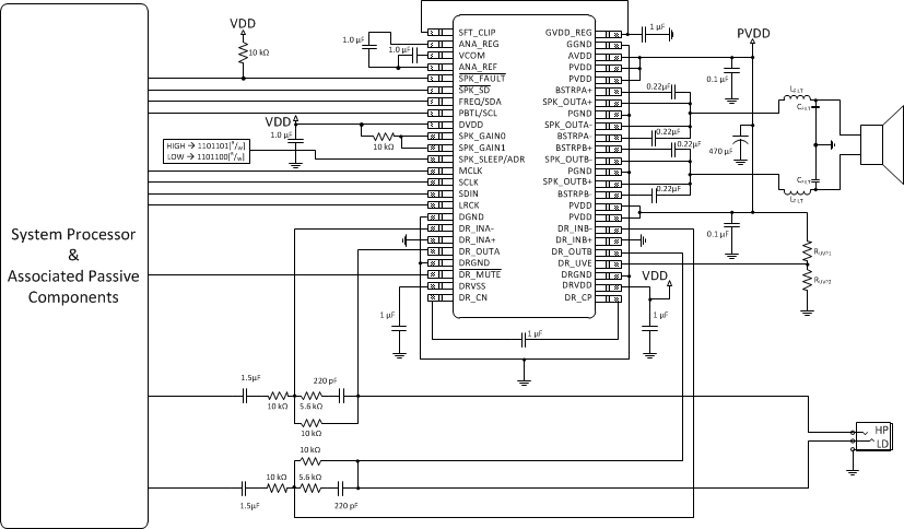
Figure 57. Stereo BTL Using Software Control
For this design example, use the parameters listed in Table 19 as the input parameters.
| PARAMETER | EXAMPLE |
|---|---|
| Low Power Supply | 3.3 V |
| High Power Supply | 5 V to 15 V |
| Host Processor | I2S Compliant Master |
| I2C Compliant Master | |
| GPIO Control | |
| Output Filters | Inductor-Capacitor Low Pass Filter |
| Speakers | 4 Ω to 8 Ω |
NOTE
Control port register changes should only occur when the device is placed into shutdown. This can be accomplished either by pulling the SPK_SD pin LOW or clearing the SPK_SD bit in the control port.
NOTE
Any control port register changes excluding volume control changes should only occur when the device is placed into shutdown. This can be accomplished either by pulling the SPK_SD pin LOW or clearing the SPK_SD bit in the control port.
Figure 57 details the typical connections required for proper operation of the device. It is with this list of components that the device was simulated, tested, and characterized. Deviation from this typical application circuit unless recommended by this document may produce unwanted results, which could range from degradation of audio performance to destructive failure of the device.
It is important to note that when the device is operated in Software Control Mode, the customary pullup resistors are required on the SCL and SDA signal lines. They are not shown in the Typical Application Circuits, because they are shared by all of the devices on the I²C bus and are considered to be part of the associated passive components for the System Processor. These resistor values should be chosen per the guidance provided in the I²C Specification.
The digital I/O lines of the TAS5760LD are described in previous sections. As discussed, whenever a static digital pin (that is a pin that is hardwired to be HIGH or LOW) is required to be pulled HIGH, it should be connected to DVDD through a pullup resistor to control the slew rate of the voltage presented to the digital I/O pins. It is not, however, necessary to have a separate pullup resistor for each static digital I/O line. Instead, a single resistor can be used to tie all static I/O lines HIGH to reduce BOM count. For instance, if Software Control Mode is desired both the GAIN[1:0] and the PBTL/SCL pins can both be pulled HIGH through a single pullup resistor.
The start up and shutdown procedures for both Hardware Control Mode and Software Control Mode are shown below.
Single-supply line-driver amplifiers typically require dc-blocking capacitors. The top drawing in Figure 58 illustrates the conventional line-driver amplifier connection to the load and output signal. DC blocking capacitors are often large in value. The line load (typical resistive values of 600 Ω to 10 kΩ) combines with the dc blocking capacitors to form a high-pass filter. Equation 3 shows the relationship between the load impedance (RL), the capacitor (CO), and the cutoff frequency (fC).

CO can be determined using Equation 4, where the load impedance and the cutoff frequency are known.

If fC is low, the capacitor must then have a large value because the load resistance is small. Large capacitance values require large package sizes. Large package sizes consume PCB area, stand high above the PCB, increase cost of assembly, and can reduce the fidelity of the audio output signal.
The DirectPath amplifier architecture operates from a single supply but makes use of an internal charge pump to provide a negative voltage rail. Combining the user-provided positive rail and the negative rail generated by the IC, the device operates in what is effectively a split-supply mode. The output voltages are now centered at zero volts with the capability to swing to the positive rail or negative rail. Combining this with the built-in click and pop reduction circuit, the DirectPath amplifier requires no output dc blocking capacitors. The bottom block diagram and waveform of Figure 58 illustrate the ground-referenced line-driver architecture. This is the architecture of the headphone / line driver inside of the TAS5760LD.
The charge-pump flying capacitor serves to transfer charge during the generation of the negative supply voltage. The PVSS capacitor must be at least equal to the charge-pump capacitor in order to allow maximum charge transfer. Low-ESR capacitors are an ideal selection, and a value of 1 µF is typical. Capacitor values that are smaller than 1 µF can be used, but the maximum output voltage may be reduced and the device may not operate to specifications. If the TAS5760LD is used in highly noise-sensitive circuits, it is recommended to add a small LC filter on the DRVDD connection.
The TAS5760LD contains a DirectPath line-driver amplifier that requires adequate power supply decoupling to ensure that the noise and total harmonic distortion (THD) are low. A good, low equivalent-series-resistance (ESR) ceramic capacitor, typically 1 µF, placed as close as possible to the device DRVDD lead works best. Placing this decoupling capacitor close to the TAS5760LD is important for the performance of the amplifier. For filtering lower-frequency noise signals, a 10-µF or greater capacitor placed near the audio power amplifier would also help, but it is not required in most applications because of the high PSRR of this device.
The gain-setting resistors, RIN and Rfb, must be chosen so that noise, stability, and input capacitor size of the headphone amplifier / line driver inside the TAS5760LD are kept within acceptable limits. Voltage gain is defined as Rfb divided by RIN.
Selecting values that are too low demands a large input ac-coupling capacitor, CIN. Selecting values that are too high increases the noise of the amplifier. Table 20 lists the recommended resistor values for different inverting-input gain settings.
| GAIN | INPUT RESISTOR VALUE, RIN | FEEDBACK RESISTOR VALUE, Rfb |
|---|---|---|
| –1 V/V | 10 kΩ | 10 kΩ |
| –1.5 V/V | 8.2 kΩ | 12 kΩ |
| –2 V/V | 15 kΩ | 30 kΩ |
| –10 V/V | 4.7 kΩ | 47 kΩ |
Several audio DACs used today require an external low-pass filter to remove out-of-band noise. This is possible with the headphone amplifier / line driver inside the TAS5760LD, as it can be used like a standard operational amplifier. Several filter topologies can be implemented, both single-ended and differential. In Figure 59, multi-feedback (MFB) with differential input and single-ended input are shown.
An ac-coupling capacitor to remove dc content from the source is shown; it serves to block any dc content from the source and lowers the dc gain to 1, helping to reduce the output dc offset to a minimum.
The component values can be calculated with the help of the TI FilterPro™ program available on the TI Web site at: http://focus.ti.com/docs/toolsw/folders/print/filterpro.html.
Figure 59. Second-Order Active Low-Pass Filter
The resistor values should have a low value for obtaining low noise, but should also have a high enough value to get a small-size ac-coupling capacitor. With the proposed values of R1 = 15 kΩ, R2 = 30 kΩ, and R3 = 43 kΩ, a dynamic range (DYR) of 106 dB can be achieved with a 1-mF input ac-coupling capacitor.
External undervoltage detection can be used to mute/shut down the heaphone / line driver amplifier in the TAS5760LD before an input device can generate a pop. The shutdown threshold at the UVP pin is 1.25 V. The user selects a resistor divider to obtain the shutdown threshold and hysteresis for the specific application. The thresholds can be determined as follows:
For example, to obtain VUVP = 3.8 V and 1-V hysteresis, we can use R1 = 3 kΩ, R2 = 1 kΩ, and R3 = 50 kΩ.
Figure 60. External Undervoltage Detection
DC input-blocking capacitors are required to be added in series with the audio signal into the input pins of the headphone amplifier / line driver inside the TAS5760LD. These capacitors block the dc portion of the audio source and allow the headphone / line driver amplifier inside the TAS5760LD.
These capacitors form a high-pass filter with the input resistor, RIN. The cutoff frequency is calculated using Equation 7. For this calculation, the capacitance used is the input-blocking capacitor, and the resistance is the input resistor chosen from Table 20; then the frequency and/or capacitance can be determined when one of the two values is given.
It is recommended to use electrolytic capacitors or high-voltage-rated capacitors as input blocking capacitors to ensure minimal variation in capacitance with input voltages. Such variation in capacitance with input voltages is commonly seen in ceramic capacitors and can increase low-frequency audio distortion.

The gain-setting resistors, RIN and Rfb, must be placed close to their respective pins to minimize capacitive loading on these input pins and to ensure maximum stability of the headphone / line driver inside the TAS5760LD. For the recommended PCB layout, see the TAS5760LD EVM User's Guide, SLOU371.
| PLOT TITLE | PLOT NUMBER |
|---|---|
| Figure 1. Output Power vs PVDD | G001 |
| Figure 2. THD+N vs Frequency With PVDD = 12 V, POSPK = 1 W | G024 |
| Figure 5. THD+N vs Output Power With PVDD = 12 V, Both Channels Driven | G027 |
| Figure 7. Efficiency vs Output Power | G030 |
| Figure 8. Crosstalk vs Frequency | G031 |
| Figure 9. PVDD PSRR vs Frequency | G019 |
| Figure 10. DVDD PSRR vs Frequency | G020 |
| Figure 11. Idle Current Draw vs PVDD (Filterless) | G042 |
| Figure 12. Idle Current Draw vs PVDD (With LC Filter as Shown on the EVM) | G023 |
| Figure 13. Shutdown Current Draw vs PVDD (Filterless) | G022 |
| Figure 14. Output Power vs PVDD | G039 |
| Figure 15. THD+N vs Frequency With PVDD = 12 V, POSPK = 1 W | G002 |
| Figure 18. THD+N vs Output Power With PVDD = 12 V, Both Channels Driven | G008 |
| Figure 20. Efficiency vs Output Power | G014 |
| Figure 21. Crosstalk vs Frequency | G018 |
| Figure 22. PVDD PSRR vs Frequency | G019 |
| Figure 23. Idle Current Draw vs PVDD (Filterless) | G045 |
| Figure 24. Idle Current Draw vs PVDD (With LC Filter as Shown on EVM) | G044 |
| Figure 25. Shutdown Current Draw vs PVDD (Filterless) | G022 |
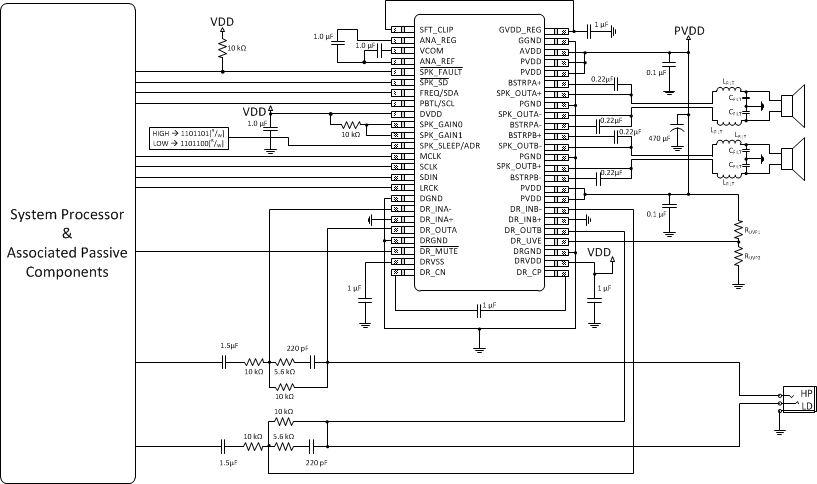
Figure 61. Stereo BTL Using Hardware Control
For this design example, use the parameters listed in Table 22 as the input parameters.
| PARAMETER | EXAMPLE |
|---|---|
| Low Power Supply | 3.3 V |
| High Power Supply | 5 V to 15 V |
| Host Processor | I2S Compliant Master |
| GPIO Control | |
| Output Filters | Inductor-Capacitor Low Pass Filter |
| Speakers | 4 Ω to 8 Ω |
The digital I/O lines of the TAS5760LD are described in previous sections. As discussed, whenever a static digital pin (that is a pin that is hardwired to be HIGH or LOW) is required to be pulled HIGH, it should be connected to DVDD through a pullup resistor in order to control the slew rate of the voltage presented to the digital I/O pins. It is not, however, necessary to have a separate pullup resistor for each static digital I/O line. Instead, a single resistor can be used to tie all static I/O lines HIGH to reduce BOM count. For instance, if Software Control Mode is desired both the GAIN[1:0] and the PBTL/SCL pins can both be pulled HIGH through a single pullup resistor.
| PLOT TITLE | PLOT NUMBER |
|---|---|
| Figure 1. Output Power vs PVDD | G001 |
| Figure 2. THD+N vs Frequency With PVDD = 12 V, POSPK = 1 W | G024 |
| Figure 4. Idle Channel Noise vs PVDD | G026 |
| Figure 5. THD+N vs Output Power With PVDD = 12 V, Both Channels Driven | G027 |
| Figure 7. Efficiency vs Output Power | G030 |
| Figure 8. Crosstalk vs Frequency | G031 |
| Figure 9. PVDD PSRR vs Frequency | G019 |
| Figure 10. DVDD PSRR vs Frequency | G020 |
| Figure 11. Idle Current Draw vs PVDD (Filterless) | G042 |
| Figure 12. Idle Current Draw vs PVDD (With LC Filter as Shown on the EVM) | G023 |
| Figure 13. Shutdown Current Draw vs PVDD (Filterless) | G022 |
| Figure 14. Output Power vs PVDD | G039 |
| Figure 15. THD+N vs Frequency With PVDD = 12 V, POSPK = 1 W | G002 |
| Figure 17. Idle Channel Noise vs PVDD | G006 |
| Figure 18. THD+N vs Output Power With PVDD = 12 V, Both Channels Driven | G008 |
| Figure 20. Efficiency vs Output Power | G014 |
| Figure 21. Crosstalk vs Frequency | G018 |
| Figure 22. PVDD PSRR vs Frequency | G019 |
| Figure 23. Idle Current Draw vs PVDD (Filterless) | G045 |
| Figure 24. Idle Current Draw vs PVDD (With LC Filter as Shown on EVM) | G044 |
| Figure 25. Shutdown Current Draw vs PVDD (Filterless) | G022 |
Figure 62. Mono PBTL Using Software Control
For this design example, use the parameters listed in Table 24 as the input parameters.
| PARAMETER | EXAMPLE |
|---|---|
| Low Power Supply | 3.3 V |
| High Power Supply | 5 V to 15 V |
| Host Processor | I2S Compliant Master |
| I2C Compliant Master | |
| GPIO Control | |
| Output Filters | Inductor-Capacitor Low Pass Filter |
| Speakers | 4 Ω to 8 Ω |
NOTE
Control port register changes should only occur when the device is placed into shutdown. This can be accomplished either by pulling the SPK_SD pin LOW or clearing the SPK_SD bit in the control port.
NOTE
Any control port register changes excluding volume control changes should only occur when the device is placed into shutdown. This can be accomplished either by pulling the SPK_SD pin LOW or clearing the SPK_SD bit in the control port.
Figure 62 above details the typical connections required for proper operation of the device. It is with this list of components that the device was simulated, tested, and characterized. Deviation from this typical application circuit unless recommended by this document may produce unwanted results, which could range from degradation of audio performance to destructive failure of the device.
It is important to note that when the device is operated in Software Control Mode, the customary pull-up resistors are required on the SCL and SDA signal lines. They are not shown in the Typical Application Circuits, since they are shared by all of the devices on the I²C bus and are considered to be part of the associated passive components for the System Processor. These resistor values should be chosen per the guidance provided in the I²C Specification.
The digital I/O lines of the TAS5760LD are described in previous sections. As discussed, whenever a static digital pin (that is a pin that is hardwired to be HIGH or LOW) is required to be pulled HIGH, it should be connected to DVDD through a pullup resistor in order to control the slew rate of the voltage presented to the digital I/O pins. It is not, however, necessary to have a separate pullup resistor for each static digital I/O line. Instead, a single resistor can be used to tie all static I/O lines HIGH to reduce BOM count. For instance, if Software Control Mode is desired both the GAIN[1:0] and the PBTL/SCL pins can both be pulled HIGH through a single pullup resistor.
| PLOT TITLE | PLOT NUMBER |
|---|---|
| Figure 27. THD+N vs Frequency With PVDD = 12 V, POSPK = 1 W | G032 |
| Figure 29. THD+N vs Output Power With PVDD = 12 V With 1 kHz Sine Input | G035 |
| Figure 37. Efficiency vs Output Power | G038 |
| Figure 2. THD+N vs Frequency With PVDD = 12 V, POSPK = 1 W | G004 |
| Figure 35. THD+N vs Output Power With PVDD = 12 V | G011 |
| Figure 7. Efficiency vs Output Power | G015 |
Figure 63. Mono PBTL Using Hardware Control
For this design example, use the parameters listed in Table 26 as the input parameters.
| PARAMETER | EXAMPLE |
|---|---|
| Low Power Supply | 3.3 V |
| High Power Supply | 5 V to 15 V |
| Host Processor | I2S Compliant Master |
| GPIO Control | |
| Output Filters | Inductor-Capacitor Low Pass Filter |
| Speakers | 4 Ω to 8 Ω |
Figure 63 details the typical connections required for proper operation of the device. It is with this list of components that the device was simulated, tested, and characterized. Deviation from this typical application circuit unless recommended by this document may produce unwanted results, which could range from degradation of audio performance to destructive failure of the device.
The digital I/O lines of the TAS5760LD are described in previous sections. As discussed, whenever a static digital pin (that is a pin that is hardwired to be HIGH or LOW) is required to be pulled HIGH, it should be connected to DVDD through a pullup resistor in order to control the slew rate of the voltage presented to the digital I/O pins. It is not, however, necessary to have a separate pullup resistor for each static digital I/O line. Instead, a single resistor can be used to tie all static I/O lines HIGH to reduce BOM count. For instance, if Software Control Mode is desired both the GAIN[1:0] and the PBTL/SCL pins can both be pulled HIGH through a single pullup resistor.
| PLOT TITLE | PLOT NUMBER |
|---|---|
| Figure 32. THD+N vs Frequency With PVDD = 12 V, POSPK = 1 W | G032 |
| Figure 34. Idle Channel Noise vs PVDD | G034 |
| Figure 29. THD+N vs Output Power With PVDD = 12 V With 1 kHz Sine Input | G035 |
| Figure 37. Efficiency vs Output Power | G038 |
| Figure 2. THD+N vs Frequency With PVDD = 12 V, POSPK = 1 W | G004 |
| Figure 17. Idle Channel Noise vs PVDD | G007 |
| Figure 35. THD+N vs Output Power With PVDD = 12 V | G011 |
| Figure 7. Efficiency vs Output Power | G015 |