SBOS762B November   2016  â€“ June 2017 TMP468

PRODUCTION DATA.  

  1. Features
  2. Applications
  3. Description
  4. Revision History
  5. Pin Configuration and Functions
  6. Specifications
    1. 6.1 Absolute Maximum Ratings
    2. 6.2 ESD Ratings
    3. 6.3 Recommended Operating Conditions
    4. 6.4 Thermal Information
    5. 6.5 Electrical Characteristics
    6. 6.6 Two-Wire Timing Requirements
    7. 6.7 Typical Characteristics
  7. Detailed Description
    1. 7.1 Overview
    2. 7.2 Functional Block Diagram
    3. 7.3 Feature Description
      1. 7.3.1 Temperature Measurement Data
      2. 7.3.2 Series Resistance Cancellation
      3. 7.3.3 Differential Input Capacitance
      4. 7.3.4 Sensor Fault
      5. 7.3.5 THERM Functions
    4. 7.4 Device Functional Modes
      1. 7.4.1 Shutdown Mode (SD)
    5. 7.5 Programming
      1. 7.5.1 Serial Interface
        1. 7.5.1.1 Bus Overview
        2. 7.5.1.2 Bus Definitions
        3. 7.5.1.3 Serial Bus Address
        4. 7.5.1.4 Read and Write Operations
          1. 7.5.1.4.1 Single Register Reads
          2. 7.5.1.4.2 Block Register Reads
        5. 7.5.1.5 Timeout Function
        6. 7.5.1.6 High-Speed Mode
      2. 7.5.2 TMP468 Register Reset
      3. 7.5.3 Lock Register
    6. 7.6 Register Maps
      1. 7.6.1 Register Information
        1. 7.6.1.1  Pointer Register
        2. 7.6.1.2  Local and Remote Temperature Value Registers
        3. 7.6.1.3  Software Reset Register
        4. 7.6.1.4  THERM Status Register
        5. 7.6.1.5  THERM2 Status Register
        6. 7.6.1.6  Remote Channel Open Status Register
        7. 7.6.1.7  Configuration Register
        8. 7.6.1.8  η-Factor Correction Register
        9. 7.6.1.9  Remote Temperature Offset Register
        10. 7.6.1.10 THERM Hysteresis Register
        11. 7.6.1.11 Local and Remote THERM and THERM2 Limit Registers
        12. 7.6.1.12 Block Read - Auto Increment Pointer
        13. 7.6.1.13 Lock Register
        14. 7.6.1.14 Manufacturer and Device Identification Plus Revision Registers
  8. Application and Implementation
    1. 8.1 Application Information
    2. 8.2 Typical Application
      1. 8.2.1 Design Requirements
      2. 8.2.2 Detailed Design Procedure
      3. 8.2.3 Application Curve
  9. Power Supply Recommendations
  10. 10Layout
    1. 10.1 Layout Guidelines
    2. 10.2 Layout Example
  11. 11Device and Documentation Support
    1. 11.1 Receiving Notification of Documentation Updates
    2. 11.2 Community Resources
    3. 11.3 Trademarks
    4. 11.4 Electrostatic Discharge Caution
    5. 11.5 Glossary
  12. 12Mechanical, Packaging, and Orderable Information

Package Options

Mechanical Data (Package|Pins)
Thermal pad, mechanical data (Package|Pins)
Orderable Information

Specifications

Absolute Maximum Ratings

over operating free-air temperature range (unless otherwise noted)(1)
MIN MAX UNIT
Power supply V+ –0.3 6 V
Input voltage THERM, THERM2, SDA, SCL, and ADD only –0.3 6 V
D1+ through D8+ –0.3 ((V+) + 0.3) and ≤ 6
D– only –0.3 0.3
Input current SDA sink –25 mA
All other pins –10 10
Operating temperature –55 150 °C
Junction temperature (TJ, maximum) 150 °C
Storage temperature, Tstg –60 150 °C
Stresses beyond those listed under Absolute Maximum Ratings may cause permanent damage to the device. These are stress ratings only, which do not imply functional operation of the device at these or any other conditions beyond those indicated under Recommended Operating Conditions. Exposure to absolute-maximum-rated conditions for extended periods may affect device reliability.

ESD Ratings

VALUE UNIT
V(ESD) Electrostatic discharge Human body model (HBM), per ANSI/ESDA/JEDEC JS-001(1) ±2000 V
Charged device model (CDM), JEDEC specification JESD22-C101(2) ±750
JEDEC document JEP155 states that 500-V HBM allows safe manufacturing with a standard ESD control process.
JEDEC document JEP157 states that 250-V CDM allows safe manufacturing with a standard ESD control process.

Recommended Operating Conditions

over operating free-air temperature range (unless otherwise noted)
MIN NOM MAX UNIT
V+ Supply voltage 1.7 3.6 V
TA Operating free-air temperature –40 125 °C
TD Remote junction temperature –55 150 °C

Thermal Information

THERMAL METRIC(1) TMP468 UNIT
RGT (VQFN) YFF (DSBGA)
16 PINS 16 PINS
RθJA Junction-to-ambient thermal resistance 46 76 °C/W
RθJC(top) Junction-to-case (top) thermal resistance 43 0.7 °C/W
RθJB Junction-to-board thermal resistance 17 13 °C/W
ψJT Junction-to-top characterization parameter 0.8 0.4 °C/W
ψJB Junction-to-board characterization parameter 5 13 °C/W
For more information about traditional and new thermal metrics, see the Semiconductor and IC Package Thermal Metrics application report.

Electrical Characteristics

at TA = –40°C to +125°C and V+ = 1.7 V to 3.6 V (unless otherwise noted)
PARAMETER TEST CONDITIONS MIN TYP MAX UNIT
TEMPERATURE MEASUREMENT
TLOCAL Local temperature sensor accuracy TA = 20°C to 30°C, V+ = 1.7 V to 2 V (DSBGA) –0.35 ±0.125 0.35 °C
TA = –40°C to 125°C, V+ = 1.7 V to 2 V (DSBGA) –0.75 ±0.125 0.75 °C
TA = –40°C to 100°C, V+ = 1.7 V to 3.6 V (VQFN)
TA = –40°C to 125°C, V+ = 1.7 V to 3.6 V –1 ±0.5 1 °C
TREMOTE Remote temperature sensor accuracy (DSBGA):
TA = –10°C to 50°C, TD = –55°C to 150°C
V+ = 1.7 V to 3.6 V
–0.75 ±0.125 0.75 °C
(VQFN):
TA = –10°C to 85°C, TD = –55°C to 150°C
V+ = 1.7 V to 3.6 V
TA = –40°C to 125°C, TD = –55°C to 150°C
V+ = 1.7 V to 3.6 V
–1 ±0.5 1
Local temperature error supply sensitivity V+ = 1.7 V to 3.6 V –0.15 ±0.05 0.15 °C/V
Remote temperature error supply sensitivity V+ = 1.7 V to 3.6 V –0.25 ±0.1 0.25 °C/V
Temperature resolution
(local and remote)
0.0625 °C
ADC conversion time One-shot mode, per channel (local or remote) 16 17 ms
ADC resolution 13 Bits
Remote sensor source current High Series resistance 1 kΩ (maximum) 120 µA
Medium 45
Low 7.5
η Remote transistor ideality factor 1.008
SERIAL INTERFACE (SCL, SDA)
VIH High-level input voltage 0.7 × (V+) V
VIL Low-level input voltage 0.3 × (V+) V
Hysteresis 200 mV
SDA output-low sink current 20 mA
VOL Low-level output voltage IO = –20 mA, V+ ≥ 2 V 0.15 0.4 V
IO = –15 mA, V+ < 2 V 0.2 × V+ V
Serial bus input leakage current 0 V ≤ VIN ≤ 3.6 V –1 1 μA
Serial bus input capacitance 4 pF
DIGITAL INPUTS (ADD)
VIH High-level input voltage 0.7 × (V+) V
VIL Low-level input voltage –0.3 0.3 × (V+) V
Input leakage current 0 V ≤ VIN ≤ 3.6 V –1 1 μA
Input capacitance 4 pF
DIGITAL OUTPUTS (THERM, THERM2)
Output-low sink current VOL = 0.4 V 6 mA
VOL Low-level output voltage IO = –6 mA 0.15 0.4 V
IOH High-level output leakage current VO = V+ 1 μA
POWER SUPPLY
V+ Specified supply voltage range 1.7 3.6 V
IQ Quiescent current Active conversion, local sensor 240 375 µA
Active conversion, remote sensors 400 600
Standby mode (between conversions) 15 21
Shutdown mode, serial bus inactive 0.3 4
Shutdown mode, serial bus active, fS = 400 kHz 120 µA
Shutdown mode, serial bus active, fS = 2.56 MHz 300 µA
POR Power-on-reset threshold Rising edge 1.5 1.65 V
Falling edge 1 1.2 1.35
POH Power-on-reset hysteresis 0.2 V

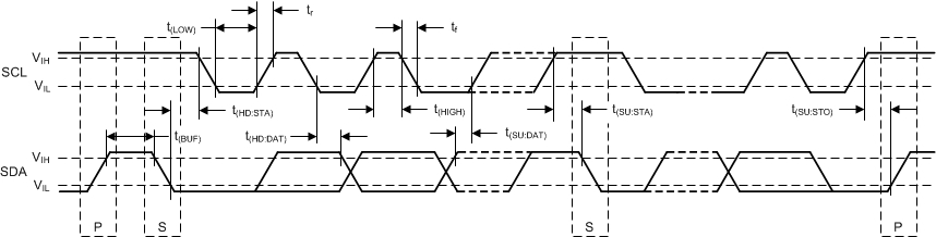
Two-Wire Timing Requirements

at TA = –40°C to +125°C and V+ = 1.7 V to 3.6 V (unless otherwise noted)
The master and the slave have the same V+ value. Values are based on statistical analysis of samples tested during initial release.
MIN MAX UNIT
fSCL SCL operating frequency Fast mode 0.001 0.4 MHz
High-speed mode 0.001 2.56
tBUF Bus free time between stop and start condition Fast mode 1300 ns
High-speed mode 160
tHD;STA Hold time after repeated start condition.
After this period, the first clock is generated.
Fast mode 600 ns
High-speed mode 160
tSU;STA Repeated start condition setup time Fast mode 600 ns
High-speed mode 160
tSU;STO Stop condition setup time Fast mode 600 ns
High-speed mode 160
tHD;DAT Data hold time when SDA Fast mode 0 (1) ns
High-speed mode 0 130
tVD;DAT Data valid time(2) Fast mode 0 900 ns
High-speed mode
tSU;DAT Data setup time Fast mode 100 ns
High-speed mode 20
tLOW SCL clock low period Fast mode 1300 ns
High-speed mode 250
tHIGH SCL clock high period Fast mode 600 ns
High-speed mode 60
tF – SDA Data fall time Fast mode 20 × (V+ / 5.5) 300 ns
High-speed mode 100
tF, tR – SCL Clock fall and rise time Fast mode 300 ns
High-speed mode 40
tR Rise time for SCL ≤ 100 kHz Fast mode 1000 ns
High-speed mode
Serial bus timeout Fast mode 15 20 ms
High-speed mode 15 20
The maximum tHD;DAT can be 0.9 µs for fast mode, and is less than the maximum tVD;DAT by a transition time.
tVD;DAT = time for data signal from SCL LOW to SDA output (HIGH to LOW, depending on which is worse).
TMP468 Tmng_ECTable.gif Figure 1. Two-Wire Timing Diagram

Typical Characteristics

at TA = 25°C and V+ = 3.6 V (unless otherwise noted)
TMP468 D001_SBOS762.gif
Typical behavior of 95 DSBGA devices over temperature at V+ = 1.8 V
Figure 2. Local Temperature Error vs Ambient Temperature
TMP468 D003_SBOS762_150C_1p8V_Visio.gif
Typical behavior of 30 DSBGA devices over temperature at V+ = 1.8 V with the remote diode junction at 150°C.
Figure 4. Remote Temperature Error vs Device Junction Temperature
TMP468 D005_SBOS762_150C_1p8V-3p6V_Visio.gif
Typical behavior of 30 devices over temperature with V+ from 1.8 V to 3.6 V
Figure 6. Remote Temperature Error Power Supply Sensitivity vs Device Junction Temperature
TMP468 D007_SBOS762.gif
No physical capacitance during measurement
Figure 8. Remote Temperature Error vs Series Resistance
TMP468 D009_SBOS762.gif
Figure 10. Quiescent Current vs Conversion Rate °
TMP468 D011_SBOS762.gif
Figure 12. Quiescent Current vs Supply Voltage
(at Default Conversion Rate of 16 Conversions Per Second)
TMP468 D002_SBOS762.gif
Typical behavior of 75 VQFN devices over temperature at V+ = 1.8 V
Figure 3. Local Temperature Error vs Ambient Temperature
TMP468 D004_SBOS762.gif
Typical behavior of 75 VQFN devices over temperature at V+ = 1.8 V with the remote diode junction at 150°C.
Figure 5. Remote Temperature Error vs Device Junction Temperature
TMP468 D006_SBOS762.gif
Figure 7. Remote Temperature Error vs Leakage Resistance
TMP468 D008_SBOS762.gif
No physical series resistance on D+, D– pins during measurement
Figure 9. Remote Temperature Error vs
Differential Capacitance
TMP468 D010_SBOS762.gif
16 samples per second (default mode)
Figure 11. Shutdown Quiescent Current
vs SCL Clock Frequency
TMP468 D012_SBOS762.gif
Figure 13. Shutdown Quiescent Current vs Supply Voltage