SCBS879A May   2012  – January 2020 TMS37145

PRODUCTION DATA.  

  1. 1Features
  2. 2Applications
  3. 3Description
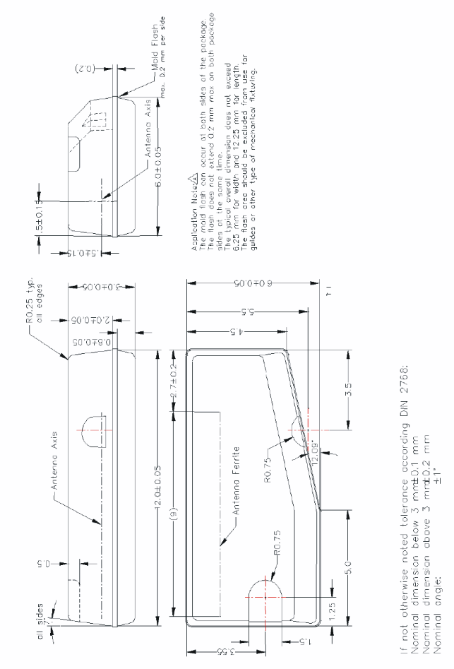
    1.     Wedge Package
  4. 4Revision History
  5. 5Specifications
    1. 5.1 Operating Characteristics
  6. 6Device and Documentation Support
    1. 6.1 Getting Started
    2. 6.2 Device Nomenclature
    3. 6.3 Documentation Support
    4. 6.4 Support Resources
    5. 6.5 Trademarks
    6. 6.6 Glossary
  7. 7Mechanical, Packaging, and Orderable Information
    1.     Mechanical Data

Package Options

Mechanical Data (Package|Pins)
Thermal pad, mechanical data (Package|Pins)
Orderable Information

Mechanical Data

TMS37145 mech_cbs879.gif