SCDS392C November   2018  – February 2024 TMUX1104

PRODUCTION DATA  

  1.   1
  2. Features
  3. Applications
  4. Description
  5. Pin Configuration and Functions
  6. Specifications
    1. 5.1 Absolute Maximum Ratings
    2. 5.2 ESD Ratings
    3. 5.3 Recommended Operating Conditions
    4. 5.4 Thermal Information
    5. 5.5 Electrical Characteristics (VDD = 5V ±10 %)
    6. 5.6 Electrical Characteristics (VDD = 3.3V ±10 %)
    7. 5.7 Electrical Characteristics (VDD = 1.8V ±10 %)
    8. 5.8 Electrical Characteristics (VDD = 1.2V ±10 %)
    9. 5.9 Typical Characteristics
  7. Parameter Measurement Information
    1. 6.1  On-Resistance
    2. 6.2  Off-Leakage Current
    3. 6.3  On-Leakage Current
    4. 6.4  Transition Time
    5. 6.5  Break-Before-Make
    6. 6.6  tON(EN) and tOFF(EN)
    7. 6.7  Charge Injection
    8. 6.8  Off Isolation
    9. 6.9  Crosstalk
    10. 6.10 Bandwidth
  8. Detailed Description
    1. 7.1 Functional Block Diagram
    2. 7.2 Feature Description
      1. 7.2.1 Bidirectional Operation
      2. 7.2.2 Rail to Rail Operation
      3. 7.2.3 1.8V Logic Compatible Inputs
      4. 7.2.4 Fail-Safe Logic
      5. 7.2.5 Ultra-low Leakage Current
      6. 7.2.6 Ultra-low Charge Injection
    3. 7.3 Device Functional Modes
    4. 7.4 Truth Tables
  9. Application and Implementation
    1. 8.1 Application Information
    2. 8.2 Typical Application
      1. 8.2.1 Design Requirements
      2. 8.2.2 Detailed Design Procedure
      3. 8.2.3 Application Curve
    3. 8.3 Power Supply Recommendations
    4. 8.4 Layout
      1. 8.4.1 Layout Guidelines
      2. 8.4.2 Layout Example
  10. Device and Documentation Support
    1. 9.1 Documentation Support
      1. 9.1.1 Related Documentation
    2. 9.2 Receiving Notification of Documentation Updates
    3. 9.3 Support Resources
    4. 9.4 Trademarks
    5. 9.5 Electrostatic Discharge Caution
    6. 9.6 Glossary
  11. 10Revision History
  12. 11Mechanical, Packaging, and Orderable Information

Package Options

Refer to the PDF data sheet for device specific package drawings

Mechanical Data (Package|Pins)
  • DGS|10
  • DQA|10
Thermal pad, mechanical data (Package|Pins)
Orderable Information

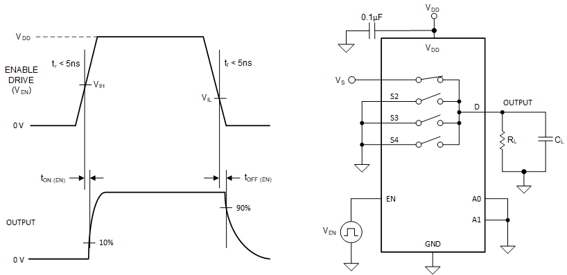
tON(EN) and tOFF(EN)

Turn-on time is defined as the time taken by the output of the device to rise to 10% after the enable has risen past the logic threshold. The 10% measurement is utilized to provide the timing of the device. System level timing can then account for the time constant added from the load resistance and load capacitance. Figure 6-6 shows the setup used to measure turn-on time, denoted by the symbol tON(EN).

Turn-off time is defined as the time taken by the output of the device to fall to 90% after the enable has fallen past the logic threshold. The 90% measurement is utilized to provide the timing of the device. System level timing can then account for the time constant added from the load resistance and load capacitance. Figure 6-6 shows the setup used to measure turn-off time, denoted by the symbol tOFF(EN).

GUID-14754882-992A-4A8F-AEA9-7AF38CBD8606-low.gifFigure 6-6 Turn-On and Turn-Off Time Measurement Setup