SLRS074 May   2018 TPL7407LA-Q1

PRODUCTION DATA.  

  1. Features
  2. Applications
  3. Description
    1.     Device Images
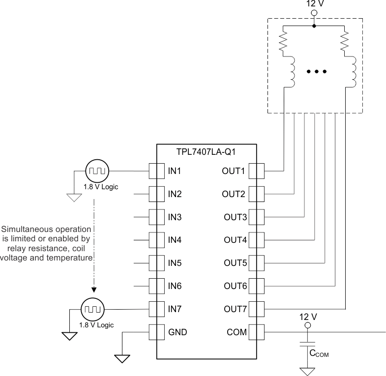
      1.      Simple Application Schematic
  4. Revision History
  5. Pin Configuration and Functions
  6. Specifications
    1. 6.1 Absolute Maximum Ratings
    2. 6.2 ESD Ratings
    3. 6.3 Recommended Operating Conditions
    4. 6.4 Thermal Information
    5. 6.5 Electrical Characteristics
    6. 6.6 Switching Characteristics
    7. 6.7 Typical Characteristics
  7. Detailed Description
    1. 7.1 Overview
    2. 7.2 Functional Block Diagram
    3. 7.3 Feature Description
    4. 7.4 Device Functional Modes
      1. 7.4.1 Inductive Load Drive
      2. 7.4.2 Resistive Load Drive
      3. 7.4.3 ON State Input Current
  8. Application and Implementation
    1. 8.1 Application Information
      1. 8.1.1 Unipolar Stepper Motor Driver
      2. 8.1.2 Multi-Purpose Sink Driver
    2. 8.2 Typical Application
      1. 8.2.1 Design Requirements
      2. 8.2.2 Detailed Design Procedure
        1. 8.2.2.1 TTL and other Logic Inputs
        2. 8.2.2.2 Input RC Snubber
        3. 8.2.2.3 High-Impedance Input Drivers
        4. 8.2.2.4 Drive Current
        5. 8.2.2.5 Output Low Voltage
      3. 8.2.3 Application Curve
  9. Power Supply Recommendations
  10. 10Layout
    1. 10.1 Layout Guidelines
    2. 10.2 Layout Example
    3. 10.3 Thermal Considerations
      1. 10.3.1 Improving Package Thermal Performance
  11. 11Device and Documentation Support
    1. 11.1 Receiving Notification of Documentation Updates
    2. 11.2 Community Resources
    3. 11.3 Trademarks
    4. 11.4 Electrostatic Discharge Caution
    5. 11.5 Glossary
  12. 12Mechanical, Packaging, and Orderable Information

Package Options

Mechanical Data (Package|Pins)
Thermal pad, mechanical data (Package|Pins)
Orderable Information

Typical Application

A common application for the TPL7407LA-Q1 is driving inductive loads such as relays, solenoids, and unipolar stepper motors.

TPL7407LA-Q1 Inductive_Load_Driving_SLRS074.gifFigure 7. Inductive Load Driver Schematic