SLUS907K January   2009  – June 2019 TPS2421-1 , TPS2421-2

PRODUCTION DATA.  

  1. Features
  2. Applications
  3. Description
    1.     Device Images
      1.      Typical Application
  4. Revision History
  5. Device Comparison Table
  6. Pin Configuration and Functions
    1.     Pin Functions
  7. Specifications
    1. 7.1 Absolute Maximum Ratings
    2. 7.2 ESD Ratings
    3. 7.3 Recommended Operating Conditions
    4. 7.4 Thermal Information
    5. 7.5 Electrical Characteristics
    6. 7.6 Typical Characteristics
  8. Detailed Description
    1. 8.1 Overview
    2. 8.2 Functional Block Diagram
    3. 8.3 Feature Description
      1. 8.3.1 CT
      2. 8.3.2 FLT
      3. 8.3.3 GND
      4. 8.3.4 ISET
      5. 8.3.5 VIN
      6. 8.3.6 VOUT
      7. 8.3.7 PG
    4. 8.4 Device Functional Modes
      1. 8.4.1 Startup
      2. 8.4.2 Maximum Allowable Load to Ensure Successful Startup
        1. 8.4.2.1 Enable Pin Considerations
        2. 8.4.2.2 Fault Timer
        3. 8.4.2.3 Normal Operation
        4. 8.4.2.4 Startup into a Short
      3. 8.4.3 Shutdown Modes
        1. 8.4.3.1 Hard Overload - Fast Trip
        2. 8.4.3.2 Overcurrent Shutdown
    5. 8.5 Programming
      1. 8.5.1 Fault (ISET) and Current-Limit (ILIM) Thresholds
  9. Application and Implementation
    1. 9.1 Application Information
    2. 9.2 Typical Application
      1. 9.2.1 Design Requirements
      2. 9.2.2 Detailed Design Procedure
        1. 9.2.2.1 Transient Protection
      3. 9.2.3 Application Curves
  10. 10Power Supply Recommendations
    1. 10.1 PowerPad™
  11. 11Layout
    1. 11.1 Layout Guidelines
    2. 11.2 Layout Example
  12. 12Device and Documentation Support
    1. 12.1 Documentation Support
      1. 12.1.1 Related Documentation
    2. 12.2 Related Links
    3. 12.3 Receiving Notification of Documentation Updates
    4. 12.4 Community Resource
    5. 12.5 Trademarks
    6. 12.6 Electrostatic Discharge Caution
    7. 12.7 Glossary
  13. 13Mechanical, Packaging, and Orderable Information

Package Options

Mechanical Data (Package|Pins)
Thermal pad, mechanical data (Package|Pins)
Orderable Information

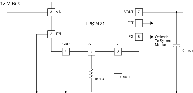
Typical Application

TPS2421-1 TPS2421-2 des_exa_sch_lus907.gifFigure 14. Design Example Schematic