SLVSC87C October   2013  – December 2018 TPS24750 , TPS24751

UNLESS OTHERWISE NOTED, this document contains PRODUCTION DATA.  

  1. Features
  2. Applications
  3. Description
    1.     Device Images
      1.      Application Schematic (12 V at 10 A)
      2.      Transient Output Short Circuit Response
  4. Revision History
  5. Device Comparison Table
  6. Pin Configuration and Functions
    1.     Pin Functions
  7. Specifications
    1. 7.1 Absolute Maximum Ratings
    2. 7.2 ESD Ratings
    3. 7.3 Recommended Operating Conditions
    4. 7.4 Thermal Information
    5. 7.5 Electrical Characteristics
    6. 7.6 Typical Characteristics
  8. Parameter Measurement Information
  9. Detailed Descriptions
    1. 9.1 Overview
    2. 9.2 Functional Block Diagram
    3. 9.3 Feature Description
      1. 9.3.1  DRAIN
      2. 9.3.2  EN
      3. 9.3.3  FLTb
      4. 9.3.4  GATE
      5. 9.3.5  GND
      6. 9.3.6  IMON
      7. 9.3.7  OUT
      8. 9.3.8  OV
      9. 9.3.9  PGb
      10. 9.3.10 PROG
      11. 9.3.11 SENSE
      12. 9.3.12 TIMER
      13. 9.3.13 VCC
    4. 9.4 Device Functional Modes
      1. 9.4.1 Board Plug-In
      2. 9.4.2 Inrush Operation
      3. 9.4.3 Action of the Constant-Power Engine
      4. 9.4.4 Circuit Breaker and Fast Trip
      5. 9.4.5 Automatic Restart
      6. 9.4.6 Start-Up with Short on Output
      7. 9.4.7 PGb, FLTb, and Timer Operations
        1. 9.4.7.1 Overtemperature Shutdown
        2. 9.4.7.2 Start-Up of Hot-Swap Circuit by VCC or EN
  10. 10Application and Implementation
    1. 10.1 Application Information
    2. 10.2 Typical Application
      1. 10.2.1 Design Requirements
      2. 10.2.2 Detailed Design Procedure
        1. 10.2.2.1 Power-Limited Start-Up
          1. 10.2.2.1.1 STEP 1. Choose RSENSE, RSET, and RIMON
          2. 10.2.2.1.2 STEP 2. Choose Power-Limit Value, PLIM, and RPROG
          3. 10.2.2.1.3 STEP 3. Choose Output Voltage Rising Time, tON, and Timing Capacitor CT
          4. 10.2.2.1.4 STEP 4. Calculate the Retry-Mode Duty Ratio
          5. 10.2.2.1.5 STEP 5. Select R1, R2, and R3 for UV and OV
          6. 10.2.2.1.6 STEP 6. Choose R4, R5, and C1
        2. 10.2.2.2 Alternative Design Example: Gate Capacitor (dv/dt) Control in Inrush Mode
        3. 10.2.2.3 Additional Design Considerations
          1. 10.2.2.3.1 Use of PGb
          2. 10.2.2.3.2 Output Clamp Diode
          3. 10.2.2.3.3 Gate Clamp Diode
          4. 10.2.2.3.4 Bypass Capacitors
          5. 10.2.2.3.5 Output Short-Circuit Measurements
      3. 10.2.3 Application Curves
    3. 10.3 System Examples
  11. 11Power Supply Recommendations
    1. 11.1 Transient Thermal Impedance
  12. 12Layout
    1. 12.1 Layout Guidelines
    2. 12.2 Layout Example
  13. 13Device and Documentation Support
    1. 13.1 Documentation Support
      1. 13.1.1 Related Documentation
    2. 13.2 Related Links
    3. 13.3 Receiving Notification of Documentation Updates
    4. 13.4 Community Resources
    5. 13.5 Trademarks
    6. 13.6 Electrostatic Discharge Caution
    7. 13.7 Export Control Notice
    8. 13.8 Glossary
  14. 14Mechanical, Packaging, and Orderable Information

Package Options

Mechanical Data (Package|Pins)
Thermal pad, mechanical data (Package|Pins)
Orderable Information

System Examples

TPS24750 TPS24751 Figure44_Revers_Blocking.gifFigure 46. Reverse Blocking Implementation
TPS24750 TPS24751 Figure45_Negative_Gate_Protection.gifFigure 47. Negative Voltage Gate Protection

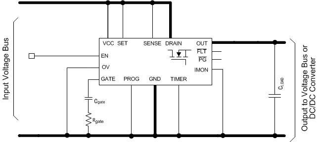
The TPS2475x can be configured as a high current load switch with low external part count. The schematic diagram of load switch configuration is shown in Figure 48. The output voltage ramp rate is controlled with RC circuit (Rgate and Cgate) at the Gate pin of the device. For detailed design process refer to the application note 12-A Integrated Load Switch Using TPS24750/51.

Due to their robust protection features along with low RDS(on) of 3 mΩ integrated MOSFET and precise current-limiting, the TPS2475x eFuses finds usage in power supply modules for Position Encoder Interfaces in applications such as Servo Drives and Position Control. Refer to the following TI Designs for system usage examples of the TPS2475x in these applications.

Power Supply with Programmable Output Voltage and Protection for Position Encoder Interfaces

Interface to a 5-V BiSS® Position Encoder

TPS24750 TPS24751 Load_Switch_slvsc87.gifFigure 48. TPS2475x Configured as Simple 12-A Load Switch