SLVSDR6C June   2017  – March 2018 TPS25740B

PRODUCTION DATA.  

  1. Features
  2. Applications
  3. Description
    1.     Device Images
      1.      Simplified Schematic
  4. Revision History
  5. Device Comparison Table
  6. Pin Configuration and Functions
    1.     Pin Functions
  7. Specifications
    1. 7.1 Absolute Maximum Ratings
    2. 7.2 ESD Ratings
    3. 7.3 Recommended Operating Conditions
    4. 7.4 Thermal Information
    5. 7.5 Electrical Characteristics
    6. 7.6 Timing Requirements
    7. 7.7 Switching Characteristics
    8. 7.8 Typical Characteristics
  8. Detailed Description
    1. 8.1 Overview
      1. 8.1.1 VBUS Capacitance
      2. 8.1.2 USB Data Communications
    2. 8.2 Functional Block Diagram
    3. 8.3 Feature Description
      1. 8.3.1  ENSRC
      2. 8.3.2  USB Type-C CC Logic (CC1, CC2)
      3. 8.3.3  USB PD BMC Transmission (CC1, CC2, VTX)
      4. 8.3.4  USB PD BMC Reception (CC1, CC2)
      5. 8.3.5  Discharging (DSCG, VPWR)
        1. 8.3.5.1 Discharging after a Fault (VPWR)
      6. 8.3.6  Configuring Voltage Capabilities (HIPWR)
      7. 8.3.7  Configuring Power Capabilities (PSEL, PCTRL, HIPWR)
      8. 8.3.8  Gate Driver (GDNG, GDNS)
      9. 8.3.9  Fault Monitoring and Protection
        1. 8.3.9.1 Over/Under Voltage (VBUS)
        2. 8.3.9.2 Over-Current Protection (ISNS, VBUS)
        3. 8.3.9.3 System Fault Input (GD, VPWR)
      10. 8.3.10 Voltage Control (CTL1, CTL2,CTL3)
      11. 8.3.11 Sink Attachment Indicator (DVDD)
      12. 8.3.12 Power Supplies (VAUX, VDD, VPWR, DVDD)
      13. 8.3.13 Grounds (AGND, GND)
      14. 8.3.14 Output Power Supply (DVDD)
    4. 8.4 Device Functional Modes
      1. 8.4.1 Sleep Mode
      2. 8.4.2 Checking VBUS at Start Up
  9. Application and Implementation
    1. 9.1 Application Information
      1. 9.1.1 System-Level ESD Protection
      2. 9.1.2 Using ENSRC to Enable the Power Supply upon Sink Attachment
      3. 9.1.3 Use of GD Internal Clamp
      4. 9.1.4 Resistor Divider on GD for Programmable Start Up
      5. 9.1.5 Selection of the CTL1, CTL2, and CTL3 Resistors (R(FBL1), R(FBL2), and R(FBL3))
      6. 9.1.6 Voltage Transition Requirements
      7. 9.1.7 VBUS Slew Control using GDNG C(SLEW)
      8. 9.1.8 Tuning OCP using RF and CF
    2. 9.2 Typical Applications
      1. 9.2.1 Typical Application, A/C Power Source (Wall Adapter)
        1. 9.2.1.1 Design Requirements
        2. 9.2.1.2 Detailed Design Procedure
          1. 9.2.1.2.1 Power Pin Bypass Capacitors
          2. 9.2.1.2.2 Non-Configurable Components
          3. 9.2.1.2.3 Configurable Components
        3. 9.2.1.3 Application Curves
      2. 9.2.2 Typical Application, D/C Power Source
        1. 9.2.2.1 Design Requirements
        2. 9.2.2.2 Detailed Design Procedure
          1. 9.2.2.2.1 Power Pin Bypass Capacitors
          2. 9.2.2.2.2 Non-Configurable Components
          3. 9.2.2.2.3 Configurable Components
        3. 9.2.2.3 Application Curves
    3. 9.3 System Examples
      1. 9.3.1 D/C Power Source (Power Hub)
      2. 9.3.2 A/C Power Source (Wall Adapter)
      3. 9.3.3 Dual-Port A/C Power Source (Wall Adaptor)
      4. 9.3.4 D/C Power Source (Power Hub with 3.3 V Rail)
  10. 10Power Supply Recommendations
    1. 10.1 VDD
    2. 10.2 VPWR
  11. 11Layout
    1. 11.1 Port Current Kelvin Sensing
    2. 11.2 Layout Guidelines
      1. 11.2.1 Power Pin Bypass Capacitors
      2. 11.2.2 Supporting Components
    3. 11.3 Layout Example
  12. 12Device and Documentation Support
    1. 12.1 Documentation Support
    2. 12.2 Receiving Notification of Documentation Updates
    3. 12.3 Community Resources
    4. 12.4 Trademarks
    5. 12.5 Electrostatic Discharge Caution
    6. 12.6 Glossary
  13. 13Mechanical, Packaging, and Orderable Information

Package Options

Mechanical Data (Package|Pins)
Thermal pad, mechanical data (Package|Pins)
Orderable Information

Application Information

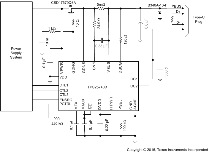
The TPS25740B implements a fully compliant USB Power Delivery 2.0 provider and Type-C source (also known as downward facing port (DFP)). The device basic schematic diagram is shown in Figure 38. Subsequent sections describe detailed design procedures for several applications with differing requirements. The TPS25740B Design Calculator Tool (refer to USB PD in Documentation Support ) is available for download and use in calculating the equations in the following sections.

TPS25740B Basic_Shematic_slvsdr6.gifFigure 38. Basic Schematic Diagram (P(SEL) = 65 W at 5 V, 9 V, 15 V, 20 V)