SLUSAK2D August   2011  – April 2021 TPS53353

PRODUCTION DATA  

  1. Features
  2. Applications
  3. Description
  4. Revision History
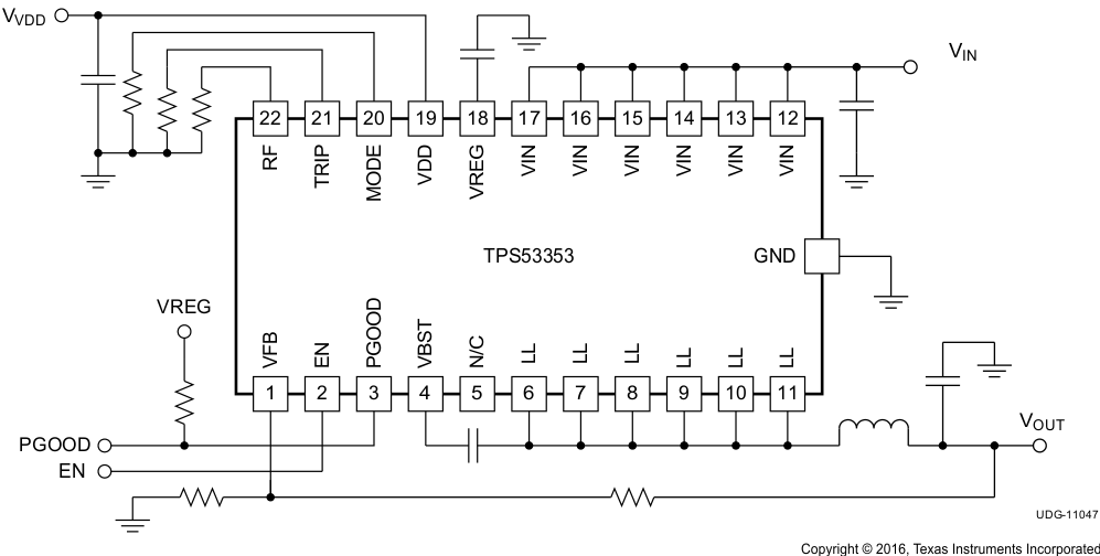
  5. Pin Configuration and Functions
  6. Specifications
    1. 6.1 Absolute Maximum Ratings (1)
    2. 6.2 ESD Ratings
    3. 6.3 Recommended Operating Conditions
    4. 6.4 Thermal Information
    5. 6.5 Electrical Characteristics
    6. 6.6 Typical Characteristics
  7. Detailed Description
    1. 7.1 Overview
    2. 7.2 Functional Block Diagram
    3. 7.3 Feature Description
      1. 7.3.1 5-V LDO and VREG Start-Up
      2. 7.3.2 Adaptive On-Time D-CAP™ Control and Frequency Selection
      3. 7.3.3 Ramp Signal
      4. 7.3.4 Adaptive Zero Crossing
      5. 7.3.5 Power-Good
      6. 7.3.6 Current Sense, Overcurrent and Short Circuit Protection
      7. 7.3.7 Overvoltage and Undervoltage Protection
      8. 7.3.8 UVLO Protection
      9. 7.3.9 Thermal Shutdown
    4. 7.4 Device Functional Modes
      1. 7.4.1 Small Signal Model
      2. 7.4.2 Enable, Soft Start, and Mode Selection
      3. 7.4.3 Auto-Skip Eco-mode™ Light Load Operation
      4. 7.4.4 Forced Continuous Conduction Mode
  8. Application and Implementation
    1. 8.1 Application Information
    2. 8.2 Typical Applications
      1. 8.2.1 Typical Application Circuit Diagram
        1. 8.2.1.1 Design Requirements
        2. 8.2.1.2 Detailed Design Procedure
          1. 8.2.1.2.1 External Component Selection
        3. 8.2.1.3 Application Curves
      2. 8.2.2 Typical Application Circuit Diagram With Ceramic Output Capacitors
        1. 8.2.2.1 Design Requirements
        2. 8.2.2.2 Detailed Design Procedure
          1. 8.2.2.2.1 External Component Selection
          2. 8.2.2.2.2 External Component Selection Using All Ceramic Output Capacitors
        3. 8.2.2.3 Application Curves
  9. Power Supply Recommendations
  10. 10Layout
    1. 10.1 Layout Guidelines
    2. 10.2 Layout Example
  11. 11Device and Documentation Support
    1. 11.1 Device Support
      1. 11.1.1 Third-Party Products Disclaimer
    2. 11.2 Receiving Notification of Documentation Updates
    3. 11.3 Support Resources
    4. 11.4 Trademarks
    5. 11.5 Electrostatic Discharge Caution
    6. 11.6 Glossary

Package Options

Mechanical Data (Package|Pins)
Thermal pad, mechanical data (Package|Pins)
Orderable Information

Description

TPS53353 is a D-CAP™ mode, 20-A synchronous switcher with integrated MOSFETs. It is designed for ease of use, low external component count, and space-conscious power systems.

This device features 5.5-mΩ / 2.2-mΩ integrated MOSFETs, accurate 1%, 0.6-V reference, and integrated boost switch. A sample of competitive features include: a conversion input voltage range from 1.5 V to 15 V, very low external component count, D-CAP™ mode control for super fast transient, auto-skip mode operation, internal soft-start control, selectable frequency, and no need for compensation.

The conversion input voltage ranges from 1.5 V to 15 V, the supply voltage range is from 4.5 V to 25 V, and the output voltage range is from 0.6 V to 5.5 V.

The device is available in 5-mm × 6-mm, 22-pin QFN package and is specified from –40°C to 85°C.

The TPS548B28 is a newer 20A device designed for data center applications with a smaller, Pb-free package.

Device Information(1)
PART NUMBER PACKAGE BODY SIZE (NOM)
TPS53353 LSON-CLIP (22) 6.00 mm × 5.00 mm
For all available packages, see the orderable addendum at the end of the data sheet.
GUID-26C8DF0B-BD07-49AB-B4E0-DC35D91E78EB-low.gif Simplified Application