SLUSCR1B May   2017  – March 2018 TPS543B20

PRODUCTION DATA.  

  1. Features
  2. Applications
  3. Description
    1.     Device Images
      1.      Simplified Schematic
  4. Revision History
  5. Device Comparison Table
  6. Pin Configuration and Functions
    1.     Pin Functions
  7. Specifications
    1. 7.1 Absolute Maximum Ratings
    2. 7.2 ESD Ratings
    3. 7.3 Recommended Operating Conditions
    4. 7.4 Thermal Information
    5. 7.5 Electrical Characteristics
    6. 7.6 Typical Characteristics
  8. Detailed Description
    1. 8.1 Overview
    2. 8.2 Functional Block Diagram
    3. 8.3 Feature Description
    4. 8.4 Device Functional Modes
      1. 8.4.1  Soft-Start Operation
      2. 8.4.2  Input and VDD Undervoltage Lockout (UVLO) Protection
      3. 8.4.3  Power Good and Enable
      4. 8.4.4  Voltage Reference
      5. 8.4.5  Prebiased Output Start-up
      6. 8.4.6  Internal Ramp Generator
        1. 8.4.6.1 Ramp Selections
      7. 8.4.7  Switching Frequency
      8. 8.4.8  Clock Sync Point Selection
      9. 8.4.9  Synchronization and Stackable Configuration
      10. 8.4.10 Dual-Phase Stackable Configurations
        1. 8.4.10.1 Configuration 1: Master Sync Out Clock-to-Slave
        2. 8.4.10.2 Configuration 2: Master and Slave Sync to External System Clock
      11. 8.4.11 Operation Mode
      12. 8.4.12 API/BODY Brake
      13. 8.4.13 Sense and Overcurrent Protection
        1. 8.4.13.1 Low-Side MOSFET Overcurrent Protection
        2. 8.4.13.2 High-Side MOSFET Overcurrent Protection
      14. 8.4.14 Output Overvoltage and Undervoltage Protection
      15. 8.4.15 Overtemperature Protection
      16. 8.4.16 RSP/RSN Remote Sense Function
      17. 8.4.17 Current Sharing
      18. 8.4.18 Loss of Synchronization
  9. Application and Implementation
    1. 9.1 Application Information
    2. 9.2 Typical Application: TPS543B20 Stand-alone Device
      1. 9.2.1 Design Requirements
      2. 9.2.2 Detailed Design Procedure
        1. 9.2.2.1 Custom Design With WEBENCH® Tools
        2. 9.2.2.2 Switching Frequency Selection
        3. 9.2.2.3 Inductor Selection
        4. 9.2.2.4 Input Capacitor Selection
        5. 9.2.2.5 Bootstrap Capacitor Selection
        6. 9.2.2.6 BP Pin
        7. 9.2.2.7 R-C Snubber and VIN Pin High-Frequency Bypass
        8. 9.2.2.8 Output Capacitor Selection
          1. 9.2.2.8.1 Response to a Load Transient
          2. 9.2.2.8.2 Ramp Selection Design to Ensure Stability
      3. 9.2.3 Application Curves
    3. 9.3 System Example
      1. 9.3.1 Two-Phase Stackable
        1. 9.3.1.1 Application Curves
  10. 10Power Supply Recommendations
  11. 11Layout
    1. 11.1 Layout Guidelines
    2. 11.2 Layout Example
    3. 11.3 Package Size, Efficiency and Thermal Performance
  12. 12Device and Documentation Support
    1. 12.1 Device Support
      1. 12.1.1 Development Support
        1. 12.1.1.1 Custom Design With WEBENCH® Tools
      2. 12.1.2 Documentation Support
        1. 12.1.2.1 Related Documentation
    2. 12.2 Receiving Notification of Documentation Updates
    3. 12.3 Community Resources
    4. 12.4 Trademarks
    5. 12.5 Electrostatic Discharge Caution
    6. 12.6 Glossary
  13. 13Mechanical, Packaging, and Orderable Information

Package Options

Mechanical Data (Package|Pins)
Thermal pad, mechanical data (Package|Pins)
Orderable Information

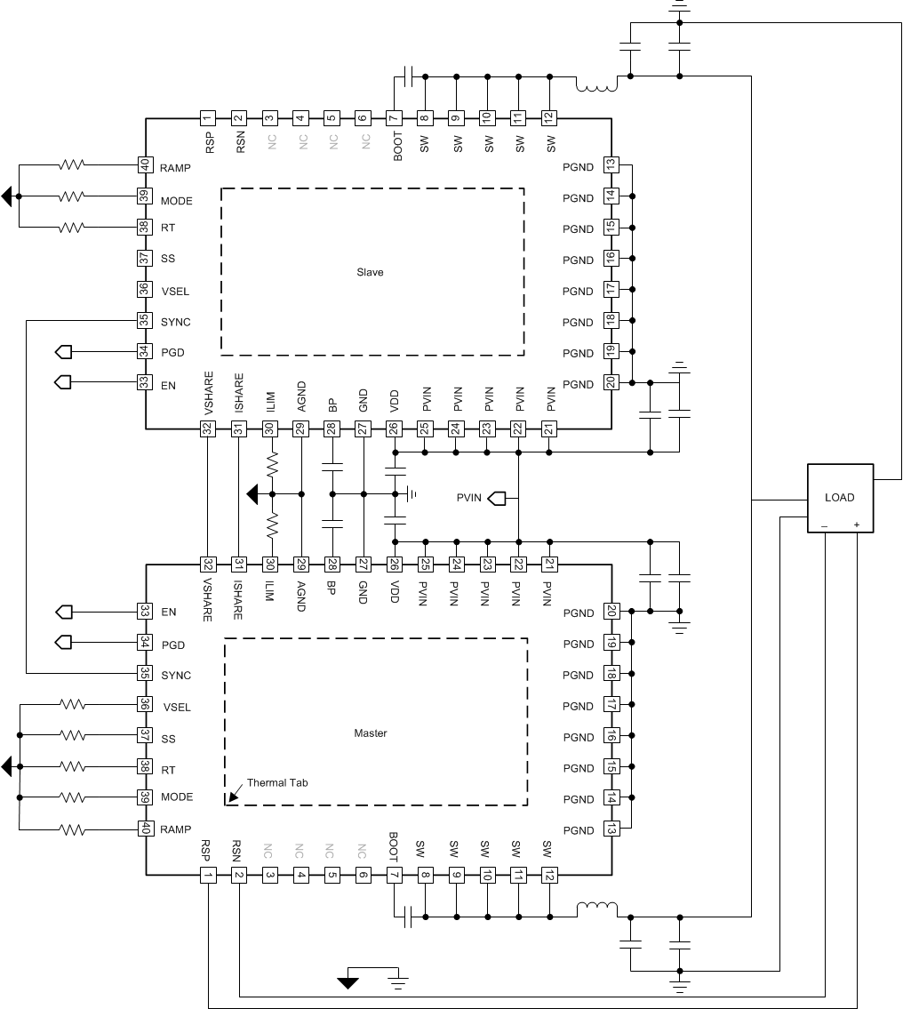
Two-Phase Stackable

TPS543B20 sluscd4_2_phase_stackable.gifFigure 28. 2-Phase Stackable

See Synchronization and Stackable Configuration section.